Parti di controllo del cambio
 Kit di riparazione del collegamento del cambio. Porsche 911 1965-86
                        
                    
            
            
                    Kit di riparazione del collegamento del cambio. Porsche 911 1965-86
                    - Porsche 911 1965-1968 2.0L / 912 SWB (F)
- Porsche 911 1968-1973 2.2L / 2.4L / 2.7L RS LWB (F)
- Porsche 911 1974-1977 2.7L / 1976-77 3.0 Carrera
- Porsche 911 1978-1983 3.0L / SC
- Porsche 911 1984-1986 3.2L
- Porsche 911 1975-1977 3.0L Turbo (930)
Problemi comuni e sintomi di usura Nel tempo, le boccole e i collegamenti si usurano, con conseguente aumento del gioco o del gioco nel meccanismo del cambio. Un altro sintomo tipico è lo stridio degli ingranaggi, in particolare tra la prima e la seconda marcia, dovuto a disallineamento o movimento eccessivo nell'accoppiamento. In alcuni casi, la sostituzione degli anelli di frizione potrebbe ridurre temporaneamente il gioco. Ma quando l'usura è troppo estesa, è necessario sostituire l'intero accoppiamento dell'asta del cambio.
Adatto a:
Porsche 911 1965>>1986
Il kit di riparazione contiene:
- 91142402404 x1 Giunto asta cambio (rif. schema n. 9)
- 91142413901 x1 Attacco sferico (rif. schema n. 4)
- 91442422400 x1 Anello di frizione (rif. diagramma n. 13)
- 90142422900 x2 Vite conica (rif. diagramma n. 2)
Numeri di riferimento correlati
Numeri correlati, sostituiti, riferimenti incrociati o alternativi per il confronto.
PCG42402000
Il prodotto che stai visualizzando fa riferimento a questi numeri
Questo kit è composto dai seguenti elementi:
 Kit interno ed esterno cuffia tiranteria cambio. Porsche 911/912 dal 1965 al 1971
                        
                    
            
            
                    Kit interno ed esterno cuffia tiranteria cambio. Porsche 911/912 dal 1965 al 1971
                    - Porsche 911 1965-1968 2.0L / 912 SWB (F)
- Porsche 911 1968-1973 2.2L / 2.4L / 2.7L RS LWB (F)
 Il kit include
 Avvio di collegamento - interno x 1
 Avvio di collegamento - esterno x 1
 
 Si adatta:
 Porsche 911 - dal 1965 al 1971
 Porsche 912 - dal 1965 al 1971
 Fare clic su "Zoom avanti" per il diagramma delle parti di grandi dimensioni.
 Rif. diagramma n. 10 e 12
Numeri di riferimento correlati
Numeri correlati, sostituiti, riferimenti incrociati o alternativi per il confronto.
90142429202
Il prodotto che stai visualizzando fa riferimento a questi numeri
Questo kit è composto dai seguenti elementi:
 Supporto cuscinetto per cambio. Porsche 911 / 912 / 914 1970-88
                        
                    
            
            
                    Supporto cuscinetto per cambio. Porsche 911 / 912 / 914 1970-88
                     
            
            
                    - Porsche 911 1965-1968 2.0L / 912 SWB (F)
- Porsche 911 1968-1973 2.2L / 2.4L / 2.7L RS LWB (F)
- Porsche 911 1974-1977 2.7L / 1976-77 3.0 Carrera
- Porsche 911 1978-1983 3.0L / SC
- Porsche 911 1984-1986 3.2L
- Porsche 911 1987-1989 3.2L G50
- Porsche 911 1975-1977 3.0L Turbo (930)
- Porsche 911 1978-1989 3.3L Turbo (930)
- Porsche 914 (1970-1976)
Adatto a:
Porsche 911 1970>>1973
Porsche 911 1974>>1977
Porsche 911 SC/Turbo 1978>>1983
Porsche 911 1984>>1986
Porsche 911 1987>>1988
Porsche 911 / 912 1969>>
Porsche 911 Turbo 1975>>1977
Porsche 914-6/4 1970>>1972
Diagramma Rif. n. 21
Numeri di riferimento correlati
Numeri correlati, sostituiti, riferimenti incrociati o alternativi per il confronto.
93042403101
Il prodotto che stai visualizzando fa riferimento a questi numeri
 Acquista in sicurezza
                                Acquista in sicurezza
                            
                             12 mesi di garanzia
                                12 mesi di garanzia
                            
                             Consegna in tutto il mondo
                                Consegna in tutto il mondo
                            
                     Cuffia per l'accoppiamento della tiranteria del cambio nel tunnel della trasmissione, esterno Porsche 911
                        
                    
            
            
                    Cuffia per l'accoppiamento della tiranteria del cambio nel tunnel della trasmissione, esterno Porsche 911
                     
            
            
                    - Porsche 911 1965-1968 2.0L / 912 SWB (F)
- Porsche 911 1968-1973 2.2L / 2.4L / 2.7L RS LWB (F)

Si adatta:
Porsche 911 1965-69
Porsche 911 1970-71
Fai clic su "Ingrandisci" per il diagramma delle parti di grandi dimensioni.
Diagramma Rif. N.12
Numeri di riferimento correlati
Numeri correlati, sostituiti, riferimenti incrociati o alternativi per il confronto.
90142429302
Il prodotto che stai visualizzando fa riferimento a questi numeri
 Acquista in sicurezza
                                Acquista in sicurezza
                            
                             12 mesi di garanzia
                                12 mesi di garanzia
                            
                             Consegna in tutto il mondo
                                Consegna in tutto il mondo
                            
                     Cuffia per l'accoppiamento della tiranteria del cambio nel tunnel della trasmissione, esterno Porsche 911
                        
                    
            
            
                    Cuffia per l'accoppiamento della tiranteria del cambio nel tunnel della trasmissione, esterno Porsche 911
                     
            
            
                    - Porsche 911 1965-1968 2.0L / 912 SWB (F)
- Porsche 911 1968-1973 2.2L / 2.4L / 2.7L RS LWB (F)

Adatto a:
Porsche 911 1965-69
Porsche 911 1970-71
Fare clic su "Ingrandisci" per visualizzare lo schema delle parti più grandi.
Diagramma Rif. n. 12
Numeri di riferimento correlati
Numeri correlati, sostituiti, riferimenti incrociati o alternativi per il confronto.
90142429302
Il prodotto che stai visualizzando fa riferimento a questi numeri
 Acquista in sicurezza
                                Acquista in sicurezza
                            
                             12 mesi di garanzia
                                12 mesi di garanzia
                            
                             Consegna in tutto il mondo
                                Consegna in tutto il mondo
                            
                     Piastra di supporto leva cambio. Porsche 911 1970-86
                        
                    
            
            
                    Piastra di supporto leva cambio. Porsche 911 1970-86
                    - Porsche 911 1968-1973 2.2L / 2.4L / 2.7L RS LWB (F)
- Porsche 911 1974-1977 2.7L / 1976-77 3.0 Carrera
- Porsche 911 1978-1983 3.0L / SC
- Porsche 911 1984-1986 3.2L
Adatto a:
Porsche 911 - dal 1970 al 1986
Per auto con cambio 915
Riferimento diagramma n. 11
Numeri di riferimento correlati
Numeri correlati, sostituiti, riferimenti incrociati o alternativi per il confronto.
91142406304
Il prodotto che stai visualizzando fa riferimento a questi numeri
 Acquista in sicurezza
                                Acquista in sicurezza
                            
                             12 mesi di garanzia
                                12 mesi di garanzia
                            
                             Consegna in tutto il mondo
                                Consegna in tutto il mondo
                            
                     Leva del cambio cromata. Porsche 911 65-72 / 912 / 914
                        
                    
            
            
                    Leva del cambio cromata. Porsche 911 65-72 / 912 / 914
                     
            
            
                    - Porsche 911 1965-1968 2.0L / 912 SWB (F)
- Porsche 911 1968-1973 2.2L / 2.4L / 2.7L RS LWB (F)
- Porsche 914 (1970-1976)

Adatto a:
Porsche 911 1965-1972
Porsche 912 1965-1969
Porsche 914 1970-1976
Notare che:
Non disponibile come parte separata da Porsche
Solo leva del cambio di ricambio cromata
Non include il quadrante di spostamento inferiore
Il cliente deve sostituire il cambio originale
Richiede resina epossidica per l'installazione
Fare clic su "Ingrandisci" per visualizzare lo schema delle parti più grandi.
Riferimento diagramma n. 3
Numeri di riferimento correlati
Numeri correlati, sostituiti, riferimenti incrociati o alternativi per il confronto.
91442401600K
Il prodotto che stai visualizzando fa riferimento a questi numeri
 Acquista in sicurezza
                                Acquista in sicurezza
                            
                             12 mesi di garanzia
                                12 mesi di garanzia
                            
                             Consegna in tutto il mondo
                                Consegna in tutto il mondo
                            
                     Vite conica. Porsche 911 1965-89 / 914 / 924TT
                        
                    
            
            
                    Vite conica. Porsche 911 1965-89 / 914 / 924TT
                     
            
            
                    - Porsche 911 1965-1968 2.0L / 912 SWB (F)
- Porsche 911 1968-1973 2.2L / 2.4L / 2.7L RS LWB (F)
- Porsche 911 1974-1977 2.7L / 1976-77 3.0 Carrera
- Porsche 911 1978-1983 3.0L / SC
- Porsche 911 1984-1986 3.2L
- Porsche 911 1975-1977 3.0L Turbo (930)
- Porsche 911 1978-1989 3.3L Turbo (930)
- Porsche 924 Turbo 2.0L 1979-81
- Porsche 924 Turbo 2.0L 1982-84
- Porsche 924 Carrera GT 2.0L 1981
- Porsche 914 (1970-1976)

Si adatta:
Porsche 911 1965-86 (non per auto con cambio G50)
Porsche 914-6/4 >>1972
Porsche 914 1973>>
Porsche 924 Turbo 1976-85 (cambio manuale)
Porsche 924 Carrera GT 1981 (cambio manuale)
Fai clic su "Ingrandisci" per il diagramma delle parti di grandi dimensioni.
Diagramma rif. n. 60
Numeri di riferimento correlati
Numeri correlati, sostituiti, riferimenti incrociati o alternativi per il confronto.
90142422901
Il prodotto che stai visualizzando fa riferimento a questi numeri
 Acquista in sicurezza
                                Acquista in sicurezza
                            
                             12 mesi di garanzia
                                12 mesi di garanzia
                            
                             Consegna in tutto il mondo
                                Consegna in tutto il mondo
                            
                     Cambio corto ricavato dal pieno ExactShift. Porsche 911 con cambio 915
                        
                    
            
            
                    Cambio corto ricavato dal pieno ExactShift. Porsche 911 con cambio 915
                     
            
            
                    - Porsche 911 1965-1968 2.0L / 912 SWB (F)
- Porsche 911 1968-1973 2.2L / 2.4L / 2.7L RS LWB (F)
- Porsche 911 1974-1977 2.7L / 1976-77 3.0 Carrera
- Porsche 911 1978-1983 3.0L / SC
- Porsche 911 1975-1977 3.0L Turbo (930)
- Porsche 911 1978-1989 3.3L Turbo (930)
Adatto a:
Porsche 911 1974-86 con trasmissione 915
Il cambio corto Rennline ExactShift montato sul telaio per Porsche 911 dal '74 all'86 inaugura un livello di prestazioni completamente nuovo per il cambio della tua 915. Il cambio originale manca di regolabilità e precisione e lascia sicuramente margini di miglioramento. Il nostro cambio risolve questi difetti di progettazione per consentire una messa a punto precisa in base al tuo stile di guida specifico, sia in pista che fuori. Il tutto racchiuso in un design accattivante ed esteticamente gradevole, con il livello di qualità, ingegneria e produzione che ti aspetti da Rennline.
• Realizzato in alluminio billet di qualità aeronautica lavorato a CNC
• 4 posizioni di regolazione del cambio per cambi rapidi e precisi
• Leva del cambio estesa che posiziona il pomello del cambio più vicino al volante per il massimo controllo
• Movimento laterale della leva del cambio in posizione neutra regolabile
• Azione della leva del cambio con ritorno al centro
• Soffietto in gomma incluso per sigillare l'apertura del cambio • e leva per un aspetto OEM+
• Blocco della retromarcia tramite cavo instradato internamente
• Si monta direttamente sul tunnel di trasmissione utilizzando l'hardware in dotazione
• Conserva il giunto del cambio OEM e altri componenti per un'installazione a bullone
• Disponibile con finitura anodizzata nera o argento
• Pomello del cambio in alluminio incluso (compatibile con tutti gli attuali pomelli del cambio Rennline)
Numeri di riferimento correlati
Numeri correlati, sostituiti, riferimenti incrociati o alternativi per il confronto.
TR04
Il prodotto che stai visualizzando fa riferimento a questi numeri
 Acquista in sicurezza
                                Acquista in sicurezza
                            
                             12 mesi di garanzia
                                12 mesi di garanzia
                            
                             Consegna in tutto il mondo
                                Consegna in tutto il mondo
                            
                     Cambio corto ricavato dal pieno ExactShift. Porsche 911 con cambio 915
                        
                    
            
            
                    Cambio corto ricavato dal pieno ExactShift. Porsche 911 con cambio 915
                     
            
            
                    - Porsche 911 1968-1973 2.2L / 2.4L / 2.7L RS LWB (F)
- Porsche 911 1974-1977 2.7L / 1976-77 3.0 Carrera
- Porsche 911 1978-1983 3.0L / SC

Si adatta:
Porsche 911 1974-86 con cambio 915
• Asta di collegamento, albero boccola e viti di fissaggio in acciaio al carbonio con rivestimento in zinco giallo
• Inserti boccola in Delrin a basso attrito
• Sensazione del cambio più diretta grazie alle strette tolleranze
• Sostituzione diretta della versione OEM
• Dura più a lungo dell'accoppiatore di fabbrica
• Compatibile con il cambio corto Billet Rennline TR04 ExactShift
• Logo Rennline inciso
Numeri di riferimento correlati
Numeri correlati, sostituiti, riferimenti incrociati o alternativi per il confronto.
TR10
Il prodotto che stai visualizzando fa riferimento a questi numeri
 Acquista in sicurezza
                                Acquista in sicurezza
                            
                             12 mesi di garanzia
                                12 mesi di garanzia
                            
                             Consegna in tutto il mondo
                                Consegna in tutto il mondo
                            
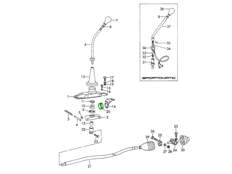
                     Anello di attrito per staffa di supporto dell'asta del cambio. Porsche 911 / 912 1965-68
                        
                    
            
            
                    Anello di attrito per staffa di supporto dell'asta del cambio. Porsche 911 / 912 1965-68
                     
            
            
                    - Porsche 911 1965-1968 2.0L / 912 SWB (F)
L'anello di attrito Porsche è un componente OEM originale progettato per la staffa di supporto dell'asta del cambio nei modelli Porsche classici. Agendo come una boccola scorrevole, garantisce un movimento fluido e preciso dell'asta del cambio, garantendo un innesto affidabile delle marce e riducendo il gioco indesiderato nel meccanismo del cambio.
Adatto a:
- Porsche 911 1965-1968 2.0L / 912 SWB (F)
Cosa fa questo prodotto:
Si trova nella staffa di supporto dell'asta del cambio/area di montaggio dell'asta del cambio, dove l'asta del cambio scorre attraverso una guida o una staffa. L'anello di frizione fornisce un'interfaccia fluida e controllata: aiuta a guidare l'asta, riduce le vibrazioni, il gioco e fornisce resistenza, garantendo un cambio fluido e preciso.
Sintomi di un anello di attrito difettoso o usurato:
Cambio marcia lento o impreciso.
Rumori di tonfo/crepitio vicino al cambio o sotto l'auto durante il cambio marcia.
Scarsa sensibilità del cambio: innesto delle marce lento, lento o incoerente.
Usura accelerata delle superfici dell'asta/staffa del cambio.
In alcuni casi, l'asta del cambio si blocca o si inceppa se dei detriti penetrano nella zona usurata o se l'anello è troppo allentato.
Perché la sostituzione è importante:
- Mantiene cambi di marcia precisi: la sensazione di cambiata precisa e precisa è importante soprattutto nelle auto d'epoca/classiche.
- Previene ulteriori danni all'asta del cambio, alla staffa o ai componenti del collegamento: un anello usurato danneggia le parti metalliche adiacenti.
- Riduce rumore/vibrazioni: giochi o rumori indesiderati possono essere fastidiosi e anche un segno di usura in altre parti.
 Diagramma Rif. n. 20
Numeri di riferimento correlati
Numeri correlati, sostituiti, riferimenti incrociati o alternativi per il confronto.
90142429102
Il prodotto che stai visualizzando fa riferimento a questi numeri
 Acquista in sicurezza
                                Acquista in sicurezza
                            
                             12 mesi di garanzia
                                12 mesi di garanzia
                            
                             Consegna in tutto il mondo
                                Consegna in tutto il mondo
                            
                     Asta del cambio Fit Bolt. Porsche 911 87-89 G50 CAMBIO
                        
                    
            
            
                    Asta del cambio Fit Bolt. Porsche 911 87-89 G50 CAMBIO
                     
            
            
                    - Porsche 911 1987-1989 3.2L G50
- Porsche 911 1978-1989 3.3L Turbo (930)

Si adatta:
Porsche 911 1987-89 G50 AUTO CON CAMBIO
Fai clic su "Ingrandisci" per il diagramma delle parti di grandi dimensioni.
Diagramma rif. n. 19.
Numeri di riferimento correlati
Numeri correlati, sostituiti, riferimenti incrociati o alternativi per il confronto.
99907402303
Il prodotto che stai visualizzando fa riferimento a questi numeri
 Acquista in sicurezza
                                Acquista in sicurezza
                            
                             12 mesi di garanzia
                                12 mesi di garanzia
                            
                             Consegna in tutto il mondo
                                Consegna in tutto il mondo
                            
                     Cuscinetto cambio. Porsche 911 1965-89/914
                        
                    
            
            
                    Cuscinetto cambio. Porsche 911 1965-89/914
                     
            
            
                    - Porsche 911 1965-1968 2.0L / 912 SWB (F)
- Porsche 911 1968-1973 2.2L / 2.4L / 2.7L RS LWB (F)
- Porsche 911 1974-1977 2.7L / 1976-77 3.0 Carrera
- Porsche 911 1978-1983 3.0L / SC
- Porsche 911 1984-1986 3.2L
- Porsche 911 1975-1977 3.0L Turbo (930)
- Porsche 911 1978-1989 3.3L Turbo (930)
- Porsche 914 (1970-1976)

Si adatta:
Porsche 911 1965-86
Porsche 914-6/4 >>1972
(Non per auto con cambio G50)
Diagramma rif. n. 58
 Acquista in sicurezza
                                Acquista in sicurezza
                            
                             12 mesi di garanzia
                                12 mesi di garanzia
                            
                             Consegna in tutto il mondo
                                Consegna in tutto il mondo
                            
                     Bullone della staffa del cambio. Porsche 911 87-89 G50 CAMBIO
                        
                    
            
            
                    Bullone della staffa del cambio. Porsche 911 87-89 G50 CAMBIO
                     
            
            
                    - Porsche 911 1987-1989 3.2L G50
- Porsche 911 1978-1989 3.3L Turbo (930)

Si adatta:
Porsche 911 1987-89 G50 AUTO CON CAMBIO
Fai clic su "Ingrandisci" per il diagramma delle parti di grandi dimensioni.
Diagramma rif. 5.
Numeri di riferimento correlati
Numeri correlati, sostituiti, riferimenti incrociati o alternativi per il confronto.
95042413100
Il prodotto che stai visualizzando fa riferimento a questi numeri
 Acquista in sicurezza
                                Acquista in sicurezza
                            
                             12 mesi di garanzia
                                12 mesi di garanzia
                            
                             Consegna in tutto il mondo
                                Consegna in tutto il mondo
                            
                     Staffa del cambio per custodia in pelle. Porsche 911 87-89 G50 CAMBIO
                        
                    
            
            
                    Staffa del cambio per custodia in pelle. Porsche 911 87-89 G50 CAMBIO
                     
            
            
                    - Porsche 911 1987-1989 3.2L G50
- Porsche 911 1978-1989 3.3L Turbo (930)

Si adatta:
Porsche 911 1987-89 G50 AUTO CON CAMBIO
Fai clic su "Ingrandisci" per il diagramma delle parti di grandi dimensioni.
Diagramma rif. n. 22.
Numeri di riferimento correlati
Numeri correlati, sostituiti, riferimenti incrociati o alternativi per il confronto.
95042418000
Il prodotto che stai visualizzando fa riferimento a questi numeri
 Acquista in sicurezza
                                Acquista in sicurezza
                            
                             12 mesi di garanzia
                                12 mesi di garanzia
                            
                             Consegna in tutto il mondo
                                Consegna in tutto il mondo
                            
                     Blocco della staffa del cambio. Porsche 911 87-89 G50 CAMBIO
                        
                    
            
            
                    Blocco della staffa del cambio. Porsche 911 87-89 G50 CAMBIO
                     
            
            
                    - Porsche 911 1987-1989 3.2L G50
- Porsche 911 1978-1989 3.3L Turbo (930)

Si adatta:
Porsche 911 1987-89 G50 AUTO CON CAMBIO
Fai clic su "Ingrandisci" per il diagramma delle parti di grandi dimensioni.
Diagramma rif. 6.
Numeri di riferimento correlati
Numeri correlati, sostituiti, riferimenti incrociati o alternativi per il confronto.
N0126531
Il prodotto che stai visualizzando fa riferimento a questi numeri
 Acquista in sicurezza
                                Acquista in sicurezza
                            
                             12 mesi di garanzia
                                12 mesi di garanzia
                            
                             Consegna in tutto il mondo
                                Consegna in tutto il mondo
                            
                    Componenti per il controllo del cambio Porsche | Ingegneria di precisione per una selezione delle marce fluida e precisa
I componenti del cambio costituiscono il collegamento fondamentale tra la leva del cambio e la trasmissione della tua Porsche. Garantiscono una selezione fluida, precisa e reattiva delle marce, traducendo gli input del conducente in un innesto pulito e preciso. Che sia manuale o automatico, l'integrità del sistema di cambio ha un impatto diretto sulla sensazione di guida, sulla sicurezza e sulle prestazioni della trasmissione.
Da Design911 forniamo componenti di alta qualità per il controllo del cambio, progettati per eguagliare o superare gli standard prestazionali originali. Realizzati con materiali resistenti e progettati per un montaggio di precisione, la nostra gamma comprende tiranti, boccole, cavi, supporti e meccanismi di selezione per ripristinare cambi di marcia precisi ed eliminare giochi o vibrazioni.
Che si tratti di sostituire componenti usurati o di effettuare un upgrade per migliorare le prestazioni, i nostri componenti per il controllo del cambio Porsche garantiscono una migliore sensazione di cambiata, affidabilità e sicurezza del conducente.
A cosa servono i componenti del controllo del cambio?
I componenti di controllo del cambio assicurano che il movimento dalla leva del cambio venga trasferito con precisione al cambio o al meccanismo del selettore, consentendo il corretto innesto delle marce.
 Funzioni principali:
- Trasferire il movimento dalla leva del cambio alla trasmissione.
- Mantenere una selezione delle marce fluida e precisa.
- Assorbono le vibrazioni e impediscono movimenti eccessivi nei collegamenti.
- Fornire un feedback tattile e reattivo durante il cambio marcia.
- Garantire un allineamento coerente sia per i sistemi manuali che per quelli automatici.
 Se i componenti del cambio non funzionano correttamente, i cambi di marcia potrebbero risultare lenti, imprecisi o rumorosi, con conseguente usura e potenziali danni al cambio.
 
Perché i componenti del cambio si guastano o si usurano?
Nel tempo, i componenti del cambio sono sottoposti a continue sollecitazioni meccaniche, calore e vibrazioni, che ne causano usura o disallineamento.
 Le cause più comuni di guasto includono:
- Boccole o giunti di collegamento usurati che causano gioco nel cambio.
- Stiramento o distacco del cavo nei sistemi azionati da cavi.
- Supporti incrinati o giunti metallici affaticati.
- Corrosione o contaminazione da sporco e umidità.
Disallineamento dovuto a cambi bruschi o vibrazioni.
Quando queste parti si deteriorano, i conducenti potrebbero riscontrare cambi di marcia lenti o rigidi, difficoltà nell'inserimento delle marce o movimenti eccessivi della leva del cambio.
 Perché sostituire o aggiornare i componenti del comando del cambio Porsche?
 
La sostituzione di componenti del cambio usurati o danneggiati ripristina la precisione di cambiata, l'innesto preciso e la sicurezza di guida. L'aggiornamento a leveraggi o boccole ad alte prestazioni offre un feedback tattile migliore e riduce i movimenti del cambio.
 Vantaggi principali:
- Ripristina cambi di marcia precisi e reattivi.
- Elimina il gioco eccessivo, l'allentamento o la rigidità del cambio.
- Riduce le vibrazioni e migliora il comfort di guida.
- Migliora la precisione e la sensazione complessiva della selezione delle marce.
- Compatibile con Porsche 911, Cayman, Boxster e modelli classici.
- Ideale per ricostruzioni, restauri e miglioramenti delle prestazioni.
Si consiglia di sostituire i componenti del comando del cambio durante la manutenzione della frizione o del cambio per mantenere l'integrità della trasmissione e la costanza delle prestazioni.
 Punti salienti
- Ricambi di alta qualità per il controllo del cambio Porsche, per trasmissioni manuali e automatiche.
- Progettato con precisione per cambi di marcia fluidi e precisi.
- Include collegamenti, boccole, supporti e componenti del selettore.
- Ricambi direttamente adatti ai modelli Porsche da strada e ad alte prestazioni.
- Migliora la qualità del cambio, la precisione e l'affidabilità a lungo termine.
- Essenziale per la manutenzione, il restauro o gli aggiornamenti della trasmissione.
 
 
        
 
                                     
                                     
                                     
                                     
                                     
                                     
                                     
                                     
                                     
                                     
                 
                 
                 
                 
                 
                 
                 
                 
                 
                 
                 
                 
                 
                 
                 
                 
                 
                 
                 
                 
                 
                 
                 
                 
                 
                 
                 
                 
                 
                 
                 
                 
                