Geben Sie hier Ihre MwSt.-Nummer ein und klicken Sie auf Überprüfen:
Sie brauchen den Ländercode Ihrer MwSt.-Nummer nicht einzugeben, da dieser bereits oben in Ihrer Rechnungsadresse ausgewählt wurde.
Ihre Angaben wurden überprüft. MwSt.-Nummer registriert auf:
,
.
Ihre Bestellung ist nun mehrwertsteuerfrei. Wir behalten uns das Recht vor, diese Angaben nach Ihrer Bestellung zu überprüfen und gegebenenfalls die Mehrwertsteuer wieder einzuführen.
Ihre MwSt.-Angaben wurden nicht erkannt oder waren ungültig. Ihre MwSt.-Nummer muss mit Ihrem Rechnungsland übereinstimmen, wie oben angegeben. Dies ist derzeit als angegeben. Sie brauchen den Ländercode Ihrer MwSt.-Nummer nicht einzugeben, da Sie diesen bereits in den Angaben zu Ihrer Rechnungsadresse oben ausgewählt haben.
Der Dienst zur Überprüfung von MwSt.-Nummern ist derzeit offline. Bitte geben Sie Ihre MwSt.-Daten im Feld „Kommentare“ oder „Besondere Hinweise“ unten an, und wir werden nach Ihrer Bestellung einen MwSt.-Rabatt gewähren.
Ölkühler/Wärmetauscher
- Porsche 911 1965-1968 2.0L / 912 SWB (F)
- Porsche 911 1968-1973 2.2L / 2.4L / 2.7L RS LWB (F)
- Porsche 911 1974-1977 2.7L / 1976-77 3.0 Carrera
- Porsche 911 1978-1983 3.0L / SC
- Porsche 911 1984-1986 3.2L
- Porsche 911 1987-1989 3.2L G50
- Porsche 911 1975-1977 3.0L Turbo (930)
- Porsche 911 1978-1989 3.3L Turbo (930)
- Porsche 911 1978-1983 3.0L / SC
- Porsche 911 1984-1986 3.2L
- Porsche 911 1987-1989 3.2L G50
- Porsche 911 1978-1989 3.3L Turbo (930)
Passform:
Porsche 911 3.2L / 3.0L 1980-89
Porsche 911 3,3L Turbo 1980-89
Wenn Sie den Kühler in Ihren Warenkorb legen, haben Sie die Möglichkeit, den Temperatursensor oder den Verschlussstopfen (und die Unterlegscheibe) auszuwählen.
Bitte bei Bedarf ergänzen. Der Kühler wird ohne die im Lieferumfang enthaltenen Optionen geliefert.
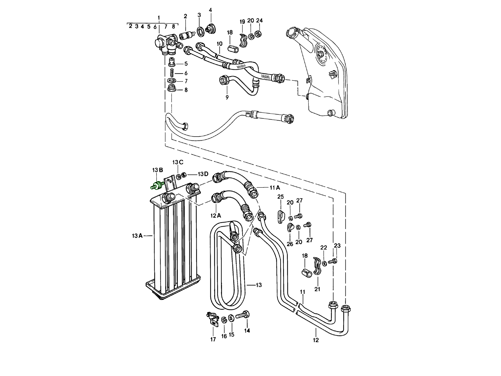
Diagramm Ref Nr. 13
Zugehörige Referenznummern
Verwandte, ersetzte, Querverweisoder Alternativnummern zum Vergleich.
93020705304
Das von Ihnen angezeigte Produkt verweist auf diese Nummern
- Porsche 911 1984-1986 3.2L
- Porsche 911 1987-1989 3.2L G50
- Porsche 911 1975-1977 3.0L Turbo (930)
- Porsche 911 1978-1989 3.3L Turbo (930)

Passform:
Porsche 911 1984-89
Diagrammreferenznummer 33.
Zugehörige Referenznummern
Verwandte, ersetzte, Querverweisoder Alternativnummern zum Vergleich.
93020712100
Das von Ihnen angezeigte Produkt verweist auf diese Nummern
- Porsche 911 1984-1986 3.2L
- Porsche 911 1987-1989 3.2L G50

Passt:
Porsche 911 1984-89
Klicken Sie auf „Vergrößern“, um ein großes Teilediagramm anzuzeigen.
Diagramm Nr. 32
Zugehörige Referenznummern
Verwandte, ersetzte, Querverweisoder Alternativnummern zum Vergleich.
93020731915
Das von Ihnen angezeigte Produkt verweist auf diese Nummern
- Porsche 911 1978-1989 3.3L Turbo (930)

Passend für:
Porsche 911 Turbo 3.3L 1984-89
930,66 / 930,68 (Kanada / USA)
Klicken Sie auf „Vergrößern“, um ein Diagramm mit großen Teilen anzuzeigen.
Diagramm Nr. 32
Zugehörige Referenznummern
Verwandte, ersetzte, Querverweisoder Alternativnummern zum Vergleich.
93020731913
Das von Ihnen angezeigte Produkt verweist auf diese Nummern
- Porsche 911 1968-1973 2.2L / 2.4L / 2.7L RS LWB (F)

Passend für:
Porsche 911 S 1969-1971
Klicken Sie auf „Vergrößern“, um ein Diagramm mit großen Teilen anzuzeigen.
Diagramm Ref. Nr. 17
Zugehörige Referenznummern
Verwandte, ersetzte, Querverweisoder Alternativnummern zum Vergleich.
90110704603
Das von Ihnen angezeigte Produkt verweist auf diese Nummern
- Porsche 911 1968-1973 2.2L / 2.4L / 2.7L RS LWB (F)

Passend für:
Porsche 911 S 1969-1971
Klicken Sie auf „Vergrößern“, um ein Diagramm mit großen Teilen anzuzeigen.
Diagramm Ref. Nr. 17
Zugehörige Referenznummern
Verwandte, ersetzte, Querverweisoder Alternativnummern zum Vergleich.
90110704603
Das von Ihnen angezeigte Produkt verweist auf diese Nummern
- Porsche 911 1984-1986 3.2L
- Porsche 911 1987-1989 3.2L G50
- Porsche 911 1975-1977 3.0L Turbo (930)
- Porsche 911 1978-1989 3.3L Turbo (930)
Die Gummipuffer Porsche 93020723900 / 93020723901 / 93020723902 sind werkseitig originale Komponenten zur Befestigung und Stabilisierung des Ölkühlers in luftgekühlten Porsche 911- und Turbo-Modellen. Jede Halterung besteht aus einer präzisionsgebundenen Gummi- und Stahlkonstruktion, die Vibrationen isoliert und Motorbewegungen absorbiert. So werden der Ölkühler und seine Leitungen vor Belastungen und Beschädigungen geschützt.
Einzeln verkauft , 3 pro Auto erforderlich
Passform:
Porsche 911 1984 - 1989
Diagrammreferenz Nr. 14.
Diese Puffer befinden sich zwischen dem Ölkühlergehäuse und dem Fahrgestell bzw. der Motorhalterung und spielen eine wichtige Rolle bei der korrekten Ausrichtung und der Reduzierung von Vibrationen im gesamten Kühlsystem. Mit der Zeit kann der Gummi durch Hitze, Öl und Vibrationen verhärten oder reißen. Der Austausch durch Originalteile von Porsche stellt die werkseitige Stabilität, Schwingungsisolierung und langfristige Zuverlässigkeit wieder her.
Zugehörige Referenznummern
Verwandte, ersetzte, Querverweisoder Alternativnummern zum Vergleich.
93020723902
Das von Ihnen angezeigte Produkt verweist auf diese Nummern
- Porsche 911 1984-1986 3.2L
- Porsche 911 1987-1989 3.2L G50
- Porsche 911 1975-1977 3.0L Turbo (930)
- Porsche 911 1978-1989 3.3L Turbo (930)
Dieser Ersatzpuffer ist ein hochwertiger Ersatz für die werkseitig verbauten Gummilager, die zur Unterstützung der Ölkühlerbaugruppe in luftgekühlten Porsche-Motoren verwendet werden. Er hilft, Vibrationen zu isolieren, die korrekte Ausrichtung beizubehalten und den Kühler und die angrenzende Hardware zu schützen.
Einzeln verkauft , 3 pro Auto erforderlich.
Passform:
Porsche 911 1984 - 1989
Diagrammreferenz Nr. 14.
Hierbei handelt es sich um einen Gummipuffer oder eine Halterung (oft mit Metalleinsätzen verbunden), die zur Dämpfung und Befestigung des Ölkühlers am Motor oder Fahrgestell dient. Sie absorbiert Vibrationen, verhindert Metallkontakt und hält den Kühler in der richtigen Position. Durch die flexible Befestigung trägt sie zur Vermeidung von Belastungen an Ölkühlerhalterungen, Leitungen und Passflächen bei.
Ersetzt: Porsche 930.207.239.00 / 930.207.239.01 / 930.207.239.02
Position: Zwischen Ölkühler und Motor- oder Fahrgestellhalterung – isoliert Vibrationen und unterstützt die Ausrichtung
Funktion: Absorbiert Vibrationen und Motorbewegungen, verhindert Belastungen an Ölkühlerleitungen und Halterungen
Installation: Direkt passender OE-Ersatz – für beste Ergebnisse als Set installieren
Wartungstipp: Ersetzen Sie es, wenn der Gummi hart wird, Risse bekommt oder sich vom Metallgehäuse löst.
Mit der Zeit wird der Gummi in der Pufferhalterung durch Hitze, Öleinwirkung, Ozon, Vibrationen und Ermüdung verschleißt. Er kann aushärten, reißen, schrumpfen oder sich von seinem Metalleinsatz lösen. Eine defekte Halterung lässt den Ölkühler stärker als vorgesehen verschieben oder vibrieren, was die Kühlerschläuche, Halterungen und Montageflansche belastet und zu Undichtigkeiten oder Schäden führen kann. Übermäßige Vibrationen können Geräusche, Fehlausrichtungen oder vorzeitige Ermüdung der tragenden Teile verursachen. Sie sollten diesen Puffer austauschen, wenn Sie Schäden oder Verschleiß feststellen, beim Ausbau oder der Wartung des Ölkühlers oder als vorbeugende Wartung bei Motoren mit hoher Laufleistung.
Zugehörige Referenznummern
Verwandte, ersetzte, Querverweisoder Alternativnummern zum Vergleich.
93020723902
Das von Ihnen angezeigte Produkt verweist auf diese Nummern
- Porsche 911 1984-1986 3.2L
- Porsche 911 1987-1989 3.2L G50
- Porsche 911 1975-1977 3.0L Turbo (930)
- Porsche 911 1978-1989 3.3L Turbo (930)

Passt:
Porsche 911 1984-89
Klicken Sie auf „Vergrößern“, um ein großes Teilediagramm anzuzeigen.
Diagramm Nr. 31.
Zugehörige Referenznummern
Verwandte, ersetzte, Querverweisoder Alternativnummern zum Vergleich.
93020735300
Das von Ihnen angezeigte Produkt verweist auf diese Nummern
- Porsche 911 1978-1983 3.0L / SC
- Porsche 911 1984-1986 3.2L
- Porsche 911 1987-1989 3.2L G50
- Porsche 911 1978-1989 3.3L Turbo (930)

Passt:
Porsche 911 1980>>
Klicken Sie auf „Vergrößern“, um ein großes Teilediagramm anzuzeigen.
Diagramm Nr. 13D
Zugehörige Referenznummern
Verwandte, ersetzte, Querverweisoder Alternativnummern zum Vergleich.
PCG91002202
Das von Ihnen angezeigte Produkt verweist auf diese Nummern
- Porsche 911 1974-1977 2.7L / 1976-77 3.0 Carrera
- Porsche 911 1978-1983 3.0L / SC
- Porsche 911 1984-1986 3.2L
- Porsche 911 1987-1989 3.2L G50
- Porsche 911 1975-1977 3.0L Turbo (930)
- Porsche 911 1978-1989 3.3L Turbo (930)
Diese Unterlegscheibe lässt sich leicht unter dem Kopf des entsprechenden Befestigungselements montieren und ist ideal für den Einsatz bei Wartungsarbeiten am Kühler, beim Ausbau des Kühlers/Ölkühlers oder beim Ersetzen von korrodierten oder abgenutzten Befestigungsteilen.
Einzeln erhältlich
Passend für:
Porsche 911 1980 >>
Diagramm-Referenznummer 13C
Diese OE-Match-Unterlegscheibe sorgt für die richtige Verbindung zwischen dem Schraubenkopf und der Montagefläche und trägt so zur Erhaltung der Montageintegrität bei, während gleichzeitig ein Durchziehen oder eine Beschädigung der Oberfläche verhindert wird.
Die Unterlegscheibe für die Kühler-/Ölkühlerbefestigung sorgt für eine stabile Auflagefläche der Befestigungselemente. Sie trägt zur gleichmäßigen Verteilung der Druckbelastung bei, schützt weichere Materialien vor Eindellungen und gewährleistet, dass die Kühler- und Ölkühlerhalterungen auch unter dynamischen Fahrbedingungen korrekt ausgerichtet und sicher befestigt bleiben.
Zugehörige Referenznummern
Verwandte, ersetzte, Querverweisoder Alternativnummern zum Vergleich.
90002500703
Das von Ihnen angezeigte Produkt verweist auf diese Nummern
- Porsche 911 1974-1977 2.7L / 1976-77 3.0 Carrera
- Porsche 911 1978-1983 3.0L / SC
- Porsche 911 1984-1986 3.2L
- Porsche 911 1987-1989 3.2L G50
- Porsche 911 1975-1977 3.0L Turbo (930)
- Porsche 911 1978-1989 3.3L Turbo (930)
Diese OEM-Unterlegscheibe wird an den Befestigungspunkten des Kühlers und des Ölkühlers bei 911-Modellen ab den frühen 1980er Jahren verwendet, um die Hardware des Kühlsystems mit der richtigen Klemmkraft und langfristiger Haltbarkeit zu sichern.
Einzeln erhältlich
Passend für:
Porsche 911 1980>>
Diagramm-Referenznummer 13C
Die originale Porsche-Unterlegscheibe 90002500703 für die Kühler-/Ölkühlerbefestigung ist ein kleines, aber unverzichtbares Befestigungselement im Kühlsystem klassischer 911-Modelle (ab 1980). Ihre korrekten Abmessungen, das Material und die hohe Qualität gewährleisten einen sicheren Sitz der Kühler- und Ölkühlerbefestigungen unter thermischer Belastung, Vibrationen und Fahrbelastung – und erhalten so eine effiziente Motorkühlung und langfristige Zuverlässigkeit.
Zugehörige Referenznummern
Verwandte, ersetzte, Querverweisoder Alternativnummern zum Vergleich.
90002500703
Das von Ihnen angezeigte Produkt verweist auf diese Nummern
- Porsche 911 1978-1983 3.0L / SC
- Porsche 911 1984-1986 3.2L
- Porsche 911 1987-1989 3.2L G50
- Porsche 911 1978-1989 3.3L Turbo (930)

Passt:
Porsche 911 1978-89
Klicken Sie auf „Vergrößern“, um ein großes Teilediagramm anzuzeigen.
Diagramm Nr. 13B
Zugehörige Referenznummern
Verwandte, ersetzte, Querverweisoder Alternativnummern zum Vergleich.
99970326300
Das von Ihnen angezeigte Produkt verweist auf diese Nummern
- Porsche 911 1978-1983 3.0L / SC
- Porsche 911 1984-1986 3.2L
- Porsche 911 1987-1989 3.2L G50
- Porsche 911 1978-1989 3.3L Turbo (930)
Diese Gummilagerung für den Kühlerölkühler ist ein Ersatz-Gummisolator, der zur Unterstützung des Kühlerölkühlers bei klassischen Porsche 911 Modellen der Baujahre 1978–1989 entwickelt wurde.
Es dämpft und fixiert den Ölkühler im Motorraum, reduziert Vibrationen und Geräusche und trägt zur korrekten Positionierung der Kühlerbaugruppe bei. Es entspricht den Originalspezifikationen des Herstellers und lässt sich daher ohne Modifikationen direkt an den vorgesehenen Befestigungspunkten montieren.
Einzeln verkauft.
Passend für:
Porsche 911 1978 - 1989
Diagramm-Referenznummer 13B
Die Gummilagerung dämpft Motor- und Fahrbahnvibrationen, isoliert den Ölkühler von starken Bewegungen und schützt ihn vor Belastung und Materialermüdung. Sie sorgt für die korrekte Ausrichtung des Kühlers und verhindert so übermäßige Spannungen an Schläuchen, Anschlüssen und Halterungen.
Diese Halterung wurde entwickelt, um das Gewicht des Ölkühlers zu tragen und dynamische Kräfte zu dämpfen. Dadurch werden Vibrationen im gesamten Motorraum minimiert. Die Halterung gewährleistet die Stabilität des Ölkühlers unter Wärmeausdehnung, Motordrehmoment und Chassisbewegungen und trägt gleichzeitig zur Geräusch- und Verschleißminderung bei.
Gummilager verschleißen mit der Zeit durch Hitze, Alterung und den Kontakt mit Öl und Straßenschmutz. Ein verschlissenes oder defektes Lager kann zu übermäßiger Bewegung des Ölkühlers führen, was wiederum Schlauchverschleiß, Öllecks und eine verminderte Kühlleistung zur Folge haben kann. Der Austausch gegen ein OE-kompatibles Lager stellt die korrekte Abstützung wieder her und verlängert die Lebensdauer Ihres Ölkühlersystems.
Wann ersetzen:
• Sichtbare Risse, Spalten oder Verformungen im Gummi
• Lockerer oder durchhängender Ölkühler
• Erhöhte Vibrationen oder Geräusche aus dem Motorraum
• Bei der Demontage des Ölkühlers oder Motorarbeiten
• Als Teil der vorbeugenden Instandhaltung
Zugehörige Referenznummern
Verwandte, ersetzte, Querverweisoder Alternativnummern zum Vergleich.
99970326300
Das von Ihnen angezeigte Produkt verweist auf diese Nummern
- Porsche 911 1984-1986 3.2L
- Porsche 911 1987-1989 3.2L G50
- Porsche 911 1975-1977 3.0L Turbo (930)
- Porsche 911 1978-1989 3.3L Turbo (930)

Passt:
Porsche 911 1984-89
Klicken Sie auf „Vergrößern“, um ein großes Teilediagramm anzuzeigen.
Diagramm Nr. 28.
Zugehörige Referenznummern
Verwandte, ersetzte, Querverweisoder Alternativnummern zum Vergleich.
93020736100
Das von Ihnen angezeigte Produkt verweist auf diese Nummern
- Porsche 911 1968-1973 2.2L / 2.4L / 2.7L RS LWB (F)

Passt:
Porsche 911 S 1973
Klicken Sie auf „Vergrößern“, um ein großes Teilediagramm anzuzeigen.
Diagramm Nr. 17
Zugehörige Referenznummern
Verwandte, ersetzte, Querverweisoder Alternativnummern zum Vergleich.
91110704602
Das von Ihnen angezeigte Produkt verweist auf diese Nummern
-
Kurbelgehäuse 911 1970-73 101-05
-
Kurbelgehäuse links 911 1978-83 101-05
-
Kurbelgehäuse rechts 911 1978-83 101-10
-
Motorschmierung Kühlerspule 911 1978-83 104-05
-
Luftfilter 911 SC 1978-83 106-00
-
Luftfilter 911 TURBO 1978-83 106-05
-
Kraftstoffsystem vorne 911 1978-83 201-00
-
k-jetronic 911 SC 930.03/04, 930.05/06, 930.09/10, 930.13/15, 930.19 1978-83 107-10
-
k-jetronic I 911 TURBO 930.60/61, 930.62/66 1978-83 107-20
-
k-jetronic III 911 TURBO 1978-83 107-35
-
Ladeluftkühler 911 TURBO 1978-83 107-45
-
Lufteinspritzung 911 SC 1978-83 108-00
-
Lufteinspritzung 911 TURBO 1978-83 108-05
-
Gebläsemotor 911 SC 1978-83 108-10
-
Abgasanlage 911 SC 1978-83 202-00
-
Getriebegehäuse, Getriebedeckel 1978-83 302-05
-
Getriebeaufhängung 911 1978-83 306-00
-
Ersatzgetriebe, Getriebegehäuse SPM - G 925/16 - 911 1978-83 308-00
-
Vorderachsstabilisator 911 1978-83 401-00
-
Getriebesteuerung 911 1978-83 701-00
-
Pedale Gaspedalsteuerung 911 1978-83 702-10
-
Außenverkleidung vorn 911 1978-83 801-30
-
Heckstoßstange 911 1978-83 802-05
-
Deckel vorne 911 1978-83 803-00
-
Deckel hinten 911 1978-83 803-05
-
Verdeck, Klammer, Einzelteile 911 1978-83 811-13
-
Montage- und Antriebsmechanismus des YORK-Kompressors 911 1978-83 813-30
-
NIPPONDENSO Kompressorbefestigung und Antriebsmechanismus 911 TURBO 1978-83 813-35
-
Kondensator-Kältemittelleitungszubehör und anderes vorne 911 1978-83 813-45
-
Motorelektrik Lenkschloss 911 1978-83 901-00
-
Batterie, Sicherungskasten 911 1978-83 902-00
-
injection system cylinder head and injection pump 911 E/S UPTO 1971 and 911 911 T-E/E/S, CARRERA 2.7 1972 ONWARDS 107-20
-
Injection system with air cleaner and mixture control unit for 911 T-K 1972 ONWARDS 107-35
-
Kraftstoffsystemleitungen mit Kraftstoffpumpe hinten für 911 T/E/S ab 1971 und 911 TV / CARRERA 2.7 / 911 TK ab 1972 201-05
-
exhaust system for 911 T/E/S 1972 ONWARDS and 911 T-V, CARRERA 2.7, 911 T-K 1970-73 202-05
-
Kurbelgehäuse links 911 1987-89 101-05
-
Kurbelgehäuse rechts 911 1987-89 101-10
-
Motorschmierölpumpenleitungen 911 1987-89 104-00
-
Motorschmierölkühler 911 1987-89 104-05
-
Luftfilter 911 TURBO 930.66/68 1987-89 106-05
-
Gasgestängehalterung 911 1987-89 107-12
-
K-JETRONIC I 911 TURBO 930.66/68 1987-89 107-20
-
K-JETRONIC III 911 TURBO 930.66/68 1987-89 107-35
-
Ladeluftkühler 911 TURBO 930.66/68 1987-89 107-45
-
Lufteinspritzung 911 CARRERA 930.26 1987-89 108-00
-
Lufteinspritzung 911 TURBO 930.66/68 1987-89 108-05
-
Ersatzgetriebe Getriebegehäuse 911 1987-89 302-00
-
Vorderachsstabilisator 911 1987-89 401-00
-
Getriebegehäuse Getriebedeckel 911 1987-89 302-05
-
Getriebegehäuse / Getriebedeckel 911 1987-89 302-07
-
Schaltstangen Schaltgabeln für 4-Gang und 5-Gang 911 1987-89 304-00
-
Getriebeaufhängung 911 1987-89 306-00
-
clutch release sportomatic for 911 T/E UPTO 1971 and 911 T-E/E/S, 911 T-V, CARRERA 2.7 1972 ONWARDS 301-15
-
Transmission cover transmission suspension chilled casting and die casting for 911 UPTO 1970 302-05
-
Ersatzgetriebe Getriebegehäuse Druckguss für 911 BIS 1971 302-10
-
Transmission cover, transmission suspension, die casting for 911 1971 302-15
-
transmission cover and transmission suspension for sportomatic 911 T/E Upto 1971 307-05
-
transmission case TYP 905/21 sportomatic for 911 T-V 1972 ONWARDS 307-10
-
Getriebesteuerung 911 TURBO 1987-88 701-00
-
Getriebegehäuse Sportomatic TYP 925 für 911 TE/E/S und CARRERA 2.7 und 911 TK AB 1972 307-20
-
Getriebesteuerung 911 CARRERA / TURBO 1987-89 701-01
-
Transmission cover, transmission suspension for sportomatic TYP 925 for 911 T-E/E/S, CARRERA 2.7 and 911T-K 1972 ONWARDS 307-25
-
Kotflügel mit Blechschale für Tank 911 1978-89 gültig bis: F >>91KS1 00958 COUPE, F >>91KS1 40341 TARGA,
>91KS1 50414 CABRIO, F >>93KS0 00184 COUPE, F >>93KS0 10067 TARGA, F >>93KS0 20083 CABRIO 801-30 -
Kotflügel mit Kunststoffbecher für Tank 911 1987-89 gültig ab: F 91KS1 00959>> COUPE, F 91KS1 40342>> TARGA, F 91KS1 50415>> CABRIO, F 93KS0 00185>> COUPE, F 93KS0 10068>> TARGA, F 93KS0 20084>> CABRIO 801-31
-
Stoßstange vorne 911 1987-89 802-00
-
Stoßstange hinten 911 1987-89 802-05
-
Deckel vorne 911 1987-89 803-00
-
Deckel hinten 911 1987-89 803-05
-
Schalthebel Getriebesteuerung 4./5. Gang für 911 Modelljahr -71/72- 701-00
-
Türglasrahmen 911 COUPE 1987-89 804-15
-
Schalthebel Getriebesteuerung 4./5. Gang für 911 Modelljahr 1973 701-05
-
Kurbelgehäuse links 911 1984-86 101-05
-
Kurbelgehäuse rechts 911 1984-86 101-10
-
Gearshift lever sportomatic 911 1970-73 SPM 701-10
-
Pedals for Left-Hand Drive cars with manual transmission 911 1970-73 702-00
-
Pedals for Left-Hand Drive cars 911 1970-73 SPM 702-10
-
Pedals for Right-Hand Drive cars 911 1970-73 SPM 702-15
-
Deckel vorne 911 1970-73 803-00
-
Deckel hinten 911 1970-73 803-05
-
Door glass frame 911 1970-73 COUPE 804-20
-
Motorschmierölpumpenleitungen 911 1984-86 104-00
-
Motorschmierölkühler 911 1984-86 104-05
-
Luftfilter 911 TURBO 930.66/68 1984-86 106-05
-
Gasgestängehalterung 911 1984-86 107-12
-
K-JETRONIC I 911 TURBO 930.66/68 1984-86 107-20
-
K-JETRONIC III 911 TURBO 930.66/68 1984-86 107-35
-
Ladeluftkühler 911 1984-86 107-45
-
Lufteinspritzung 911 CARRERA 930.26 (AUS) (CH) (S) 1984-86 108-00
-
Lufteinspritzung 911 TURBO 930.66/68 1984-86 108-05
-
Getriebeaufhängung SPM - G 925/16 - 911 1978-83 312-00
-
Hauptklappspriegel, Dachrahmen, Einzelteile 911 CABRIO 1987-89 811-12
-
Kompressorbefestigung Antriebsmechanismus 911 1987-89 813-20
-
Kondensatorleitungen, Zubehör und anderes vorne 911 1987-89 813-45
-
Kondensatorleitungen, Zubehör und anderes HINTEN 911 1987-89 813-55
-
Sondermodell Flatnose Design Außenverkleidung Frontflügel 911 TURBO M506 1988-89 880-20
-
Motorelektrik - 1 - 911 TURBO 1987-89 901-00
-
Motorelektrik - 2 - 911 CARRERA M30.20/25/26 1987-89 901-02
-
Batterie, Anlasser, Generator 911 1987-89 902-05
-
Hupe 911 1987-89 903-00
-
Sondermodell Flatnose Design Scheibenwaschanlage Hupe 911 TURBO M506 1988-89 980-20
-
Getriebegehäuse, Getriebedeckel 911 1984-86 302-05
-
Getriebeaufhängung 911 1984-86 306-00
-
Vorderachsstabilisator 911 1984-86 401-00
-
Getriebesteuerung 911 1984-86 701-00
-
Pedale Gaspedalsteuerung 911 1984-86 702-10
-
Pedale für Gaspedalsteuerung 911 1987-89 702-10
-
Hauptklappspriegel, Dachrahmen, Einzelteile 911 1984-86 811-12
-
Außenverkleidung vorn 911 1984-86 801-30
-
Stoßstange vorne 911 1984-86 802-00
-
Stoßstange hinten 911 1984-86 802-05
-
Deckel vorne 911 1984-86 803-00
-
Deckel hinten 911 1984-86 803-05
-
Türglasrahmen 911 COUPE 1984-86 804-15
-
Kompressorbefestigung und Antriebsmechanismus 911 1984-86 813-20
-
Kondensator-Kältemittelleitungszubehör und anderes vorne 911 1984-86 813-45
-
Klimaanlagenhalterung für Kompressor, nicht für (USA) 911 1970-73 813-60
-
Engine electrics 911 1970-73 901-00
-
battery 911 1970-73 902-00
-
Hupenrelais 911 1970-73 903-15
-
Kurbelgehäuse rechts 911 1974-77 101-10
-
Motorschmierung, Kühlerschlange 911 1974-77 104-05
-
Air cleaner k-jetronic 911 1974-77 106-00
-
Mechanical injection right for Model 911/83 1974-77 107-25
-
Lufteinspritzung 911 ab 1977 (JAPAN) 108-00
-
Additional blower 911 1975 ONWARDS 108-10
-
Exhaust system K-JETRONIC 911.83 Cars 1974 ONWARDS 202-00
-
Exhaust system K-JETRONIC 1975 ONWARDS 202-10
-
Exhaust system K-JETRONIC 911 (CAL) 1975 ONWARDS / 911 (USA) 1974-77 / 911 (CDN) 1974-77 / 911 (J) 1977 ONWARDS 202-20
-
Ersatzgetriebe, Getriebegehäuse 911 1974-77 SPM 308-00
-
Front axle, stabiliser, steel auxiliary support 911 1974-77 401-00
-
Brake master cylinder for cars with brake booster 911 1977 ONWARDS 604-10
-
Getriebesteuerung 911 1974-77 701-00
-
Pedals for Left-Hand Drive Cars 911 1974-77 702-00
-
Pedals for Right-Hand Drive Cars 911 1974-77 702-05
-
Pedals for Left-hand Drive Cars 911 1974-77 SPM 702-15
-
Pedals for Right-hand Drive Cars 911 1974-77 SPM 702-20
-
Innenausstattung hinten 911 1987-89 CABRIO / SPEEDSTER 807-07
-
Innenausstattung hinten 911 1984-86 CABRIO 807-07
-
Sitzgestell manuell verstellbar 911 CARRERA AB 1985 808-26
-
Pedals for RIGHT-HAND DRIVE cars with manual transmission 911 1970-73 702-05
-
bumper front 911 1970-73 802-00
-
bumper rear 911 1970-73 802-05
-
Exterior panelling front 911 1974-77 801-30
-
bumper rear 911 1974-77 802-05
-
Deckel vorne 911 1974-77 803-00
-
Deckel hinten 911 1974-77 803-05
-
Door glass frame 911 1974-77 COUPE 804-15
-
Klimaanlage, Kompressorantriebsbefestigung 911 1974-77 813-45
-
Klimaanlage, Kondensatorleitungen vorne 911 1974-77 813-55
-
engine electrics 911 1974-77 901-00
-
Battery mounting plate 911 1974-77 902-00
-
injection system cylinder head and injection pump for 911 E/S 1969 onwards 107-20
-
engine suspension rear not for (S) + (D) F 074 6700 >>, for (S) + (D) F 083 2814 >>. FOR 912 1966 onwards 109-10
-
exhaust system 911 1965-69 202-10
-
Abgasanlage für (D) + (S) für 912 1965-69 202-15
-
exhaust system not for (D) + (S) for 912 1965-69 202-20
-
clutch release sportomatic for 911 L/S/TU UPTO 1968 and 911 T/E 1969 ONWARDS 301-15
-
Getriebedeckel, Getriebeaufhängung, Kokillenguss und Druckguss 911 1965-69 302-05
-
Ersatzgetriebe, Getriebegehäuse, Druckguss 911 ab 1969 302-10
-
Getriebedeckel, Getriebeaufhängung, Sportomatic 911 1965-69 307-05
-
transmission control 911 1965-69 701-00
-
Pedale für linksgelenkte Fahrzeuge mit Schaltgetriebe 911 1965-69 702-00
-
Pedale für Rechtslenkerfahrzeuge mit Schaltgetriebe 911 1965-69 702-05
-
Pedals for Left-Hand Drive cars 911 1965-69 SPM 702-10
-
pedals for Right-Hand Drive Cars 911 1969 SPM 702-15
-
Stoßstange vorne 911 BIS 1968 802-00
-
Bumper Front 911 1969 ONWARDS 802-05
-
Bumper Rear 911 UPTO 1968 802-10
-
Bumper Rear 911 1969 ONWARDS 802-15
-
Deckel vorne 911 1965-69 803-00
-
Deckel hinten 911 1965-69 803-05
-
door glass frame 911 COUPE 1965-69 804-20
-
back seat 911 1965-69 808-10
-
roof 911 TARGA 1965-69 811-05
-
Kompressor montieren 911 E/S/T ab 1969 813-85
-
engine electrics 911 1965-69 901-00
-
mounting plate 911 1965-69 901-10
-
Hupenrelais 911 1965-69 903-15
-
camshaft 912 1965-69 103-30
-
Kurbelgehäuse rechts 911 Turbo 1975-77 101-10
-
Motorschmierung, Kühlerschlange 911 TURBO 1975-77 104-05
-
Mixture control unit, air cleaner 911 TURBO 1975-77 107-00
-
Lufteinspritzung 911 TURBO 1975-77 108-00
-
front axle, stabiliser, auxiliary support, light alloy 911 TURBO 1975-77 401-00
-
brake master cylinder for cars with brake booster 911 TURBO 1977 ONWARDS 604-10
-
transmission control 911 TURBO 1975-77 701-00
-
pedals for left-hand drive cars 911 TURBO 1975-77 702-00
-
pedals for right-hand drive cars 911 TURBO 1975-77 702-05
-
exterior panelling front 911 TURBO 1975-77 801-30
-
bumper rear 911 TURBO 1975-77 802-05
-
Deckel vorne 911 TURBO 1975-77 803-00
-
Deckel hinten 911 TURBO 1975-77 803-05
-
door glass frame 911 TURBO 1975-77 804-15
-
Klimaanlage, Kompressor, Antriebsmechanismus, Halterung 911 TURBO 1975-77 813-45
-
Klimaanlage, Kondensator, Leitungen vorne 911 TURBO 1975-77 813-55
-
engine electrics 911 TURBO 1975-77 901-00
-
battery mounting plate 911 TURBO 1975-77 902-00
-
transmission cover, transmission suspension sportomatic TYP 905/21. for 911 T-V 1972 ONWARDS 307-15
-
Motorelektrik - 1 - 911 TURBO 1984-86 901-00
-
Motorelektrik - 2 - 911 CARRERA 1984-86 901-02
-
Batterie, Anlasser, Generator 911 1984-86 902-05
Ölkühler & Wärmetauscher – Optimale Temperaturregelung für die Porsche-Leistung
Ölkühler und Wärmetauscher sind wichtige Komponenten im Motor- und Getriebekühlsystem Ihres Porsche. Sie regulieren die Öltemperatur, indem sie Wärme von der Schmier- oder Hydraulikflüssigkeit ableiten. So sorgen sie für konstante Leistung, effiziente Schmierung und langfristigen Motorschutz – auch unter extremen Fahrbedingungen.
Bei Design911 bieten wir ein komplettes Sortiment an Ölkühlern und Wärmetauschern in Original- und Herstellerqualität für Porsche-Modelle wie 911, Boxster, Cayman, Cayenne, Macan und Panamera. Jedes Gerät ist auf präzise Passform, effiziente Wärmeübertragung und dauerhafte Zuverlässigkeit ausgelegt – und gewährleistet so die hohen Leistungsstandards, für die Porsche-Fahrzeuge bekannt sind.
Was machen Ölradiatoren und Wärmetauscher?
Ölradiatoren und Wärmetauscher spielen eine wichtige Rolle bei der Temperaturregulierung und dem Systemschutz. Sie:
- Leiten Sie die Wärme vom Motor- oder Getriebeöl ab, um eine Überhitzung zu verhindern.
- Sorgen Sie für eine stabile Öltemperatur für optimale Viskosität und Schmierung.
- Verlängern Sie die Lebensdauer der Komponenten , indem Sie thermische Schäden verhindern.
- Unterstützen Sie die Effizienz von Motor und Getriebe unter hoher Last oder bei hohen Geschwindigkeiten.
Durch die Kontrolle der Öltemperaturen sorgen diese Teile für eine gleichmäßige Leistungsabgabe, geringeren Verschleiß und höhere Zuverlässigkeit – ob auf der Straße oder der Rennstrecke.
Warum fallen Ölradiatoren und Wärmetauscher aus?
Obwohl diese Komponenten für extreme Bedingungen ausgelegt sind, können sie mit der Zeit aufgrund von Verschleiß, Korrosion oder Verunreinigungen ausfallen. Häufige Ursachen sind:
- Korrosion oder interne Verstopfung durch Schmutz oder zersetzte Flüssigkeiten.
- Physische Schäden durch Straßenschmutz oder Aufprall.
- Öl- oder Kühlmittellecks aufgrund von Rissen im Gehäuse oder an der Dichtung.
- Reduzierte Wärmeübertragungseffizienz durch verstopfte Lamellen oder interne Ablagerungen.
- Altersbedingte Verschlechterung der inneren Passagen oder Dichtungen.
Zu den Symptomen eines Ausfalls zählen Öllecks, steigende Motortemperaturen, reduzierter Öldruck oder Verunreinigungen zwischen Öl- und Kühlmittelsystem.
Warum einen defekten Ölkühler oder Wärmetauscher austauschen?
Ein beschädigter oder ineffizienter Ölkühler kann zu Überhitzung, Schmierverlust und schweren Motor- oder Getriebeschäden führen. Der Austausch defekter Einheiten stellt die Kühlleistung wieder her und stellt sicher, dass Ihr Porsche weiterhin Spitzenleistung und Zuverlässigkeit liefert.
Zu den Vorteilen des Austauschs gehören:
- Wiederhergestellte Öltemperaturregelung und Druckstabilität.
- Vermeidung von Überhitzung und Ölverschmutzung.
- Verbesserte Lebensdauer von Motor und Getriebe.
- Konstruktion und Ausstattung in Herstellerqualität für ein beruhigendes Gefühl.
Jeder Heizkörper und Wärmetauscher dieser Reihe ist so konzipiert, dass er die Werksstandards erfüllt oder übertrifft. Durch den Einsatz moderner Materialien und präziser Fertigung wird eine überragende Haltbarkeit, Korrosionsbeständigkeit und Kühlleistung erreicht.