Inserisci il tuo numero di partiva IVA qui e fai clic su Verifica:
Nessuna necessità di inserire la parte del numero di partita IVA relativa al codice del paese poiché questa è già stato selezionata nel predetto indirizzo di fatturazione.
I tuoi dati sono stati verificati. Numero di partita IVA registrato a:
,
.
Al tuo ordine sarà applicata un’aliquota pari a zero ai fini dell’IVA. Ci riserviamo il diritto di verificare questi dettagli dopo che la tua richiesta d’ordine è stata fatta e di reintegrare l’IVA se necessario.
I tuoi dati IVA non sono stati riconosciuti o non erano validi. Il tuo numero di partita IVA deve corrispondere al tuo paese di fatturazione come specificato sopra. Attualmente è specificato come . Non occorre inserire inserire la parte del numero di partita IVA relativa al codice del paese poiché questa è già stato selezionata nei dettagli del predetto indirizzo di fatturazione.
Il servizio di verifica della partita IVA è attualmente offline. Per favore fornisci i tuoi dati IVA all’interno dei commenti o nel campo delle istruzioni speciali sotto e noi applicheremo uno sconto IVA dopo aver fatto la richiesta d’ordine.
Tubi flessibili e tubi del riscaldatore
- Porsche 911 1965-1968 2.0L / 912 SWB (F)
- Porsche 911 1968-1973 2.2L / 2.4L / 2.7L RS LWB (F)
- Porsche 911 1974-1977 2.7L / 1976-77 3.0 Carrera
- Porsche 911 1978-1983 3.0L / SC
- Porsche 911 1984-1986 3.2L
- Porsche 911 1987-1989 3.2L G50
- Porsche 911 1975-1977 3.0L Turbo (930)
- Porsche 911 1978-1989 3.3L Turbo (930)
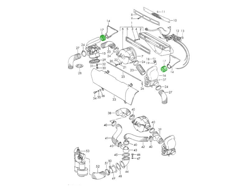
Si tratta di un tubo flessibile di ricambio di alta qualità per l'aria calda che collega il condotto della ventola del motore allo scambiatore di calore nei modelli Porsche classici. Con un diametro interno di 60 mm e una lunghezza di 380 mm, questo tubo riproduce le specifiche originali, inclusa la struttura rivestita in alluminio e l'esterno in carta marrone utilizzati da Porsche.
Adatto a:
Porsche 912
Porsche 911 1965-73
Motore allo scambiatore di calore a sinistra o a destra
Adatto a:
Porsche 930 Turbo 1975-89
Porsche 911SC
Porsche 911 3.2L
Motore allo scambiatore di calore a destra
Schema rif. n. 20
• Posizione sul veicolo: vano motore, collegamento del condotto della ventola del motore/alloggiamento della presa d'aria allo scambiatore di calore (o scatola del riscaldatore) tramite il tubo flessibile (in genere sul lato destro).
• Numeri di riferimento incrociato/alternativi: 901 211 194 01 (attuale) sostituisce e sostituisce 901 211 194 00.
• Materiali e costruzione: realizzato in tubo flessibile rivestito in alluminio resistente al calore, rivestito esternamente con la finitura originale in carta marrone e dimensionato per adattarsi alla forma di fabbrica (diametro interno 60 mm, lunghezza ~380 mm). Costruito per ambienti ad alta temperatura nel vano motore e prestazioni di flusso d'aria corrette.
• Applicazioni: Ideale quando il tubo flessibile originale è rotto, delaminato, deformato, mancante o quando si desidera ripristinare il corretto comportamento di riscaldamento/flusso d'aria nel vano motore o nell'abitacolo delle classiche auto Porsche raffreddate ad aria.
Questo tubo flessibile dell'aria calda svolge un ruolo fondamentale nella gestione del calore del motore e dell'abitacolo: se è rotto, piegato o staccato, si potrebbero verificare una riduzione della potenza del riscaldatore, un surriscaldamento del vano motore, un flusso d'aria irregolare o una perdita delle prestazioni originali del condotto. L'installazione di un ricambio conforme alle specifiche ripristina le prestazioni del sistema originale e contribuisce a mantenere il corretto controllo della temperatura del motore e dell'abitacolo.
Quando e perché sostituire:
• Crepe, spaccature o cedimenti visibili nel vecchio tubo.
• Il tubo è stato rimosso, riutilizzato troppo spesso o sostituito con un diametro/lunghezza errati.
• La potenza del riscaldatore è debole o il flusso d'aria verso il motore/vano è anomalo.
• Stai restaurando una classica 911/930 e hai bisogno di parti di ricambio originali per garantirne l'autenticità e la funzionalità.
Numeri di riferimento correlati
Numeri correlati, sostituiti, riferimenti incrociati o alternativi per il confronto.
90121119401
Il prodotto che stai visualizzando fa riferimento a questi numeri
- Porsche 911 1974-1977 2.7L / 1976-77 3.0 Carrera
- Porsche 911 1978-1983 3.0L / SC
- Porsche 914 (1970-1976)

Si adatta:
Porsche 911/911S/ Carrera 3.0 / 911SC 1974-83
Porsche 914-6 1970-76
Questo prodotto sostituisce i vecchi numeri di parte di Porsche:
- 90121119500
Fai clic su "Ingrandisci" per il diagramma delle parti di grandi dimensioni.
Diagramma rif. 10
Numeri di riferimento correlati
Numeri correlati, sostituiti, riferimenti incrociati o alternativi per il confronto.
90121119501
Il prodotto che stai visualizzando fa riferimento a questi numeri
- Porsche 911 1974-1977 2.7L / 1976-77 3.0 Carrera
- Porsche 911 1978-1983 3.0L / SC
- Porsche 914 (1970-1976)

Adatto a:
Porsche 911/911S/Carrera 3.0/911SC 1974-83
Porsche 914-6 1970-76
Questo prodotto sostituisce i vecchi codici Porsche:
- 90121119500
Fare clic su "Ingrandisci" per visualizzare lo schema delle parti più grandi.
Schema rif. n. 10
Numeri di riferimento correlati
Numeri correlati, sostituiti, riferimenti incrociati o alternativi per il confronto.
90121119501
Il prodotto che stai visualizzando fa riferimento a questi numeri
- Porsche 911 1974-1977 2.7L / 1976-77 3.0 Carrera
- Porsche 911 1978-1983 3.0L / SC
- Porsche 911 1984-1986 3.2L
- Porsche 911 1975-1977 3.0L Turbo (930)
- Porsche 911 1978-1989 3.3L Turbo (930)

Si adatta:
Porsche 911 1974-85
Porsche 911 Turbo 3.0L, 3.3L 1975-85
Numeri di riferimento correlati
Numeri correlati, sostituiti, riferimenti incrociati o alternativi per il confronto.
91157320400
Il prodotto che stai visualizzando fa riferimento a questi numeri
- Porsche 911 1965-1968 2.0L / 912 SWB (F)
- Porsche 911 1968-1973 2.2L / 2.4L / 2.7L RS LWB (F)
- Porsche 911 1974-1977 2.7L / 1976-77 3.0 Carrera
- Porsche 911 1978-1983 3.0L / SC
- Porsche 911 1984-1986 3.2L
- Porsche 911 1987-1989 3.2L G50
- Porsche 911 1975-1977 3.0L Turbo (930)
- Porsche 911 1978-1989 3.3L Turbo (930)
Adatto: lato sinistro o destro
Adatto a:
Porsche 911/912 1965-89
Porsche 930 (911) Turbo 1975-89
Diagramma rif. n. 7
Numeri di riferimento correlati
Numeri correlati, sostituiti, riferimenti incrociati o alternativi per il confronto.
91121129700
Il prodotto che stai visualizzando fa riferimento a questi numeri
- Porsche 911 1974-1977 2.7L / 1976-77 3.0 Carrera
- Porsche 911 1978-1983 3.0L / SC
- Porsche 911 1984-1986 3.2L
- Porsche 911 1987-1989 3.2L G50
- Porsche 911 1975-1977 3.0L Turbo (930)

Adatto a:
Porsche 911 2.7L-3.3 08/1973-07/1986
Fare clic su "Ingrandisci" per visualizzare lo schema delle parti più grandi.
Riferimento diagramma 20.
Numeri di riferimento correlati
Numeri correlati, sostituiti, riferimenti incrociati o alternativi per il confronto.
91165911901
Il prodotto che stai visualizzando fa riferimento a questi numeri
- Porsche 911 1974-1977 2.7L / 1976-77 3.0 Carrera
- Porsche 911 1978-1983 3.0L / SC
- Porsche 911 1984-1986 3.2L
- Porsche 911 1975-1977 3.0L Turbo (930)
Adatto a:
Porsche 911 2.7L-3.3 08/1973-07/1986
Notare che
Se la vostra auto è dotata del riscaldamento completamente automatico opzionale, sarà necessario praticare un foro da 8 mm per il sensore di temperatura.
Questo pezzo di collegamento non è incluso.
Diagramma rif. 20
Numeri di riferimento correlati
Numeri correlati, sostituiti, riferimenti incrociati o alternativi per il confronto.
91165911901
Il prodotto che stai visualizzando fa riferimento a questi numeri
- Porsche 911 1974-1977 2.7L / 1976-77 3.0 Carrera
- Porsche 911 1978-1983 3.0L / SC
- Porsche 911 1984-1986 3.2L
- Porsche 911 1975-1977 3.0L Turbo (930)

Si adatta:
Porsche 911 2.7L-3.3 08/1973-07/1986
Fai clic su "Ingrandisci" per il diagramma delle parti di grandi dimensioni.
Diagramma rif 20.
Numeri di riferimento correlati
Numeri correlati, sostituiti, riferimenti incrociati o alternativi per il confronto.
91165911901
Il prodotto che stai visualizzando fa riferimento a questi numeri
- Porsche 911 1974-1977 2.7L / 1976-77 3.0 Carrera
- Porsche 911 1978-1983 3.0L / SC

Si adatta:
Porsche 911 SC 1980-83
Fai clic su "Ingrandisci" per il diagramma delle parti di grandi dimensioni
Diagramma rif. n. 8
Numeri di riferimento correlati
Numeri correlati, sostituiti, riferimenti incrociati o alternativi per il confronto.
93021103100
Il prodotto che stai visualizzando fa riferimento a questi numeri
- Porsche 911 1974-1977 2.7L / 1976-77 3.0 Carrera
- Porsche 911 1978-1983 3.0L / SC

Si adatta:
Porsche 911 SC 1975-79
Fai clic su "Ingrandisci" per il diagramma delle parti di grandi dimensioni.
Diagramma rif. n. 9
Numeri di riferimento correlati
Numeri correlati, sostituiti, riferimenti incrociati o alternativi per il confronto.
91121127202
Il prodotto che stai visualizzando fa riferimento a questi numeri
- Porsche 911 1965-1968 2.0L / 912 SWB (F)
- Porsche 911 1968-1973 2.2L / 2.4L / 2.7L RS LWB (F)
- Porsche 911 1974-1977 2.7L / 1976-77 3.0 Carrera
- Porsche 911 1978-1983 3.0L / SC
- Porsche 911 1984-1986 3.2L
- Porsche 911 1987-1989 3.2L G50
- Porsche 911 1975-1977 3.0L Turbo (930)
- Porsche 911 1978-1989 3.3L Turbo (930)
Adatto a:
Porsche 911 1965-89
Porsche 930 Turbo
Numeri di riferimento correlati
Numeri correlati, sostituiti, riferimenti incrociati o alternativi per il confronto.
93021162201
Il prodotto che stai visualizzando fa riferimento a questi numeri
- Porsche 911 1965-1968 2.0L / 912 SWB (F)
- Porsche 911 1968-1973 2.2L / 2.4L / 2.7L RS LWB (F)
- Porsche 911 1974-1977 2.7L / 1976-77 3.0 Carrera
- Porsche 911 1978-1983 3.0L / SC
- Porsche 911 1984-1986 3.2L
- Porsche 911 1987-1989 3.2L G50
- Porsche 911 1975-1977 3.0L Turbo (930)
- Porsche 911 1978-1989 3.3L Turbo (930)
- Porsche 914 (1970-1976)
Adatto a:
Porsche 911 Carrera 3.2L 08/83-07/89
Porsche 911 S (iniezione meccanica) 2.4L 08/71-07/73
Porsche 911 SC Turbo 3.3L 08/78-07/89
Porsche 911 SC/911 Carrera 2.7-3.0L 08/75-07/83
Porsche 911 T/E/S (non iniezione meccanica) 2.0-2.4L 01/63-07/73
Porsche 911/911 S/911 Carrera 2.7L 08/73-07/75
Porsche 914 1.7-2.0L 01/69-02/76
Numeri di riferimento correlati
Numeri correlati, sostituiti, riferimenti incrociati o alternativi per il confronto.
93021162201
Il prodotto che stai visualizzando fa riferimento a questi numeri
- Porsche 911 1968-1973 2.2L / 2.4L / 2.7L RS LWB (F)
- Porsche 911 1974-1977 2.7L / 1976-77 3.0 Carrera
- Porsche 911 1978-1983 3.0L / SC
Solo per vetture con Iniezione Meccanica.

Si adatta:
Porsche 911 T/E/S / 911 Carrera 2.7 1972-74
Fai clic su "Ingrandisci" per il diagramma delle parti di grandi dimensioni.
Diagramma rif. 27
Numeri di riferimento correlati
Numeri correlati, sostituiti, riferimenti incrociati o alternativi per il confronto.
91110815100
Il prodotto che stai visualizzando fa riferimento a questi numeri
- Porsche 911 1965-1968 2.0L / 912 SWB (F)
- Porsche 911 1968-1973 2.2L / 2.4L / 2.7L RS LWB (F)
- Porsche 911 1974-1977 2.7L / 1976-77 3.0 Carrera
- Porsche 911 1978-1983 3.0L / SC
- Porsche 911 1984-1986 3.2L
- Porsche 911 1987-1989 3.2L G50
- Porsche 911 1975-1977 3.0L Turbo (930)
- Porsche 911 1978-1989 3.3L Turbo (930)
Questo tubo riscaldatore interno al sottoporta è un componente originale Porsche OE progettato per convogliare l'aria calda attraverso la sezione interna del sottoporta dei classici modelli Porsche 911 raffreddati ad aria dal 1969 al 1989. Il tubo riscaldatore trasporta l'aria calda prodotta dagli scambiatori di calore del motore attraverso la cavità del sottoporta verso il sistema di ventilazione dell'abitacolo.
Adatto a:
Porsche 911 1969 - 1989
Schema rif. n. 15
Funzione: installato all'interno della struttura del sottoporta del veicolo, il tubo costituisce una parte fondamentale del classico sistema di riscaldamento della 911. Convoglia l'aria calda in avanti verso i condotti dell'abitacolo, favorendo un efficace riscaldamento dell'abitacolo, il disappannamento del parabrezza e il comfort generale nelle condizioni più fredde.
Nel tempo, i tubi del riscaldamento originali possono degradarsi a causa di cicli termici, invecchiamento e corrosione, con conseguente riduzione del flusso d'aria o dispersione di calore prima di raggiungere l'abitacolo. Nei casi più gravi, i condotti danneggiati possono consentire l'ingresso di fumi o detriti indesiderati nell'impianto di riscaldamento. La sostituzione del tubo con un ricambio originale Porsche ripristina l'efficienza del riscaldamento di fabbrica, preserva l'originalità e garantisce l'affidabilità a lungo termine dell'impianto di riscaldamento.
Sostituisci questo tubo riscaldatore se noti:
• Potenza del riscaldatore debole o irregolare
• Condotti incrinati, fragili o crollati
• Perdita di calore prima che l'aria raggiunga la cabina
• Odori sgradevoli provenienti dall'impianto di riscaldamento
• Durante il restauro o la ristrutturazione del davanzale o dell'impianto di riscaldamento
Numeri di riferimento correlati
Numeri correlati, sostituiti, riferimenti incrociati o alternativi per il confronto.
91157202502
Il prodotto che stai visualizzando fa riferimento a questi numeri
- Porsche 911 1965-1968 2.0L / 912 SWB (F)
- Porsche 911 1968-1973 2.2L / 2.4L / 2.7L RS LWB (F)
- Porsche 911 1974-1977 2.7L / 1976-77 3.0 Carrera
- Porsche 911 1978-1983 3.0L / SC
- Porsche 911 1984-1986 3.2L
- Porsche 911 1987-1989 3.2L G50
- Porsche 911 1975-1977 3.0L Turbo (930)
- Porsche 911 1978-1989 3.3L Turbo (930)
Questo tubo riscaldante per il battitacco è un tubo di ricambio di alta qualità, progettato per convogliare l'aria calda proveniente dal sistema di riscaldamento a gas di scarico attraverso la zona del battitacco dei modelli Porsche 911 classici costruiti dal 1969 al 1989 e dei modelli 356 B/C. Si adatta perfettamente al componente originale e garantisce prestazioni ottimali per mantenere un flusso d'aria adeguato nell'abitacolo del veicolo.
Adatto a:
Porsche 356 B/C 1.6 01/1959 - 12/1965
Porsche 911 2.0-3.3 08/1968 - 07/1989
Porsche 912 1.6 01/1965 - 02/1970
Porsche 914 1.7-2.0 01/1969 - 07/1974
Schema rif. n. 15
Il tubo di riscaldamento convoglia l'aria calda generata dagli scambiatori di calore del motore, riscaldati dai gas di scarico, nell'abitacolo attraverso la canalizzazione sottoporta. Questo garantisce che il sistema di riscaldamento della tua Porsche d'epoca distribuisca il calore in modo efficace, migliorando la disappannamento, lo sbrinamento e il comfort dei passeggeri nelle giornate più fredde.
Funzione: installato lungo la sezione interna del sottoporta, questo tubo cattura il calore dal sistema di riscaldamento e lo distribuisce attraverso la rete di condotti nel vano piedi o nei punti di distribuzione dell'aria nell'abitacolo. Un tubo di riscaldamento correttamente funzionante contribuisce a mantenere una temperatura costante nell'abitacolo e previene la dispersione di calore dovuta a danni o degrado dovuto all'età dei condotti originali.
Nel corso di decenni di utilizzo, i tubi del riscaldamento originali possono creparsi, indebolirsi o collassare, causando un flusso d'aria insufficiente, perdite di calore o persino intrusioni di gas di scarico nel sistema di climatizzazione dell'abitacolo. La sostituzione del tubo deteriorato con un'unità OE Match ripristina un'efficace distribuzione dell'aria calda, migliora il comfort dell'abitacolo e l'efficienza del riscaldamento, mantenendo il sistema di riscaldamento d'epoca funzionante come previsto.
Sostituisci questo tubo riscaldante quando noti:
• Erogazione di aria calda debole o incoerente dal riscaldatore
• Tubi del riscaldatore deteriorati, incrinati o collassati
• Eccessiva perdita di calore prima di raggiungere la cabina
• Odori insoliti dai condotti del riscaldamento (possibili perdite)
• Durante il lavoro completo di ripristino del sistema di riscaldamento o del davanzale
Numeri di riferimento correlati
Numeri correlati, sostituiti, riferimenti incrociati o alternativi per il confronto.
91157202502
Il prodotto che stai visualizzando fa riferimento a questi numeri
- Porsche 911 1968-1973 2.2L / 2.4L / 2.7L RS LWB (F)
- Porsche 911 1974-1977 2.7L / 1976-77 3.0 Carrera
- Porsche 911 1978-1983 3.0L / SC
- Porsche 911 1984-1986 3.2L
- Porsche 911 1975-1977 3.0L Turbo (930)
Adatto a:
Porsche 911 1968-1973 2.2L / 2.4L / 2.7L RS passo lungo (F)
Porsche 911 1974-1977 2.7L / 1976-77 3.0 Carrera
Porsche 911 1978-1983 3.0L/SC
Porsche 911 1984-1986 3.2L
Numeri di riferimento correlati
Numeri correlati, sostituiti, riferimenti incrociati o alternativi per il confronto.
99951214502
Il prodotto che stai visualizzando fa riferimento a questi numeri
Tubi e tubi flessibili per riscaldamento Porsche | Flusso affidabile del refrigerante ed efficienza del riscaldamento dell'abitacolo
I tubi flessibili e le tubazioni del riscaldamento sono componenti essenziali del sistema di riscaldamento e raffreddamento della tua Porsche. Trasportano il liquido di raffreddamento caldo dal motore al radiatore del riscaldamento, consentendo la circolazione dell'aria calda in tutto l'abitacolo. Senza tubi flessibili e tubazioni correttamente funzionanti, il sistema di riscaldamento non può garantire un controllo costante della temperatura o un raffreddamento efficiente del motore.
Noi di Design911 forniamo tubi flessibili per riscaldamento e tubi di raffreddamento di alta qualità che soddisfano o superano gli standard ingegneristici originali. Realizzati in gomma di alta qualità, alluminio o materiali compositi rinforzati, questi componenti garantiscono prestazioni senza perdite, eccellente resistenza al calore e lunga durata.
Che tu stia restaurando una classica 911 o eseguendo la manutenzione di una moderna Porsche con sistemi di climatizzazione avanzati, i nostri tubi e tubi flessibili per il riscaldamento offrono la precisione, la vestibilità e le prestazioni necessarie per un riscaldamento e un raffreddamento affidabili.
A cosa servono i tubi flessibili e le tubazioni del riscaldamento?
I tubi e i tubi flessibili del riscaldamento costituiscono il percorso di circolazione che trasporta il liquido di raffreddamento caldo dal motore al radiatore del riscaldamento, consentendo al sistema HVAC di fornire aria calda all'interno dell'abitacolo.
Funzioni principali:
- Trasferire il liquido refrigerante riscaldato al radiatore del riscaldamento per riscaldare l'abitacolo.
- Mantenere un flusso adeguato del liquido di raffreddamento tra il motore e il sistema di riscaldamento.
- Regolare la temperatura ed evitare la formazione di sacche d'aria nel sistema.
- Garantire uno scambio termico efficiente per il comfort dei passeggeri.
- Proteggere dalla perdita di refrigerante e dal surriscaldamento.
Un set di tubi e tubazioni ben funzionante è fondamentale sia per le prestazioni di raffreddamento del motore sia per l'efficienza del riscaldamento degli interni.
Perché i tubi e i tubi flessibili del riscaldamento si rompono o si degradano?
Questi componenti sono sottoposti a calore, pressione e vibrazioni costanti. Nel tempo, l'affaticamento e la corrosione dei materiali possono causare perdite o ostruzioni.
Le cause più comuni di guasto includono:
- Crepe, rigonfiamenti o fragilità dei tubi di gomma dovuti all'età.
- Corrosione o perdite microscopiche nei tubi metallici.
- Contaminazione del liquido di raffreddamento o degradazione chimica.
- Fascette stringitubo allentate o danneggiate che causano perdite.
- Ostruzioni dovute a calcare o detriti che limitano il flusso del refrigerante.
Quando i tubi o i tubi flessibili del riscaldamento si rompono, i sintomi includono perdite di liquido refrigerante, riscaldamento insufficiente dell'abitacolo, surriscaldamento o un odore sgradevole di antigelo all'interno dell'abitacolo.
Perché sostituire i tubi e i tubi flessibili del riscaldamento della tua Porsche?
La sostituzione dei tubi e dei tubi flessibili del riscaldamento usurati o danneggiati ripristina la corretta circolazione del liquido di raffreddamento, previene le perdite e garantisce un riscaldamento stabile e il controllo della temperatura del motore.
Vantaggi principali:
- Ripristina un flusso efficiente del refrigerante e le prestazioni di riscaldamento dell'abitacolo.
- Previene perdite, surriscaldamento e danni al motore.
- Migliora l'affidabilità e l'integrità della pressione del sistema.
- Resistente al calore, alla pressione e alla corrosione per una lunga durata.
- Ricambi direttamente montati sui modelli Porsche 911, Cayman, Boxster, Panamera, Macan e Cayenne.
- Ideale per manutenzione, restauri o miglioramenti delle prestazioni.
Si consiglia di sostituire i tubi flessibili e le fascette del riscaldatore durante gli intervalli di manutenzione del liquido di raffreddamento per mantenere la massima affidabilità del sistema.
Punti salienti
- Tubi flessibili del riscaldamento e del liquido di raffreddamento Porsche progettati con precisione.
- Realizzato con materiali di alta qualità e resistenti al calore.
- Ricambi direttamente adatti ai modelli Porsche vecchi e nuovi.
- Progettato per resistere a lungo termine alla pressione e alla corrosione.
- Garantisce prestazioni affidabili di riscaldamento e raffreddamento del motore.
- Ideale per il restauro, la manutenzione e la manutenzione preventiva.