Pièces de volant
- Porsche 911 1965-1968 2.0L / 912 SWB (F)
- Porsche 911 1968-1973 2.2L / 2.4L / 2.7L RS LWB (F)
- Porsche 911 1974-1977 2.7L / 1976-77 3.0 Carrera
- Porsche 911 1978-1983 3.0L / SC
- Porsche 911 1984-1986 3.2L
- Porsche 911 1987-1989 3.2L G50
- Porsche 911 1975-1977 3.0L Turbo (930)
- Porsche 911 1978-1989 3.3L Turbo (930)
- Porsche 964 (911) C2 1989-93
- Porsche 964 (911) C4 1989-93
- Porsche 964 (911) RS 3.6L 1991-93
- Porsche 964 (911) RS 3.8L 1991-93
- Porsche 964 (911) TURBO 3.3L 1991-93
- Porsche 964 (911) TURBO 3.6L 1991-93
- Porsche 924 2.0L 1976-79
- Porsche 924 2.0L 1980-85
- Porsche 924 Turbo 2.0L 1979-81
- Porsche 924 Turbo 2.0L 1982-84
- Porsche 924 Carrera GT 2.0L 1981
- Porsche 924 Carrera GTS 2.0L 1982
- Porsche 924S 2.5L 1986-87
- Porsche 924S 2.5L 1988
- Porsche 944 2.5L 8V 1982-87
- Porsche 944 2.7L 8V 1988-89
- Porsche 944S 2.5L 16V 1987-88
- Porsche 944S2 3.0L 16V 1989-91
- Porsche 944 Turbo 2.5L 8V 1985-88
- Porsche 944 Turbo 2.5L 8V 1989-91
- Porsche 944 Turbo S 2.5L 8V 1988
- Porsche 928 4.5L 1978-82
- Porsche 928S 4.7L 1981-83
- Porsche 928S2 4.7L 1984-86
- Porsche 928S4 5.0L 1987-92
- Porsche 928GT 5.0L 1989-91
- Porsche 928GTS 5.4L 1992-95
Empêche vos doigts de se rapprocher du tableau de bord.
Achetez en toute sécurité
Garantie 12 mois
Livraison mondiale
- Porsche 911 1974-1977 2.7L / 1976-77 3.0 Carrera
- Porsche 911 1978-1983 3.0L / SC
- Porsche 911 1984-1986 3.2L
- Porsche 911 1987-1989 3.2L G50
- Porsche 911 1975-1977 3.0L Turbo (930)

Convient :
Porsche 911 1974-89
Porsche 911 (930) 1975-77
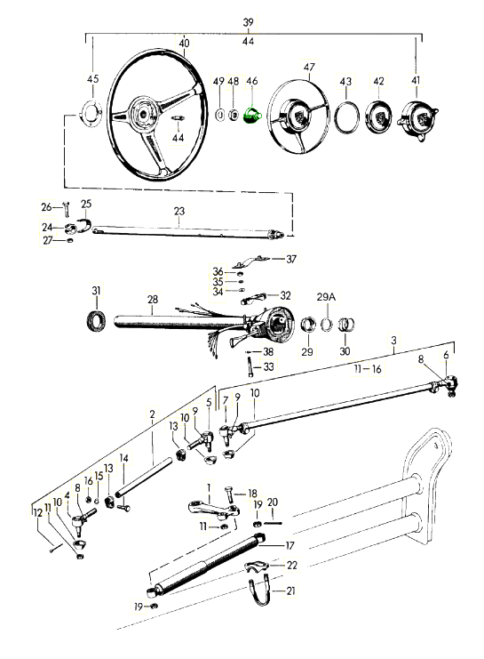
Cliquez sur "Zoom avant" pour le schéma des grandes pièces.
Schéma réf n° 28
Numéros de référence associés
Numéros associés, remplacés, de référence croisée ou alternatifs à des fins de comparaison.
91134709905
Le produit que vous consultez fait référence à ces numéros
Achetez en toute sécurité
Garantie 12 mois
Livraison mondiale
- Porsche 911 1974-1977 2.7L / 1976-77 3.0 Carrera
- Porsche 911 1978-1983 3.0L / SC
- Porsche 911 1984-1986 3.2L
- Porsche 911 1987-1989 3.2L G50
- Porsche 911 1975-1977 3.0L Turbo (930)
- Porsche 911 1978-1989 3.3L Turbo (930)
la précision d'ajustement optimale et l'uniformité visuelle des deux composants sont vraiment impressionnantes.

Convient :
Pour les voitures sans régulateur de vitesse
Porsche 911 1974-89
Porsche 911 (930) 1975-89
Cliquez sur "Zoom avant" pour le schéma des grandes pièces.
Schéma réf n° 19 (partie supérieure) + 20 (partie inférieure).
Numéros de référence associés
Numéros associés, remplacés, de référence croisée ou alternatifs à des fins de comparaison.
91161332800
Le produit que vous consultez fait référence à ces numéros
Achetez en toute sécurité
Garantie 12 mois
Livraison mondiale
- Porsche 911 1965-1968 2.0L / 912 SWB (F)
- Porsche 356B 1959-63
- Porsche 356C 1963-65
- Porsche 914 (1970-1976)

Compatible avec :
Porsche 356 B / 356 C
Porsche 911 et 912 1960-1969
Porsche 914 1970-76
Cliquez sur « Zoom avant » pour un schéma de pièces de grande taille.
Convient au numéro 46 sur le schéma.
Numéros de référence associés
Numéros associés, remplacés, de référence croisée ou alternatifs à des fins de comparaison.
91161380700
Le produit que vous consultez fait référence à ces numéros
Achetez en toute sécurité
Garantie 12 mois
Livraison mondiale
- Porsche 911 1974-1977 2.7L / 1976-77 3.0 Carrera
- Porsche 911 1978-1983 3.0L / SC
- Porsche 911 1984-1986 3.2L
- Porsche 911 1987-1989 3.2L G50
- Porsche 911 1975-1977 3.0L Turbo (930)
- Porsche 911 1978-1989 3.3L Turbo (930)

Convient :
Porsche 911 1974-89
Cliquez sur "Zoom avant" pour le schéma des grandes pièces.
Schéma réf n° 22
Numéros de référence associés
Numéros associés, remplacés, de référence croisée ou alternatifs à des fins de comparaison.
91161352100
Le produit que vous consultez fait référence à ces numéros
Achetez en toute sécurité
Garantie 12 mois
Livraison mondiale
- Porsche 911 1965-1968 2.0L / 912 SWB (F)
- Porsche 911 1968-1973 2.2L / 2.4L / 2.7L RS LWB (F)
Convient à :
Porsche 911 1968-73
Schéma réf. n° 24
Numéros de référence associés
Numéros associés, remplacés, de référence croisée ou alternatifs à des fins de comparaison.
90161331201
Le produit que vous consultez fait référence à ces numéros
Achetez en toute sécurité
Garantie 12 mois
Livraison mondiale
- Porsche 911 1965-1968 2.0L / 912 SWB (F)
- Porsche 911 1968-1973 2.2L / 2.4L / 2.7L RS LWB (F)
Convient à :
Porsche 911 1965-73
Schéma réf. n° 24
Numéros de référence associés
Numéros associés, remplacés, de référence croisée ou alternatifs à des fins de comparaison.
90161331201
Le produit que vous consultez fait référence à ces numéros
Achetez en toute sécurité
Garantie 12 mois
Livraison mondiale
- Porsche 911 1965-1968 2.0L / 912 SWB (F)
- Porsche 911 1968-1973 2.2L / 2.4L / 2.7L RS LWB (F)
Convient à :
Porsche 911 1965-73
Schéma réf. n° 25
Numéros de référence associés
Numéros associés, remplacés, de référence croisée ou alternatifs à des fins de comparaison.
90161331101
Le produit que vous consultez fait référence à ces numéros
Achetez en toute sécurité
Garantie 12 mois
Livraison mondiale
- Porsche 911 1965-1968 2.0L / 912 SWB (F)
- Porsche 911 1968-1973 2.2L / 2.4L / 2.7L RS LWB (F)
- Porsche 911 1974-1977 2.7L / 1976-77 3.0 Carrera
- Porsche 911 1978-1983 3.0L / SC
- Porsche 911 1984-1986 3.2L
- Porsche 911 1987-1989 3.2L G50
- Porsche 911 1975-1977 3.0L Turbo (930)
- Porsche 911 1978-1989 3.3L Turbo (930)
Convient à :
Porsche 911 1965-73
Schéma réf. n° 25
Numéros de référence associés
Numéros associés, remplacés, de référence croisée ou alternatifs à des fins de comparaison.
90161331101
Le produit que vous consultez fait référence à ces numéros
Achetez en toute sécurité
Garantie 12 mois
Livraison mondiale
Pièces de volant Porsche | Composants de précision pour un contrôle et des performances optimaux
Le volant est le lien le plus direct entre le conducteur et sa voiture : il offre un contrôle précis, un retour tactile et l'expérience de conduite unique de Porsche. Avec le temps, les composants essentiels du volant, tels que les moyeux, les commutateurs, les contacts d'avertisseur sonore et les fixations, peuvent s'user ou tomber en panne, réduisant ainsi les performances et le confort de conduite.
Chez Design911, nous proposons des pièces et accessoires de volant de haute qualité, conçus pour un montage précis et une fiabilité durable. Des moyeux de direction et modules d'airbag Porsche classiques aux commutateurs multifonctions et enjoliveurs modernes, nos composants sont conçus pour respecter, voire dépasser, les normes d'ingénierie d'origine.
Que vous restauriez une 911 vintage, que vous amélioriez les performances de votre Cayman ou que vous répariez un véhicule de tous les jours, nos pièces de volant garantissent un fonctionnement fluide, la sécurité et une précision Porsche incomparable.
À quoi servent les pièces du volant ?
Les composants du volant fonctionnent ensemble pour fournir un contrôle sûr et précis et un retour d'information au conducteur, tout en intégrant des fonctions essentielles telles que le klaxon, l'airbag et les commandes audio.
Fonctions principales :
- Assure une connexion sécurisée entre la colonne de direction et le volant.
- Assure une rotation en douceur et une maniabilité réactive.
- Maintenir le fonctionnement du klaxon, de l'airbag et des systèmes multifonctions.
- Soutenir l'alignement et l'amortissement des vibrations.
- Améliorez le confort du conducteur et l'esthétique intérieure.
Chaque pièce joue un rôle crucial dans le maintien du contrôle, de la sécurité et du plaisir de conduite, éléments clés de l'héritage de performance de Porsche.
Pourquoi les pièces du volant tombent-elles en panne ou s’usent-elles ?
Même les composants de direction Porsche conçus avec précision subissent une usure due aux mouvements constants, aux vibrations et à l'exposition à l'environnement.
Les causes courantes d’échec comprennent :
- Usure ou endommagement des cannelures ou des bagues du moyeu.
- Défauts électriques dans les commutateurs de klaxon ou multifonctions.
- Câblage dégradé ou connexions desserrées.
- Défaillance de l'airbag ou de la bague de contact.
- Corrosion, chaleur ou exposition aux UV affectant les garnitures et les matériaux.
Des composants de volant usés ou défectueux peuvent entraîner un desserrage, des pannes électriques ou une perte de fonctionnalité clé, compromettant ainsi le confort et la sécurité.
Pourquoi remplacer les pièces de votre volant Porsche ?
Remplacer ou moderniser les composants de votre volant rétablit la sécurité, la précision et les performances tactiles. Cela permet également de le personnaliser avec des matériaux améliorés, des commandes modernisées ou un design plus sportif.
Principaux avantages :
- Restaure une réponse de direction précise et une rotation en douceur.
- Assure la fiabilité des systèmes de sécurité (airbag, klaxon, etc.).
- Élimine les cliquetis, les défauts électriques ou les connexions desserrées.
- Disponible pour Porsche 911, Cayman, Boxster, Panamera, Macan et autres modèles.
- Remplacements directs et options de mise à niveau disponibles.
- Idéal pour les projets de restauration, de réparation ou de personnalisation des performances.
Les pièces de volant de haute qualité améliorent non seulement le contrôle, mais maintiennent également la sensation de luxe et l'intégrité de sécurité de votre Porsche.
Points forts
- Pièces et accessoires de volant Porsche conçus avec précision.
- Matériaux durables pour des performances et un confort à long terme.
- Composants à montage direct pour les modèles Porsche modernes et classiques.
- Comprend des concentrateurs, des commutateurs, des cadres, des bagues de contact et plus encore.
- Améliore le contrôle, le confort et la sécurité du véhicule.
- Parfait pour les restaurations, les réparations et les améliorations de performances.