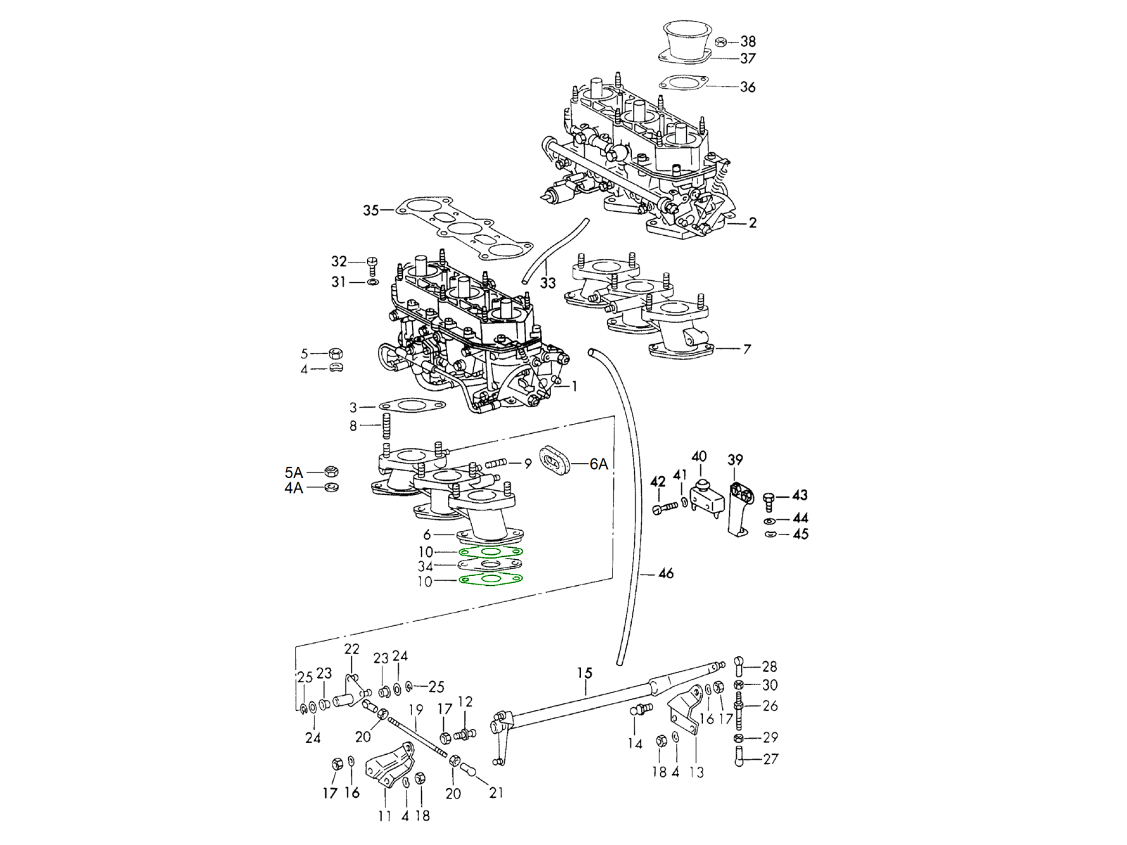
Inlet Manifold
 Carburetor to manifold spacer, SET OF 4. Porsche 912 / 356
                        
                    
            
            
                    Carburetor to manifold spacer, SET OF 4. Porsche 912 / 356
                    - Porsche 911 1965-1968 2.0L / 912 SWB (F)
- Porsche 356B 1959-63
- Porsche 356C 1963-65
The spacer is designed to sit between the carburettor base (typically a SOLEX 40 PII-4) and the intake manifold on classic Porsche models - 356 B/356 C and 912, manufactured to match Porsche OE specification.
SET OF 4
Fits:
Porsche 912 1965 - 1969
Porsche 356 B/C 1600/S90/SC 1960 - 1965
Diagram ref no 2 (for 912) or 4 (for 356)
This spacer provides the correct separation and sealing interface, ensuring proper carburettor alignment, uniform port matching and preventing heat soak from the manifold into the carburettor. It is manufactured from a high-temperature-resistant to replicate the original design and maintain correct insulating properties.
Ideal for engine rebuilds, intake servicing or performance restoration, this spacer restores the intended clearance, port geometry, and sealing integrity required for reliable induction performance in classic Porsche engines.
Over time, the original spacer can deteriorate, warp or crack because of exposure to heat cycling, vibration and fuel vapour. A compromised spacer may lead to vacuum leaks, mis-metered fuel/air mixture, uneven idle or reduced performance.
Replace this spacer when:
• Performing a carburettor or intake manifold service or rebuild
• The original spacer is cracked, delaminated or missing
• Vacuum leaks or rough idle suggest induction sealing problems
• Restoring a classic Porsche engine to factory specification
Fitting new spacer ensures the correct spacing, proper sealing and authentic air-flow behaviour you need for lasting engine performance and reliability.
Related reference numbers
Related, superseded, cross reference or alternative numbers for comparison.
61610839000
The product you are viewing cross references to these numbers
This kit is comprised of the following items:
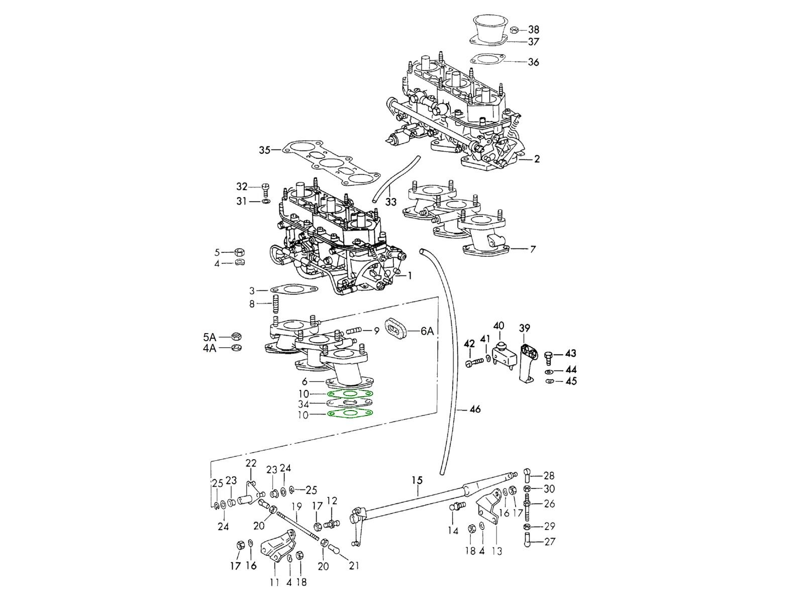
 Air intake pipe to throttle body gasket. Porsche 911 65-73
                        
                    
            
            
                    Air intake pipe to throttle body gasket. Porsche 911 65-73
                     
            
            
                    - Porsche 911 1965-1968 2.0L / 912 SWB (F)
- Porsche 911 1968-1973 2.2L / 2.4L / 2.7L RS LWB (F)
- Porsche 914 (1970-1976)

Fits:
Porsche 911 1965-69 L / T / TU / S WEBER Carburettor cars
Porsche 911 1970-73 T / T-V ZENITH Carburettor cars
Porsche 914-6 1970-76
Click 'Zoom in' for large parts diagram.
Diagram ref no 3
Related reference numbers
Related, superseded, cross reference or alternative numbers for comparison.
90110839801
The product you are viewing cross references to these numbers
 Shop Securely
                                Shop Securely
                            
                             12 Month Warranty
                                12 Month Warranty
                            
                             Worldwide Delivery
                                Worldwide Delivery
                            
                     Air intake pipe to throttle body gasket. Porsche 911 65-73
                        
                    
            
            
                    Air intake pipe to throttle body gasket. Porsche 911 65-73
                     
            
            
                    - Porsche 911 1965-1968 2.0L / 912 SWB (F)
- Porsche 911 1968-1973 2.2L / 2.4L / 2.7L RS LWB (F)
- Porsche 914 (1970-1976)
Fits:
Porsche 911 1965-69 L / T / TU / S WEBER Carburettor cars
Porsche 911 1970-73 T / T-V ZENITH Carburettor cars
Porsche 914-6 1970-76
Diagram ref no 3
Related reference numbers
Related, superseded, cross reference or alternative numbers for comparison.
90110839801
The product you are viewing cross references to these numbers
 Shop Securely
                                Shop Securely
                            
                             12 Month Warranty
                                12 Month Warranty
                            
                             Worldwide Delivery
                                Worldwide Delivery
                            
                     Carburetor to manifold spacer. Porsche 912 / 356
                        
                    
            
            
                    Carburetor to manifold spacer. Porsche 912 / 356
                     
            
            
                    - Porsche 911 1965-1968 2.0L / 912 SWB (F)
- Porsche 356B 1959-63
- Porsche 356C 1963-65
Fits:
Porsche 912 1965 - 1969
Porsche 356 B/C 1600/S90/SC 1960 - 1965
Diagram ref no 2 (for 912) or 4 (for 356)
Related reference numbers
Related, superseded, cross reference or alternative numbers for comparison.
61610839000
The product you are viewing cross references to these numbers
 Shop Securely
                                Shop Securely
                            
                             12 Month Warranty
                                12 Month Warranty
                            
                             Worldwide Delivery
                                Worldwide Delivery
                            
                     Carburetor to manifold spacer. Porsche 912 / 356
                        
                    
            
            
                    Carburetor to manifold spacer. Porsche 912 / 356
                    - Porsche 911 1965-1968 2.0L / 912 SWB (F)
- Porsche 356B 1959-63
- Porsche 356C 1963-65
The spacer is designed to sit between the carburettor base (typically a SOLEX 40 PII-4) and the intake manifold on classic Porsche models - 356 B/356 C and 912, manufactured to match Porsche OE specification.
Sold each, 4 required per vehicle.
Fits:
Porsche 912 1965 - 1969
Porsche 356 B/C 1600/S90/SC 1960 - 1965
Diagram ref no 2 (for 912) or 4 (for 356)
This spacer provides the correct separation and sealing interface, ensuring proper carburettor alignment, uniform port matching and preventing heat soak from the manifold into the carburettor. It is manufactured from a high-temperature-resistant to replicate the original design and maintain correct insulating properties.
Ideal for engine rebuilds, intake servicing or performance restoration, this spacer restores the intended clearance, port geometry, and sealing integrity required for reliable induction performance in classic Porsche engines.
Over time, the original spacer can deteriorate, warp or crack because of exposure to heat cycling, vibration and fuel vapour. A compromised spacer may lead to vacuum leaks, mis-metered fuel/air mixture, uneven idle or reduced performance.
Replace this spacer when:
• Performing a carburettor or intake manifold service or rebuild
• The original spacer is cracked, delaminated or missing
• Vacuum leaks or rough idle suggest induction sealing problems
• Restoring a classic Porsche engine to factory specification
Fitting new spacer ensures the correct spacing, proper sealing and authentic air-flow behaviour you need for lasting engine performance and reliability.
Related reference numbers
Related, superseded, cross reference or alternative numbers for comparison.
61610839000
The product you are viewing cross references to these numbers
 Shop Securely
                                Shop Securely
                            
                             12 Month Warranty
                                12 Month Warranty
                            
                             Worldwide Delivery
                                Worldwide Delivery
                            
                     Fuel injection throttle body kit with air horns. Porsche 911 2.0ltr / 2.7ltr
                        
                    
            
            
                    Fuel injection throttle body kit with air horns. Porsche 911 2.0ltr / 2.7ltr
                    - Porsche 911 1965-1968 2.0L / 912 SWB (F)
- Porsche 911 1968-1973 2.2L / 2.4L / 2.7L RS LWB (F)

Fits:
Porsche 911 2.0ltr - 1965 to 1968
Porsche 911 2.2ltr - 1969 to 1971
Sizes Porsche 911 intake manifolds
Carburetor/Bosch MFI Ø32mm engine side - Ø40mm ITB side. Recommended for early 2.0ltr / 2.2ltr engines
Injectors options that can be used - 260cc / 300cc / 380cc / 420cc / 480cc / 520cc
This is a direct replacement kit for replacing carburetors while keeping the OEM look in your engine bay. 
The intake manifolds and riser plates are manufactured out of a single piece of 6082 aluminum and come in 2 styles. These differ in design due to the shape of the mounting flange for the cylinder head. The intake manifold can be used as replacement parts for the OEM part when damaged or has to be replaced*. 
The ITBs are manufactured out of cast aluminum, whist the fuel rails are made out of aluminum 6060 extrusion profile and come with AN6 ORB connection for the fuel lines. The direct mount fuel pressure regulator is directly mounted to the fuel rails, so in this case you don’t need to drill additional holes in the engine bay for mounting a fuel pressure regulator. 
The throttle linkage and all mounting hardware is made from stainless steel and the pivoting point of the throttle linkage is a ball and socket design for smooth operation. The levers allow you to adjust and finetune mechanical movement of the ITBs
The dimensions of the assembly are the same as the OEM carburetor setup and the riser plate comes with same mounting holes as the OEM carburetors, in this way you are able to use the OEM air filter box and OEM airhorns. Also the riser plates come with mounting options for an air intake temperature sensor, this is nicely hidden away between the ITBs. The diameter for the ITBs in the riser plate is 45mm. There is also an option for using airhorns, In this case you don’t need the riser plates.
The crank sensor and trigger wheel kit are additional and this type of kit is needed when using ITBs like these. Besides switching to ITBs you will need a stand alone ECU to get the fuel injection to work. Our kit only works with engines like the 3.0ltr that came with a “ big distributor”. You can leave the distributor or you can remove this unit when you are going to use a discoil type of ignition. In for case an adapter is included in the crank sensor kit. The pulley comes in 2 dimensions to choose from, a Ø116mm pulley and Ø126,5mm pulley.
Fuel injectors, fuel lines, standalone ECU, wiring harness are NOT included in the kit.
*In case of using as a replacement part 3 mounting holes for the carburetors or ITBs need to be re thread with a timesert or helicoil. Otherwise it is impossible to mount a threaded stud.
Kit Includes
2 x Full billet, hard anodised intake manifolds
6 x ITB complete with lever assembly
6 x Airhorns 45mmØx30mm
2 x Fuel rail with mounting hardware
1 x Throttle linkage with 2 throttle connection rods
1 x Direct mount fuel pressure regulator
2 x Riser plates with 1 air temperature sensor (for use with OEM air filter box)
1 x Crank sensor and trigger wheel kit (optional)
All needed gaskets and mounting hardware.
 Shop Securely
                                Shop Securely
                            
                             12 Month Warranty
                                12 Month Warranty
                            
                             Worldwide Delivery
                                Worldwide Delivery
                            
                     Seal for intake manifold. Porsche 911 65-73 / 914-6
                        
                    
            
            
                    Seal for intake manifold. Porsche 911 65-73 / 914-6
                     
            
            
                    - Porsche 911 1965-1968 2.0L / 912 SWB (F)
- Porsche 911 1968-1973 2.2L / 2.4L / 2.7L RS LWB (F)
Sold each.

Fits:
Porsche 911 E 1969-71
Porsche 911 /L/TU/T
Porsche 911 T / 911 T-V
Porsche 911 T-E/E 1972-73
Porsche 914-6 1970-76
Diagram ref no 8
Related reference numbers
Related, superseded, cross reference or alternative numbers for comparison.
90110839104
The product you are viewing cross references to these numbers
 Shop Securely
                                Shop Securely
                            
                             12 Month Warranty
                                12 Month Warranty
                            
                             Worldwide Delivery
                                Worldwide Delivery
                            
                     Seal for intake manifold. Porsche 911 65-73 / 914-6
                        
                    
            
            
                    Seal for intake manifold. Porsche 911 65-73 / 914-6
                     
            
            
                    - Porsche 911 1965-1968 2.0L / 912 SWB (F)
- Porsche 911 1968-1973 2.2L / 2.4L / 2.7L RS LWB (F)
Sold each.

Fits:
Porsche 911 E 1969-71
Porsche 911 / L / TU / T
Porsche 911 T / 911 T-V
Porsche 911 T-E / E 1972-73
Porsche 914-6 1970-76
Diagram ref no 8
Related reference numbers
Related, superseded, cross reference or alternative numbers for comparison.
90110839104
The product you are viewing cross references to these numbers
 Shop Securely
                                Shop Securely
                            
                             12 Month Warranty
                                12 Month Warranty
                            
                             Worldwide Delivery
                                Worldwide Delivery
                            
                     Velocity stack 38mm. Porsche 911 1965-76
                        
                    
            
            
                    Velocity stack 38mm. Porsche 911 1965-76
                    - Porsche 911 1965-1968 2.0L / 912 SWB (F)
- Porsche 911 1968-1973 2.2L / 2.4L / 2.7L RS LWB (F)
- Porsche 911 1974-1977 2.7L / 1976-77 3.0 Carrera
Sold each - 6 required per car

Fits:
Porsche 911 - 1965 to 1969
Porsche 911 E Sportomatic - 1970 to 1973
Enhance the engine compartment of your Classic Porsche with a high-quality reproduction of a long-discontinued Porsche part.
Designed using SolidWorks CAD and precisely molded for a perfect fit with a period correct look
HDPE construction with reinforced mounting tabs
These velocity stacks will fit the following applications:
3 barrel Weber and Zenith Carburetors
Porsche Mechanical Fuel Injection Throttle Bodies
Will not fit PMO Induction Carburetors or EFI Systems
Measures 2” Tall with a 38mm Bore
Sold Individually, Order (6) and Make Your Engine Look Like New
Click 'Zoom in' for large parts diagram.
Diagram ref no 30
Related reference numbers
Related, superseded, cross reference or alternative numbers for comparison.
91111032202
The product you are viewing cross references to these numbers
 Shop Securely
                                Shop Securely
                            
                             12 Month Warranty
                                12 Month Warranty
                            
                             Worldwide Delivery
                                Worldwide Delivery
                            
                     Velocity stack 46mm. Porsche 911 1965-76
                        
                    
            
            
                    Velocity stack 46mm. Porsche 911 1965-76
                    - Porsche 911 1965-1968 2.0L / 912 SWB (F)
- Porsche 911 1968-1973 2.2L / 2.4L / 2.7L RS LWB (F)
- Porsche 911 1974-1977 2.7L / 1976-77 3.0 Carrera
Sold each - 6 required per car

Fits:
Porsche 911 - 1965 to 1973
Porsche 911 2.7 Carrera MFI - 1974 to 1976
Enhance the engine compartment of your Classic Porsche with a high-quality reproduction of a long-discontinued Porsche part.
Designed using SolidWorks CAD and precisely molded for a perfect fit with a period correct look
HDPE construction with reinforced mounting tabs
These velocity stacks will fit the following applications:
3 barrel Weber and Zenith Carburetors
Porsche Mechanical Fuel Injection Throttle Bodies
Will not fit PMO Induction Carburetors or EFI Systems
Measures 2” Tall with a 46mm Bore
Sold Individually, Order (6) and Make Your Engine Look Like New
Click 'Zoom in' for large parts diagram.
Diagram ref no 30
Related reference numbers
Related, superseded, cross reference or alternative numbers for comparison.
91111032201
The product you are viewing cross references to these numbers
 Shop Securely
                                Shop Securely
                            
                             12 Month Warranty
                                12 Month Warranty
                            
                             Worldwide Delivery
                                Worldwide Delivery
                            
                    Air Inlet Manifolds – Precision Airflow Distribution for Porsche Engines
Air inlet manifolds, often referred to as intake manifolds, are vital components in Porsche engines that ensure even air distribution to each cylinder. By controlling the air supply entering the combustion chambers, these manifolds optimise engine breathing, improving fuel efficiency, throttle response, and overall performance.
At Design911, we supply a wide range of genuine and high-quality air inlet manifolds for numerous Porsche models, including 911, Boxster, Cayman, Cayenne, Macan, and Panamera. Each unit is crafted from high-strength materials to deliver consistent airflow, exceptional durability, and precise fitment — maintaining your Porsche’s power and refinement.
What Do Air Inlet Manifolds Do?
The air inlet manifold is a critical part of the intake
system that manages and distributes air from the throttle body into the
engine’s cylinders. Its functions include:
- Delivering
     uniform airflow to each cylinder for efficient combustion.
 
- Optimising
     torque and power output across all engine speeds.
 
- Balancing
     air pressure for smoother idling and acceleration.
 
- Enhancing engine cooling and fuel economy through consistent airflow management.
In performance-oriented Porsche engines, the air inlet manifold is carefully tuned to maximise airflow dynamics — contributing directly to the car’s responsiveness and driving feel.
Why Do Air Inlet Manifolds Fail?
Air inlet manifolds operate under constant pressure, heat,
and vibration, which can lead to deterioration over time. Common causes of
failure include:
- Cracks
     or leaks in plastic or aluminium housings due to heat cycling.
 
- Carbon
     buildup restricting airflow through the manifold runners.
 
- Faulty
     gaskets or seals allowing unmetered air to enter the system.
 
- Vacuum
     leaks affecting idle stability and performance.
 
- Mechanical damage caused by backfires or overpressure.
Symptoms of a failing air inlet manifold may include rough idling, loss of power, engine misfires, increased fuel consumption, or a check engine light related to air intake irregularities.
Why Replace a Damaged Air Inlet Manifold?
A cracked or leaking air manifold can cause air imbalance, poor combustion, and reduced engine efficiency. Replacing the component restores smooth airflow, optimises fuel economy, and protects engine health.
Benefits of replacement include:
- Restored airflow and balanced combustion.
- Improved throttle response and power delivery.
- Reduced emissions and improved fuel efficiency.
- Long-term reliability with manufacturer-quality precision.
All air inlet manifolds available at Design911 are made with high-quality materials, precision-engineered sealing surfaces, and optimised airflow geometry — ensuring lasting durability and peak performance in both standard and high-performance Porsche engines.
 
 
         
                
                
                    
 
                                     
                                     
                                     
                                     
                                     
                 
                 
                 
                 
                 
                 
                 
                 
                 
                 
                