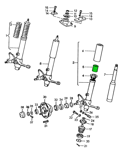
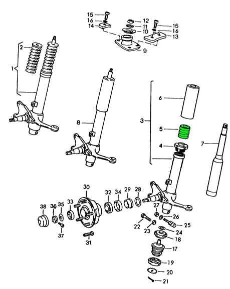
Schokbrekeronderdelen VOOR
Voorste veerpootlagerbus. Porsche 911 65-89 / 914 Powerflex
- Porsche 911 1965-1968 2.0L / 912 SWB (F)
- Porsche 911 1968-1973 2.2L / 2.4L / 2.7L RS LWB (F)
- Porsche 911 1974-1977 2.7L / 1976-77 3.0 Carrera
- Porsche 911 1978-1983 3.0L / SC
- Porsche 911 1984-1986 3.2L
- Porsche 911 1987-1989 3.2L G50
- Porsche 911 1975-1977 3.0L Turbo (930)
- Porsche 911 1978-1989 3.3L Turbo (930)
- Porsche 914 (1970-1976)
Verkocht als een paar (beide veerpoten)
Past op onderdeelnummer: 91134101800

Past bij:
Porsche 911 1965-1989
Porsche 914 1970-1976
Klik op 'Inzoomen' voor een groot onderdelenschema.
Past bij nr. 9 op het diagram.
Powerflex. Als u de rubberen ophangingsbussen van uw auto vervangt door polyurethaan ophangingsbussen, krijgt u:
- Betere wegligging
- Constante stuurgeometrie
- Verhoogde levensduur van de band
- Meer responsieve besturing
- Langere levensduur van ophangingscomponenten
Gerelateerde referentienummers
Gerelateerde, vervangen, kruisverwijzingen of alternatieve nummers ter vergelijking.
PFF57-406
Het product dat u bekijkt, verwijst naar deze nummers
Winkel veilig
12 maanden garantie
Wereldwijde levering
Voorste veerpootlagerbus. Porsche 911 65-89 / 914 Powerflex Black-serie
- Porsche 911 1965-1968 2.0L / 912 SWB (F)
- Porsche 911 1968-1973 2.2L / 2.4L / 2.7L RS LWB (F)
- Porsche 911 1974-1977 2.7L / 1976-77 3.0 Carrera
- Porsche 911 1978-1983 3.0L / SC
- Porsche 911 1984-1986 3.2L
- Porsche 911 1987-1989 3.2L G50
- Porsche 911 1975-1977 3.0L Turbo (930)
- Porsche 911 1978-1989 3.3L Turbo (930)
- Porsche 914 (1970-1976)
Verkocht als een paar (beide veerpoten)
Past op onderdeelnummer: 91134101800

Past bij:
Porsche 911 1965-1989
Porsche 914 1970-1976
Klik op 'Inzoomen' voor een groot onderdelenschema.
Past bij nr. 9 op het diagram.
Powerflex Black Series - Ontworpen voor het circuit - Klaar om te racen - Ontworpen om de beste te zijn.
Powerflex Black Series-bussen zijn vervaardigd met behulp van een 95 Shore A-compound voor maximale controle over de chassisgeometrie. Deze verbinding kan tot 80% beter bestand zijn tegen belasting dan standaardrubber en 25% stijver dan ons paarse prestatiemateriaal.
Als uw eisen puur gericht zijn op de ultieme handling en chassisprestaties, dan is de Powerflex Black Series uniek en biedt de meest nauwkeurige en nauwkeurige uitlijning voor uw chassis.
Gerelateerde referentienummers
Gerelateerde, vervangen, kruisverwijzingen of alternatieve nummers ter vergelijking.
PFF57-406BLK
Het product dat u bekijkt, verwijst naar deze nummers
Winkel veilig
12 maanden garantie
Wereldwijde levering
Voorste veerpootlagerbus. Porsche 911 65-89 / 914 Powerflex Heritage-collectie
- Porsche 911 1965-1968 2.0L / 912 SWB (F)
- Porsche 911 1968-1973 2.2L / 2.4L / 2.7L RS LWB (F)
- Porsche 911 1974-1977 2.7L / 1976-77 3.0 Carrera
- Porsche 911 1978-1983 3.0L / SC
- Porsche 911 1984-1986 3.2L
- Porsche 911 1987-1989 3.2L G50
- Porsche 911 1975-1977 3.0L Turbo (930)
- Porsche 911 1978-1989 3.3L Turbo (930)
- Porsche 914 (1970-1976)
Verkocht als een paar (beide veerpoten)
Past op onderdeelnummer: 91134101800

Past bij:
Porsche 911 1965-1989
Porsche 914 1970-76
Klik op 'Inzoomen' voor een groot onderdelenschema.
Past bij nr. 9 op het diagram.
Powerflex Heritage-collectie. Voor moderne klassiekers.
POWERFLEX Heritage Collection-struiken worden vervaardigd met behulp van moderne materialen met eigenschappen die zijn gericht op de weg. Deze donkergrijze bussen zullen elke verzamelaarsauto opwaarderen, terwijl ze hetzelfde standaard uiterlijk van een rubberen bus behouden.
POWERFLEX Heritage Collection-struiken worden vervaardigd met behulp van moderne materialen met eigenschappen die zijn gericht op de weg. Deze donkergrijze bussen zullen elke verzamelaarsauto opwaarderen, terwijl ze hetzelfde standaard uiterlijk van een rubberen bus behouden.
Gerelateerde referentienummers
Gerelateerde, vervangen, kruisverwijzingen of alternatieve nummers ter vergelijking.
PFF57-406H
Het product dat u bekijkt, verwijst naar deze nummers
Winkel veilig
12 maanden garantie
Wereldwijde levering
Voorvering bovenste veerpootbevestiging. Porsche 911 Superpro
- Porsche 911 1968-1973 2.2L / 2.4L / 2.7L RS LWB (F)
- Porsche 911 1974-1977 2.7L / 1976-77 3.0 Carrera
- Porsche 911 1978-1983 3.0L / SC
- Porsche 911 1984-1986 3.2L
- Porsche 911 1987-1989 3.2L G50
- Porsche 911 1975-1977 3.0L Turbo (930)
- Porsche 911 1978-1989 3.3L Turbo (930)
Vervanging voor Porsche-onderdeelnr. 90134162900.
Verpakking van 2
Past op:
Porsche 911 1970-89
Wanneer u de rubberen ophangingsbussen van uw auto vervangt door polyurethaan ophangingsbussen, krijgt u:
- Betere wegligging
- Constante stuurgeometrie
- Verlengde levensduur van de banden
- Responsievere besturing
- Langere levensduur van ophangingscomponenten.
Klik op 'Inzoomen' voor een groter onderdeeloverzicht.
Passend bij nr. 8 op het diagram.
Gerelateerde referentienummers
Gerelateerde, vervangen, kruisverwijzingen of alternatieve nummers ter vergelijking.
SPF1436K
Het product dat u bekijkt, verwijst naar deze nummers
Winkel veilig
12 maanden garantie
Wereldwijde levering
Afdekplaat bovenmontage. Porsche 911 1970>> / 930 / 914
- Porsche 911 1965-1968 2.0L / 912 SWB (F)
- Porsche 911 1968-1973 2.2L / 2.4L / 2.7L RS LWB (F)
- Porsche 911 1974-1977 2.7L / 1976-77 3.0 Carrera
- Porsche 911 1978-1983 3.0L / SC
- Porsche 911 1984-1986 3.2L
- Porsche 911 1987-1989 3.2L G50
- Porsche 911 1975-1977 3.0L Turbo (930)
- Porsche 911 1978-1989 3.3L Turbo (930)
- Porsche 914 (1970-1976)
Past op:
Porsche 911 1965-89
Porsche 930 1975-89
Porsche 914 1970-76
Diagram ref. nr. 15
Gerelateerde referentienummers
Gerelateerde, vervangen, kruisverwijzingen of alternatieve nummers ter vergelijking.
90006706303
Het product dat u bekijkt, verwijst naar deze nummers
Winkel veilig
12 maanden garantie
Wereldwijde levering
Binnenste borgring voor voorste schokdemper. Porsche 911 69-89
- Porsche 911 1965-1968 2.0L / 912 SWB (F)
- Porsche 911 1968-1973 2.2L / 2.4L / 2.7L RS LWB (F)
- Porsche 911 1974-1977 2.7L / 1976-77 3.0 Carrera
- Porsche 911 1978-1983 3.0L / SC
- Porsche 911 1984-1986 3.2L
- Porsche 911 1987-1989 3.2L G50

Past bij:
Porsche 911 1969-89
Klik op 'Inzoomen' voor een groot onderdelenschema.
Schema ref. nr. 14
Gerelateerde referentienummers
Gerelateerde, vervangen, kruisverwijzingen of alternatieve nummers ter vergelijking.
91134180401
Het product dat u bekijkt, verwijst naar deze nummers
Winkel veilig
12 maanden garantie
Wereldwijde levering
O-ring wiellager afstandsring. Porsche 911 / 914
- Porsche 911 1965-1968 2.0L / 912 SWB (F)
- Porsche 911 1968-1973 2.2L / 2.4L / 2.7L RS LWB (F)
- Porsche 911 1974-1977 2.7L / 1976-77 3.0 Carrera
- Porsche 911 1978-1983 3.0L / SC
- Porsche 911 1984-1986 3.2L
- Porsche 911 1987-1989 3.2L G50
- Porsche 911 1975-1977 3.0L Turbo (930)
- Porsche 911 1978-1989 3.3L Turbo (930)
- Porsche 914 (1970-1976)
Per stuk verkocht - 2 per auto nodig
Past op:
Porsche 911 - 1965 tot 1989
Porsche 914 - 1970 tot 1976
Diagram ref nr. 23
Gerelateerde referentienummers
Gerelateerde, vervangen, kruisverwijzingen of alternatieve nummers ter vergelijking.
99970108450
Het product dat u bekijkt, verwijst naar deze nummers
Winkel veilig
12 maanden garantie
Wereldwijde levering
O-ring wiellager afstandsring. Porsche 911 / 914
- Porsche 911 1965-1968 2.0L / 912 SWB (F)
- Porsche 911 1968-1973 2.2L / 2.4L / 2.7L RS LWB (F)
- Porsche 911 1974-1977 2.7L / 1976-77 3.0 Carrera
- Porsche 911 1978-1983 3.0L / SC
- Porsche 911 1984-1986 3.2L
- Porsche 911 1987-1989 3.2L G50
- Porsche 911 1975-1977 3.0L Turbo (930)
- Porsche 911 1978-1989 3.3L Turbo (930)
- Porsche 914 (1970-1976)
Per stuk verkocht - 2 per auto nodig

Past op:
Porsche 911 - 1965 tot 1989
Porsche 914 - 1970 tot 1976
Klik op 'Inzoomen' voor een diagram met grotere onderdelen.
Diagram ref nr. 23
Gerelateerde referentienummers
Gerelateerde, vervangen, kruisverwijzingen of alternatieve nummers ter vergelijking.
99970108450
Het product dat u bekijkt, verwijst naar deze nummers
Winkel veilig
12 maanden garantie
Wereldwijde levering
QuickChange camberplaten. Porsche 911 / 912 / 930 / 914 1966-89
- Porsche 911 1965-1968 2.0L / 912 SWB (F)
- Porsche 911 1968-1973 2.2L / 2.4L / 2.7L RS LWB (F)
- Porsche 911 1974-1977 2.7L / 1976-77 3.0 Carrera
- Porsche 911 1978-1983 3.0L / SC
- Porsche 911 1984-1986 3.2L
- Porsche 911 1987-1989 3.2L G50
- Porsche 911 1975-1977 3.0L Turbo (930)
- Porsche 911 1978-1989 3.3L Turbo (930)
- Porsche 914 (1970-1976)
Vervanging voor 91134101800.
Past op:
Porsche 911/912/930/914 1966-89
* zie opmerking voor montage
Maak snelle camberveranderingen, onafhankelijk van de caster.
Een inschroefbare camberplaat maakt eenvoudige camberaanpassing mogelijk, onafhankelijk van de caster. Indexen maken aanpassing mogelijk zonder cambermeter. Verander de camber op het circuit op basis van de bandentemperatuur, of schakel eenvoudig tussen straat- en circuitinstellingen.
✓ +/- 1,25 graden toegevoegd bereik
✓ Pas de camber onafhankelijk van de caster aan
✓ Maak veranderingen aan de wielvlucht langs het spoor
✓ Afstellen zonder meter
✓ Volledig vast te bouten
QuickChange voor flexibiliteit in de camber.
Door de grote centrale moer los te draaien, kan de camber snel worden aangepast. Ingebouwde indices maken nauwkeurige positionering mogelijk zonder gebruik van een cambermeter. De meegeleverde veiligheidsborgring voorkomt dat de moer losraakt als deze niet goed is aangedraaid.
U kunt eenvoudig afzonderlijke camberinstellingen voor straat en circuit handhaven, of snel aanpassingen langs het circuit doorvoeren op basis van de bandentemperatuur.
De meegeleverde monoball is extra groot voor een lange levensduur en biedt vrije, niet-bindende bewegingen terwijl de bovenkant van de veerpoot nauwkeurig wordt gepositioneerd.
Werkt perfect bij auto's met torsiestaven en schroefsets.
Voor Koni- en Boge-inzetstukken is de apart verkrijgbare Koni/Boge-adapterkit vereist. Voor Von- en Bilstein-inzetstukken is de adapterkit niet vereist.
Let op:
• QuickChange Camber Plates zijn geschikt voor auto's van de 911/912/930 en 914 uit '66-'89. Ook te gebruiken met Von, Bilstein, Koni, Boge en andere merken.
• Voor Koni- en Boge-strut-inzetstukken moet u de Koni/Boge-inzetstukadapter gebruiken. Deze is apart verkrijgbaar: Elephant Racing-onderdeelnummer 2152203 (werkt mogelijk ook met andere merken).
• Voor Von- en Bilstein-inzetstukken mag de Koni/Boge-inzetstukadapter NIET worden gebruikt. Er wordt geen adapter gebruikt met Von- en Bilstein-inzetstukken.
• QuickChange Camber Plates kunnen worden gebruikt met coil-over conversies. Voor gebruik met coil-over kits met Von- of Bilstein-inserts, moet u Elephant Racing Extended Length Upper Spring Perches gebruiken voor QuickChange camber plate onderdeelnummer 2280902. Voor gebruik met coil-over kits met andere merken inserts, moet u Elephant Racing Extended Length Upper Spring Perches gebruiken onderdeelnummer 2280904 .
• Installeer GEEN stofkappen op de veerpoot (metalen "blikken" bovenop de veerpoot). U kunt optioneel rubberen balgen installeren ter bescherming tegen stof, deze zijn apart verkrijgbaar.
Gerelateerde referentienummers
Gerelateerde, vervangen, kruisverwijzingen of alternatieve nummers ter vergelijking.
2152200
Het product dat u bekijkt, verwijst naar deze nummers
Winkel veilig
12 maanden garantie
Wereldwijde levering
Rennline verzegelde monoball top mount set voorzijde. Porsche 911/912/930
- Porsche 911 1965-1968 2.0L / 912 SWB (F)
- Porsche 911 1968-1973 2.2L / 2.4L / 2.7L RS LWB (F)
- Porsche 911 1974-1977 2.7L / 1976-77 3.0 Carrera
- Porsche 911 1978-1983 3.0L / SC
- Porsche 911 1984-1986 3.2L
- Porsche 911 1987-1989 3.2L G50
- Porsche 911 1975-1977 3.0L Turbo (930)
- Porsche 911 1978-1989 3.3L Turbo (930)

Porsche 911/912/930 Alle 1966-89 Voorkant
Op zoek naar de ultieme stuurfeedback en front-end precisie van uw 911? Zoek niet verder dan deze Rennline Monoball montagekit. Deze monoball-kits zijn 100% in eigen huis vervaardigd en geassembleerd en hebben een bolvormig lager dat in onze machinaal bewerkte bovenbevestiging is gedrukt om de fabrieksmontage volledig te vervangen en de gebreken die inherent zijn aan het ontwerp te corrigeren. Door het elimineren van rubberen bussen, behouden deze steunen de uitlijningsinstellingen en geometrie nauwkeurig onder zware belastingen die worden veroorzaakt door pittig straatrijden en baantijd, terwijl ze tegelijkertijd een scherper en nauwkeuriger stuurgevoel en feedback bieden.
Gerelateerde referentienummers
Gerelateerde, vervangen, kruisverwijzingen of alternatieve nummers ter vergelijking.
MB11
Het product dat u bekijkt, verwijst naar deze nummers
Winkel veilig
12 maanden garantie
Wereldwijde levering
Rubberen stop voor schokdemper voor. Porsche 911 65-89
- Porsche 911 1965-1968 2.0L / 912 SWB (F)
- Porsche 911 1968-1973 2.2L / 2.4L / 2.7L RS LWB (F)
- Porsche 911 1974-1977 2.7L / 1976-77 3.0 Carrera
- Porsche 911 1978-1983 3.0L / SC
- Porsche 911 1984-1986 3.2L
- Porsche 911 1987-1989 3.2L G50
- Porsche 914 (1970-1976)

Past bij:
Porsche 911 1965-70 (exclusief 911E)
Porsche 911 1971-83 (exclusief turbo)
Alleen Porsche 911 1984-89 Turbo-Look & Super Sport
Porsche 914
Klik op 'Inzoomen' voor een groot onderdelenschema.
Schema ref. nr. 5
Gerelateerde referentienummers
Gerelateerde, vervangen, kruisverwijzingen of alternatieve nummers ter vergelijking.
90134330100
Het product dat u bekijkt, verwijst naar deze nummers
Winkel veilig
12 maanden garantie
Wereldwijde levering
Rubberen stop voor schokdemper voor. Porsche 911 65-89
- Porsche 911 1965-1968 2.0L / 912 SWB (F)
- Porsche 911 1968-1973 2.2L / 2.4L / 2.7L RS LWB (F)
- Porsche 911 1974-1977 2.7L / 1976-77 3.0 Carrera
- Porsche 911 1978-1983 3.0L / SC
- Porsche 911 1984-1986 3.2L
- Porsche 911 1987-1989 3.2L G50
- Porsche 914 (1970-1976)

Past op:
Porsche 911 1965-70 (Exclusief 911E)
Porsche 911 1971-83 (Exclusief Turbo)
Porsche 911 1984-89 Turbo-Look & Super Sport alleen
Porsche 914
Klik op 'Inzoomen' voor een diagram met grotere onderdelen.
Diagram ref nr. 5
Gerelateerde referentienummers
Gerelateerde, vervangen, kruisverwijzingen of alternatieve nummers ter vergelijking.
90134330100
Het product dat u bekijkt, verwijst naar deze nummers
Winkel veilig
12 maanden garantie
Wereldwijde levering
Veerpoot inkortende ruitenwisserafdichtingen voor Porsche 911 / 912 / 930
- Porsche 911 1965-1968 2.0L / 912 SWB (F)
- Porsche 911 1968-1973 2.2L / 2.4L / 2.7L RS LWB (F)
- Porsche 911 1974-1977 2.7L / 1976-77 3.0 Carrera
- Porsche 911 1978-1983 3.0L / SC
- Porsche 911 1984-1986 3.2L
- Porsche 911 1987-1989 3.2L G50
- Porsche 911 1975-1977 3.0L Turbo (930)
- Porsche 911 1978-1989 3.3L Turbo (930)

Past bij:
Porsche 911 / 912 / 930
1969-1989 Late Bilstein-veerpoten alleen met groene zegelhouders
Vervang uw versleten wisserafdichtingen
Door uw auto te laten zakken, wordt het slagbereik van de schokbrekers/veerpoten kleiner. Schokbrekers met een beperkt bereik hebben de neiging om vaker uit te bodemen bij hard rijden of onder slechte wegomstandigheden. Dit vertaalt zich in hardheid tijdens het rijden en eventuele schade aan schokken/veerpoten en schokdempers.
Deze wisserafdichtingen verkorten de stutten met 3/4 inch en voegen de broodnodige veerweg toe. Laat ons de inkortwissers installeren samen met andere diensten voor het aanpassen van de veerpoten. Diensten voor het inkorten van schokbrekers zijn ook beschikbaar.
Opmerking: Alleen voor latere Bilstein-veerpoten met groene zegelhouders, zoals hierboven afgebeeld. Eerdere stutten met verzinkte 5/8″ houders vereisen verdere stutaanpassingen. Bel voor meer informatie.
Gerelateerde referentienummers
Gerelateerde, vervangen, kruisverwijzingen of alternatieve nummers ter vergelijking.
2280905
Het product dat u bekijkt, verwijst naar deze nummers
Winkel veilig
12 maanden garantie
Wereldwijde levering
Strut top camber plaat bussen. Porsche 911 1965 tot 1989
- Porsche 911 1965-1968 2.0L / 912 SWB (F)
- Porsche 911 1968-1973 2.2L / 2.4L / 2.7L RS LWB (F)
- Porsche 911 1974-1977 2.7L / 1976-77 3.0 Carrera
- Porsche 911 1978-1983 3.0L / SC
- Porsche 911 1984-1986 3.2L
- Porsche 911 1987-1989 3.2L G50
- Porsche 911 1975-1977 3.0L Turbo (930)
- Porsche 911 1978-1989 3.3L Turbo (930)
- Porsche 914 (1970-1976)
- Porsche 912E 4CYL 1976
1 kit per auto vereist
Past op:
Porsche 911 1965 - 1970
Porsche 911 1971 - 1989
Porsche 912
Porsche 914
Fabrieksrit en prestaties
Beschikbaar voor vroege camberplaten van 1965-1970 en late modellen van 1971-1989.
Eenvoudig te installeren : installeer de camberplaten met behulp van gewoon handgereedschap terwijl ze nog in de auto zitten.
Herstel rijgedrag en prestaties – Rubber is de beste keuze als u het rijgedrag en de prestaties zoals vroeger wilt herstellen.
Rubberen re-bus
Een echte rubberen vervangingsbus voor de bovenste camberplaten van de fabrieksveerpoten.
Het rubbermengsel met de hardheid "Sport" verbetert de prestaties door de doorbuiging onder belasting te verminderen, terwijl de rijeigenschappen van rubber behouden blijven.
Gerelateerde referentienummers
Gerelateerde, vervangen, kruisverwijzingen of alternatieve nummers ter vergelijking.
PR9
Het product dat u bekijkt, verwijst naar deze nummers
Winkel veilig
12 maanden garantie
Wereldwijde levering
Bovenste steunring. Porsche 911 65-89
- Porsche 911 1965-1968 2.0L / 912 SWB (F)
- Porsche 911 1968-1973 2.2L / 2.4L / 2.7L RS LWB (F)
- Porsche 911 1974-1977 2.7L / 1976-77 3.0 Carrera
- Porsche 911 1978-1983 3.0L / SC
- Porsche 911 1984-1986 3.2L
- Porsche 911 1987-1989 3.2L G50
- Porsche 911 1975-1977 3.0L Turbo (930)
- Porsche 911 1978-1989 3.3L Turbo (930)

Past bij:
Porsche 911 1965-89
Klik op 'Inzoomen' voor een groot onderdelenschema.
Schema ref nr. 10
Gerelateerde referentienummers
Gerelateerde, vervangen, kruisverwijzingen of alternatieve nummers ter vergelijking.
90134162900
Het product dat u bekijkt, verwijst naar deze nummers
Winkel veilig
12 maanden garantie
Wereldwijde levering
Bovenste steunring. Porsche 911 65-89
- Porsche 911 1965-1968 2.0L / 912 SWB (F)
- Porsche 911 1968-1973 2.2L / 2.4L / 2.7L RS LWB (F)
- Porsche 911 1974-1977 2.7L / 1976-77 3.0 Carrera
- Porsche 911 1978-1983 3.0L / SC
- Porsche 911 1984-1986 3.2L
- Porsche 911 1987-1989 3.2L G50
- Porsche 911 1975-1977 3.0L Turbo (930)
- Porsche 911 1978-1989 3.3L Turbo (930)
Past op:
Porsche 911 1965-89
Diagram ref. nr. 10
Gerelateerde referentienummers
Gerelateerde, vervangen, kruisverwijzingen of alternatieve nummers ter vergelijking.
90134162900
Het product dat u bekijkt, verwijst naar deze nummers
Winkel veilig
12 maanden garantie
Wereldwijde levering
Porsche schokdemperonderdelen voor | Design911-ophangingscomponenten voor comfort, controle en nauwkeurige handling
De voorste schokdempers zijn cruciaal voor het ophangingssysteem van uw Porsche en zorgen voor een soepele rijervaring, consistent wielcontact en een stabiele wegligging. Samen met schroefveren, dempers en bevestigingscomponenten absorberen deze onderdelen de impact van de weg en verminderen ze trillingen, waardoor uw Porsche onder alle rijomstandigheden kalm en responsief blijft. Een goed onderhouden voorste schokdemper levert de precieze stuurfeedback, grip en het comfort die u van een high-performance auto mag verwachten.
Bij Design911 bieden we een ruime keuze aan onderdelen voor schokdempers, waaronder bevestigingen, bovenste lagers, bumpstops, stofhoezen, ringen en bevestigingsmaterialen. Elk onderdeel is ontworpen voor perfecte pasvorm, duurzaamheid en prestaties. Of het nu gaat om routineonderhoud, restauratie of upgrades van de ophanging, ons assortiment zorgt ervoor dat het ophangingssysteem van uw Porsche in balans, verfijnd en rijklaar blijft.
Wat doen onderdelen van de voorste schokdemper?
De voorste schokdempers vormen een belangrijke schakel in de ophanging. Ze zorgen ervoor dat de dempers en veren effectief functioneren en het chassis in balans blijft.
Kernfuncties:
• Ondersteun de schokdemperconstructie en zorg voor een correcte positionering.
• Verminder lawaai, trillingen en schokken (NVH) veroorzaakt door botsingen op de weg.
• Zorgt voor een soepele, gecontroleerde compressie en rebound van de vering.
• Bescherm de schokdemper tegen stof, vuil en vloeistofverontreiniging.
• Zorgt voor een consistente rijhoogte en veringsprestaties.
Elk onderdeel speelt een belangrijke rol bij het behouden van Porsches kenmerkende combinatie van wendbaarheid, precisie en comfort.
Waarom gaan onderdelen van de voorste schokdemper kapot of verslechteren ze?
Continue beweging, hitte en blootstelling aan de elementen zorgen ervoor dat de onderdelen van de voorste ophanging na verloop van tijd slijten of verslechteren.
Veelvoorkomende oorzaken van storingen zijn:
• Versleten rubberen steunen of bussen die de schokabsorptie verminderen.
• Gecorrodeerde bouten of montageplaten die de uitlijning beïnvloeden.
• Gebarsten of gescheurde stofhoezen waardoor vuil kan binnendringen.
• Versleten lagers die kraken of een ongelijkmatige demping veroorzaken.
• Leeftijdsgerelateerde materiaalmoeheid vermindert de effectiviteit.
Wanneer deze onderdelen kapotgaan, kunnen de symptomen bestaan uit kloppende geluiden, een ongelijkmatige rijhoogte, een slecht stuurgevoel of een harde reactie van de vering. Allemaal indicatoren die erop wijzen dat vervanging nodig is om de prestaties en het comfort te herstellen.
Waarom moet u de schokdemperonderdelen van uw Porsche vervangen of upgraden?
Het vervangen van versleten onderdelen herstelt de prestaties van uw ophanging en zorgt voor nauwkeurige besturing en comfort. Upgraden naar versterkte of prestatiegerichte onderdelen verbetert de chassisrespons en duurzaamheid, vooral bij sportief rijden of circuitgebruik.
Belangrijkste voordelen:
• Herstelt het soepele rijcomfort en de balans van de ophanging.
• Verbetert de stuurnauwkeurigheid en de feedback van de weg.
• Vermindert trillingen, lawaai en ruwheid.
• Gemaakt van hoogwaardige, corrosiebestendige materialen.
• Geschikt voor Porsche 911, 944, 968, Boxster, Cayman, Cayenne, Macan en Panamera modellen.
• Ideaal voor onderhoud, restauraties of verbeteringen aan de ophanging.
De Porsche-schokdemperonderdelen van Design911 combineren nauwkeurige techniek met stevigheid. Zo weet u zeker dat uw ophanging optimaal presteert, zowel in het dagelijkse verkeer als onder zware omstandigheden.
Hoogtepunten
• Premium Porsche schokdemperbevestigingen, lagers en kits.
• Ontworpen voor nauwkeurige pasvorm en dempingsefficiëntie.
• Vermindert trillingen, lawaai en slijtage van de ophanging.
• Ontworpen voor zowel comfort als prestaties.
• Compatibel met klassieke en moderne Porsche-modellen.
• Ideaal voor onderhoud, restauratie of het upgraden van voertuigen.