non premere il tasto di ritorno…
-
Parti del motore
-
- Componenti elettrici del motore Alternatore/generatore Batterie e caricabatterie Distributore Cappuccio distributore Bracci del rotore / serie di puntine Relè/fusibili Bobina di accensione Centraline di accensione Serie di cavi d'accensione Cavo di accensione ad alte prestazioni Motorini di avviamento tutte le categorie
-
- Parti di ricostruzione del motore Albero intermedio (IMS) Componenti del sistema dell'olio Parti del sistema di alimentazione del carburante Guarnizioni e set Guarnizione radiale/RMS/albero a camme/albero di bilanciamento Cinghie/tenditori/rulli Catene e tenditori Coperchi distribuzione e guarnizioni Cuscinetti/calotte del motore Valvole/guide/molle del motore Bilancieri Viti prigioniere del motore Supporti del motore Fasce elastiche dei pistoni Cilindri/camicie/pistoni del motore Biella Testata Albero a camme e parti Alberi a camme Ingranaggi/ruote dentate e fissaggi dell'albero a camme Parti del carter Albero a gomiti e parti tutte le categorie
-
Freni
-
- Freni Pastiglie dei freni e pacchetto dischi Pastiglie dei freni e pacchetto dischi SPORT Disco del freno standard Pastiglie dei freni standard Disco del freno SPORT Freni standard Brembo Freni Brembo Racing Freni TEXTAR Freni da gara PAGID Freni Zimmermann Freni a disco Wilwood Freni EBC Freni ad alte prestazioni Black Diamond Spessori anti-vibrazioni per pastiglie dei freni Bulloni della pinza / viti del disco Kit perni e piastre guida Tubi flessibili per freni ad alte prestazioni Tubi flessibili per freni standard Pinza e condotti del freno Pinze dei freni Aggiornamenti delle pinze dei freni Ganasce del freno a mano tutte le categorie
-
-
Sospensioni e sterzo
-
- Sospensione e assale Barra antirollio Boccole della barra antirollio Staffa della barra antirollio Giunti a sfera Stabilizzatori e boccole ANTERIORI Stabilizzatori e boccole POSTERIORI Ammortizzatori ANTERIORI Parti degli ammortizzatori ANTERIORI Ammortizzatori POSTERIORI Parti degli ammortizzatori POSTERIORI Bracci oscillanti ANTERIORI tutte le categorie
-
Trasmissione
-
- Cambio / trasmissione Kit frizione Kit frizione - alte prestazioni Piastra di attrito frizione Spingidisco frizione Cuscinetti di rilascio della frizione Cavi e parti della frizione Tubo di guida della frizione Forcelle e leve della frizione Bulloni della frizione Parti del cambio Alberi di trasmissione e parti Serie di guarnizioni del cambio Supporti del cambio Parti di controllo del cambio Volano/coppia Kit giunti omocinetici Cuffie e kit giunto omocinetico Albero cardanico / albero di trasmissione Parti della trasmissione Olio del cambio Coppa del cambio / coppa dell'olio Trasmissioni / cambi usati tutte le categorie
-
-
Raffreddamento e riscaldamento
-
- Riscaldamento/climatizzazione Condensatori ed essiccatori per climatizzazione Evaporatori dell'aria condizionata e valvole di espansione Tubi per climatizzazione Cinghie per climatizzazione Ventole e cappottature Compressori Alette del riscaldatore Motori e ventole per soffianti Soffianti del riscaldatore Tubi flessibili e tubi del riscaldatore Cavi del riscaldatore Bocchette di ventilazione / griglie Controllo della climatizzazione Alloggiamenti riscaldamento/climatizzazione
-
-
Elettrico e illuminazione
-
- Componenti elettrici e relè Pompe del carburante Interruttore luce di frenata Interruttore freno e frizione Interruttore di segnalazione pericolo Interruttore del freno a mano Interruttore della luce di retromarcia Interruttore dei fari Interruttore del finestrino Meccanismo del finestrino Motore del tergicristallo Clacson elettrico Unità di controllo SmartTop Interruttore di accensione Interruttore freccia / leva tergicristallo Interruttore tetto / tettuccio apribile Relè / fusibili Pompe/contenitori/getti per lavavetri Allarmi/sicurezza/chiusura centralizzata Centraline elettroniche Interruttori tergicristallo Parti e interruttori del cruscotto / della console Attivatori e motorini cofano / portello posteriore / spoiler tutte le categorie
-
- Illuminazione Fari per guida a destra Fari per guida a sinistra Parti e lenti dei fari Kit luci HID Indicatori di direzione anteriori Indicatori di direzione posteriori per guida a destra Indicatori di direzione posteriori per guida a sinistra Fari fendinebbia / di guida Ripetitori laterali Luci della targa Luci centrali / riflettori posteriori tutte le categorie
-
-
Corpo e scarico
-
- Telaio / Carrozzeria Restauro telaio / Riparazione pannelli Ammortizzatore del coperchio del cofano motore Ammortizzatore del portello del bagagliaio Cofani / serrature e chiavistelli Bagagliaio / portello posteriore / serrature e chiavistelli Portello posteriore / portellone Paraurti anteriori Paraurti posteriori Porte / serrature e chiavistelli Pannelli per porte | Cerniere | Piastre percussori Alzacristalli Parafanghi anteriori e parti Parafanghi posteriori e parti Pannelli sottoporta laterali Modanature esterne del telaio Specchietti e parti Pellicole/adesivi parasassi Sottoscocche telaio e motore Spazzole/bracci dei tergicristalli Bracci e spazzole tergicristallo posteriori Tetto - Cabrio / Targa / Coupé Scocca di protezione tutte le categorie
-
-
Scarichi
Silenziatori / Marmitte Sportivi
2 INGRESSI / 1 USCITA
Silenziatori di serie 2 INGRESSI / 1 USCITA
Silenziatori Sportivi 2 INGRESSI / 2 USCITE
Silenziatori di serie 2 INGRESSI / 2 USCITE
Silenziatori Sportivi Silenziatori/marmitte Collettore/collettori Terminali di scarico Scambiatori di calore Pacchetto di scarico Guarnizioni di scarico tutte le categorie
-
Scarichi
Silenziatori / Marmitte Sportivi
2 INGRESSI / 1 USCITA
-
-
Lubrificanti e fluidi
-
- Parti di ricambio Filtri dell'olio Filtri dell'aria Filtri antipolline/antiparticolato Filtri del carburante Cinghie di tutti i tipi Candele Candele IRIDIUM POWER Candele IRIDIUM RACING Bobine di accensione Spazzole/bracci dei tergicristalli Bracci e spazzole tergicristallo posteriori Parti di ricambio della scatola del cambio Olio motore Porsche Classic Olio motore e lubrificanti - Mobil Olio motore e lubrificanti - Total Olio motore e lubrificanti - Castrol Olio Motore e Lubrificanti - Motul Olio motore e lubrificanti - Millers Oils NanoDrive Olio motore e lubrificanti - Millers Oils Additivi per carburanti DPI per autofficina
-
-
Tutte le parti
-
- Parti Accessori Telaio / Carrozzeria Freni Abbigliamento e regali Componenti elettrici e relè Raffreddamento del motore Componenti elettrici del motore Parti di ricostruzione del motore Parti per alte prestazioni Scarichi Linea esterni / spoiler Cambio / trasmissione Riscaldamento/climatizzazione Componenti idraulici Interni e accessori Incar / multimedia Illuminazione Tappetini e tappeti Motorsport e fuoristrada Pedaliera Guarnizioni di gomma Sedili e cinture di sicurezza tutte le categorie
-
- Back to main website
Inserisci il tuo numero di partiva IVA qui e fai clic su Verifica:
Nessuna necessità di inserire la parte del numero di partita IVA relativa al codice del paese poiché questa è già stato selezionata nel predetto indirizzo di fatturazione.
I tuoi dati sono stati verificati. Numero di partita IVA registrato a:
,
.
Al tuo ordine sarà applicata un’aliquota pari a zero ai fini dell’IVA. Ci riserviamo il diritto di verificare questi dettagli dopo che la tua richiesta d’ordine è stata fatta e di reintegrare l’IVA se necessario.
I tuoi dati IVA non sono stati riconosciuti o non erano validi. Il tuo numero di partita IVA deve corrispondere al tuo paese di fatturazione come specificato sopra. Attualmente è specificato come . Non occorre inserire inserire la parte del numero di partita IVA relativa al codice del paese poiché questa è già stato selezionata nei dettagli del predetto indirizzo di fatturazione.
Il servizio di verifica della partita IVA è attualmente offline. Per favore fornisci i tuoi dati IVA all’interno dei commenti o nel campo delle istruzioni speciali sotto e noi applicheremo uno sconto IVA dopo aver fatto la richiesta d’ordine.
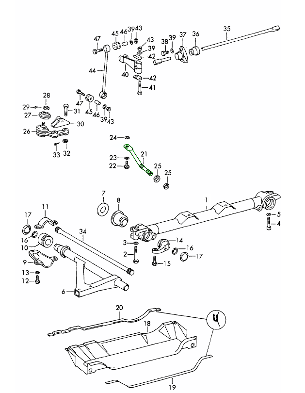
Traversa e parti
- Porsche 911 1965-1968 2.0L / 912 SWB (F)

Adatto a:
Porsche 911 2.0 01/63-07/67
Fare clic su "Ingrandisci" per visualizzare lo schema delle parti più grandi.
Riferimento diagramma n. 21
Numeri di riferimento correlati
Numeri correlati, sostituiti, riferimenti incrociati o alternativi per il confronto.
90134112901
Il prodotto che stai visualizzando fa riferimento a questi numeri
Traversa e componenti delle sospensioni Porsche | Componenti di precisione Design911 per resistenza, allineamento e stabilità
La traversa delle sospensioni, nota anche come telaio ausiliario o supporto delle sospensioni, è un componente strutturale che supporta gli elementi chiave del telaio della tua Porsche, inclusi i bracci delle sospensioni, la cremagliera dello sterzo e i supporti della trasmissione. Garantisce rigidità, allineamento e distribuzione del carico, garantendo che la geometria delle sospensioni rimanga costante in frenata, in curva e in accelerazione. Una traversa correttamente allineata e strutturalmente solida è essenziale per una maneggevolezza precisa, comfort e sicurezza.
Da Design911, forniamo una gamma completa di traverse per sospensioni, supporti e componenti correlati, progettati per garantire precisione, robustezza e resistenza alla corrosione. Realizzati in acciaio rinforzato o alluminio di alta qualità, questi componenti sono progettati per mantenere l'integrità del telaio e la precisione delle sospensioni. Ideali per riparazioni, restauri o miglioramenti delle prestazioni, le nostre traverse e i nostri componenti offrono una resistenza duratura e la stabilità che la tua Porsche merita.
A cosa servono le traverse delle sospensioni?
La traversa funge da struttura di supporto principale per il sistema di sospensione, mantenendo tutti i componenti critici correttamente allineati e montati in modo sicuro.
Funzioni principali:
• Supportare i bracci delle sospensioni inferiori, la cremagliera dello sterzo e la trasmissione.
• Mantenere la corretta geometria delle sospensioni per un allineamento accurato.
• Distribuire i carichi in modo uniforme sul telaio.
• Aumenta la rigidità torsionale per una migliore stabilità di guida.
• Ridurre le vibrazioni e il rumore isolando i componenti.
Una traversa robusta e integra garantisce che i sistemi di sospensioni e sterzo della tua Porsche funzionino insieme in modo impeccabile, per il massimo delle prestazioni e del comfort.
Perché le traverse e i componenti delle sospensioni si rompono o si degradano?
Nonostante la loro resistenza, le traverse sono soggette a stress, corrosione e affaticamento nel corso degli anni di guida, soprattutto in ambienti ad alte prestazioni o difficili.
Le cause più comuni di guasto includono:
• Corrosione causata da sale stradale, acqua o detriti.
• Danni da impatto causati da buche, marciapiedi o collisioni.
• Affaticamento o criccatura del metallo sotto stress estremo.
• Boccole o bulloni di montaggio usurati o danneggiati.
• Disallineamento causato da distorsione del telaio o riparazioni improprie.
Quando si verificano questi problemi, i conducenti possono notare scarsa maneggevolezza, usura irregolare degli pneumatici, rumori sordo o instabilità: tutti segnali che indicano la necessità di un'ispezione o di una sostituzione per mantenere la sicurezza e il controllo.
Perché sostituire o aggiornare la traversa delle sospensioni della tua Porsche?
La sostituzione di una traversa danneggiata o corrosa ripristina l'allineamento del telaio, la resistenza e le prestazioni delle sospensioni. Sostituzioni migliorate o di precisione garantiscono affidabilità a lungo termine, maggiore rigidità e caratteristiche di maneggevolezza migliorate.
Vantaggi principali:
• Ripristina la corretta geometria e allineamento delle sospensioni.
• Migliora la maneggevolezza, la sicurezza e la risposta dello sterzo.
• Riduce le vibrazioni e la flessione strutturale.
• Realizzato in acciaio o alluminio resistente alla corrosione.
• Adatto ai modelli Porsche 911, 944, 968, Boxster, Cayman, Cayenne, Macan e Panamera.
• Ideale per restauri, riparazioni strutturali o miglioramenti delle prestazioni.
Le traverse e i componenti delle sospensioni Porsche di Design911 uniscono ingegneria di precisione e durevolezza, garantendo che la tua Porsche rimanga robusta, bilanciata e reattiva a ogni guida.
Punti salienti
• Traverse, supporti e bulloni delle sospensioni Porsche di alta qualità.
• Costruzione in acciaio e lega ad alta resistenza.
• Progettato con precisione per allineamento e rigidità.
• Migliora la geometria delle sospensioni e l'equilibrio del veicolo.
• Adatto sia ai modelli Porsche classici che a quelli moderni.
• Perfetto per il restauro, la manutenzione o la messa a punto delle prestazioni.
-
Barra antirollio
-
Boccole della barra antirollio
-
Staffa della barra antirollio
-
Giunti a sfera
-
Stabilizzatori e boccole ANTERIORI
-
Stabilizzatori e boccole POSTERIORI
-
Ammortizzatori ANTERIORI
-
Parti degli ammortizzatori ANTERIORI
-
Ammortizzatori POSTERIORI
-
Parti degli ammortizzatori POSTERIORI
-
Bracci oscillanti ANTERIORI
-
Braccio oscillante POSTERIORE
-
Cuscinetti e kit per ruote
-
Dado del mozzo
-
Forcelle e boccole
-
Barra di torsione
-
Piattello a molla
-
Braccio longitudinale posteriore
-
Mozzo ruota / supporto
-
Boccole in poliuretano SuperPro
-
Powerflex Heritage Collection
-
Boccole Powerflex Black Series
-
Boccole in poliuretano Powerflex
Lunedì-venerdì: 8.30-17.30 (GMT) Sabato: chiuso Domenica: chiuso