non premere il tasto di ritorno…
-
Parti del motore
-
- Componenti elettrici del motore Alternatore/generatore Batterie e caricabatterie Distributore Cappuccio distributore Bracci del rotore / serie di puntine Relè/fusibili Bobina di accensione Centraline di accensione Serie di cavi d'accensione Cavo di accensione ad alte prestazioni Motorini di avviamento tutte le categorie
-
- Parti di ricostruzione del motore Albero intermedio (IMS) Componenti del sistema dell'olio Parti del sistema di alimentazione del carburante Guarnizioni e set Guarnizione radiale/RMS/albero a camme/albero di bilanciamento Cinghie/tenditori/rulli Catene e tenditori Coperchi distribuzione e guarnizioni Cuscinetti/calotte del motore Valvole/guide/molle del motore Bilancieri Viti prigioniere del motore Supporti del motore Fasce elastiche dei pistoni Cilindri/camicie/pistoni del motore Biella Testata Albero a camme e parti Alberi a camme Ingranaggi/ruote dentate e fissaggi dell'albero a camme Parti del carter Albero a gomiti e parti tutte le categorie
-
Freni
-
- Freni Pastiglie dei freni e pacchetto dischi Pastiglie dei freni e pacchetto dischi SPORT Disco del freno standard Pastiglie dei freni standard Freni standard Brembo Freni Brembo Racing Freni TEXTAR Freni da gara PAGID Freni Zimmermann Freni a disco Wilwood Freni EBC Freni ad alte prestazioni Black Diamond Spessori anti-vibrazioni per pastiglie dei freni Bulloni della pinza / viti del disco Kit perni e piastre guida Tubi flessibili per freni ad alte prestazioni Tubi flessibili per freni standard Pinza e condotti del freno Pinze dei freni Aggiornamenti delle pinze dei freni Ganasce del freno a mano Cavi del freno a mano tutte le categorie
-
-
Sospensioni e sterzo
-
- Sospensione e assale Barra antirollio Boccole della barra antirollio Staffa della barra antirollio Giunti a sfera Stabilizzatori e boccole ANTERIORI Stabilizzatori e boccole POSTERIORI Ammortizzatori ANTERIORI Parti degli ammortizzatori ANTERIORI Ammortizzatori POSTERIORI Parti degli ammortizzatori POSTERIORI Molle elicoidali POSTERIORI tutte le categorie
-
Trasmissione
-
- Cambio / trasmissione Kit frizione Kit frizione - alte prestazioni Piastra di attrito frizione Spingidisco frizione Cuscinetti di rilascio della frizione Cavi e parti della frizione Tubo di guida della frizione Forcelle e leve della frizione Bulloni della frizione Parti del cambio Alberi di trasmissione e parti Serie di guarnizioni del cambio Supporti del cambio Parti di controllo del cambio Volano/coppia Kit giunti omocinetici Cuffie e kit giunto omocinetico Albero cardanico / albero di trasmissione Parti della trasmissione Olio del cambio Coppa del cambio / coppa dell'olio Differenziale tutte le categorie
-
- Raffreddamento e riscaldamento
-
Elettrico e illuminazione
-
- Componenti elettrici e relè Pompe del carburante Interruttore luce di frenata Interruttore freno e frizione Interruttore del finestrino Meccanismo del finestrino Clacson elettrico Interruttore di accensione Interruttore freccia / leva tergicristallo Relè / fusibili Pompe/contenitori/getti per lavavetri Allarmi/sicurezza/chiusura centralizzata Centraline elettroniche Interruttori tergicristallo Parti e interruttori del cruscotto / della console Localizzatore Alloggiamento connettori Cablaggio
-
- Illuminazione Fari per guida a sinistra Parti e lenti dei fari Indicatori di direzione anteriori Indicatori di direzione posteriori per guida a destra Indicatori di direzione posteriori per guida a sinistra Fari fendinebbia / di guida Ripetitori laterali Luci della targa Luci per interni/abitacolo Lampadine Lampadine a LED SMD tutte le categorie
-
-
Corpo e scarico
-
- Telaio / Carrozzeria Restauro telaio / Riparazione pannelli Cofani / serrature e chiavistelli Bagagliaio / portello posteriore / serrature e chiavistelli Paraurti anteriori Paraurti posteriori Porte / serrature e chiavistelli Pannelli per porte | Cerniere | Piastre percussori Alzacristalli Parafanghi anteriori e parti Parafanghi posteriori e parti Pannelli sottoporta laterali Modanature esterne del telaio Specchietti e parti Pellicole/adesivi parasassi Sottoscocche telaio e motore Spazzole/bracci dei tergicristalli Rivestimenti e coperture dei passaruota Tetto - Cabrio / Targa / Coupé Scocca di protezione Insonorizzazione Parabrezza Lunotto tutte le categorie
-
-
Scarichi
Silenziatori / Marmitte Sportivi
1 INGRESSO / 1 USCITA
Silenziatori di serie 2 INGRESSI / 1 USCITA
Silenziatori di serie 2 INGRESSI / 2 USCITE
Silenziatori di serie 2 INGRESSI / 2 USCITE
Silenziatori Sportivi Silenziatori/marmitte Collettore/collettori Terminali di scarico Scambiatori di calore Guarnizioni di scarico Dadi/bulloni/prigionieri di scarico tutte le categorie
-
Scarichi
Silenziatori / Marmitte Sportivi
1 INGRESSO / 1 USCITA
-
-
Lubrificanti e fluidi
-
- Parti di ricambio Filtri dell'olio Filtri dell'aria Filtri del carburante Cinghie di tutti i tipi Candele Candele IRIDIUM POWER Candele IRIDIUM RACING Bobine di accensione Spazzole/bracci dei tergicristalli Bracci e spazzole tergicristallo posteriori Parti di ricambio della scatola del cambio Olio motore Porsche Classic Olio motore e lubrificanti - Mobil Olio motore e lubrificanti - Total Olio motore e lubrificanti - Castrol Olio Motore e Lubrificanti - Motul Olio motore e lubrificanti - Millers Oils NanoDrive Olio motore e lubrificanti - Millers Oils Additivi per carburanti Olio per servosterzo DPI per autofficina
-
-
Tutte le parti
-
- Parti Accessori Telaio / Carrozzeria Freni Abbigliamento e regali Componenti elettrici e relè Raffreddamento del motore Componenti elettrici del motore Parti di ricostruzione del motore Parti per alte prestazioni Scarichi Linea esterni / spoiler Cambio / trasmissione Riscaldamento/climatizzazione Componenti idraulici Interni e accessori Incar / multimedia Illuminazione Tappetini e tappeti Motorsport e fuoristrada Pedaliera Guarnizioni di gomma Sedili e cinture di sicurezza tutte le categorie
-
- Back to main website
Inserisci il tuo numero di partiva IVA qui e fai clic su Verifica:
Nessuna necessità di inserire la parte del numero di partita IVA relativa al codice del paese poiché questa è già stato selezionata nel predetto indirizzo di fatturazione.
I tuoi dati sono stati verificati. Numero di partita IVA registrato a:
,
.
Al tuo ordine sarà applicata un’aliquota pari a zero ai fini dell’IVA. Ci riserviamo il diritto di verificare questi dettagli dopo che la tua richiesta d’ordine è stata fatta e di reintegrare l’IVA se necessario.
I tuoi dati IVA non sono stati riconosciuti o non erano validi. Il tuo numero di partita IVA deve corrispondere al tuo paese di fatturazione come specificato sopra. Attualmente è specificato come . Non occorre inserire inserire la parte del numero di partita IVA relativa al codice del paese poiché questa è già stato selezionata nei dettagli del predetto indirizzo di fatturazione.
Il servizio di verifica della partita IVA è attualmente offline. Per favore fornisci i tuoi dati IVA all’interno dei commenti o nel campo delle istruzioni speciali sotto e noi applicheremo uno sconto IVA dopo aver fatto la richiesta d’ordine.
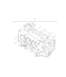
Basamento, magnesio. Porsche 911 2.0L / 2.2L 68-71 ❭ 90110100146
- Porsche 911 1965-1968 2.0L / 912 SWB (F)
- Porsche 911 1968-1973 2.2L / 2.4L / 2.7L RS LWB (F)
Il basamento in magnesio con ugelli a testa di pistone per tutti i primi modelli 911 con motori da 2,0 o 2,2 litri.

Si adatta:
Porsche 911 2.0L / 2.2L 1968 - 1971
Numeri di riferimento correlati
Numeri correlati, sostituiti, riferimenti incrociati o alternativi per il confronto.
90110100146
Il prodotto che stai visualizzando fa riferimento a questi numeri
- Porsche 911 1968-1973 2.2L / 2.4L / 2.7L RS LWB (F)
- Porsche 911 1974-1977 2.7L / 1976-77 3.0 Carrera
- Porsche 911 1978-1983 3.0L / SC
- Porsche 911 1984-1986 3.2L
- Porsche 911 1987-1989 3.2L G50
- Porsche 911 1975-1977 3.0L Turbo (930)
- Porsche 911 1978-1989 3.3L Turbo (930)
- Porsche 914 (1970-1976)

Si adatta:
Porsche 911 1970-89
Porsche 911 (930) Turbo 1975-89
Porsche 914 1970-76
Fai clic su "Ingrandisci" per il diagramma delle parti di grandi dimensioni.
Diagramma rif. 37
Numeri di riferimento correlati
Numeri correlati, sostituiti, riferimenti incrociati o alternativi per il confronto.
93010776500
Il prodotto che stai visualizzando fa riferimento a questi numeri
- Porsche 911 1965-1968 2.0L / 912 SWB (F)
- Porsche 911 1968-1973 2.2L / 2.4L / 2.7L RS LWB (F)
- Porsche 911 1974-1977 2.7L / 1976-77 3.0 Carrera
- Porsche 911 1978-1983 3.0L / SC
- Porsche 911 1975-1977 3.0L Turbo (930)
- Porsche 914 (1970-1976)
È progettato per sostituire direttamente la piastra della coppa dell'olio originale nel sistema di lubrificazione del motore dei modelli Porsche classici, garantendo un allineamento preciso e la compatibilità con gli altri componenti del sistema di lubrificazione.
Adatto a:
Porsche 911 1969 - 1983
Porsche 914 1970 - 1976
Schema rif. n. 36
La piastra di base costituisce la base della coppa dell'olio del motore, contribuendo a contenere e convogliare l'olio che ha attraversato il motore prima di essere nuovamente aspirato dalla pompa dell'olio. Contribuisce alla corretta ritenzione, distribuzione e supporto strutturale dell'olio per la parte inferiore del sistema di lubrificazione del motore. Senza questa piastra, l'olio potrebbe fuoriuscire o non essere distribuito in modo affidabile ai componenti interni del motore.
Installata nella parte inferiore del monoblocco motore, la piastra della coppa dell'olio supporta o sostituisce la superficie metallica originale che cattura l'olio che ritorna nella coppa e spesso integra o supporta funzionalità come la predisposizione per il tappo di scarico dell'olio (a seconda della variante). Garantisce che il sistema di lubrificazione del motore mantenga la corretta capacità e l'integrità della tenuta, prevenendo perdite e contribuendo a mantenere un flusso d'olio stabile in una vasta gamma di condizioni operative.
La piastra della coppa dell'olio svolge un ruolo fondamentale nel sistema di lubrificazione del motore. Nel tempo, le piastre originali possono danneggiarsi a causa di corrosione, urti o usura e potrebbero non garantire la tenuta ottimale. Una piastra della coppa dell'olio compromessa può causare:
• Perdite d'olio nella parte inferiore del motore
• Capacità dell'olio ridotta o ritorno dell'olio scarso
• Aumento del rischio di usura o danni al motore dovuti a lubrificazione insufficiente.
La sostituzione garantisce il corretto contenimento dell'olio e l'integrità del sistema, contribuendo a preservare l'affidabilità e a mantenere il motore Porsche classico efficiente come previsto.
Sostituire la piastra di raccolta se si nota:
• Perdite d'olio visibili sotto il motore
• Una coppa o una piastra piegata, corrosa o danneggiata
• Durante la revisione del motore o la manutenzione del sistema dell'olio
• Quando si pianifica l'affidabilità a lungo termine per il restauro classico
• Se la piastra originale non sigilla correttamente
Numeri di riferimento correlati
Numeri correlati, sostituiti, riferimenti incrociati o alternativi per il confronto.
93010190200
Il prodotto che stai visualizzando fa riferimento a questi numeri
- Porsche 911 1965-1968 2.0L / 912 SWB (F)
- Porsche 911 1968-1973 2.2L / 2.4L / 2.7L RS LWB (F)
- Porsche 911 1974-1977 2.7L / 1976-77 3.0 Carrera
- Porsche 911 1978-1983 3.0L / SC
- Porsche 914 (1970-1976)
Progetto originale del primo prodotto con foro per tappo di scarico

Adatto a:
Porsche 911 1965-83
Fare clic su "Ingrandisci" per visualizzare lo schema delle parti più grandi.
Diagramma rif. n. 36
Numeri di riferimento correlati
Numeri correlati, sostituiti, riferimenti incrociati o alternativi per il confronto.
90110138600
Il prodotto che stai visualizzando fa riferimento a questi numeri
Lunedì-venerdì: 8.30-17.30 (GMT) Sabato: chiuso Domenica: chiuso