Introduzca aquí su número de identificación fiscal (NIF o VAT number) y haga clic en Verificar:
No necesita incluir el código de país de su NIF, dado que ya lo ha indicado antes en su dirección de facturación.
Se han verificado sus datos. NIF registrado a nombre de:
###NUEVO MÉJICO###,
.
Su pedido cuenta ahora con una tasa cero a efectos de IVA. Nos reservamos el derecho a verificar estos datos después de que haya solicitado su pedido y a restablecer el IVA si fuese necesario.
Sus datos de identificación fiscal no han sido reconocidos o no son válidos. Su NIF debe coincidir con el país de facturación que especificó anteriormente. Actualmente se ha especificado como . No necesita incluir el código de país de su NIF, do que ya lo ha indicado antes en los datos de su dirección de facturación.
El servicio de verificación de NIF no está disponible en este momento. Le rogamos que indique sus datos del NIF en los comentarios e en el cuadro de instrucciones especiales que encontrará abajo y le aplicaremos un descuento en el IVA tras realizar su solicitud de pedido.
Mangueras / Tuberías / Mangas
- Porsche 924 2.0L 1976-79
- Porsche 924 2.0L 1980-85
- Porsche 924 Turbo 2.0L 1979-81
- Porsche 924 Turbo 2.0L 1982-84
- Porsche 924 Carrera GT 2.0L 1981
- Porsche 924 Carrera GTS 2.0L 1982

Encaja:
Porsche 924 1976-85
Haga clic en 'Acercar' para ver el diagrama de piezas grandes.
Diagrama ref no 14
Números de referencia relacionados
Números relacionados, reemplazados, de referencia cruzada o alternativos para comparación.
047133367E
El producto que está viendo hace referencia cruzada a estos números
- Porsche 911 1975-1977 3.0L Turbo (930)
- Porsche 911 1978-1989 3.3L Turbo (930)
- Porsche 964 (911) TURBO 3.3L 1991-93
- Porsche 964 (911) TURBO 3.6L 1991-93
- Porsche 924 Turbo 2.0L 1979-81
- Porsche 924 Turbo 2.0L 1982-84
- Porsche 924 Carrera GT 2.0L 1981
- Porsche 924 Carrera GTS 2.0L 1982
Manguera de aire del colector al limitador de vacío – 15 x 24 mm
Se vende por metro
Manguera de aire de alta calidad para la conexión entre el colector y el limitador de vacío, diseñada para los modelos Porsche 911 Turbo, 964 Turbo y 924 Turbo. Se suministra por metro para un ajuste preciso y una instalación flexible.
Se adapta a:
- Porsche 911 1975-1977 3.0L Turbo (930)
- Porsche 911 1978-1989 3.3L Turbo (930)
- Porsche 964 (911) TURBO 3.3L 1991-93
- Porsche 964 (911) TURBO 3.6L 1991-93
- Porsche 924 Turbo 2.0L 1979-81
- Porsche 924 Turbo 2.0L 1982-84
- Porsche 924 Carrera GT 2.0L 1981
- Porsche 924 Carrera GTS 2.0L 1982
Diagrama ref. n.º 39
Esta manguera conecta el colector de admisión con el limitador de vacío, desempeñando un papel fundamental en la regulación de la presión de vacío dentro del sistema turbo. Un control adecuado del vacío es esencial para mantener la estabilidad de la presión de sobrealimentación, la eficiencia del motor y la facilidad de conducción en general en los motores turboalimentados de Porsche.
Fabricada según las especificaciones del fabricante original, esta manguera garantiza durabilidad, flexibilidad y resistencia al calor y la presión, lo que la hace ideal para el mantenimiento, la reparación o la restauración de los sistemas de vacío de los turbocompresores Porsche.
Características principales
• Manguera del colector al limitador de vacío
• Apto para Porsche 911 Turbo, 964 Turbo y 924 Turbo.
• Número de pieza 99923900740
• Diseñado para sistemas de control de vacío y sobrealimentación de turbocompresores.
• Se vende por metro para aplicaciones de longitud personalizada.
• Resistente al calor y a la presión
• Construcción flexible y duradera
• Ajuste y rendimiento al estilo OEM
Función y propósito
Esta manguera es un componente vital dentro del sistema de vacío del turbocompresor.
Ayuda a:
• Conecte el colector de admisión al limitador de vacío.
• Regular la presión de vacío dentro del sistema turbo.
• Contribuye al control de la sobrealimentación y a la estabilidad del motor.
• Evitar fugas de vacío que afecten al rendimiento
• Garantizar el funcionamiento eficiente del turbocompresor
¿Por qué reemplazar las mangueras de vacío?
Las mangueras de vacío turbo funcionan en condiciones exigentes.
Los problemas comunes incluyen:
• Agrietamiento o división
• Fugas de vacío que reducen el control de la presión de sobrealimentación.
• Endurecimiento y reducción de la flexibilidad
• Rendimiento inconsistente del motor
La sustitución de las mangueras desgastadas restablece la correcta regulación del vacío y la eficiencia del motor.
Números de referencia relacionados
Números relacionados, reemplazados, de referencia cruzada o alternativos para comparación.
99923900740
El producto que está viendo hace referencia cruzada a estos números
- Porsche 924S 2.5L 1986-87
- Porsche 924S 2.5L 1988
- Porsche 944 2.5L 8V 1982-87
- Porsche 944 2.7L 8V 1988-89
- Porsche 944S 2.5L 16V 1987-88

Encaja:
Porsche 924 S 1986-88
Porsche 944 1982-85
Porsche 944.2 2.5L 1985-88 (no turbo)
Porsche 944.2 2.7L 1988-89
Haga clic en 'Acercar' para ver el diagrama de piezas grandes.
Diagrama ref no 6
Números de referencia relacionados
Números relacionados, reemplazados, de referencia cruzada o alternativos para comparación.
94411035804
El producto que está viendo hace referencia cruzada a estos números
- Porsche 924 2.0L 1976-79
- Porsche 924 2.0L 1980-85
- Porsche 924 Turbo 2.0L 1979-81
- Porsche 924 Turbo 2.0L 1982-84
- Porsche 924 Carrera GT 2.0L 1981
- Porsche 924 Carrera GTS 2.0L 1982
- Porsche 924S 2.5L 1986-87
- Porsche 924S 2.5L 1988
- Porsche 944 2.5L 8V 1982-87
Manguera de ventilación - 15 x 2,5 mm
Se vende por metro
Manguera de ventilación de alta calidad con dimensiones de 15 x 2,5 mm, diseñada para los modelos Porsche 924, 924S y 944.
Esta manguera versátil se utiliza en múltiples sistemas, incluyendo respiraderos de tanques de combustible, respiraderos de aceite y respiraderos de entrada, lo que la convierte en un componente esencial para mantener una ventilación adecuada y un equilibrio de presión dentro del motor y los sistemas de combustible.
Se adapta a:
- Porsche 924 2.0L 1976-79
- Porsche 924 2.0L 1980-85
- Porsche 924 Turbo 2.0L 1979-81
- Porsche 924 Turbo 2.0L 1982-84
- Porsche 924 Carrera GT 2.0L 1981
- Porsche 924 Carrera GTS 2.0L 1982
- Porsche 924S 2.5L 1986-87
- Porsche 924S 2.5L 1988
- Porsche 944 2.5L 8V 1982-85
Diagrama ref. n.º 6
Diseñada según las especificaciones del fabricante original, esta manguera ofrece durabilidad, flexibilidad y resistencia al calor, al aceite y a los vapores de combustible, garantizando un rendimiento fiable en entornos exigentes del compartimento del motor. Ideal para el mantenimiento, la reparación o la restauración de modelos clásicos de Porsche.
Características principales
• Especificación de manguera de ventilación de 15 x 2,5 mm
• Apto para Porsche 924, 924S y 944
• Número de pieza N0203631
• Uso múltiple: sistema de tanque de combustible, aceite y sistema de ventilación de entrada.
• Resistente al calor, al aceite y a los vapores de combustible.
• Construcción flexible y duradera
• Ajuste y rendimiento al estilo OEM
Función y propósito
Esta manguera de ventilación cumple múltiples funciones de ventilación en todo el vehículo.
Ayuda a:
• Ventile los vapores del tanque de combustible de forma segura
• Regular la presión en los sistemas de ventilación de aceite
• Mantener el flujo de aire dentro de los sistemas de entrada.
• Evitar la acumulación de presión en componentes críticos
• Favorece el funcionamiento eficiente del motor y del sistema de combustible.
¿Por qué reemplazar las mangueras de ventilación?
Las mangueras de ventilación están expuestas al calor, al aceite y a los vapores, lo que provoca su desgaste con el tiempo.
Los problemas comunes incluyen:
• Agrietamiento o división
• Fugas de aceite o vapor
• Endurecimiento y pérdida de flexibilidad
• Reducción de la eficiencia de la ventilación
La sustitución de las mangueras desgastadas garantiza el correcto equilibrio del sistema y previene problemas de rendimiento.
Números de referencia relacionados
Números relacionados, reemplazados, de referencia cruzada o alternativos para comparación.
N0203631
El producto que está viendo hace referencia cruzada a estos números
- Porsche 964 (911) C2 1989-93
- Porsche 964 (911) C4 1989-93
- Porsche 964 (911) RS 3.6L 1991-93
- Porsche 964 (911) RS 3.8L 1991-93
- Porsche 993 (911) C2 1994-97
- Porsche 993 (911) C4 1994-97
- Porsche 993 (911) RS 1994-97
- Porsche 993 (911) C2S 1994-97
- Porsche 993 (911) C4S 1994-97
- Porsche 993 (911) TURBO 1994-96
- Porsche 993 (911) GT2 1994-97
- Porsche 993 (911) TURBO S 1994-97
- Porsche 924S 2.5L 1986-87
- Porsche 924S 2.5L 1988
- Porsche 944 2.5L 8V 1982-87
- Porsche 944 2.7L 8V 1988-89
- Porsche 944S 2.5L 16V 1987-88
- Porsche 944S2 3.0L 16V 1989-91
- Porsche 944 Turbo 2.5L 8V 1985-88
- Porsche 944 Turbo 2.5L 8V 1989-91
- Porsche 944 Turbo S 2.5L 8V 1988
- Porsche 928S4 5.0L 1987-92
- Porsche 928GT 5.0L 1989-91
- Porsche 928GTS 5.4L 1992-95
Abrazadera D1 20x15 – Abrazadera multiposición
Abrazadera D1 de alta calidad de 20x15 mm diseñada para fijar diversos componentes en los modelos Porsche 924S, 944, 928, 964 y 993.
Esta versátil abrazadera se utiliza en múltiples aplicaciones, incluyendo cables de apertura del capó (924S / 944), mangueras del depósito de expansión (944), mazo de cables del motor (928 S4), mangueras de vacío de inyección (964) y conexiones del depósito de freno (993).
Se adapta a:
- Porsche 964 (911) C2 1989-93
- Porsche 964 (911) C4 1989-93
- Porsche 964 (911) RS 3.6L 1991-93
- Porsche 964 (911) RS 3.8L 1991-93
- Porsche 993 (911) C2 1994-97
- Porsche 993 (911) C4 1994-97
- Porsche 993 (911) RS 1994-97
- Porsche 993 (911) C2S 1994-97
- Porsche 993 (911) C4S 1994-97
- Porsche 993 (911) TURBO 1994-96
- Porsche 993 (911) GT2 1994-97
- Porsche 993 (911) TURBO S 1994-97
- Porsche 924S 2.5L 1986-87
- Porsche 924S 2.5L 1988
- Porsche 944 2.5L 8V 1982-87
- Porsche 944 2.7L 8V 1988-89
- Porsche 944S 2.5L 16V 1987-88
- Porsche 944S2 3.0L 16V 1989-91
- Porsche 944 Turbo 2.5L 8V 1985-88
- Porsche 944 Turbo 2.5L 8V 1989-91
- Porsche 944 Turbo S 2.5L 8V 1988
- Porsche 928S4 5.0L 1987-92
- Porsche 928GT 5.0L 1989-91
- Porsche 928GTS 5.4L 1992-95
Diagrama ref. n.º 24
Fabricada según las especificaciones del fabricante original, esta abrazadera garantiza una fijación segura, durabilidad y resistencia a la corrosión. Se suministra individualmente y es ideal para el mantenimiento, la reparación o la restauración de diversos sistemas Porsche.
Características principales
• Tamaño de la abrazadera D1 20x15
• Apto para Porsche 964S, 944, 928, 964 y 993
• Número de pieza 99951117701
• Multiusos: cables, mangueras, mazos de cables, líneas de vacío
• Garantiza un montaje y enrutamiento seguros.
• Previene el desgaste y el movimiento relacionados con las vibraciones.
• Construcción duradera y resistente a la corrosión
• Ajuste y rendimiento al estilo OEM
• Se venden por unidad
Función y propósito
Esta abrazadera está diseñada para sujetar una amplia gama de componentes.
Ayuda a:
• Sujeta los cables, mangueras y mazos de cables en su lugar.
• Mantener el enrutamiento y la alineación correctos.
• Previene el desgaste o los daños relacionados con las vibraciones.
• Proteja los sistemas sensibles, como el cableado y las líneas de vacío.
• Garantizar la fiabilidad a largo plazo en múltiples sistemas.
¿Por qué reemplazar las abrazaderas?
Las abrazaderas pueden deteriorarse con el tiempo debido al calor y la exposición ambiental.
Los problemas comunes incluyen:
• Pérdida de fuerza de sujeción
• Corrosión o fatiga
• Movimiento de mangueras, cables o cableado
• Mayor riesgo de desgaste o fallo del sistema
Sustituir las abrazaderas desgastadas garantiza una sujeción adecuada y protege los componentes críticos.
Números de referencia relacionados
Números relacionados, reemplazados, de referencia cruzada o alternativos para comparación.
99951117701
El producto que está viendo hace referencia cruzada a estos números
- Porsche 964 (911) C2 1989-93
- Porsche 964 (911) C4 1989-93
- Porsche 964 (911) RS 3.6L 1991-93
- Porsche 964 (911) RS 3.8L 1991-93
- Porsche 993 (911) C2 1994-97
- Porsche 993 (911) C4 1994-97
- Porsche 993 (911) RS 1994-97
- Porsche 993 (911) C2S 1994-97
- Porsche 993 (911) C4S 1994-97
- Porsche 993 (911) TURBO 1994-96
- Porsche 993 (911) GT2 1994-97
- Porsche 993 (911) TURBO S 1994-97
- Porsche 924S 2.5L 1986-87
- Porsche 924S 2.5L 1988
- Porsche 944 2.5L 8V 1982-87
- Porsche 944 2.7L 8V 1988-89
- Porsche 944S 2.5L 16V 1987-88
- Porsche 944S2 3.0L 16V 1989-91
- Porsche 944 Turbo 2.5L 8V 1985-88
- Porsche 944 Turbo 2.5L 8V 1989-91
- Porsche 944 Turbo S 2.5L 8V 1988
- Porsche 928S4 5.0L 1987-92
- Porsche 928GT 5.0L 1989-91
- Porsche 928GTS 5.4L 1992-95
Abrazadera D1 20x15 – Abrazadera multiposición
Abrazadera D1 de alta calidad de 20x15 mm diseñada para fijar diversos componentes en los modelos Porsche 924S, 944, 928, 964 y 993.
Esta versátil abrazadera se utiliza en múltiples aplicaciones, incluyendo cables de apertura del capó (924S / 944), mangueras del depósito de expansión (944), mazo de cables del motor (928 S4), mangueras de vacío de inyección (964) y conexiones del depósito de freno (993).
Se adapta a:
- Porsche 964 (911) C2 1989-93
- Porsche 964 (911) C4 1989-93
- Porsche 964 (911) RS 3.6L 1991-93
- Porsche 964 (911) RS 3.8L 1991-93
- Porsche 993 (911) C2 1994-97
- Porsche 993 (911) C4 1994-97
- Porsche 993 (911) RS 1994-97
- Porsche 993 (911) C2S 1994-97
- Porsche 993 (911) C4S 1994-97
- Porsche 993 (911) TURBO 1994-96
- Porsche 993 (911) GT2 1994-97
- Porsche 993 (911) TURBO S 1994-97
- Porsche 924S 2.5L 1986-87
- Porsche 924S 2.5L 1988
- Porsche 944 2.5L 8V 1982-87
- Porsche 944 2.7L 8V 1988-89
- Porsche 944S 2.5L 16V 1987-88
- Porsche 944S2 3.0L 16V 1989-91
- Porsche 944 Turbo 2.5L 8V 1985-88
- Porsche 944 Turbo 2.5L 8V 1989-91
- Porsche 944 Turbo S 2.5L 8V 1988
- Porsche 928S4 5.0L 1987-92
- Porsche 928GT 5.0L 1989-91
- Porsche 928GTS 5.4L 1992-95
Diagrama ref. n.º 24
Fabricada según las especificaciones del fabricante original, esta abrazadera garantiza una fijación segura, durabilidad y resistencia a la corrosión. Se suministra individualmente y es ideal para el mantenimiento, la reparación o la restauración de diversos sistemas Porsche.
Características principales
• Tamaño de la abrazadera D1 20x15
• Apto para Porsche 964S, 944, 928, 964 y 993
• Número de pieza 99951117701
• Multiusos: cables, mangueras, mazos de cables, líneas de vacío
• Garantiza un montaje y enrutamiento seguros.
• Previene el desgaste y el movimiento relacionados con las vibraciones.
• Construcción duradera y resistente a la corrosión
• Ajuste y rendimiento al estilo OEM
• Se venden por unidad
Función y propósito
Esta abrazadera está diseñada para sujetar una amplia gama de componentes.
Ayuda a:
• Sujeta los cables, mangueras y mazos de cables en su lugar.
• Mantener el enrutamiento y la alineación correctos.
• Previene el desgaste o los daños relacionados con las vibraciones.
• Proteja los sistemas sensibles, como el cableado y las líneas de vacío.
• Garantizar la fiabilidad a largo plazo en múltiples sistemas.
¿Por qué reemplazar las abrazaderas?
Las abrazaderas pueden deteriorarse con el tiempo debido al calor y la exposición ambiental.
Los problemas comunes incluyen:
• Pérdida de fuerza de sujeción
• Corrosión o fatiga
• Movimiento de mangueras, cables o cableado
• Mayor riesgo de desgaste o fallo del sistema
Sustituir las abrazaderas desgastadas garantiza una sujeción adecuada y protege los componentes críticos.
Números de referencia relacionados
Números relacionados, reemplazados, de referencia cruzada o alternativos para comparación.
99951117701
El producto que está viendo hace referencia cruzada a estos números
- Porsche 911 1984-1986 3.2L
- Porsche 911 1987-1989 3.2L G50
- Porsche 911 1978-1989 3.3L Turbo (930)
- Porsche 964 (911) C2 1989-93
- Porsche 964 (911) C4 1989-93
- Porsche 964 (911) RS 3.6L 1991-93
- Porsche 964 (911) RS 3.8L 1991-93
- Porsche 964 (911) TURBO 3.3L 1991-93
- Porsche 964 (911) TURBO 3.6L 1991-93
- Porsche 924S 2.5L 1986-87
- Porsche 924S 2.5L 1988
- Porsche 944 2.5L 8V 1982-87
- Porsche 944 2.7L 8V 1988-89
- Porsche 944S 2.5L 16V 1987-88
- Porsche 944S2 3.0L 16V 1989-91
- Porsche 944 Turbo 2.5L 8V 1985-88
- Porsche 944 Turbo 2.5L 8V 1989-91
- Porsche 944 Turbo S 2.5L 8V 1988
- Porsche 968 3.0L 1992-94
- Porsche 968 Sport 3.0L 1994-95
- Porsche 968 CS 3.0L 1993-95
- Porsche 968 Turbo S 3.0L 1993-94
- Porsche 928S2 4.7L 1984-86
Pieza en Y de distribución para manguera de vacío – Divisor de línea de vacío de 4 mm
Se venden por unidad; se utilizan en varios lugares.
Conector en Y de alta calidad para la distribución de mangueras de vacío, diseñado para una amplia gama de modelos Porsche, incluidos 911, 964, 924S, 944, 968 y 928.
Este divisor en Y permite dividir una única fuente de vacío en dos salidas, facilitando así el enrutamiento y la conexión eficientes de las líneas de vacío dentro del compartimento del motor o del sistema de climatización. Está diseñado específicamente para mangueras de vacío con un diámetro exterior de 4 mm, lo que garantiza un ajuste seguro y preciso.
Se adapta a:
- Porsche 911 1984-1986 3.2L
- Porsche 911 1987-1989 3.2L G50
- Porsche 911 1978-1989 3.3L Turbo (930)
- Porsche 964 (911) C2 1989-93
- Porsche 964 (911) C4 1989-93
- Porsche 964 (911) RS 3.6L 1991-93
- Porsche 964 (911) RS 3.8L 1991-93
- Porsche 964 (911) TURBO 3.3L 1991-93
- Porsche 964 (911) TURBO 3.6L 1991-93
- Porsche 924S 2.5L 1986-87
- Porsche 924S 2.5L 1988
- Porsche 944 2.5L 8V 1982-87
- Porsche 944 2.7L 8V 1988-89
- Porsche 944S 2.5L 16V 1987-88
- Porsche 944S2 3.0L 16V 1989-91
- Porsche 944 Turbo 2.5L 8V 1985-88
- Porsche 944 Turbo 2.5L 8V 1989-91
- Porsche 944 Turbo S 2.5L 8V 1988
- Porsche 968 3.0L 1992-94
- Porsche 968 deporte 3.0L 1994-95
- Porsche 968 CS 3.0L 1993-95
- Porsche 968 Turbo S 3.0L 1993-94
- Porsche 928S2 4.7L 1984-86
Diagrama ref. n.º 4
Fabricado según los estándares del fabricante original (OEM), este conector es ideal para mantener o restaurar la integridad del sistema de vacío en múltiples aplicaciones de Porsche.
Características principales
• Conector en Y de vacío de estilo universal
• Apto para Porsche 911, 964, 924S, 944, 968 y 928
• Diseñado para mangueras de vacío con un diámetro exterior de 4 mm.
• Permite la división de líneas de vacío
• Ajuste y funcionamiento al estilo OEM
• Construcción duradera para una fiabilidad a largo plazo
Función y propósito
Esta pieza en forma de Y es un conector fundamental dentro del sistema de vacío.
Ayuda a:
• Dividir una sola línea de vacío en dos salidas
• Mantener un enrutamiento de vacío adecuado
• Asegurar una distribución uniforme de la presión de vacío.
• Soporte para el funcionamiento del motor y del sistema HVAC.
¿Por qué reemplazar el conector de su aspiradora?
Con el tiempo, los conectores de vacío pueden degradarse debido al calor y al envejecimiento.
Los problemas comunes incluyen:
• Plástico agrietado o quebradizo
• Fugas de vacío
• Conexiones de manguera deficientes
• Fallos en el motor o en el sistema de climatización
La sustitución de la pieza en forma de Y restablece el correcto funcionamiento del sistema de vacío.
• Sensor de temperatura suelto o mal fijado
• Lecturas de temperatura incorrectas
• Inconsistencias en el sistema de climatización
• Clips de conexión rotos o faltantes
Sustituir la pieza de bloqueo restablece la estabilidad y el funcionamiento adecuados del sensor.
Números de referencia relacionados
Números relacionados, reemplazados, de referencia cruzada o alternativos para comparación.
92857372702
El producto que está viendo hace referencia cruzada a estos números
- Porsche 911 1984-1986 3.2L
- Porsche 911 1987-1989 3.2L G50
- Porsche 911 1978-1989 3.3L Turbo (930)
- Porsche 964 (911) C2 1989-93
- Porsche 964 (911) C4 1989-93
- Porsche 964 (911) RS 3.6L 1991-93
- Porsche 964 (911) RS 3.8L 1991-93
- Porsche 964 (911) TURBO 3.3L 1991-93
- Porsche 964 (911) TURBO 3.6L 1991-93
- Porsche 924S 2.5L 1986-87
- Porsche 924S 2.5L 1988
- Porsche 944 2.5L 8V 1982-87
- Porsche 944 2.7L 8V 1988-89
- Porsche 944S 2.5L 16V 1987-88
- Porsche 944S2 3.0L 16V 1989-91
- Porsche 944 Turbo 2.5L 8V 1985-88
- Porsche 944 Turbo 2.5L 8V 1989-91
- Porsche 944 Turbo S 2.5L 8V 1988
- Porsche 968 3.0L 1992-94
- Porsche 968 Sport 3.0L 1994-95
- Porsche 968 CS 3.0L 1993-95
- Porsche 968 Turbo S 3.0L 1993-94
- Porsche 928S2 4.7L 1984-86
Pieza en Y de distribución para manguera de vacío – Divisor de línea de vacío de 4 mm
Se venden por unidad; se utilizan en varios lugares.
Conector en Y de alta calidad para la distribución de mangueras de vacío, diseñado para una amplia gama de modelos Porsche, incluidos 911, 964, 924S, 944, 968 y 928.
Este divisor en Y permite dividir una única fuente de vacío en dos salidas, facilitando así el enrutamiento y la conexión eficientes de las líneas de vacío dentro del compartimento del motor o del sistema de climatización. Está diseñado específicamente para mangueras de vacío con un diámetro exterior de 4 mm, lo que garantiza un ajuste seguro y preciso.
Se adapta a:
- Porsche 911 1984-1986 3.2L
- Porsche 911 1987-1989 3.2L G50
- Porsche 911 1978-1989 3.3L Turbo (930)
- Porsche 964 (911) C2 1989-93
- Porsche 964 (911) C4 1989-93
- Porsche 964 (911) RS 3.6L 1991-93
- Porsche 964 (911) RS 3.8L 1991-93
- Porsche 964 (911) TURBO 3.3L 1991-93
- Porsche 964 (911) TURBO 3.6L 1991-93
- Porsche 924S 2.5L 1986-87
- Porsche 924S 2.5L 1988
- Porsche 944 2.5L 8V 1982-87
- Porsche 944 2.7L 8V 1988-89
- Porsche 944S 2.5L 16V 1987-88
- Porsche 944S2 3.0L 16V 1989-91
- Porsche 944 Turbo 2.5L 8V 1985-88
- Porsche 944 Turbo 2.5L 8V 1989-91
- Porsche 944 Turbo S 2.5L 8V 1988
- Porsche 968 3.0L 1992-94
- Porsche 968 deporte 3.0L 1994-95
- Porsche 968 CS 3.0L 1993-95
- Porsche 968 Turbo S 3.0L 1993-94
- Porsche 928S2 4.7L 1984-86
Diagrama ref. n.º 4
Fabricado según los estándares del fabricante original (OEM), este conector es ideal para mantener o restaurar la integridad del sistema de vacío en múltiples aplicaciones de Porsche.
Características principales
• Conector en Y de vacío de estilo universal
• Apto para Porsche 911, 964, 924S, 944, 968 y 928
• Diseñado para mangueras de vacío con un diámetro exterior de 4 mm.
• Permite la división de líneas de vacío
• Ajuste y funcionamiento al estilo OEM
• Construcción duradera para una fiabilidad a largo plazo
Función y propósito
Esta pieza en forma de Y es un conector fundamental dentro del sistema de vacío.
Ayuda a:
• Dividir una sola línea de vacío en dos salidas
• Mantener un enrutamiento de vacío adecuado
• Asegurar una distribución uniforme de la presión de vacío.
• Soporte para el funcionamiento del motor y del sistema HVAC.
¿Por qué reemplazar el conector de su aspiradora?
Con el tiempo, los conectores de vacío pueden degradarse debido al calor y al envejecimiento.
Los problemas comunes incluyen:
• Plástico agrietado o quebradizo
• Fugas de vacío
• Conexiones de manguera deficientes
• Fallos en el motor o en el sistema de climatización
La sustitución de la pieza en forma de Y restablece el correcto funcionamiento del sistema de vacío.
• Sensor de temperatura suelto o mal fijado
• Lecturas de temperatura incorrectas
• Inconsistencias en el sistema de climatización
• Clips de conexión rotos o faltantes
Sustituir la pieza de bloqueo restablece la estabilidad y el funcionamiento adecuados del sensor.
Números de referencia relacionados
Números relacionados, reemplazados, de referencia cruzada o alternativos para comparación.
92857372702
El producto que está viendo hace referencia cruzada a estos números
- Porsche 911 1974-1977 2.7L / 1976-77 3.0 Carrera
- Porsche 911 1978-1983 3.0L / SC
- Porsche 911 1984-1986 3.2L
- Porsche 911 1987-1989 3.2L G50
- Porsche 911 1975-1977 3.0L Turbo (930)
- Porsche 911 1978-1989 3.3L Turbo (930)
- Porsche 964 (911) C2 1989-93
- Porsche 964 (911) C4 1989-93
- Porsche 964 (911) RS 3.6L 1991-93
- Porsche 964 (911) RS 3.8L 1991-93
- Porsche 964 (911) TURBO 3.3L 1991-93
- Porsche 964 (911) TURBO 3.6L 1991-93
- Porsche 993 (911) C2 1994-97
- Porsche 993 (911) C4 1994-97
- Porsche 993 (911) RS 1994-97
- Porsche 993 (911) C2S 1994-97
- Porsche 993 (911) C4S 1994-97
- Porsche 993 (911) TURBO 1994-96
- Porsche 993 (911) GT2 1994-97
- Porsche 993 (911) TURBO S 1994-97
- Porsche 924 2.0L 1976-79
- Porsche 924 2.0L 1980-85
- Porsche 924 Turbo 2.0L 1979-81
- Porsche 924 Turbo 2.0L 1982-84
- Porsche 924 Carrera GT 2.0L 1981
- Porsche 924 Carrera GTS 2.0L 1982
- Porsche 928 4.5L 1978-82
- Porsche 928S 4.7L 1981-83
- Porsche 928S2 4.7L 1984-86
Manguera de aire de 12 x 3,7 mm – Servofreno y colector de admisión
Se vende por metro
Manguera de aire de alta calidad diseñada para múltiples aplicaciones de Porsche, incluidos los sistemas de servofreno y las conexiones del colector de admisión.
Esta manguera se utiliza en los Porsche 911, 924, 928, 964 Carrera 2, y también en el colector de admisión de los modelos 964 y 993. Desempeña un papel fundamental en el mantenimiento de la presión de vacío para la asistencia de frenado y garantiza un flujo de aire adecuado dentro del sistema de admisión.
Se adapta a:
- Porsche 911 1974-1977 2.7L / 1976-77 3.0 Carrera
- Porsche 911 1978-1983 3.0L/SC
- Porsche 911 1984-1986 3.2L
- Porsche 911 1987-1989 3.2L G50
- Porsche 911 1975-1977 3.0L Turbo (930)
- Porsche 911 1978-1989 3.3L Turbo (930)
- Porsche 964 (911) C2 1989-93
- Porsche 964 (911) C4 1989-93
- Porsche 964 (911) RS 3.6L 1991-93
- Porsche 964 (911) RS 3.8L 1991-93
- Porsche 964 (911) TURBO 3.3L 1991-93
- Porsche 964 (911) TURBO 3.6L 1991-93
- Porsche 993 (911) C2 1994-97
- Porsche 993 (911) C4 1994-97
- Porsche 993 (911) RS 1994-97
- Porsche 993 (911) C2S 1994-97
- Porsche 993 (911) C4S 1994-97
- Porsche 993 (911) TURBO 1994-96
- Porsche 993 (911) GT2 1994-97
- Porsche 993 (911) TURBO S 1994-97
- Porsche 924 2.0L 1976-79
- Porsche 924 2.0L 1980-85
- Porsche 924 Turbo 2.0L 1979-81
- Porsche 924 Turbo 2.0L 1982-84
- Porsche 924 Carrera GT 2.0L 1981
- Porsche 924 Carrera GTS 2.0L 1982
- Porsche 928 4.5L 1978-82
- Porsche 928S 4.7L 1981-83
- Porsche 928S2 4.7L 1984-86
Esta manguera, que se suministra por metro, permite un reemplazo preciso de la longitud y un enrutamiento flexible, lo que la hace ideal para el mantenimiento, la reparación o la restauración de los sistemas de vacío y admisión de Porsche. Fabricada según las especificaciones del fabricante original para garantizar durabilidad y un rendimiento fiable.
Características principales
• Manguera de aire multiusos para sistemas de vacío y admisión.
• Apto para Porsche 911, 924, 928, 964 y 993
• Número de pieza 9991810225B
• Se utiliza para aplicaciones de servofreno y colector de admisión.
• Se vende por metro para longitudes personalizadas.
• Resistente al calor y a la presión de vacío.
• Construcción flexible y duradera
• Ajuste y rendimiento al estilo OEM
Función y propósito
Esta manguera desempeña funciones cruciales en múltiples sistemas.
Ayuda a:
• Suministrar presión de vacío al servofreno (asistencia de frenado).
• Mantener una asistencia de frenado eficaz
• Favorecer el flujo de aire dentro del sistema del colector de admisión.
• Garantizar un funcionamiento estable y eficiente del motor.
• Evitar fugas de vacío que afecten al rendimiento.
¿Por qué reemplazar las mangueras de aire/vacío?
Con el tiempo, las mangueras se degradan debido a los ciclos de calor y presión.
Los problemas comunes incluyen:
• Agrietamiento o división
• Las fugas de vacío reducen la eficacia de los frenos.
• Endurecimiento y reducción de la flexibilidad
• Bajo rendimiento del motor debido a fugas de aire.
Sustituir las mangueras desgastadas restablece el rendimiento de frenado y la eficiencia del motor.
Números de referencia relacionados
Números relacionados, reemplazados, de referencia cruzada o alternativos para comparación.
9991810225B
El producto que está viendo hace referencia cruzada a estos números
- Porsche 911 1974-1977 2.7L / 1976-77 3.0 Carrera
- Porsche 911 1978-1983 3.0L / SC
- Porsche 911 1984-1986 3.2L
- Porsche 911 1987-1989 3.2L G50
- Porsche 911 1975-1977 3.0L Turbo (930)
- Porsche 911 1978-1989 3.3L Turbo (930)
- Porsche 964 (911) C2 1989-93
- Porsche 964 (911) C4 1989-93
- Porsche 964 (911) RS 3.6L 1991-93
- Porsche 964 (911) RS 3.8L 1991-93
- Porsche 964 (911) TURBO 3.3L 1991-93
- Porsche 964 (911) TURBO 3.6L 1991-93
- Porsche 993 (911) C2 1994-97
- Porsche 993 (911) C4 1994-97
- Porsche 993 (911) RS 1994-97
- Porsche 993 (911) C2S 1994-97
- Porsche 993 (911) C4S 1994-97
- Porsche 993 (911) TURBO 1994-96
- Porsche 993 (911) GT2 1994-97
- Porsche 993 (911) TURBO S 1994-97
- Porsche 924 2.0L 1976-79
- Porsche 924 2.0L 1980-85
- Porsche 924 Turbo 2.0L 1979-81
- Porsche 924 Turbo 2.0L 1982-84
- Porsche 924 Carrera GT 2.0L 1981
- Porsche 924 Carrera GTS 2.0L 1982
- Porsche 928 4.5L 1978-82
- Porsche 928S 4.7L 1981-83
- Porsche 928S2 4.7L 1984-86
Manguera de aire de 12 x 3,7 mm – Servofreno y colector de admisión
Se vende por metro
Manguera de aire de alta calidad diseñada para múltiples aplicaciones de Porsche, incluidos los sistemas de servofreno y las conexiones del colector de admisión.
Esta manguera se utiliza en los Porsche 911, 924, 928, 964 Carrera 2, y también en el colector de admisión de los modelos 964 y 993. Desempeña un papel fundamental en el mantenimiento de la presión de vacío para la asistencia de frenado y garantiza un flujo de aire adecuado dentro del sistema de admisión.
Se adapta a:
- Porsche 911 1974-1977 2.7L / 1976-77 3.0 Carrera
- Porsche 911 1978-1983 3.0L/SC
- Porsche 911 1984-1986 3.2L
- Porsche 911 1987-1989 3.2L G50
- Porsche 911 1975-1977 3.0L Turbo (930)
- Porsche 911 1978-1989 3.3L Turbo (930)
- Porsche 964 (911) C2 1989-93
- Porsche 964 (911) C4 1989-93
- Porsche 964 (911) RS 3.6L 1991-93
- Porsche 964 (911) RS 3.8L 1991-93
- Porsche 964 (911) TURBO 3.3L 1991-93
- Porsche 964 (911) TURBO 3.6L 1991-93
- Porsche 993 (911) C2 1994-97
- Porsche 993 (911) C4 1994-97
- Porsche 993 (911) RS 1994-97
- Porsche 993 (911) C2S 1994-97
- Porsche 993 (911) C4S 1994-97
- Porsche 993 (911) TURBO 1994-96
- Porsche 993 (911) GT2 1994-97
- Porsche 993 (911) TURBO S 1994-97
- Porsche 924 2.0L 1976-79
- Porsche 924 2.0L 1980-85
- Porsche 924 Turbo 2.0L 1979-81
- Porsche 924 Turbo 2.0L 1982-84
- Porsche 924 Carrera GT 2.0L 1981
- Porsche 924 Carrera GTS 2.0L 1982
- Porsche 928 4.5L 1978-82
- Porsche 928S 4.7L 1981-83
- Porsche 928S2 4.7L 1984-86
Esta manguera, que se suministra por metro, permite un reemplazo preciso de la longitud y un enrutamiento flexible, lo que la hace ideal para el mantenimiento, la reparación o la restauración de los sistemas de vacío y admisión de Porsche. Fabricada según las especificaciones del fabricante original para garantizar durabilidad y un rendimiento fiable.
Características principales
• Manguera de aire multiusos para sistemas de vacío y admisión.
• Apto para Porsche 911, 924, 928, 964 y 993
• Número de pieza 9991810225B
• Se utiliza para aplicaciones de servofreno y colector de admisión.
• Se vende por metro para longitudes personalizadas.
• Resistente al calor y a la presión de vacío.
• Construcción flexible y duradera
• Ajuste y rendimiento al estilo OEM
Función y propósito
Esta manguera desempeña funciones cruciales en múltiples sistemas.
Ayuda a:
• Suministrar presión de vacío al servofreno (asistencia de frenado).
• Mantener una asistencia de frenado eficaz
• Favorecer el flujo de aire dentro del sistema del colector de admisión.
• Garantizar un funcionamiento estable y eficiente del motor.
• Evitar fugas de vacío que afecten al rendimiento.
¿Por qué reemplazar las mangueras de aire/vacío?
Con el tiempo, las mangueras se degradan debido a los ciclos de calor y presión.
Los problemas comunes incluyen:
• Agrietamiento o división
• Las fugas de vacío reducen la eficacia de los frenos.
• Endurecimiento y reducción de la flexibilidad
• Bajo rendimiento del motor debido a fugas de aire.
Sustituir las mangueras desgastadas restablece el rendimiento de frenado y la eficiencia del motor.
Números de referencia relacionados
Números relacionados, reemplazados, de referencia cruzada o alternativos para comparación.
9991810225B
El producto que está viendo hace referencia cruzada a estos números
- Porsche 924 Turbo 2.0L 1979-81
- Porsche 924 Turbo 2.0L 1982-84
- Porsche 924 Carrera GT 2.0L 1981
- Porsche 924 Carrera GTS 2.0L 1982
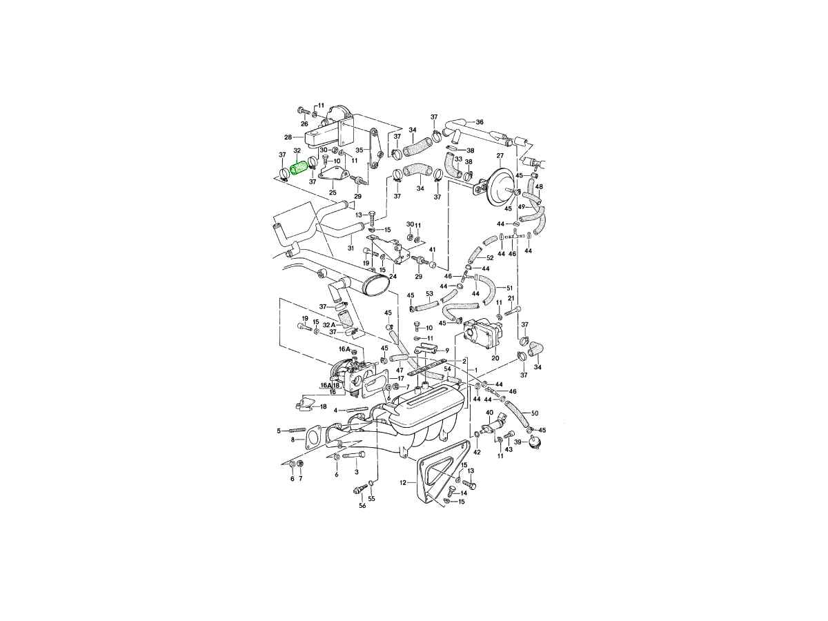
Manguera para válvula de aire auxiliar - 18 x 26 x 40 mm
Manguera de válvula de aire auxiliar de alta calidad diseñada para los modelos Porsche 924 Turbo y 924 GTS.
Se adapta a:
- Porsche 924 Turbo 2.0L 1979-81
- Porsche 924 Turbo 2.0L 1982-84
- Porsche 924 Carrera GT 2.0L 1981
- Porsche 924 Carrera GTS 2.0L 1982
Diagrama ref. n.º 32
Esta manguera conecta la válvula de aire auxiliar dentro del sistema de admisión, desempeñando un papel crucial en la regulación del flujo de aire durante los arranques en frío y el calentamiento del motor. Al permitir la entrada de aire adicional al sistema cuando es necesario, ayuda a estabilizar la velocidad de ralentí y garantiza un funcionamiento suave del motor.
Fabricada según las especificaciones del fabricante original, esta manguera ofrece un ajuste preciso, durabilidad y resistencia al calor y a las condiciones del compartimento del motor, lo que la hace ideal para el mantenimiento, la reparación o la restauración de los sistemas de admisión de turbo de Porsche.
Características principales
• Manguera de 18 x 26 mm de diámetro y 40 mm de longitud.
• Apto para Porsche 924 Turbo y 924 GTS
• Diseñado para conexión de válvula de aire auxiliar
• Admite el control de ralentí y el rendimiento de arranque en frío.
• Resistente al calor y a las condiciones del compartimento del motor.
• Construcción flexible y duradera
• Ajuste y rendimiento al estilo OEM
Función y propósito
Esta manguera es una parte importante del sistema de admisión y control de ralentí.
Ayuda a:
• Conecte la válvula de aire auxiliar al sistema de admisión.
• Regular el flujo de aire durante los arranques en frío
• Mantener una velocidad de ralentí estable
• Mejora el rendimiento de calentamiento del motor
• Garantizar un funcionamiento fluido y constante.
¿Por qué reemplazar las mangueras de aire auxiliares?
Con el tiempo, las mangueras de admisión pueden degradarse debido al calor y la presión.
Los problemas comunes incluyen:
• Agrietamiento o división
• Fugas de aire que afectan al ralentí y al rendimiento.
• Endurecimiento y reducción de la flexibilidad
• Comportamiento deficiente al arrancar en frío
Sustituir las mangueras desgastadas restablece el flujo de aire adecuado y la estabilidad del motor.
Números de referencia relacionados
Números relacionados, reemplazados, de referencia cruzada o alternativos para comparación.
93111017301
El producto que está viendo hace referencia cruzada a estos números
- Porsche 911 1974-1977 2.7L / 1976-77 3.0 Carrera
- Porsche 924 Turbo 2.0L 1979-81
- Porsche 924 Turbo 2.0L 1982-84
Manguera de 4 x 10 mm – Del cuerpo de la mariposa al limitador de vacío
Manguera de alta calidad de 4x10 mm diseñada para los modelos Porsche 911 de 1974 a 1977, que conecta el cuerpo de la mariposa con el limitador de vacío.
Esta manguera desempeña un papel crucial en el mantenimiento de una correcta regulación del vacío dentro del sistema de admisión. Al conectar el cuerpo de la mariposa con el limitador de vacío, garantiza un control de presión estable, lo que favorece un funcionamiento suave del motor y un rendimiento constante.
Se adapta a:
Porsche 911 1974-1977 2.7L / 1976-77 3.0 Carrera
Porsche 924 Turbo 2.0L 1979-81
Porsche 924 Turbo 2.0L 1982-84
Diagrama ref. n.º 64
Esta manguera, que se suministra por metro, permite una sustitución y un tendido precisos, lo que la hace ideal para el mantenimiento, la reparación o la restauración de los sistemas de admisión y vacío de los Porsche 911 clásicos. Fabricada según las especificaciones del fabricante original para garantizar durabilidad y fiabilidad.
Características principales
• Diámetro interior de 4 mm, diámetro exterior de 10 mm
• Apto para Porsche 911 (1974–1977)
• Número de pieza 99918171540
• Conecta el cuerpo de la mariposa al limitador de vacío.
• Diseñado para su uso en sistemas de admisión y vacío.
• Se vende por metro para aplicaciones de longitud personalizada.
• Resistente al calor y a las condiciones del compartimento del motor.
• Construcción flexible y duradera
• Ajuste y rendimiento al estilo OEM
Función y propósito
Esta manguera es un componente clave del sistema de vacío de admisión.
Ayuda a:
• Conecte el cuerpo de la mariposa al limitador de vacío.
• Regular la presión de vacío dentro del sistema de admisión.
• Mantener un rendimiento estable del motor
• Evitar fugas de vacío que afecten la conducción.
• Favorece una combustión y un flujo de aire eficientes.
¿Por qué reemplazar las mangueras de vacío?
Con el tiempo, las mangueras de vacío se degradan debido al calor y al envejecimiento.
Los problemas comunes incluyen:
• Agrietamiento o división
• Las fugas de vacío reducen la eficiencia del motor.
• Endurecimiento y reducción de la flexibilidad
• Mala respuesta e inestabilidad del motor
Sustituir las mangueras desgastadas restablece el control adecuado del vacío y el rendimiento del motor.
Números de referencia relacionados
Números relacionados, reemplazados, de referencia cruzada o alternativos para comparación.
99918171540
El producto que está viendo hace referencia cruzada a estos números
- Porsche 911 1974-1977 2.7L / 1976-77 3.0 Carrera
- Porsche 924 Turbo 2.0L 1979-81
- Porsche 924 Turbo 2.0L 1982-84
Manguera de 4 x 10 mm – Del cuerpo de la mariposa al limitador de vacío
Manguera de alta calidad de 4x10 mm diseñada para los modelos Porsche 911 de 1974 a 1977, que conecta el cuerpo de la mariposa con el limitador de vacío.
Esta manguera desempeña un papel crucial en el mantenimiento de una correcta regulación del vacío dentro del sistema de admisión. Al conectar el cuerpo de la mariposa con el limitador de vacío, garantiza un control de presión estable, lo que favorece un funcionamiento suave del motor y un rendimiento constante.
Se adapta a:
Porsche 911 1974-1977 2.7L / 1976-77 3.0 Carrera
Porsche 924 Turbo 2.0L 1979-81
Porsche 924 Turbo 2.0L 1982-84
Diagrama ref. n.º 64
Esta manguera, que se suministra por metro, permite una sustitución y un tendido precisos, lo que la hace ideal para el mantenimiento, la reparación o la restauración de los sistemas de admisión y vacío de los Porsche 911 clásicos. Fabricada según las especificaciones del fabricante original para garantizar durabilidad y fiabilidad.
Características principales
• Diámetro interior de 4 mm, diámetro exterior de 10 mm
• Apto para Porsche 911 (1974–1977)
• Número de pieza 99918171540
• Conecta el cuerpo de la mariposa al limitador de vacío.
• Diseñado para su uso en sistemas de admisión y vacío.
• Se vende por metro para aplicaciones de longitud personalizada.
• Resistente al calor y a las condiciones del compartimento del motor.
• Construcción flexible y duradera
• Ajuste y rendimiento al estilo OEM
Función y propósito
Esta manguera es un componente clave del sistema de vacío de admisión.
Ayuda a:
• Conecte el cuerpo de la mariposa al limitador de vacío.
• Regular la presión de vacío dentro del sistema de admisión.
• Mantener un rendimiento estable del motor
• Evitar fugas de vacío que afecten la conducción.
• Favorece una combustión y un flujo de aire eficientes.
¿Por qué reemplazar las mangueras de vacío?
Con el tiempo, las mangueras de vacío se degradan debido al calor y al envejecimiento.
Los problemas comunes incluyen:
• Agrietamiento o división
• Las fugas de vacío reducen la eficiencia del motor.
• Endurecimiento y reducción de la flexibilidad
• Mala respuesta del motor e inestabilidad
Sustituir las mangueras desgastadas restablece el control adecuado del vacío y el rendimiento del motor.
Números de referencia relacionados
Números relacionados, reemplazados, de referencia cruzada o alternativos para comparación.
99918171540
El producto que está viendo hace referencia cruzada a estos números
- Porsche 924 2.0L 1976-79
- Porsche 924 2.0L 1980-85
- Porsche 924 Turbo 2.0L 1979-81
- Porsche 924 Turbo 2.0L 1982-84
- Porsche 924 Carrera GT 2.0L 1981
- Porsche 924 Carrera GTS 2.0L 1982
- Porsche 924S 2.5L 1986-87
- Porsche 924S 2.5L 1988
- Porsche 944 2.5L 8V 1982-87
- Porsche 944 2.7L 8V 1988-89
- Porsche 944S 2.5L 16V 1987-88
- Porsche 944S2 3.0L 16V 1989-91
- Porsche 944 Turbo 2.5L 8V 1985-88
- Porsche 944 Turbo 2.5L 8V 1989-91
- Porsche 944 Turbo S 2.5L 8V 1988
- Porsche 968 3.0L 1992-94
- Porsche 968 Sport 3.0L 1994-95
- Porsche 968 CS 3.0L 1993-95
- Porsche 968 Turbo S 3.0L 1993-94
- Porsche 928 4.5L 1978-82
- Porsche 928S 4.7L 1981-83
- Porsche 928S2 4.7L 1984-86
- Porsche 928S4 5.0L 1987-92
- Porsche 928GT 5.0L 1989-91
- Porsche 928GTS 5.4L 1992-95

Se adapta a:
Porsche 928 - 1978 a 1986
Porsche 924 - 1976 a 1986
Porsche 924S - 1986 a 1988
Porsche 944 - 1982 a 1991
Porsche 968 - 1992 a 1995
Números de referencia relacionados
Números relacionados, reemplazados, de referencia cruzada o alternativos para comparación.
99951255400
El producto que está viendo hace referencia cruzada a estos números
- Porsche 911 1978-1983 3.0L / SC
- Porsche 911 1975-1977 3.0L Turbo (930)
- Porsche 924 2.0L 1976-79
- Porsche 924 2.0L 1980-85
- Porsche 924 Turbo 2.0L 1979-81
- Porsche 924 Turbo 2.0L 1982-84
- Porsche 924 Carrera GT 2.0L 1981
- Porsche 924 Carrera GTS 2.0L 1982
- Porsche 914 (1970-1976)
Se venden en tramos de 1 metro.
Se adapta a:
- Porsche 911 1978-1983 3.0L/SC
- Porsche 911 1975-1977 3.0L Turbo (930)
- Porsche 924 2.0L 1976-79
- Porsche 924 2.0L 1980-85
- Porsche 924 Turbo 2.0L 1979-81
- Porsche 924 Turbo 2.0L 1982-84
- Porsche 924 Carrera GT 2.0L 1981
- Porsche 924 Carrera GTS 2.0L 1982
- Porsche 914 (1970-1976)
Números de referencia relacionados
Números relacionados, reemplazados, de referencia cruzada o alternativos para comparación.
PAF020353
El producto que está viendo hace referencia cruzada a estos números
- Porsche 911 1978-1983 3.0L / SC
- Porsche 911 1975-1977 3.0L Turbo (930)
- Porsche 924 2.0L 1976-79
- Porsche 924 2.0L 1980-85
- Porsche 924 Turbo 2.0L 1979-81
- Porsche 924 Turbo 2.0L 1982-84
- Porsche 924 Carrera GT 2.0L 1981
- Porsche 924 Carrera GTS 2.0L 1982
- Porsche 914 (1970-1976)
Manguera de vacío de 3,2 x 2 mm
Se vende por metro
Manguera de vacío de alta calidad de 3,2 x 5 mm diseñada para varios modelos de Porsche.
Esta versátil manguera se vende por metro, lo que permite cortarla a la longitud exacta que necesite. Se utiliza en diversos sistemas del compartimento del motor, incluidos los circuitos de vacío, las conexiones del sistema de combustible y los componentes relacionados con las emisiones.
Se adapta a:
Porsche 911 1978-1983 3.0L/SC
Porsche 911 1975-1977 3.0L Turbo (930)
Porsche 924 2.0L 1976-79
Porsche 924 2.0L 1980-85
Porsche 924 Turbo 2.0L 1979-81
Porsche 924 Turbo 2.0L 1982-84
Porsche 924 Carrera GT 2.0L 1981
Porsche 924 Carrera GTS 2.0L 1982
Porsche 914 (1970-1976)
Fabricada para ofrecer durabilidad y flexibilidad, esta manguera garantiza un rendimiento fiable en las condiciones del compartimento del motor, lo que la hace ideal para el mantenimiento, la reparación o la restauración completa de modelos clásicos de Porsche.
Características principales
• Manguera de vacío con un diámetro interno de 3,2 mm
• Diámetro exterior de 7 mm para un ajuste correcto.
• Se vende por metro para longitudes personalizadas.
• Apto para Porsche 911 y 911 Turbo (1970–1977)
• Uso múltiple en sistemas de vacío y combustible.
• Construcción flexible y duradera
• Especificación estilo OEM
Función y propósito
Esta manguera de vacío se utiliza en varios sistemas del motor.
Ayuda a:
• Mantener la presión de vacío para el funcionamiento del motor.
• Conectar componentes controlados por vacío
• Admite las funciones del sistema de combustible y del carburador.
• Asegurar un flujo de aire adecuado y un equilibrio correcto del sistema.
• Permite un rendimiento fiable del motor
¿Por qué reemplazar las mangueras de vacío?
Con el tiempo, las mangueras de goma se degradan debido al calor y al envejecimiento.
Los problemas comunes incluyen:
• Agrietamiento o división
• Fugas de vacío que afectan al rendimiento
• Endurecimiento y pérdida de flexibilidad
• Reducción de la eficiencia del sistema
Sustituir las mangueras viejas restablece el correcto funcionamiento del sistema de vacío y la fiabilidad del motor.
Números de referencia relacionados
Números relacionados, reemplazados, de referencia cruzada o alternativos para comparación.
PAF020353
El producto que está viendo hace referencia cruzada a estos números
-
Refrigeración por agua 924 1976-79 105-005
-
Refrigeración por agua 924 TURBO 1979 105-010
-
Sistema de limpieza de aire 924 1976-79 106-000
-
K-jetronic 924 TURBO 1979 107-020
-
Turboalimentación 924 TURBO 1979 107-025
-
Tanque de combustible 924 1976-79 201-000
-
Sistema de combustible - (F >>92461 04800) - 924 1976-79 201-010
-
Sistema de combustible - (F 92461 04800>>, F >>92481 99999) - 924 1976-79 201-012
-
Sistema de combustible - (F 92491 00001>>, F >>92491 03157) - 924 1976-79 201-014
-
Depósito de expansión / Servofreno 924 1976-79 604-005
-
Evaporador / Volante a la derecha (Aire acondicionado M573) 924 1976-79 813-050
-
Lubricación del motor / Turbocompresor 924 TURBO/GT 1980 - 1985 104-010
-
Refrigeración por agua 924 1980 - 1985 105-005
-
Refrigeración por agua 924 TURBO/GT 1980-1985 105-010
-
Sistema de limpieza de aire 924 1980-1985 106-000
-
Sistema de limpieza de aire 924 TURBO/GT 1980 - 1985 106-005
-
K-jetronic-3-924 1980-1985 107-020
-
K-jetronic - 3 - 924 TURBO/GT 1980 - 1985 107-025
-
Turboalimentación 924 TURBO/GT 1980-1985 107-030
-
Depósito de combustible - F >>92CN4 02197, F >>93CN1 00305, F >>93BN7 00450 - 924 1980 - 1985 201-000
-
Depósito de combustible - F 92CN4 02198>>, F 93CN1 00306>> - 924 1980 - 1985 201-001
-
Servofreno / Depósito de expansión 924 1980 - 1985 604-005
Mangueras, tubos y manguitos de admisión de aire: componentes de admisión duraderos para el rendimiento de Porsche
Las mangueras, tubos y manguitos de entrada de aire son componentes esenciales del sistema de admisión de su Porsche, ya que conectan la carcasa del filtro de aire, el cuerpo del acelerador, el turbocompresor y el intercooler. Garantizan un flujo de aire uniforme y hermético hacia el motor, lo que favorece una combustión eficiente, una aceleración ágil y un rendimiento constante.
En Design911, suministramos una gama completa de mangueras, tubos y manguitos de entrada de aire originales y de alta calidad para numerosos modelos Porsche, como el 911, el Boxster, el Cayman, el Cayenne, el Macan y el Panamera. Cada componente está diseñado para un ajuste preciso, resistencia al calor y estabilidad del flujo de aire, lo que ayuda a que su Porsche ofrezca el rendimiento y la fiabilidad que lo caracterizan.
¿Qué función cumplen las mangueras, tuberías y manguitos de entrada de aire?
Estos componentes canalizan el aire filtrado a través del sistema de admisión hasta las cámaras de combustión del motor. Sus principales funciones incluyen:
- Mantener un flujo de aire hermético entre los componentes de admisión.
- Reducción de la turbulencia y la pérdida de aire para mejorar la respuesta del acelerador.
- Apoyo a una presión de aire óptima para motores turboalimentados y de aspiración natural.
- Protección contra contaminantes que pueden reducir el rendimiento o provocar desgaste del motor.
En los modelos Porsche con turbocompresor, estas piezas también ayudan a gestionar la presión de refuerzo , lo que las hace cruciales tanto para la eficiencia como para la entrega de potencia.
¿Por qué fallan las mangueras, tuberías y manguitos de entrada de aire?
Debido a su constante exposición al calor, la vibración y el movimiento del motor, los componentes de la entrada de aire pueden deteriorarse con el tiempo. Las causas comunes de falla incluyen:
- Agrietamiento o rotura por ciclos de calor y fatiga del material.
- Contaminación por vapor de aceite o combustible que ablanda el caucho o el plástico.
- Abrazaderas sueltas o dañadas que provocan fugas de vacío o de refuerzo.
- Endurecimiento relacionado con la edad que produce conexiones frágiles.
- Presión de refuerzo excesiva que tensiona la manguera en aplicaciones de alto rendimiento.
Los síntomas de falla incluyen ruidos de silbido o silbido, pérdida de presión de refuerzo, mala respuesta del acelerador, ralentí irregular o una luz de verificación del motor causada por irregularidades en el flujo de aire.
¿Por qué reemplazar los componentes de entrada de aire desgastados?
Una manguera de admisión con fugas o dañada puede provocar la entrada de aire no dosificado al motor, lo que resulta en relaciones de combustible/aire incorrectas, un rendimiento deficiente o incluso la sobrecarga del turbocompresor. Reemplazar las mangueras y tuberías desgastadas o agrietadas garantiza un flujo de aire adecuado, una combustión eficiente y un rendimiento fiable.
Los beneficios del reemplazo incluyen:
- Se restauró la presión del aire y la respuesta del motor.
- Eficiencia del turbo y entrega de potencia mejoradas.
- Mayor economía de combustible y emisiones reducidas.
- Fiabilidad a largo plazo con materiales de calidad del fabricante.
Todas las mangueras, tuberías y manguitos disponibles en Design911 están fabricados con silicona de alta temperatura, caucho reforzado o aleaciones de aluminio para lograr un sellado, flexibilidad y resistencia superiores, lo que garantiza un rendimiento confiable en condiciones exigentes.