Voer hier uw btw-nummer in en klik op Verifiëren:
U hoeft het landcode-deel van uw btw-nummer niet in te voeren, omdat dit al is geselecteerd in uw factuuradres hierboven.
Uw gegevens zijn geverifieerd. Btw-nummer geregistreerd bij:
,
.
Uw bestelling wordt nu voor BTW-doeleinden op een nultarief gezet. Wij behouden ons het recht voor deze gegevens na uw bestelaanvraag te controleren en indien nodig opnieuw btw aan te rekenen.
Uw btw-gegevens werden niet herkend of waren ongeldig. Uw btw-nummer moet overeenkomen met het land van facturering zoals hierboven aangegeven. Dit wordt momenteel gespecificeerd als . U hoeft het landcode-deel van uw btw-nummer niet in te voeren, omdat dit al is geselecteerd in uw factuuradres hierboven.
De dienst voor het controleren van btw-nummers is momenteel offline. Geef uw btw-gegevens op in het veld opmerkingen of speciale instructies hieronder en wij passen een btw-korting toe na het plaatsen van uw bestelaanvraag.
Carteronderdelen
- Porsche 911 1965-1968 2.0L / 912 SWB (F)
- Porsche 911 1968-1973 2.2L / 2.4L / 2.7L RS LWB (F)
- Porsche 911 1974-1977 2.7L / 1976-77 3.0 Carrera
- Porsche 911 1978-1983 3.0L / SC
- Porsche 911 1984-1986 3.2L
- Porsche 911 1987-1989 3.2L G50
- Porsche 911 1975-1977 3.0L Turbo (930)
- Porsche 911 1978-1989 3.3L Turbo (930)
- Porsche 964 (911) C2 1989-93
- Porsche 964 (911) C4 1989-93
- Porsche 964 (911) RS 3.6L 1991-93
- Porsche 964 (911) RS 3.8L 1991-93
- Porsche 964 (911) TURBO 3.3L 1991-93
- Porsche 964 (911) TURBO 3.6L 1991-93
- Porsche 993 (911) C2 1994-97
- Porsche 993 (911) C4 1994-97
- Porsche 993 (911) RS 1994-97
- Porsche 993 (911) C2S 1994-97
- Porsche 993 (911) C4S 1994-97
- Porsche 993 (911) TURBO 1994-96
- Porsche 993 (911) GT2 1994-97
- Porsche 993 (911) TURBO S 1994-97
O-ringen vereist onderdeelnummer 9997071124A
Prijs is voor 1 , maar er zijn 4 stuks per motor.
Past op:
Porsche 911 2.0L 1965 - 1969
Porsche 911 1970 - 1989
Porsche 964 1989 - 1994
Porsche 993 1994 - 1998
Diagram Ref. Nr. 13.
Gerelateerde referentienummers
Gerelateerde, vervangen, kruisverwijzingen of alternatieve nummers ter vergelijking.
90110735101
Het product dat u bekijkt, verwijst naar deze nummers
- Porsche 911 1965-1968 2.0L / 912 SWB (F)
- Porsche 911 1968-1973 2.2L / 2.4L / 2.7L RS LWB (F)
- Porsche 911 1974-1977 2.7L / 1976-77 3.0 Carrera
- Porsche 911 1978-1983 3.0L / SC
- Porsche 911 1984-1986 3.2L
- Porsche 911 1987-1989 3.2L G50
- Porsche 911 1975-1977 3.0L Turbo (930)
- Porsche 911 1978-1989 3.3L Turbo (930)
- Porsche 964 (911) C2 1989-93
- Porsche 964 (911) C4 1989-93
- Porsche 964 (911) RS 3.6L 1991-93
- Porsche 964 (911) RS 3.8L 1991-93
- Porsche 964 (911) TURBO 3.3L 1991-93
- Porsche 964 (911) TURBO 3.6L 1991-93
- Porsche 993 (911) C2 1994-97
- Porsche 993 (911) C4 1994-97
- Porsche 993 (911) RS 1994-97
- Porsche 993 (911) C2S 1994-97
- Porsche 993 (911) C4S 1994-97
- Porsche 993 (911) TURBO 1994-96
- Porsche 993 (911) GT2 1994-97
- Porsche 993 (911) TURBO S 1994-97
Verkocht per stuk.
x4 vereist per auto.
Past op:
Porsche 911 911 2.0L 1965>>1969
Porsche 911 1970>>1989
Porsche 964 1989>>1994
Porsche 993 1994>>1998
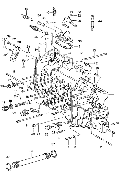
Diagram Ref.nr. 13
Gerelateerde referentienummers
Gerelateerde, vervangen, kruisverwijzingen of alternatieve nummers ter vergelijking.
90110735101
Het product dat u bekijkt, verwijst naar deze nummers
- Porsche 964 (911) C2 1989-93
- Porsche 964 (911) C4 1989-93
- Porsche 964 (911) RS 3.6L 1991-93
- Porsche 964 (911) RS 3.8L 1991-93
- Porsche 964 (911) TURBO 3.3L 1991-93
- Porsche 964 (911) TURBO 3.6L 1991-93
- Porsche 993 (911) C2 1994-97
- Porsche 993 (911) C4 1994-97
- Porsche 993 (911) RS 1994-97
- Porsche 993 (911) C2S 1994-97
- Porsche 993 (911) C4S 1994-97
- Porsche 993 (911) TURBO 1994-96
- Porsche 993 (911) GT2 1994-97
- Porsche 993 (911) TURBO S 1994-97
- Porsche 996 TURBO 2000-05
- Porsche 996 GT2 2001-05
- Porsche 996 GT3 MKI 1999-02
- Porsche 924S 2.5L 1986-87
- Porsche 924S 2.5L 1988
- Porsche 944 2.5L 8V 1982-87
- Porsche 944 2.7L 8V 1988-89
- Porsche 944S 2.5L 16V 1987-88
- Porsche 944S2 3.0L 16V 1989-91
- Porsche 944 Turbo 2.5L 8V 1985-88
- Porsche 944 Turbo 2.5L 8V 1989-91
- Porsche 944 Turbo S 2.5L 8V 1988
- Porsche 968 3.0L 1992-94
- Porsche 968 Sport 3.0L 1994-95
- Porsche 968 CS 3.0L 1993-95
- Porsche 968 Turbo S 3.0L 1993-94
- Porsche 928S4 5.0L 1987-92
- Porsche 928GT 5.0L 1989-91
- Porsche 928GTS 5.4L 1992-95
Inbouwplaats: Versnellingsbakzijde, Binnendiameter: 90 mm, Buitendiameter: 110 mm, Breedte: 12 mm, Ontwerp met radiale asafdichting

Past bij:
Porsche 964 1989-94
Porsche 993 1994-98
Porsche 996 Turbo / GT2 / GT3 MKI
Porsche 944 - Alle modellen inclusief 944S, 944 Turbo & 944S2 gebouwd 1982-1991
Porsche 924S - Alle modellen gebouwd 1986-1988
Porsche 928 - Alle modellen gebouwd 1986-1995
Porsche 968 - Alle modellen gebouwd 1992-1995
Klik op 'Inzoomen' voor een groot onderdelenschema.
Schema ref. nr. 21
Gerelateerde referentienummers
Gerelateerde, vervangen, kruisverwijzingen of alternatieve nummers ter vergelijking.
99911342641
Het product dat u bekijkt, verwijst naar deze nummers
- Porsche 964 (911) C2 1989-93
- Porsche 964 (911) C4 1989-93
- Porsche 964 (911) RS 3.6L 1991-93
- Porsche 964 (911) RS 3.8L 1991-93
- Porsche 964 (911) TURBO 3.3L 1991-93
- Porsche 964 (911) TURBO 3.6L 1991-93
- Porsche 993 (911) C2 1994-97
- Porsche 993 (911) C4 1994-97
- Porsche 993 (911) RS 1994-97
- Porsche 993 (911) C2S 1994-97
- Porsche 993 (911) C4S 1994-97
- Porsche 993 (911) TURBO 1994-96
- Porsche 993 (911) GT2 1994-97
- Porsche 993 (911) TURBO S 1994-97
- Porsche 996 TURBO 2000-05
- Porsche 996 GT2 2001-05
- Porsche 996 GT3 MKI 1999-02
- Porsche 924S 2.5L 1986-87
- Porsche 924S 2.5L 1988
- Porsche 944 2.5L 8V 1982-87
- Porsche 944 2.7L 8V 1988-89
- Porsche 944S 2.5L 16V 1987-88
- Porsche 944S2 3.0L 16V 1989-91
- Porsche 944 Turbo 2.5L 8V 1985-88
- Porsche 944 Turbo 2.5L 8V 1989-91
- Porsche 944 Turbo S 2.5L 8V 1988
- Porsche 968 3.0L 1992-94
- Porsche 968 Sport 3.0L 1994-95
- Porsche 968 CS 3.0L 1993-95
- Porsche 968 Turbo S 3.0L 1993-94
- Porsche 928 4.5L 1978-82
- Porsche 928S 4.7L 1981-83
- Porsche 928S2 4.7L 1984-86
- Porsche 928S4 5.0L 1987-92
- Porsche 928GT 5.0L 1989-91
- Porsche 928GTS 5.4L 1992-95
Inbouwpositie: transmissiezijde, binnendiameter: 90 mm, buitendiameter: 110 mm, breedte: 12 mm, radiale asafdichtingsuitvoering.
Past op:
Porsche 964 1989-94
Porsche 993 1994-98
Porsche 996 Turbo/GT2/GT3 MKI
Porsche 944 - Alle modellen inclusief 944S, 944 Turbo en 944 S2 gebouwd tussen 1982 en 1991
Porsche 924S - Alle modellen gebouwd tussen 1986 en 1988
Porsche 928 - Alle modellen gebouwd tussen 1986 en 1995
Porsche 968 - Alle modellen gebouwd tussen 1992 en 1995
Diagram Ref.nr. 21
Gerelateerde referentienummers
Gerelateerde, vervangen, kruisverwijzingen of alternatieve nummers ter vergelijking.
99911342641
Het product dat u bekijkt, verwijst naar deze nummers
- Porsche 964 (911) TURBO 3.3L 1991-93

Past bij:
Porsche 964 Turbo 3.3L 1991-92
Klik op 'Inzoomen' voor een groot onderdelenschema.
Schema ref nr. 40.
Gerelateerde referentienummers
Gerelateerde, vervangen, kruisverwijzingen of alternatieve nummers ter vergelijking.
93060611703
Het product dat u bekijkt, verwijst naar deze nummers
- Porsche 964 (911) TURBO 3.3L 1991-93

Past bij:
Porsche 964 Turbo 3.3L 1991-92
Klik op 'Inzoomen' voor een groot onderdelenschema.
Schema ref nr. 40.
Gerelateerde referentienummers
Gerelateerde, vervangen, kruisverwijzingen of alternatieve nummers ter vergelijking.
93060611703
Het product dat u bekijkt, verwijst naar deze nummers
Precisiecarteronderdelen – Sterkte, balans en betrouwbaarheid voor Porsche-motoren
Het carter vormt de kern van elke Porsche-motor en huisvest belangrijke roterende componenten zoals de krukas, lagers en drijfstangen. Het zorgt voor structurele stijfheid, olieopvang en nauwkeurige uitlijning van de bewegende onderdelen van de motor – cruciaal voor zowel de prestaties als de levensduur.
Bij Design911 bieden we een breed scala aan nauwkeurig ontworpen cartercomponenten, waaronder lagerschalen, afdichtingen, ontluchtingsventielen, deuvels, pluggen en bevestigingsmiddelen, allemaal vervaardigd volgens strikte toleranties. Elk onderdeel is vervaardigd van zeer sterke, hittebestendige materialen om duurzaamheid en prestaties onder de meest veeleisende rijomstandigheden te garanderen.
Of u nu een luchtgekoelde 911 restaureert of een moderne 992 onderhoudt, onze hoogwaardige carteronderdelen garanderen een perfecte pasvorm, oliedichte afdichting en betrouwbare prestaties voor de komende jaren.
Wat doen carteronderdelen?
Carteronderdelen vervullen een belangrijke structurele en smerende rol in de motor. Ze beschermen interne onderdelen en zorgen voor een evenwichtige druk.
Kernfuncties:
- Vormen de behuizing en ondersteunen de krukas, drijfstangen en lagers.
- Vangt olie op en verdeelt deze om bewegende onderdelen te smeren.
- Zorg voor structurele stijfheid om trillingen en verkeerde uitlijning te voorkomen.
- Controleer de carterventilatie om olieverontreiniging en druk opbouw te verminderen.
Zowel bij prestatiegerichte als bij klassieke Porsche-motoren zorgt het carter voor stabiliteit, soepele rotatie en betrouwbaar oliebeheer: essentieel voor consistent vermogen en minder slijtage.
Waarom gaan carteronderdelen kapot?
Na verloop van tijd kunnen cartercomponenten verslechteren door hittecycli, trillingen, olievervuiling en mechanische vermoeidheid. Wanneer deze defecten niet worden verholpen, kunnen ze leiden tot olielekkage, drukverschillen en zelfs catastrofale motorschade.
Veelvoorkomende oorzaken van storingen zijn onder meer:
- Slijtage van de oliekeerring veroorzaakt lekkages en drukverlies.
- Lagervermoeidheid door langdurige hoge belasting of lage oliedruk.
- Vervormde oppervlakken door oververhitting of corrosie.
- Verstopte ontluchtingsventielen zorgen voor drukverhoging en olielekkage.
- Vermoeidheid van de bevestigingsmiddelen die leidt tot losraken van de constructie of trillingen.
Het vervangen van versleten carteronderdelen tijdens een motorrevisie of onderhoudsbeurt is essentieel om de olieregeling, uitlijning en integriteit van de krukas te behouden.
Waarom vervangen door nauwkeurig ontworpen carteronderdelen?
Cartercomponenten van hoge kwaliteit zorgen ervoor dat uw Porsche-motor zijn sterkte, afdichtingsvermogen en nauwkeurige uitlijning behoudt. Dit is essentieel voor prestaties, betrouwbaarheid en levensduur.
Belangrijkste voordelen:
- Herstelt de interne uitlijning voor een soepele krukasrotatie.
- Voorkomt olielekken en drukverlies , waardoor de motorprestaties behouden blijven.
- Verbetert de smeerregeling en de levensduur van het lager.
- Vermindert trillingen en lawaai veroorzaakt door versleten of losse onderdelen.
- Gemaakt van corrosie- en hittebestendige materialen voor duurzame sterkte.
- Perfecte pasvorm en tolerantie voor luchtgekoelde en watergekoelde Porsche-motoren .
Ingenieurs en restaurateurs vertrouwen op nauwkeurige carteronderdelen om de legendarische betrouwbaarheid en mechanische balans van Porsche te behouden, zowel op de weg als op het circuit.
Hoogtepunten:
- Uitgebreid assortiment carterafdichtingen, lagers, bouten en ontluchtingscomponenten.
- Precisiegefreesde onderdelen die ontworpen zijn voor hoge belasting en hoge temperaturen.
- Materialen en toleranties van fabriekskwaliteit.
- Ideaal voor klassieke motorrestauraties en hoogwaardige revisies.
- Verbetert het oliebeheer, de structurele stijfheid en de betrouwbaarheid.
- Compatibel met luchtgekoelde en moderne Porsche-motorarchitecturen.