druk niet op de terugknop…
-
Motoronderdelen
-
- Onderdelen voor motorrevisie Onderdelen oliesysteem Onderdelen brandstofsysteem Pakkingen en sets Radiale afdichting / RMS / nokkenas / balansas Riemen / spanners / rollen Kettingen en spanners Distributiedeksels en pakkingen Motorlagers / schalen Motorkleppen / geleiders / veren Motorsteunen Motorsteunen Motorcilinders / bussen / zuigers Verbindingsstang Cilinderkop Nokkenas en onderdelen Nokkenastandwielen/tandwielen en bevestigingen Carteronderdelen Krukas en onderdelen Turboladers / intercoolers en onderdelen Luchtinlaat en injectie Vacuumpomp Speciaalgereedschap
-
Remmen
-
- Remmen Remblokken en -schijven Remschijf standaard Remblokken standaard SPORT-remschijf Brembo standaardremmen Brembo Racing-remmen TEXTAR-remmen PAGID raceremmen Zimmermann-remmen SHW Performance Remmen EBC-remmen O-Brake remschijven Vervanging voor keramische schijf Slijtagesensoren remblokken Remblok Anti-vibratie vulplaatjes Remklauwbouten / schijfschroeven Pinkit en geleideplaten Performance remslangen Standaard remslangen Remklauw en remleidingen Remklauwen Remklauw upgrades Alle categorieën
-
-
Ophanging en besturing
-
Overdragen
-
- Versnellingsbak / transmissie Koppelingssets Koppelingsplaat Koppelingsgeleidebuis Koppelingsbouten Versnellingsbakonderdelen Aandrijfassen & onderdelen Versnellingsbakpakkingsets Versnellingsbaksteunen Vliegwiel / koppel CV koppelingensets CV-manchetten en -kits Cardanas / schroefas Transmissieonderdelen Versnellingsbakolie Versnellingsbakcarter / oliecarter Differentieel voor Differentieel Oliekoelers Tussenbak & onderdelen
-
- Koelen & Verwarmen
-
Elektriciteit & Verlichting
-
- Elektrisch en relais Brandstofpompen Raam schakelaar Ruitenwissermotor Elektrische claxon Ontstekingsschakelaar Indicator / ruitenwisserschakelaar Relais / zekeringen Sproeierpompen / -tanks / -jets Alarmen / beveiliging / centrale vergrendeling Elektronische regeleenheden (ECU) Dashboard- / consoleonderdelen en schakelaars Motorkap / achterklep / spoilerbediening en -motoren Airbags en onderdelen Tracker Connectorbehuizing
-
- Verlichting Koplampen rechtsgestuurd Koplampen linksgestuurd Koplamponderdelen en -lens Richtingsaanwijzers voorzijde Richtingaanwijzers achter rechtsgestuurd Richtingaanwijzers achter linksgestuurd Mist- en dagrijlampen Extra zijrichtingaanwijzers Derde remlichten Kentekenplaatverlichtingen Interieur- / compartimentlampen Alle categorieën
-
-
Carrosserie & Uitlaat
-
- Chassis / carrosserie Restauratie chassis / reparatiepanelen Demperdeksel voor Demperdeksel achter Motorkappen / -sloten en -grendels Kofferbakken / achterkleppen / -sloten en -grendels Achterklep / Achterklep Voorbumpers Achterbumpers Deuren / sloten & vergrendelingen Deurpanelen | Scharnieren | Slagplaten Wing voor en onderdelen Wing achter & onderdelen Zijdorpelpanelen Exterieur chassissierlijsten Spiegels en onderdelen Steenslagfolies / -stickers Onderplaten chassis & motor Wisserbladen / =armen Achterruitenwisserarmen en -bladen Wielkastbekledingen en -afdekkingen Dak - Cabrio / Targa / Coupé Kunststof hoezen Alle categorieën
-
-
Smeermiddelen en vloeistoffen
-
- Serviceonderdelen Oliefilters Luchtfilters Pollen- / deeltjesfilters Riemen alle soorten Bougies IRIDIUM POWER-bougies Bobines Wisserbladen / -armen Achterruitenwisserarmen en -bladen Versnellingsbak serviceonderdelen Motorolie en smeermiddelen - Mobil Motorolie en smeermiddelen - Total Motorolie en smeermiddelen - Castrol Motorolie en smeermiddelen - Motul Motorolie en smeermiddelen - Millers Oils NanoDrive Motorolie en smeermiddelen - Millers Oils Brandstofadditieven Koelvloeistof / Antivries Stuurbekrachtigingsolie Garage PBM
-
-
Alle onderdelen
-
- Onderdelen Accessoires Chassis / carrosserie Remmen Kleding en geschenken Elektrisch en relais Motorkoeling Motorelektrisch Onderdelen voor motorrevisie Performance-onderdelen Uitlaten Exterieurstyling / spoilers Versnellingsbak / transmissie Verwarming / airconditioning Hydraulica Interieur en accessoires Incar / multimedia Verlichting Matten en tapijten Motorsport en Off-Road Pedaalcluster Rubberen afdichtingen Stoelen en veiligheidsgordels Alle categorieën
-
- Back to main website
Voer hier uw btw-nummer in en klik op Verifiëren:
U hoeft het landcode-deel van uw btw-nummer niet in te voeren, omdat dit al is geselecteerd in uw factuuradres hierboven.
Uw gegevens zijn geverifieerd. Btw-nummer geregistreerd bij:
,
.
Uw bestelling wordt nu voor BTW-doeleinden op een nultarief gezet. Wij behouden ons het recht voor deze gegevens na uw bestelaanvraag te controleren en indien nodig opnieuw btw aan te rekenen.
Uw btw-gegevens werden niet herkend of waren ongeldig. Uw btw-nummer moet overeenkomen met het land van facturering zoals hierboven aangegeven. Dit wordt momenteel gespecificeerd als . U hoeft het landcode-deel van uw btw-nummer niet in te voeren, omdat dit al is geselecteerd in uw factuuradres hierboven.
De dienst voor het controleren van btw-nummers is momenteel offline. Geef uw btw-gegevens op in het veld opmerkingen of speciale instructies hieronder en wij passen een btw-korting toe na het plaatsen van uw bestelaanvraag.
Slangklem, B17 x 12. Porsche 955 / 957 / 958 Cayenne / 970 Panamera 2003-18 ❭ 99951268609
- Porsche 955 Cayenne S 4.5L V8 2003-06
- Porsche 955 Cayenne Turbo 4.5L 2003-06
- Porsche 955 Cayenne Turbo S 4.5L 2006>>
- Porsche 957 Cayenne S / GTS 4.8L 2007-10
- Porsche 957 Cayenne Turbo / Turbo S 4.8L 2007-10
- Porsche 958 Cayenne S V8 4.8L Petrol (400Hp) 2010-17
- Porsche 958 Cayenne GTS V8 4.8L Petrol (400Hp) 2010-17
- Porsche 958 Cayenne Turbo V8 4.8L Petrol (500Hp) 2010-17
- Porsche 958 Cayenne Turbo S V8 4.8L Petrol (550Hp) 2010-17
- Porsche 970.1 Panamera V6 3.6L 2WD 2009-13
- Porsche 970.1 Panamera 4 V6 3.6L 4WD 2009-13
- Porsche 970.1 Panamera S V8 4.8L 2009-13
- Porsche 970.1 Panamera 4S V8 4.8L 2009-13
- Porsche 970.1 Panamera GTS V8 4.8L 2011-13
- Porsche 970.1 Panamera Turbo V8 4.8L 2009-13
- Porsche 970.1 Panamera Turbo S V8 4.8L 2009-13
- Porsche 970.2 Panamera V6 3.6L 2WD (310Hp) 2014-16
- Porsche 970.2 Panamera 4 V6 3.6L 4WD (310Hp) 2014-16
- Porsche 970.2 Panamera GTS V8 4.8L 4WD (440Hp) 2014-16
- Porsche 970.2 Panamera Turbo V8 4.8L (520Hp) 2014-16
- Porsche 970.2 Panamera Turbo V8 Executive 2014-16
- Porsche 970.2 Panamera Turbo S V8 4.8L 2014-16
De slangklem B17 x 12 is een originele Porsche OEM-klem, ontworpen om slangen met een kleine diameter stevig te bevestigen aan leidingen en koppelingen in de koel-, verwarmings- en lucht-/vacuümsystemen van het voertuig. Vervaardigd volgens Porsche-specificaties, biedt deze klem een constante klemkracht voor een strakke, lekvrije afdichting en houdt slangverbindingen stevig vast onder druk, hitte en trillingen.
Per stuk verkocht.
- Porsche 955 Cayenne S 4.5L V8 2003-06
- Porsche 955 Cayenne Turbo 4.5L 2003-2006
- Porsche 955 Cayenne Turbo S 4.5L 2006>>
- Porsche 957 Cayenne S/GTS 4.8L 2007-10
- Porsche 957 Cayenne Turbo / Turbo S 4.8L 2007-10
- Porsche 958 Cayenne S V8 4.8L Benzine 400 pk 2010-17
- Porsche 958 Cayenne GTS V8 4.8L Benzine 400 pk 2010-2017
- Porsche 958 Cayenne Turbo V8 4.8L Benzine 500 pk 2010-2017
- Porsche 958 Cayenne Turbo S V8 4.8L Benzine 550 pk 2010-17
- Porsche 970.1 Panamera V6 3.6L 2WD 2009-13
- Porsche 970.1 Panamera 4 V6 3.6L 4WD 2009-13
- Porsche 970.1 Panamera S V8 4.8L 2009-13
- Porsche 970.1 Panamera 4S V8 4.8L 2009-13
- Porsche 970.1 Panamera GTS V8 4.8L 2011-13
- Porsche 970.1 Panamera Turbo V8 4.8L 2009-13
- Porsche 970.1 Panamera Turbo S V8 4.8L 2009-13
- Porsche 970.2 Panamera V6 3.6L 2WD (310 pk) 2014-16
- Porsche 970.2 Panamera 4 V6 3.6L 4WD (310 pk) 2014-16
- Porsche 970.2 Panamera GTS V8 4.8L 4WD (440 pk) 2014-16
- Porsche 970.2 Panamera Turbo V8 4.8L (520 pk) 2014-16
- Porsche 970.2 Panamera Turbo V8 Executive 2014-16
- Porsche 970.2 Panamera Turbo S V8 4.8L 2014-16
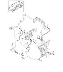
Diagram Ref. nr. 9
Wat dit product doet:
- Klemmen houden slangen op hun plaats om te voorkomen dat ze losraken door druk of trillingen.
- Zorgt voor een goede afdichting tussen de slang en de koppeling om lekkage van koelvloeistof, lucht of andere vloeistoffen te voorkomen.
- Helpt bij het handhaven van de juiste druk en betrouwbaarheid in systemen zoals koel-, verwarmings- en vacuüm-/luchtleidingcircuits .
Symptomen van slijtage of defecten:
- Als de klem zijn klemkracht verliest, kunnen er lekkages van koelvloeistof, lucht of vacuüm bij de verbinding ontstaan.
- Een verzwakte klem kan ervoor zorgen dat de slang verschuift of gedeeltelijk van de koppeling afglijdt, vooral onder druk of trillingen.
- De klem kan uitgerekt, beschadigd of vervormd zijn, waardoor hij zelfs bij het aandraaien geen spanning meer kan vasthouden.
- Corrosie verzwakt de metalen band en vermindert de klemkracht, waardoor het risico op breuk toeneemt.
- Een beschadigde band kan ongelijkmatige druk rond de slang uitoefenen, wat kan leiden tot lekkages of een slechte aansluiting.
- Bij gebruik op koel- of vacuümslangen kan het losraken van de klem leiden tot koelvloeistofverlies, verminderde verwarmingsprestaties en problemen met het vacuüm of de luchtstroom.
Waarom vervanging belangrijk is:
- Voorkomt lekkage van koelvloeistof, lucht of vacuüm bij slangaansluitingen door de juiste klemkracht te behouden.
- Voorkomt dat slangen van koppelingen afglijden , vooral onder druk, hitte en motortrillingen.
- Zorgt ervoor dat het systeem correct blijft functioneren , ongeacht of de klem wordt gebruikt in koel-, verwarmings-, lucht- of vacuümcircuits.
- Helpt vervolgschade te voorkomen , aangezien lekkende koelvloeistof of lucht sensoren, slangen en nabijgelegen onderdelen kan aantasten.
- Garandeert betrouwbaarheid op lange termijn , aangezien klemmen na verloop van tijd verzwakken door corrosie, temperatuurschommelingen en metaalmoeheid.
Gerelateerde referentienummers
Gerelateerde, vervangen, kruisverwijzingen of alternatieve nummers ter vergelijking.
99951268609
Het product dat u bekijkt, verwijst naar deze nummers
- Porsche 957 Cayenne S / GTS 4.8L 2007-10
- Porsche 957 Cayenne Turbo / Turbo S 4.8L 2007-10
- Porsche 958 Cayenne V6 3.6L Petrol (300Hp) 2010-17
- Porsche 958 Cayenne S V8 4.8L Petrol (400Hp) 2010-17
- Porsche 958 Cayenne GTS V8 4.8L Petrol (400Hp) 2010-17
- Porsche 958 Cayenne Turbo V8 4.8L Petrol (500Hp) 2010-17
- Porsche 958 Cayenne Turbo S V8 4.8L Petrol (550Hp) 2010-17
- Porsche 970.1 Panamera V6 3.6L 2WD 2009-13
- Porsche 970.1 Panamera 4 V6 3.6L 4WD 2009-13
- Porsche 970.1 Panamera S V8 4.8L 2009-13
- Porsche 970.1 Panamera 4S V8 4.8L 2009-13
- Porsche 970.1 Panamera GTS V8 4.8L 2011-13
- Porsche 970.1 Panamera Turbo V8 4.8L 2009-13
- Porsche 970.1 Panamera Turbo S V8 4.8L 2009-13
- Porsche 970.1 Panamera Diesel V6 3.0L 2011-13
- Porsche 970.2 Panamera V6 3.6L 2WD (310Hp) 2014-16
- Porsche 970.2 Panamera 4 V6 3.6L 4WD (310Hp) 2014-16
- Porsche 970.2 Panamera S V6 Turbo 3.0L 2WD (420Hp) 2014-16
- Porsche 970.2 Panamera S V6 Turbo 3.0L 2WD Executive 2014-16
- Porsche 970.2 Panamera 4S V6 Turbo 3.0L 4WD (420Hp) 2014-16
- Porsche 970.2 Panamera 4S V6 Turbo 3.0L 4WD Executive 2014-16
- Porsche 970.2 Panamera GTS V8 4.8L 4WD (440Hp) 2014-16
- Porsche 970.2 Panamera Turbo V8 4.8L (520Hp) 2014-16
- Porsche 970.2 Panamera Turbo V8 Executive 2014-16
- Porsche 970.2 Panamera Turbo S V8 4.8L 2014-16
- Porsche 970.2 Panamera Diesel V6 3.0L (250Hp) 2014-16
- Porsche 95B.1 Macan S Petrol 3.0L V6 (340Bhp) 2014-18
- Porsche 95B.1 Macan S Diesel 3.0L V6 (258Bhp) 2014-18
- Porsche 95B.1 Macan GTS Petrol 3.0L V6 (360Bhp) 2014-18
- Porsche 95B.1 Macan Turbo 3.6L V6 (400Bhp) 2014-18

Past bij:
Porsche 957 Cayenne S / GTS / Turbo 4.8L 2007-10
Porsche 958 Cayenne 3.6L / 4.8L 2011-18
Porsche 95B Macan 3.0L / 3.6L 2014-18
Porsche 970 Panamera 3.0L / 3.6L / 4.8L 2011-16
Klik op 'Inzoomen' voor een groot onderdelenschema.
Schema ref nr. 2
Gerelateerde referentienummers
Gerelateerde, vervangen, kruisverwijzingen of alternatieve nummers ter vergelijking.
94810615401
Het product dat u bekijkt, verwijst naar deze nummers
- Porsche 957 Cayenne S / GTS 4.8L 2007-10
- Porsche 957 Cayenne Turbo / Turbo S 4.8L 2007-10
- Porsche 958 Cayenne V6 3.6L Petrol (300Hp) 2010-17
- Porsche 958 Cayenne S V8 4.8L Petrol (400Hp) 2010-17
- Porsche 958 Cayenne GTS V8 4.8L Petrol (400Hp) 2010-17
- Porsche 958 Cayenne Turbo V8 4.8L Petrol (500Hp) 2010-17
- Porsche 958 Cayenne Turbo S V8 4.8L Petrol (550Hp) 2010-17
- Porsche 970.1 Panamera V6 3.6L 2WD 2009-13
- Porsche 970.1 Panamera 4 V6 3.6L 4WD 2009-13
- Porsche 970.1 Panamera S V8 4.8L 2009-13
- Porsche 970.1 Panamera 4S V8 4.8L 2009-13
- Porsche 970.1 Panamera GTS V8 4.8L 2011-13
- Porsche 970.1 Panamera Turbo V8 4.8L 2009-13
- Porsche 970.1 Panamera Turbo S V8 4.8L 2009-13
- Porsche 970.1 Panamera Diesel V6 3.0L 2011-13
- Porsche 970.2 Panamera V6 3.6L 2WD (310Hp) 2014-16
- Porsche 970.2 Panamera 4 V6 3.6L 4WD (310Hp) 2014-16
- Porsche 970.2 Panamera S V6 Turbo 3.0L 2WD (420Hp) 2014-16
- Porsche 970.2 Panamera S V6 Turbo 3.0L 2WD Executive 2014-16
- Porsche 970.2 Panamera 4S V6 Turbo 3.0L 4WD (420Hp) 2014-16
- Porsche 970.2 Panamera 4S V6 Turbo 3.0L 4WD Executive 2014-16
- Porsche 970.2 Panamera GTS V8 4.8L 4WD (440Hp) 2014-16
- Porsche 970.2 Panamera Turbo V8 4.8L (520Hp) 2014-16
- Porsche 970.2 Panamera Turbo V8 Executive 2014-16
- Porsche 970.2 Panamera Turbo S V8 4.8L 2014-16
- Porsche 970.2 Panamera Diesel V6 3.0L (250Hp) 2014-16
- Porsche 95B.1 Macan S Petrol 3.0L V6 (340Bhp) 2014-18
- Porsche 95B.1 Macan S Diesel 3.0L V6 (258Bhp) 2014-18
- Porsche 95B.1 Macan GTS Petrol 3.0L V6 (360Bhp) 2014-18
- Porsche 95B.1 Macan Turbo 3.6L V6 (400Bhp) 2014-18

Past op:
Porsche 957 Cayenne S / GTS / Turbo 4.8L 2007-10
Porsche 958 Cayenne 3.6L / 4.8L 2011-18
Porsche 95B Macan 3.0L / 3.6L 2014-18
Porsche 970 Panamera 3.0L / 3.6L / 4.8L 2011-16
Klik op 'Inzoomen' voor een diagram met grotere onderdelen.
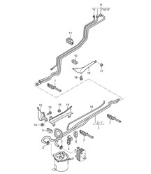
Diagram ref nr. 2
Gerelateerde referentienummers
Gerelateerde, vervangen, kruisverwijzingen of alternatieve nummers ter vergelijking.
94810615401
Het product dat u bekijkt, verwijst naar deze nummers
- Porsche 958 Cayenne V6 3.6L Petrol (300Hp) 2010-17
- Porsche 958 Cayenne V6 3.0L Diesel (245Hp) 2010-17
- Porsche 958 Cayenne S V6 3.0L Hybrid (380Hp) 2010-17
- Porsche 958 Cayenne S V8 4.8L Petrol (400Hp) 2010-17
- Porsche 958 Cayenne S V8 4.2L Diesel (382Hp) 2010-17
- Porsche 958 Cayenne GTS V8 4.8L Petrol (400Hp) 2010-17
- Porsche 958 Cayenne Turbo V8 4.8L Petrol (500Hp) 2010-17
- Porsche 958 Cayenne Turbo S V8 4.8L Petrol (550Hp) 2010-17
- Porsche 970.1 Panamera V6 3.6L 2WD 2009-13
- Porsche 970.1 Panamera 4 V6 3.6L 4WD 2009-13
- Porsche 970.1 Panamera S V8 4.8L 2009-13
- Porsche 970.1 Panamera 4S V8 4.8L 2009-13
- Porsche 970.1 Panamera GTS V8 4.8L 2011-13
- Porsche 970.1 Panamera Turbo V8 4.8L 2009-13
- Porsche 970.1 Panamera Turbo S V8 4.8L 2009-13
- Porsche 970.1 Panamera Diesel V6 3.0L 2011-13
- Porsche 970.1 Panamera S Hybrid V6 3.0L 2011-13
- Porsche 970.2 Panamera V6 3.6L 2WD (310Hp) 2014-16
- Porsche 970.2 Panamera 4 V6 3.6L 4WD (310Hp) 2014-16
- Porsche 970.2 Panamera S V6 Turbo 3.0L 2WD (420Hp) 2014-16
- Porsche 970.2 Panamera S V6 Turbo 3.0L 2WD Executive 2014-16
- Porsche 970.2 Panamera 4S V6 Turbo 3.0L 4WD (420Hp) 2014-16
- Porsche 970.2 Panamera 4S V6 Turbo 3.0L 4WD Executive 2014-16
- Porsche 970.2 Panamera GTS V8 4.8L 4WD (440Hp) 2014-16
- Porsche 970.2 Panamera Turbo V8 4.8L (520Hp) 2014-16
- Porsche 970.2 Panamera Turbo V8 Executive 2014-16
- Porsche 970.2 Panamera Turbo S V8 4.8L 2014-16
- Porsche 970.2 Panamera Diesel V6 3.0L (250Hp) 2014-16
- Porsche 970.2 Panamera S E-Hybrid V6 3.0L (416Hp) 2014-16
- Porsche 928 4.5L 1978-82
- Porsche 928S 4.7L 1981-83
- Porsche 928S2 4.7L 1984-86
Verkocht elk

Past op:
Porsche 928 - 1978 tot 1986
Porsche 970 Panamera - 2010 tot 2016
Porsche 958 Cayenne - 2011 tot 2018
Gerelateerde referentienummers
Gerelateerde, vervangen, kruisverwijzingen of alternatieve nummers ter vergelijking.
90037801301
Het product dat u bekijkt, verwijst naar deze nummers
Maandag-vrijdag: 8.30 - 17.30 uur (GMT) Zaterdag: Gesloten Zondag: Gesloten