Forcelle e boccole
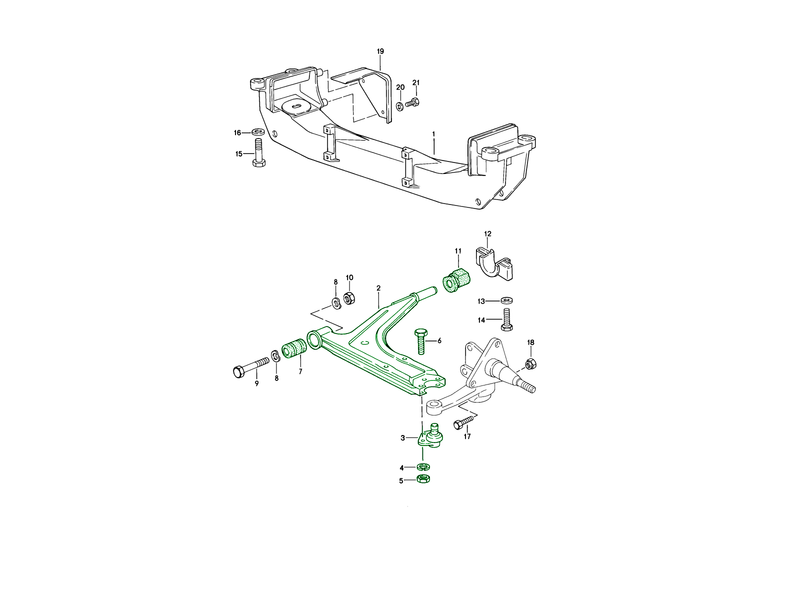
 Kit braccio sospensione inferiore anteriore. Porsche 924/944
                        
                    
            
            
                    Kit braccio sospensione inferiore anteriore. Porsche 924/944
                    - Porsche 924 2.0L 1980-85
- Porsche 924 Turbo 2.0L 1982-84
- Porsche 924 Carrera GTS 2.0L 1982
- Porsche 924S 2.5L 1986-87
- Porsche 924S 2.5L 1988
- Porsche 944 2.5L 8V 1982-87
Il kit include
Braccio inferiore x 2
Giunto sferico inferiore x 2
Kit di ferramenta per giunti sferici x 2
 Boccola del braccio anteriore x 2
 Boccola del braccio posteriore x 2
 Adatto a:
 Porsche 924 - dal 1982 al 1985
 Porsche 924S - dal 1986 al 1988
 Porsche 944 - dal 1982 al 1985
 
Fare clic su "Ingrandisci" per visualizzare il diagramma delle parti più grandi.
 Diagramma Rif. n. 2, 3, 4, 5, 7 e 11
Numeri di riferimento correlati
Numeri correlati, sostituiti, riferimenti incrociati o alternativi per il confronto.
171407153D
Il prodotto che stai visualizzando fa riferimento a questi numeri
Questo kit è composto dai seguenti elementi:
 Boccola braccio oscillante anteriore Porsche 924S / 944 Powerflex serie nera posteriore
                        
                    
            
            
                    Boccola braccio oscillante anteriore Porsche 924S / 944 Powerflex serie nera posteriore
                     
            
            
                    - Porsche 924 2.0L 1976-79
- Porsche 924 2.0L 1980-85
- Porsche 924 Turbo 2.0L 1979-81
- Porsche 924 Turbo 2.0L 1982-84
- Porsche 924 Carrera GT 2.0L 1981
- Porsche 924 Carrera GTS 2.0L 1982
- Porsche 924S 2.5L 1986-87
- Porsche 924S 2.5L 1988
- Porsche 944 2.5L 8V 1982-87
PAIO
Powerflex Black Series - Progettato per la pista - Pronto per la gara - Progettato per essere il migliore.
Le boccole Powerflex Black Series sono prodotte utilizzando una mescola 95 Shore A per fornire il massimo controllo della geometria del telaio. Questa mescola può essere fino all'80% più resistente al carico rispetto alla gomma standard e fino al 25% più rigida rispetto al nostro materiale ad alte prestazioni viola.
Se le tue esigenze sono puramente per il massimo in termini di maneggevolezza e prestazioni del telaio, la serie Powerflex Black è unica e offre l'allineamento più preciso e accurato per il tuo telaio.
La sostituzione delle boccole delle sospensioni in gomma della tua auto con le boccole delle sospensioni in poliuretano ti darà:
- Migliore tenuta di strada
- Geometria dello sterzo costante
- Maggiore durata del pneumatico
- Sterzo più reattivo
- Maggiore durata dei componenti delle sospensioni
Si adatta:
Porsche 924 1976-85
Porsche 924S 1986-88
Porsche 944 1982-85
Diagramma rif. n. 11
Numeri di riferimento correlati
Numeri correlati, sostituiti, riferimenti incrociati o alternativi per il confronto.
PFF85-213BLK
Il prodotto che stai visualizzando fa riferimento a questi numeri
 Acquista in sicurezza
                                Acquista in sicurezza
                            
                             12 mesi di garanzia
                                12 mesi di garanzia
                            
                             Consegna in tutto il mondo
                                Consegna in tutto il mondo
                            
                     Boccola interna braccio oscillante anteriore Porsche 924S / 944 Powerflex posteriore
                        
                    
            
            
                    Boccola interna braccio oscillante anteriore Porsche 924S / 944 Powerflex posteriore
                     
            
            
                    - Porsche 924 2.0L 1976-79
- Porsche 924 2.0L 1980-85
- Porsche 924 Turbo 2.0L 1979-81
- Porsche 924 Turbo 2.0L 1982-84
- Porsche 924 Carrera GT 2.0L 1981
- Porsche 924 Carrera GTS 2.0L 1982
- Porsche 924S 2.5L 1986-87
- Porsche 924S 2.5L 1988
- Porsche 944 2.5L 8V 1982-87
Paio
La sostituzione delle boccole delle sospensioni in gomma della tua auto con le boccole delle sospensioni in poliuretano ti darà:
- Migliore tenuta di strada
- Geometria dello sterzo costante
- Maggiore durata del pneumatico
- Sterzo più reattivo
- Maggiore durata dei componenti delle sospensioni
Si adatta:
Porsche 924 1976-85
Porsche 924S 1986-88
Porsche 944 1982-85
Diagramma rif. n. 11
Numeri di riferimento correlati
Numeri correlati, sostituiti, riferimenti incrociati o alternativi per il confronto.
PFF85-213
Il prodotto che stai visualizzando fa riferimento a questi numeri
 Acquista in sicurezza
                                Acquista in sicurezza
                            
                             12 mesi di garanzia
                                12 mesi di garanzia
                            
                             Consegna in tutto il mondo
                                Consegna in tutto il mondo
                            
                     Staffa di montaggio del morsetto del braccio oscillante. Porsche 924/944
                        
                    
            
            
                    Staffa di montaggio del morsetto del braccio oscillante. Porsche 924/944
                     
            
            
                    - Porsche 924 2.0L 1976-79
- Porsche 924 2.0L 1980-85
- Porsche 924 Turbo 2.0L 1979-81
- Porsche 924 Turbo 2.0L 1982-84
- Porsche 924 Carrera GT 2.0L 1981
- Porsche 924 Carrera GTS 2.0L 1982
- Porsche 924S 2.5L 1986-87
- Porsche 924S 2.5L 1988
- Porsche 944 2.5L 8V 1982-87

Si adatta:
Porsche 924 (1976 - 1985)
Porsche 924 S (1986 - 1988)
Porsche 924 Turbo (1979 - 1982)
Porsche 944 (1982 - 1985)
Fai clic su "Ingrandisci" per il diagramma delle parti di grandi dimensioni.
Diagramma rif. 5
Numeri di riferimento correlati
Numeri correlati, sostituiti, riferimenti incrociati o alternativi per il confronto.
477407169
Il prodotto che stai visualizzando fa riferimento a questi numeri
 Acquista in sicurezza
                                Acquista in sicurezza
                            
                             12 mesi di garanzia
                                12 mesi di garanzia
                            
                             Consegna in tutto il mondo
                                Consegna in tutto il mondo
                            
                     Boccola interna a quadrilatero anteriore. Porsche 924S / 944 Powerflex
                        
                    
            
            
                    Boccola interna a quadrilatero anteriore. Porsche 924S / 944 Powerflex
                     
            
            
                    - Porsche 924 2.0L 1976-79
- Porsche 924 2.0L 1980-85
- Porsche 924 Turbo 2.0L 1979-81
- Porsche 924 Turbo 2.0L 1982-84
- Porsche 924 Carrera GT 2.0L 1981
- Porsche 924 Carrera GTS 2.0L 1982
- Porsche 924S 2.5L 1986-87
- Porsche 924S 2.5L 1988
- Porsche 944 2.5L 8V 1982-87
PAIO

Numero parte OEM: 171407182D
Si adatta:
Porsche 924 1976-85
Porsche 924S 1986-88
Porsche 944 1982-85
Fai clic su "Ingrandisci" per il diagramma delle parti di grandi dimensioni.
Diagramma rif. n. 7.
La sostituzione delle boccole delle sospensioni in gomma della tua auto con le boccole delle sospensioni in poliuretano ti darà:
- Migliore tenuta di strada
- Geometria dello sterzo costante
- Maggiore durata del pneumatico
- Sterzo più reattivo
- Maggiore durata dei componenti delle sospensioni
Numeri di riferimento correlati
Numeri correlati, sostituiti, riferimenti incrociati o alternativi per il confronto.
PFF85-211
Il prodotto che stai visualizzando fa riferimento a questi numeri
 Acquista in sicurezza
                                Acquista in sicurezza
                            
                             12 mesi di garanzia
                                12 mesi di garanzia
                            
                             Consegna in tutto il mondo
                                Consegna in tutto il mondo
                            
                     Boccola interna anteriore a quadrilatero. Porsche 924S / 944 Powerflex serie nera
                        
                    
            
            
                    Boccola interna anteriore a quadrilatero. Porsche 924S / 944 Powerflex serie nera
                     
            
            
                    - Porsche 924 2.0L 1976-79
- Porsche 924 2.0L 1980-85
- Porsche 924 Turbo 2.0L 1979-81
- Porsche 924 Turbo 2.0L 1982-84
- Porsche 924 Carrera GT 2.0L 1981
- Porsche 924 Carrera GTS 2.0L 1982
- Porsche 924S 2.5L 1986-87
- Porsche 924S 2.5L 1988
- Porsche 944 2.5L 8V 1982-87
PAIO
Powerflex Black Series - Progettato per la pista - Pronto per la gara - Progettato per essere il migliore.
Le boccole Powerflex Black Series sono prodotte utilizzando una mescola 95 Shore A per fornire il massimo controllo della geometria del telaio. Questa mescola può essere fino all'80% più resistente al carico rispetto alla gomma standard e fino al 25% più rigida rispetto al nostro materiale ad alte prestazioni viola.
Se le tue esigenze sono puramente per il massimo in termini di maneggevolezza e prestazioni del telaio, la serie Powerflex Black è unica e offre l'allineamento più preciso e accurato per il tuo telaio.
La sostituzione delle boccole delle sospensioni in gomma della tua auto con le boccole delle sospensioni in poliuretano ti darà:
- Migliore tenuta di strada
- Geometria dello sterzo costante
- Maggiore durata del pneumatico
- Sterzo più reattivo
- Maggiore durata dei componenti delle sospensioni
Si adatta:
Porsche 924 1976-85
Porsche 924S 1986-88
Porsche 944 1982-85
Diagramma rif. n. 7.
Numeri di riferimento correlati
Numeri correlati, sostituiti, riferimenti incrociati o alternativi per il confronto.
PFF85-211BLK
Il prodotto che stai visualizzando fa riferimento a questi numeri
 Acquista in sicurezza
                                Acquista in sicurezza
                            
                             12 mesi di garanzia
                                12 mesi di garanzia
                            
                             Consegna in tutto il mondo
                                Consegna in tutto il mondo
                            
                     Boccola interna a quadrilatero anteriore. Collezione Porsche 924S / 944 Powerflex Heritage
                        
                    
            
            
                    Boccola interna a quadrilatero anteriore. Collezione Porsche 924S / 944 Powerflex Heritage
                     
            
            
                    - Porsche 924 2.0L 1976-79
- Porsche 924 2.0L 1980-85
- Porsche 924 Turbo 2.0L 1979-81
- Porsche 924 Turbo 2.0L 1982-84
- Porsche 924 Carrera GT 2.0L 1981
- Porsche 924 Carrera GTS 2.0L 1982
- Porsche 924S 2.5L 1986-87
- Porsche 924S 2.5L 1988
- Porsche 944 2.5L 8V 1982-87
Venduto in coppia (entrambe le braccia)

Numero parte OEM: 171407182
Si adatta:
Porsche 924 1976-85
Porsche 924S 1986-88
Porsche 944 1982-85
Fai clic su "Ingrandisci" per il diagramma delle parti di grandi dimensioni.
Diagramma rif. n. 7.
Collezione Powerflex Heritage. Per i classici moderni.
Una gamma di boccole progettate per la strada per completare la tua auto d'epoca.
Le boccole POWERFLEX Heritage Collection sono prodotte utilizzando materiali moderni con proprietà orientate alla strada. Queste boccole di colore grigio scuro miglioreranno qualsiasi auto da collezione, pur mantenendo lo stesso aspetto standard di una boccola in gomma.
Numeri di riferimento correlati
Numeri correlati, sostituiti, riferimenti incrociati o alternativi per il confronto.
PFF85-211H
Il prodotto che stai visualizzando fa riferimento a questi numeri
 Acquista in sicurezza
                                Acquista in sicurezza
                            
                             12 mesi di garanzia
                                12 mesi di garanzia
                            
                             Consegna in tutto il mondo
                                Consegna in tutto il mondo
                            
                     Boccola interna a quadrilatero posteriore. Porsche 924S/944
                        
                    
            
            
                    Boccola interna a quadrilatero posteriore. Porsche 924S/944
                     
            
            
                    - Porsche 924 2.0L 1976-79
- Porsche 924 2.0L 1980-85
- Porsche 924 Turbo 2.0L 1979-81
- Porsche 924 Turbo 2.0L 1982-84
- Porsche 924 Carrera GT 2.0L 1981
- Porsche 924 Carrera GTS 2.0L 1982
- Porsche 924S 2.5L 1986-87
- Porsche 924S 2.5L 1988
- Porsche 944 2.5L 8V 1982-87

Si adatta:
Porsche 924 1976-85
Porsche 924S 1986-88
Porsche 944 1982-85
Fai clic su "ingrandisci" per il diagramma delle parti di grandi dimensioni.
Diagramma rif. n. 11.
Numeri di riferimento correlati
Numeri correlati, sostituiti, riferimenti incrociati o alternativi per il confronto.
477407181B
Il prodotto che stai visualizzando fa riferimento a questi numeri
 Acquista in sicurezza
                                Acquista in sicurezza
                            
                             12 mesi di garanzia
                                12 mesi di garanzia
                            
                             Consegna in tutto il mondo
                                Consegna in tutto il mondo
                            
                     Boccola interna a quadrilatero posteriore. Porsche 924S/944
                        
                    
            
            
                    Boccola interna a quadrilatero posteriore. Porsche 924S/944
                     
            
            
                    - Porsche 924 2.0L 1976-79
- Porsche 924 2.0L 1980-85
- Porsche 924 Turbo 2.0L 1979-81
- Porsche 924 Turbo 2.0L 1982-84
- Porsche 924 Carrera GT 2.0L 1981
- Porsche 924 Carrera GTS 2.0L 1982
- Porsche 924S 2.5L 1986-87
- Porsche 924S 2.5L 1988
- Porsche 944 2.5L 8V 1982-87
 o
 o 
Si adatta:
Porsche 924 1976-85
Porsche 924S 1986-88
Porsche 944 1982-85
Fai clic su "ingrandisci" per il diagramma delle parti di grandi dimensioni.
Diagramma rif. n. 11.
Numeri di riferimento correlati
Numeri correlati, sostituiti, riferimenti incrociati o alternativi per il confronto.
477407181B
Il prodotto che stai visualizzando fa riferimento a questi numeri
 Acquista in sicurezza
                                Acquista in sicurezza
                            
                             12 mesi di garanzia
                                12 mesi di garanzia
                            
                             Consegna in tutto il mondo
                                Consegna in tutto il mondo
                            
                     Boccola interna a quadrilatero posteriore. Collezione Porsche 924S / 944 Powerflex Heritage
                        
                    
            
            
                    Boccola interna a quadrilatero posteriore. Collezione Porsche 924S / 944 Powerflex Heritage
                     
            
            
                    - Porsche 924 2.0L 1976-79
- Porsche 924 2.0L 1980-85
- Porsche 924 Turbo 2.0L 1979-81
- Porsche 924 Turbo 2.0L 1982-84
- Porsche 924 Carrera GT 2.0L 1981
- Porsche 924 Carrera GTS 2.0L 1982
- Porsche 924S 2.5L 1986-87
- Porsche 924S 2.5L 1988
- Porsche 944 2.5L 8V 1982-87
Venduto in coppia (entrambi i bracci trasversali)

Questa parte sostituisce il numero di parte OEM: 171407181A.
Si adatta:
Porsche 924 1976-85
Porsche 924S 1986-88
Porsche 944 1982-85
Diagramma rif. n. 11
Collezione Powerflex Heritage. Per i classici moderni.
Una gamma di boccole progettate per la strada per completare la tua auto d'epoca.
Le boccole POWERFLEX Heritage Collection sono prodotte utilizzando materiali moderni con proprietà orientate alla strada. Queste boccole di colore grigio scuro miglioreranno qualsiasi auto da collezione, pur mantenendo lo stesso aspetto standard di una boccola in gomma.
Numeri di riferimento correlati
Numeri correlati, sostituiti, riferimenti incrociati o alternativi per il confronto.
PFF85-213H
Il prodotto che stai visualizzando fa riferimento a questi numeri
 Acquista in sicurezza
                                Acquista in sicurezza
                            
                             12 mesi di garanzia
                                12 mesi di garanzia
                            
                             Consegna in tutto il mondo
                                Consegna in tutto il mondo
                            
                     Boccola interna del braccio oscillante posteriore. Porsche 924S / 944 SuperPro
                        
                    
            
            
                    Boccola interna del braccio oscillante posteriore. Porsche 924S / 944 SuperPro
                     
            
            
                    - Porsche 924 2.0L 1976-79
- Porsche 924 2.0L 1980-85
- Porsche 924 Turbo 2.0L 1979-81
- Porsche 924 Turbo 2.0L 1982-84
- Porsche 924 Carrera GT 2.0L 1981
- Porsche 924 Carrera GTS 2.0L 1982
- Porsche 924S 2.5L 1986-87
- Porsche 924S 2.5L 1988
- Porsche 944 2.5L 8V 1982-87
Sostituzione per parti Porsche n. 477407181A
PAIO

Si adatta:
Porsche 924 1976-85
Porsche 924S 1986-88
Porsche 944 1982-85
La sostituzione delle boccole delle sospensioni in gomma della tua auto con le boccole delle sospensioni in poliuretano ti darà:
- Migliore tenuta di strada
- Geometria dello sterzo costante
- Maggiore durata del pneumatico
- Sterzo più reattivo
- Maggiore durata dei componenti delle sospensioni
Fai clic su "Ingrandisci" per il diagramma delle parti di grandi dimensioni
Diagramma rif. n. 11.
Numeri di riferimento correlati
Numeri correlati, sostituiti, riferimenti incrociati o alternativi per il confronto.
SPF0648K
Il prodotto che stai visualizzando fa riferimento a questi numeri
 Acquista in sicurezza
                                Acquista in sicurezza
                            
                             12 mesi di garanzia
                                12 mesi di garanzia
                            
                             Consegna in tutto il mondo
                                Consegna in tutto il mondo
                            
                     Boccola interna del braccio oscillante, anteriore. Porsche 924S/944
                        
                    
            
            
                    Boccola interna del braccio oscillante, anteriore. Porsche 924S/944
                     
            
            
                    - Porsche 924 2.0L 1976-79
- Porsche 924 2.0L 1980-85
- Porsche 924 Turbo 2.0L 1979-81
- Porsche 924 Turbo 2.0L 1982-84
- Porsche 924 Carrera GT 2.0L 1981
- Porsche 924 Carrera GTS 2.0L 1982
- Porsche 924S 2.5L 1986-87
- Porsche 924S 2.5L 1988
- Porsche 944 2.5L 8V 1982-87

Si adatta:
Porsche 924 1976-85
Porsche 924S 1986-88
Porsche 944 1982-85
Il prezzo è per ciascuno.
Fai clic su "ingrandisci" per il diagramma delle parti di grandi dimensioni.
Diagramma rif. n. 7.
Numeri di riferimento correlati
Numeri correlati, sostituiti, riferimenti incrociati o alternativi per il confronto.
171407182D
Il prodotto che stai visualizzando fa riferimento a questi numeri
 Acquista in sicurezza
                                Acquista in sicurezza
                            
                             12 mesi di garanzia
                                12 mesi di garanzia
                            
                             Consegna in tutto il mondo
                                Consegna in tutto il mondo
                            
                     Boccola interna del braccio oscillante, anteriore. Porsche 924S/944
                        
                    
            
            
                    Boccola interna del braccio oscillante, anteriore. Porsche 924S/944
                     
            
            
                    - Porsche 924 2.0L 1976-79
- Porsche 924 2.0L 1980-85
- Porsche 924 Turbo 2.0L 1979-81
- Porsche 924 Turbo 2.0L 1982-84
- Porsche 924 Carrera GT 2.0L 1981
- Porsche 924 Carrera GTS 2.0L 1982
- Porsche 924S 2.5L 1986-87
- Porsche 924S 2.5L 1988
- Porsche 944 2.5L 8V 1982-87
Spessore: 61,0 mm
Diametro interno: 12,0 mm
Diametro esterno: 32,0 mm
20,0 mm

Si adatta:
Porsche 924 1976-85
Porsche 924S 1986-88
Porsche 944 1982-85
Il prezzo è per ciascuno.
Fai clic su "ingrandisci" per il diagramma delle parti di grandi dimensioni.
Diagramma rif. n. 7.
Numeri di riferimento correlati
Numeri correlati, sostituiti, riferimenti incrociati o alternativi per il confronto.
171407182D
Il prodotto che stai visualizzando fa riferimento a questi numeri
 Acquista in sicurezza
                                Acquista in sicurezza
                            
                             12 mesi di garanzia
                                12 mesi di garanzia
                            
                             Consegna in tutto il mondo
                                Consegna in tutto il mondo
                            
                    Bracci trasversali e boccole Porsche | Componenti per sospensioni Design911 per allineamento, comfort e precisione di guida
I bracci trasversali e le boccole sono componenti essenziali del sistema di sospensioni della tua Porsche, responsabili del mantenimento di un allineamento preciso delle ruote, di un movimento fluido e di una maneggevolezza stabile. Il braccio oscillante (noto anche come braccio di controllo) collega il telaio al mozzo della sospensione, mentre le boccole forniscono ammortizzazione e flessibilità tra i componenti metallici. Insieme, assorbono le vibrazioni della strada, controllano le variazioni di geometria e garantiscono una risposta precisa dello sterzo.
Da Design911, forniamo una selezione completa di bracci trasversali e boccole, progettati con precisione per garantire resistenza, durata e comfort. Realizzati in leghe di alta qualità e gomma o poliuretano ad alte prestazioni, i nostri componenti offrono stabilità duratura e un feedback migliorato. Che si tratti di manutenzione, restauro o messa a punto delle prestazioni, i nostri bracci trasversali e boccole contribuiscono a ripristinare la maneggevolezza reattiva e il comfort raffinato che definiscono l'ingegneria Porsche.
A cosa servono i bracci oscillanti e i cespugli?
Questi componenti lavorano insieme per supportare il movimento delle sospensioni mantenendo al contempo una geometria precisa sotto carico.
 Funzioni principali:
 • Collegare il portaruota al telaio per un movimento controllato.
 • Mantenere il corretto allineamento di camber, caster e toe.
 • Ridurre le vibrazioni e il rumore trasmessi attraverso le sospensioni.
 • Assorbono gli urti della strada per una guida più fluida e confortevole.
 • Migliora la precisione dello sterzo e l'equilibrio della maneggevolezza.
Bracci trasversali e boccole sani sono essenziali per mantenere la maneggevolezza della tua Porsche precisa, prevedibile e confortevole in tutte le condizioni di guida.
Perché i bracci trasversali e le boccole si rompono o si degradano?
Nel tempo, lo stress costante, l'esposizione ambientale e le condizioni stradali possono causare usura, corrosione o affaticamento di queste parti.
 Le cause più comuni di guasto includono:
 • Boccole in gomma usurate o screpolate che riducono la stabilità delle sospensioni.
 • Corrosione o affaticamento nei bracci oscillanti.
 • Danni da impatto causati da buche o cordoli.
 • Movimenti eccessivi che causano un'usura irregolare degli pneumatici.
 • Deterioramento dovuto all'età che provoca vibrazioni o rumori di battito.
I bracci trasversali o le boccole usurati possono causare un cattivo allineamento, gioco dello sterzo, vibrazioni e perdita di precisione di guida, compromettendo sia il comfort che la sicurezza.
Perché sostituire o aggiornare i bracci trasversali e le boccole della tua Porsche?
La sostituzione dei componenti delle sospensioni usurati ripristina l'allineamento, la precisione di guida e il comfort di guida. Le boccole ad alte prestazioni migliorano anche il feedback e riducono i movimenti della carrozzeria, ideali per la pista o la guida sportiva.
 Vantaggi principali:
 • Ripristina la corretta geometria e allineamento delle sospensioni.
 • Migliora la risposta dello sterzo e la stabilità di guida.
 • Riduce vibrazioni, ruvidità e rumore.
 • Disponibile con opzioni di boccole standard o performanti.
 • Adatto ai modelli Porsche 911, Boxster, Cayman, Cayenne, Macan e Panamera.
 • Perfetto per interventi di manutenzione, restauro o messa a punto delle sospensioni.
I bracci trasversali e le boccole Porsche di Design911 garantiscono la resistenza, la precisione e il comfort che i conducenti Porsche si aspettano, garantendo un perfetto equilibrio tra controllo e raffinatezza.
Punti salienti
 • Bracci trasversali e boccole Porsche di alta qualità.
 • Progettato con precisione per l'allineamento e il controllo delle sospensioni.
 • Realizzato con leghe resistenti alla corrosione e materiali di alta qualità.
 • Ripristina la precisione di guida e riduce rumore e vibrazioni.
 • Adatto sia ai modelli Porsche moderni che a quelli classici.
 • Perfetto per manutenzione, restauro o potenziamento delle prestazioni.
 
 
        
 
                 
                 
                 
                 
                 
                 
                 
                 
                 
                 
                 
                 
                 
                 
                 
                 
                 
                 
                 
                 
                 
                 
                 
                 
                 
                 
                 
                