Refroidisseurs d'huile / radiateurs / échangeurs de chaleur
Tuyau de reniflard. Porsche 996/997.1 1998-08
- Porsche 996 C2 3.4L 1997-08/01
- Porsche 996 C4 3.4L 1997-08/01
- Porsche 996 C2 3.6L 09/01-2005
- Porsche 996 C4 3.6L 09/01-2005
- Porsche 996 C4S 3.6L 09/01-2005
- Porsche 997 MK1 Carrera 2 3.6L 2005-08
- Porsche 997 MK1 Carrera 2S 3.8L 2005-08
- Porsche 997 MK1 Carrera 4 3.6L 2005-08
- Porsche 997 MK1 Carrera 4S 3.8L 2005-08
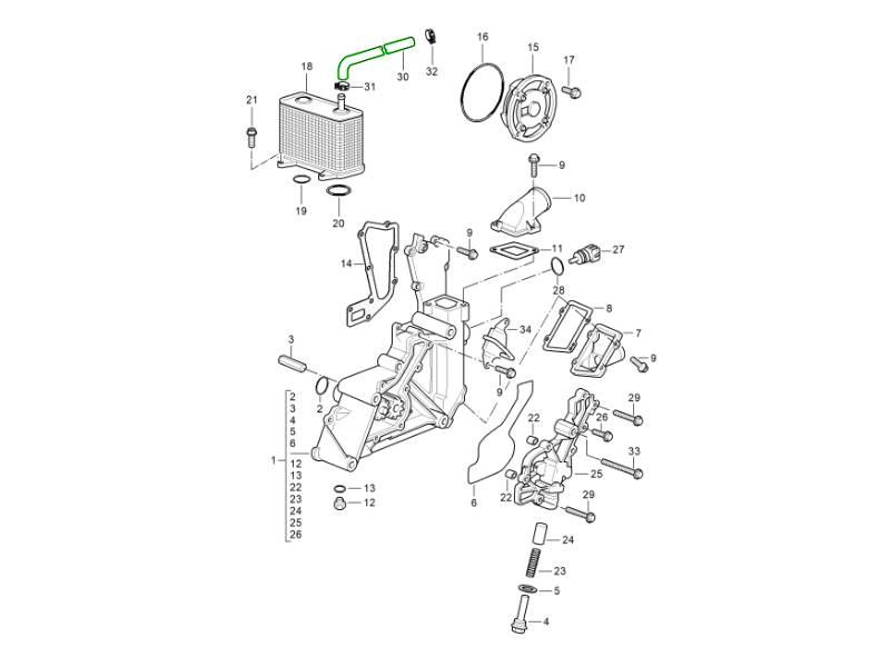
Restaurez la ventilation du moteur de votre Porsche 911 (séries 996/997) grâce à ce tuyau de reniflard d'origine. Situé en haut du refroidisseur d'huile, il relie le circuit de reniflard ou de ventilation, garantissant ainsi un flux d'air et de vapeurs d'huile optimal et l'intégrité du système.
Convient à :
- Porsche 996 C2 3.4L 1997-08/01
- Porsche 996 C4 3.4L 1997-08/01
- Porsche 996 C2 3.6L 09/01-2005
- Porsche 996 C4 3.6L 09/01-2005
- Porsche 996 C4S 3.6L 09/01-2005
- Porsche 997 MK1 Carrera2 3.6L 2005-08
- Porsche 997 MK1 Carrera 2S 3.8L 2005-08
- Porsche 997 MK1 Carrera 4 3.6L 2005-08
- Porsche 997 MK1 Carrera 4S 3.8L 2005-08
Schéma de référence n° 30
Ce que fait ce produit :
- Le tuyau de reniflard fait partie du système de ventilation du moteur, ou du système de gestion air-huile/carter. Dans ce cas, il est situé en haut du refroidisseur d'huile, ce qui peut signifier qu'il relie la sortie de ventilation du carter ou du reniflard du moteur à l'admission ou à un autre système.
- Sa fonction principale : fournir un chemin aux gaz (soufflage, vapeur, pression) du moteur ou de la zone du refroidisseur d'huile vers le système d'admission ou le chemin d'évacuation sûr.
- Le tuyau doit résister à la chaleur du moteur, aux cycles de pression/vide, aux vibrations et à l’exposition à l’huile ou à la vapeur, et fournir une connexion sans fuite.
- Un bon fonctionnement permet de maintenir une pression correcte du carter, d'éviter une accumulation excessive de pression ou de vide, de contrôler les émissions, de maintenir le circuit du refroidisseur d'huile en bon état de fonctionnement et de garantir que le système de ventilation du moteur ne permet pas à l'air ou à la vapeur d'huile de s'échapper ou de pénétrer de manière incorrecte.
Symptômes d'usure ou de défaillance :
- Vapeur ou odeur d'huile autour du compartiment moteur, en particulier près de la zone du refroidisseur d'huile ou du cheminement du tuyau, indiquant une fuite de gaz de carter.
- Fissures visibles, fentes, fragilité ou effondrement du tuyau : les vieux tuyaux peuvent durcir, se fissurer ou s'effondrer à l'intérieur, provoquant un blocage ou une fuite.
- Comportement inhabituel du moteur : par exemple, augmentation de la consommation d'huile, légère fumée du moteur ou comportement inhabituel de l'admission/du vide — si la ventilation est compromise.
- Vérifiez les avertissements du moteur ou des émissions : un tuyau de reniflard endommagé peut entraîner l'induction d'air ou de vapeurs non dosés, affectant la gestion du moteur.
- Contamination de la zone du refroidisseur d'huile : Étant donné que le tuyau est décrit comme étant situé au sommet du refroidisseur d'huile, si des dépôts contaminés par de l'huile ou de la vapeur sont visibles à cet endroit, le tuyau peut être défectueux.
- Maintient une ventilation correcte du moteur : Un bon tuyau de reniflard assure un bon débit du carter/ventilation et empêche l'accumulation de pression ou les conditions de vide qui peuvent entraîner des fuites ou des défaillances de pièces (joints, joints).
- Protège le circuit du refroidisseur d'huile et les composants du moteur : Étant donné que ce tuyau est situé au sommet du refroidisseur d'huile, son remplacement permet de garantir que le refroidisseur d'huile et les tuyaux associés restent non contaminés par des vapeurs ou des brouillards d'huile s'échappant via des tuyaux dégradés.
- Améliore la fiabilité : Étant donné que ces tuyaux sont soumis à la chaleur, à la pression et au vieillissement, leur remplacement proactif évite une défaillance soudaine, qui pourrait laisser la voiture en panne ou provoquer des problèmes de moteur.
Numéros de référence associés
Numéros associés, remplacés, de référence croisée ou alternatifs à des fins de comparaison.
99610623053
Le produit que vous consultez fait référence à ces numéros
Achetez en toute sécurité
Garantie 12 mois
Livraison mondiale
Testeur de radiateur d'huile moteur / échangeur de chaleur pour Porsche 996 / 997
- Porsche 996 C2 3.4L 1997-08/01
- Porsche 996 C4 3.4L 1997-08/01
- Porsche 996 C2 3.6L 09/01-2005
- Porsche 996 C4 3.6L 09/01-2005
- Porsche 996 C4S 3.6L 09/01-2005
- Porsche 997 MK1 Carrera 2 3.6L 2005-08
- Porsche 997 MK1 Carrera 2S 3.8L 2005-08
- Porsche 997 MK1 Carrera 4 3.6L 2005-08
- Porsche 997 MK1 Carrera 4S 3.8L 2005-08
- Porsche 997 MKII Carrera C2 3.6L 2009-12
- Porsche 997 MKII Carrera C4 3.6L 2009-12
- Porsche 997 MKII Carrera C2S 3.8L 2009-12
- Porsche 997 MKII Carrera C4S 3.8L 2009-12

Certains moteurs M96/M97 subissent un mélange huile-liquide de refroidissement. Bien qu'il existe potentiellement plusieurs sources de mélange, les échangeurs de chaleur huile-liquide de refroidissement défectueux montés sur le moteur sont une source majeure. Maintenant, avec le testeur d'échangeur de chaleur M96 de STOMSKI RACING, vous pouvez confirmer si votre échangeur est défectueux et doit être remplacé, ou si la source de la contamination est ailleurs. Cet outil de haute qualité est usiné CNC à partir d'aluminium 6061, anodisé pour des années de service, et est livré avec toutes les jauges, joints et matériel.
Achetez en toute sécurité
Garantie 12 mois
Livraison mondiale
Adaptateur échangeur de chaleur pour Porsche 996 / 997
- Porsche 996 C2 3.4L 1997-08/01
- Porsche 996 C4 3.4L 1997-08/01
- Porsche 996 C2 3.6L 09/01-2005
- Porsche 996 C4 3.6L 09/01-2005
- Porsche 996 C4S 3.6L 09/01-2005
- Porsche 997 MK1 Carrera 2 3.6L 2005-08
- Porsche 997 MK1 Carrera 2S 3.8L 2005-08
- Porsche 997 MK1 Carrera 4 3.6L 2005-08
- Porsche 997 MK1 Carrera 4S 3.8L 2005-08
- Porsche 997 MKII Carrera C2 3.6L 2009-12
- Porsche 997 MKII Carrera C4 3.6L 2009-12
- Porsche 997 MKII Carrera C2S 3.8L 2009-12
- Porsche 997 MKII Carrera C4S 3.8L 2009-12

La conception compacte et efficace des échangeurs de chaleur huile-liquide de refroidissement M96/M97 s'est avérée utile pour autre chose que le refroidissement du moteur. En montant à distance les échangeurs M96/M97, les températures de la boîte de vitesses et/ou de la crémaillère de direction peuvent être réduites et la durée de vie de ces composants considérablement prolongée.
L'adaptateur d'échangeur de chaleur M96 de STOMSKI RACING permet un montage à distance pratique et comprend votre choix de raccords -6 ou -8 AN. Cette plaque d'adaptation de haute qualité est usinée CNC à partir d'aluminium 6061, anodisée pour des années de service, et comprend des joints et du matériel.
Achetez en toute sécurité
Garantie 12 mois
Livraison mondiale
Refroidisseur d'huile de radiateur sur le moteur. Porsche 996 / 997 / 986S
- Porsche Boxster S 986 3.2L 1999-02
- Porsche Boxster S 986 3.2L 2003-04
- Porsche Boxster 987 S 3.2/3.4L 2005-08/08
- Porsche 996 C2 3.4L 1997-08/01
- Porsche 996 C4 3.4L 1997-08/01
- Porsche 996 C2 3.6L 09/01-2005
- Porsche 996 C4 3.6L 09/01-2005
- Porsche 996 C4S 3.6L 09/01-2005
- Porsche 996 TURBO 2000-05
- Porsche 996 GT2 2001-05
- Porsche 996 GT3 MKI 1999-02
- Porsche 996 GT3 MKII 2003>>
- Porsche 996 GT3 RS 2003-04
- Porsche 997 MK1 Carrera 2 3.6L 2005-08
- Porsche 997 MK1 Carrera 4 3.6L 2005-08

Convient :
Porsche 996 1998-05
Porsche 997 3.6L
Porsche 986 Boxster S 3.2L
Porsche 987 Boxster S 3.4L
Cliquez sur "Zoom avant" pour le schéma des grandes pièces.
Schéma Ref No 18.
Numéros de référence associés
Numéros associés, remplacés, de référence croisée ou alternatifs à des fins de comparaison.
99610702559
Le produit que vous consultez fait référence à ces numéros
Achetez en toute sécurité
Garantie 12 mois
Livraison mondiale
Refroidisseur d'huile de radiateur sur le moteur. Porsche 996 / 997 / 986S
- Porsche Boxster S 986 3.2L 1999-02
- Porsche Boxster S 986 3.2L 2003-04
- Porsche Boxster 987 S 3.2/3.4L 2005-08/08
- Porsche 996 C2 3.4L 1997-08/01
- Porsche 996 C4 3.4L 1997-08/01
- Porsche 996 C2 3.6L 09/01-2005
- Porsche 996 C4 3.6L 09/01-2005
- Porsche 996 C4S 3.6L 09/01-2005
- Porsche 996 TURBO 2000-05
- Porsche 996 GT2 2001-05
- Porsche 996 GT3 MKI 1999-02
- Porsche 996 GT3 MKII 2003>>
- Porsche 996 GT3 RS 2003-04
- Porsche 997 MK1 Carrera 2 3.6L 2005-08
- Porsche 997 MK1 Carrera 4 3.6L 2005-08

Convient :
Porsche 996 1998-05
Porsche 997 3.6L
Porsche 986 Boxster S 3.2L
Porsche 987 Boxster S 3.4L
Cliquez sur "Zoom avant" pour le schéma des grandes pièces.
Schéma Ref No 18.
Numéros de référence associés
Numéros associés, remplacés, de référence croisée ou alternatifs à des fins de comparaison.
99610702559
Le produit que vous consultez fait référence à ces numéros
Achetez en toute sécurité
Garantie 12 mois
Livraison mondiale
Refroidisseur d'huile de radiateur sur le moteur. Porsche 996 / 997 / 986S
- Porsche Boxster S 986 3.2L 1999-02
- Porsche Boxster S 986 3.2L 2003-04
- Porsche Boxster 987 S 3.2/3.4L 2005-08/08
- Porsche 996 C2 3.4L 1997-08/01
- Porsche 996 C4 3.4L 1997-08/01
- Porsche 996 C2 3.6L 09/01-2005
- Porsche 996 C4 3.6L 09/01-2005
- Porsche 996 C4S 3.6L 09/01-2005
- Porsche 996 TURBO 2000-05
- Porsche 996 GT2 2001-05
- Porsche 996 GT3 MKI 1999-02
- Porsche 996 GT3 MKII 2003>>
- Porsche 996 GT3 RS 2003-04
- Porsche 997 MK1 Carrera 2 3.6L 2005-08
- Porsche 997 MK1 Carrera 4 3.6L 2005-08

Convient :
Porsche 996 1998-05
Porsche 997 3.6L
Porsche 986 Boxster S 3.2L
Porsche 987 Boxster S 3.4L
Cliquez sur "Zoom avant" pour le schéma des grandes pièces.
Schéma Ref No 18.
Numéros de référence associés
Numéros associés, remplacés, de référence croisée ou alternatifs à des fins de comparaison.
99610702559
Le produit que vous consultez fait référence à ces numéros
Achetez en toute sécurité
Garantie 12 mois
Livraison mondiale
Refroidisseurs d'huile moteur, radiateurs et échangeurs de chaleur – Refroidissement de précision pour les performances Porsche
Le système de refroidissement d'huile moteur et d'échangeur de chaleur joue un rôle essentiel dans la gestion de la température du moteur de votre Porsche. En évacuant l'excès de chaleur de l'huile et des autres fluides, ces composants assurent des températures de fonctionnement stables, une lubrification constante et une longévité maximale du moteur, notamment dans des conditions de performance exigeantes.
Chez Design911, nous proposons une gamme complète de refroidisseurs d'huile moteur, de radiateurs et d'échangeurs de chaleur pour Porsche, anciens et récents. Fabriqués en aluminium haute performance ou en matériaux composites renforcés, ces composants sont conçus pour offrir des performances de refroidissement supérieures, une durabilité et un ajustement parfait, garantissant ainsi à votre Porsche des performances optimales, sur route comme sur circuit.
Qu'il s'agisse de remplacer une unité usée ou de procéder à une mise à niveau pour une meilleure efficacité thermique, nos composants de refroidissement d'huile offrent un contrôle fiable de la température et des performances améliorées.
À quoi servent les refroidisseurs d’huile moteur, les radiateurs et les échangeurs de chaleur ?
Ces composants régulent les températures de l’huile et du moteur pour maintenir des performances optimales et éviter la surchauffe.
Fonctions principales :
- Dissipe l’excès de chaleur de l’huile moteur, du liquide de refroidissement ou du liquide de transmission.
- Maintenez une viscosité d’huile constante et évitez les pannes sous charge.
- Protégez les composants internes du moteur contre l’usure et les pannes liées à la chaleur.
- Améliorez l'efficacité globale des performances lors de longs trajets ou de séances sur piste.
Ensemble, le refroidisseur d'huile, le radiateur et l'échangeur de chaleur forment un système de gestion thermique essentiel, aidant votre Porsche à fonctionner à des performances optimales tout en protégeant les composants vitaux.
Pourquoi les refroidisseurs d’huile et les échangeurs de chaleur tombent-ils en panne ?
Au fil du temps, l’exposition aux cycles de chaleur, aux vibrations et aux contaminants peut entraîner une perte d’efficacité ou une panne complète.
Les causes courantes d’échec comprennent :
- Corrosion ou fissures dues à l’âge ou à l’impact des débris de la route.
- Obstruction interne causée par des boues ou de l’huile contaminée.
- Fuites au niveau des joints ou des raccords , réduisant la pression et l'efficacité du fluide.
- Fatigue thermique , entraînant une réduction de la capacité de refroidissement.
- Mauvais entretien ou négligence du liquide de refroidissement, accélérant la détérioration.
Les symptômes de défaillance peuvent inclure des températures d’huile élevées, des fuites d’huile, une contamination du liquide de refroidissement ou des performances réduites du moteur, qui signalent tous la nécessité d’une inspection ou d’un remplacement.
Pourquoi remplacer les composants du refroidissement d’huile ?
Remplacer un refroidisseur d'huile, un radiateur ou un échangeur thermique usé ou présentant une fuite est essentiel pour préserver la qualité de la lubrification et éviter des dommages coûteux dus à la surchauffe. Nos composants, parfaitement ajustés et hautement durables, rétablissent un refroidissement optimal et une fiabilité optimale en toutes circonstances.
Principaux avantages :
- Rétablit une régulation efficace de la température de l'huile et des fluides.
- Empêche la surchauffe et l'usure du moteur.
- Améliore la fiabilité en cas de forte charge ou d'utilisation sur piste.
- Fabriqué à partir de matériaux résistants à la corrosion et hautes performances.
- Compatibilité directe avec les moteurs Porsche classiques et modernes.
- Idéal pour les reconstructions, l'entretien et les mises à niveau des performances.
La mise à niveau ou le remplacement des composants de votre système de refroidissement contribue à garantir que le moteur de votre Porsche reste efficace, durable et prêt pour une conduite dynamique.
Points forts:
- Gamme complète de refroidisseurs d'huile, de radiateurs et d'échangeurs de chaleur Porsche.
- Conçu avec précision pour un contrôle constant de la température.
- Fabriqué à partir de matériaux légers et résistants à la corrosion.
- Conçu pour la fiabilité dans les conditions de route et de sport automobile.
- Améliore la lubrification et protège les performances du moteur.
- Parfait pour l'entretien, les reconstructions ou les améliorations des performances.