n'appuyez pas sur le bouton de retour…
-
Pièces de moteur
-
- Refroidissement du moteur Tuyaux d'eau / de liquide de refroidissement Radiateurs eau / liquide de refroidissement Radiateurs de refroidissement pour piste et course Pompes à eau / liquide de refroidissement Bouteilles de liquide de refroidissement / Vases d'expansion Thermostat / Capteur de température Radiateurs d'huile / Échangeurs de chaleur Système et tuyaux d'huile Réservoir d'huile Pièces d'aération Huile moteur
-
- Composants électriques du moteur Capteurs de masse/débit d'air Alternateur / Générateur Batteries et chargeurs Soupape de démarrage à froid Distributeur Capuchon de distributeur Bras de rotor / ensembles de points Relais / Fusibles Bobine d'allumage Unités de commande d'allumage Kits de câbles d'allumage toutes catégories
-
- Pièces de reconstruction de moteur Pièces du système d'huile Pièces du système de carburant Joints et jeux Joint Radial / RMS / Arbre à Cames / Arbre d'équilibrage Courroies / Tendeurs / Rouleaux Chaînes et tendeurs Carters et joints de distribution Roulements moteur / Coquilles Soupapes moteur / Guides / Ressorts Goujons de culasse de moteur Supports de moteur Segments de piston Cylindres de moteur / Chemises / Pistons Bielle Culasse Arbre à cames et pièces Engrenages / pignons d'arbre à cames et fixations Pièces de carter Vilebrequin et pièces Turbocompresseurs / Intercooler et pièces Admission d'air et injection Carburateurs et pièces toutes catégories
-
-
Freins
-
- Freins Pack plaquettes et disques de frein Ensembles de plaquettes de frein Disque de frein standard Plaquettes de frein standard Disque de frein SPORT Freins Brembo standard Freins Brembo Racing Freins TEXTAR Freins de course PAGID Freins Zimmermann Freins Performance Friction Freins performants SHW Freins EBC Freins Black Diamond Performance Ligne Graphite Rotinger Capteurs d'usure de plaquette de frein Amortisseur anti-vibration pour plaquettes de frein Boulons d'étrier / vis de disque Kit goupille et étriers Flexibles de frein Performance Flexibles de frein standard Étrier et conduites de frein toutes catégories
-
-
Suspension et direction
-
- Suspension et essieu Barre anti-roulis Bagues de barre anti-roulis Support de barre anti-roulis Joints à rotule Liens de chute et bagues AVANT Liens de chute et bagues ARRIÈRE Amortisseurs AVANT Pièces d'amortisseur AVANT Amortisseurs ARRIÈRE Pièces d'amortisseur ARRIÈRE Ressorts hélicoïdaux ARRIÈRE toutes catégories
-
Transmission
-
- Boîte de vitesses / Transmission Kits d'embrayage Plaque de friction d'embrayage Plaque de pression d'embrayage Roulements de débrayage Tube de guidage d'embrayage Fourchettes et leviers d'embrayage Boulons d'embrayage Pièces de boîte de vitesses Arbres de transmission et pièces Jeux de joints de boîte de vitesses Supports de boîte de vitesses Pièces de commande de changement de vitesse Volant / Couple Kits de joints homocinétiques Bottes et kits CV Arbre à cardan / arbre d'hélice Pièces de transmission Huile de boîte de vitesses Carter de boîte de vitesses / carter d'huile Différentiel Capteurs de vitesse / référence Refroidisseurs d'huile
-
-
Refroidissement et chauffage
-
- Chauffage / Climatisation Condenseurs et dessiccateurs de climatisation Évaporateurs et détendeurs de climatisation Tuyaux de climatisation Ceintures de climatisation Relais / Capteurs / Résistances Compresseurs Moteurs de soufflerie et ventilateurs Ventilateurs de chauffage Tuyaux de chauffage Commande de climatisation Capteurs / commutateurs de température
-
-
Électricité et éclairage
-
- Composants électriques et relais Pompes à carburant Interrupteur de lumière de frein Commutateur de feu de recul Commutateur de phare Commutateur de fenêtre Moteurs de fenêtre Mécanisme de fenêtre Moteur d'essuie-glace Mécanisme d'essuie-glace Klaxon électrique Unités de commande SmartTop Commutateur d'allumage Commutateur de siège Commutateur de clignotant / d'essuie-glace Commutateur de toit / toit ouvrant Relais / Fusibles Lave-pompes / bouteilles / gicleurs Alarmes / Sécurité / Verrouillage centralisé Unités de commande électronique Commutateurs d'essuie-glace Pièces et commutateurs de tableau de bord / console Commutateur de rétroviseur de porte toutes catégories
-
-
Carrosserie et échappement
-
- Châssis / Carrosserie Amortisseur capot avant Amortisseur capot arrière Capots / Serrures et loquets Coffres/capot arrière/serrures et loquets Pare-chocs avant Pare-chocs arrière Portes / Serrures et loquets Panneaux de porte | Charnières | Plaques de frappe Lève-vitres Ailes avant et pièces Ailes arrière et pièces Panneaux de seuil latéraux Moulures de châssis extérieures Miroirs et pièces Films/autocollants pare-pierres Sous-plateaux de châssis et moteur Balais / Bras d'essuie-glace Bras et balais d'essuie-glace arrière Doublures et couvertures de passage de roue Toit - Cabriolet / Targa / Coupé Couvercles en plastique Insonorisation toutes catégories
-
-
Lubrifiants et fluides
-
- Pièces de rechange Kits d'entretien pièces d'origine Filtres à huile Filtres à air Filtres à pollen/particules Filtres à carburant Courroies tous types Bougies Bougies IRIDIUM POWER Bougies IRIDIUM RACING Bobines d'allumage Balais / Bras d'essuie-glace Bras et balais d'essuie-glace arrière Pièces de rechange de boîte de vitesses Huile moteur classique Porsche Huile moteur et lubrifiants - Mobil Huile moteur et lubrifiants - Total Huile moteur et lubrifiants - Castrol Huile moteur et lubrifiants - Motul Huile moteur et lubrifiants - Millers Oils NanoDrive Huile moteur et lubrifiants - Millers Oils Additifs pour carburant EPI de garage
-
-
Toutes les pièces
-
- Pièces Accessoires Châssis / Carrosserie Freins Vêtements et cadeaux Composants électriques et relais Refroidissement du moteur Composants électriques du moteur Pièces de reconstruction de moteur Pièces haute performance Systèmes d'échappement Style extérieur / Ailerons Boîte de vitesses / Transmission Chauffage / Climatisation Composants hydrauliques Intérieur et accessoires Gestion de la communication / multimédia Éclairage Tapis et moquettes Sport automobile et tout-terrain Groupe de pédales Joints en caoutchouc Sièges et ceintures de sécurité toutes catégories
-
- Back to main website
Saisissez votre numéro de TVA ici et cliquez sur Vérifier :
Il n'est pas nécessaire de saisir la partie code pays de votre numéro de TVA car elle a déjà été sélectionnée dans votre adresse de facturation ci-dessus.
Vos coordonnées ont été vérifiées. Numéro de TVA enregistré au nom de:
,
.
Votre commande sera désormais détaxée au titre de la TVA. Nous nous réservons le droit de vérifier ces détails une fois votre commande passée et de rétablir la TVA si nécessaire.
Vos données de TVA n'ont pas été reconnues ou n'étaient pas valides. Votre numéro de TVA doit correspondre à votre pays de facturation tel que spécifié ci-dessus. Il est actuellement spécifié comme . Vous n'avez pas besoin de saisir la partie code pays de votre numéro de TVA car elle a déjà été sélectionnée dans les détails de votre adresse de facturation ci-dessus.
Le service de vérification du numéro de TVA est actuellement hors ligne. Veuillez indiquer votre numéro de TVA dans le champ « Commentaires ou instructions spéciales » ci-dessous et nous appliquerons une remise de TVA après avoir passé votre commande.
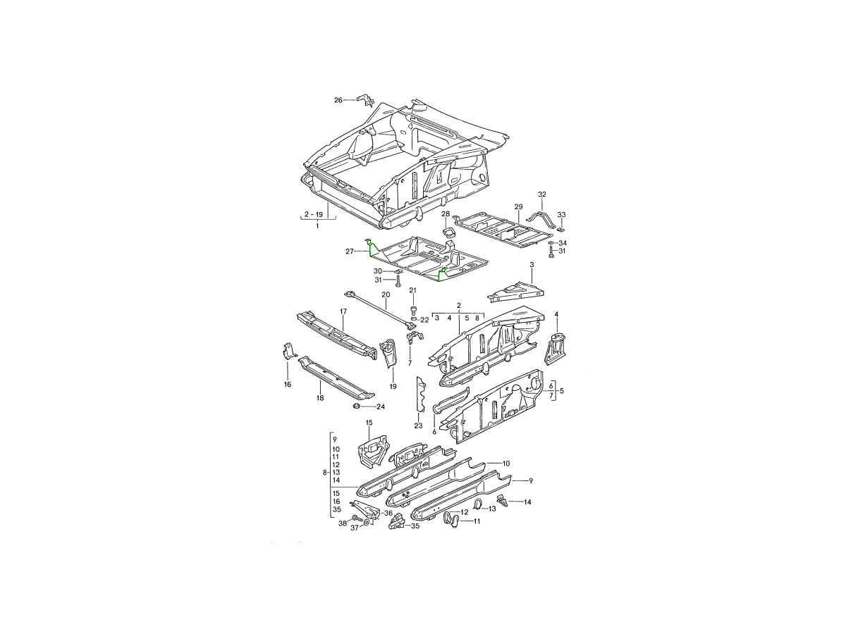
Sous-plateaux de châssis et moteur
- Porsche 928S4 5.0L 1987-92
- Porsche 928GT 5.0L 1989-91
- Porsche 928GTS 5.4L 1992-95
Convient à :
Porsche 928 1987-95
Schéma de référence n° 27
Numéros de référence associés
Numéros associés, remplacés, de référence croisée ou alternatifs à des fins de comparaison.
92850402102
Le produit que vous consultez fait référence à ces numéros
Protégez les composants essentiels de votre Porsche et optimisez l'aérodynamisme avec les protections de châssis et de moteur d'origine Porsche et de reproduction de Design911. Ces panneaux sont conçus pour protéger le soubassement et le compartiment moteur des débris, de l'eau et des dommages causés par la route, tout en améliorant la circulation d'air et la stabilité du véhicule à grande vitesse.
Chaque protection de passage de roue est fabriquée avec précision selon les spécifications OEM, garantissant un ajustement parfait, une résistance structurelle et une durabilité à long terme. Qu'il s'agisse de remplacer un sabot moteur endommagé ou de restaurer le soubassement d'une Porsche classique, notre sélection comprend des protections de passage de roue d'origine et des reproductions de haute qualité, adaptées à tous les modèles, des premières 911 refroidies par air aux dernières Taycan et 992.
Fabriqués à partir de matériaux légers mais durables tels que le plastique ABS, l'aluminium ou des mélanges composites, ces panneaux combinent protection, performance et authenticité pour maintenir votre Porsche en parfait état.
Plateaux inférieurs Porsche d'origine
Dessous de plat d'origine, fabriqués selon les spécifications Porsche. Ils offrent un ajustement, une durabilité et une précision aérodynamique supérieurs.
Reproduction de plateaux et de panneaux
Alternatives de reproduction de haute qualité offrant une protection et une compatibilité de qualité OEM pour une gamme de modèles Porsche - idéales pour les restaurations.
Carters et protections de moteur
Protège le compartiment moteur de la saleté, de la chaleur et des débris de la route. Conçu pour une installation facile et une meilleure circulation de l'air.
Plateaux inférieurs et carters de châssis
Panneaux de châssis sur toute la longueur qui réduisent la traînée et protègent les composants du soubassement, préservant ainsi les performances aérodynamiques d'usine de Porsche.
Supports de montage et matériel de fixation
Clips, vis et supports de spécification OEM requis pour une installation sécurisée du sous-plateau, garantissant un ajustement stable et sans vibrations.
Panneaux de soubassement Porsche classiques
Reproduction authentique de plateaux et de protections pour modèles patrimoniaux tels que les 911 Classic, 964 et 993 — essentiels pour les restaurations concours.
-
Amortisseur capot avant
-
Amortisseur capot arrière
-
Capots / Serrures et loquets
-
Coffres/capot arrière/serrures et loquets
-
Pare-chocs avant
-
Pare-chocs arrière
-
Portes / Serrures et loquets
-
Panneaux de porte | Charnières | Plaques de frappe
-
Lève-vitres
-
Ailes avant et pièces
-
Ailes arrière et pièces
-
Panneaux de seuil latéraux
-
Moulures de châssis extérieures
-
Miroirs et pièces
-
Films/autocollants pare-pierres
-
Balais / Bras d'essuie-glace
-
Bras et balais d'essuie-glace arrière
-
Doublures et couvertures de passage de roue
-
Toit - Cabriolet / Targa / Coupé
-
Couvercles en plastique
-
Insonorisation
-
Pare-brise avant
-
Lunette arrière
-
Fixations et attaches
Lundi-vendredi : 8h30 - 17h30 (GMT) Samedi : Fermé Dimanche : Fermé