Introduzca aquí su número de identificación fiscal (NIF o VAT number) y haga clic en Verificar:
No necesita incluir el código de país de su NIF, dado que ya lo ha indicado antes en su dirección de facturación.
Se han verificado sus datos. NIF registrado a nombre de:
###NUEVO MÉJICO###,
.
Su pedido cuenta ahora con una tasa cero a efectos de IVA. Nos reservamos el derecho a verificar estos datos después de que haya solicitado su pedido y a restablecer el IVA si fuese necesario.
Sus datos de identificación fiscal no han sido reconocidos o no son válidos. Su NIF debe coincidir con el país de facturación que especificó anteriormente. Actualmente se ha especificado como . No necesita incluir el código de país de su NIF, do que ya lo ha indicado antes en los datos de su dirección de facturación.
El servicio de verificación de NIF no está disponible en este momento. Le rogamos que indique sus datos del NIF en los comentarios e en el cuadro de instrucciones especiales que encontrará abajo y le aplicaremos un descuento en el IVA tras realizar su solicitud de pedido.
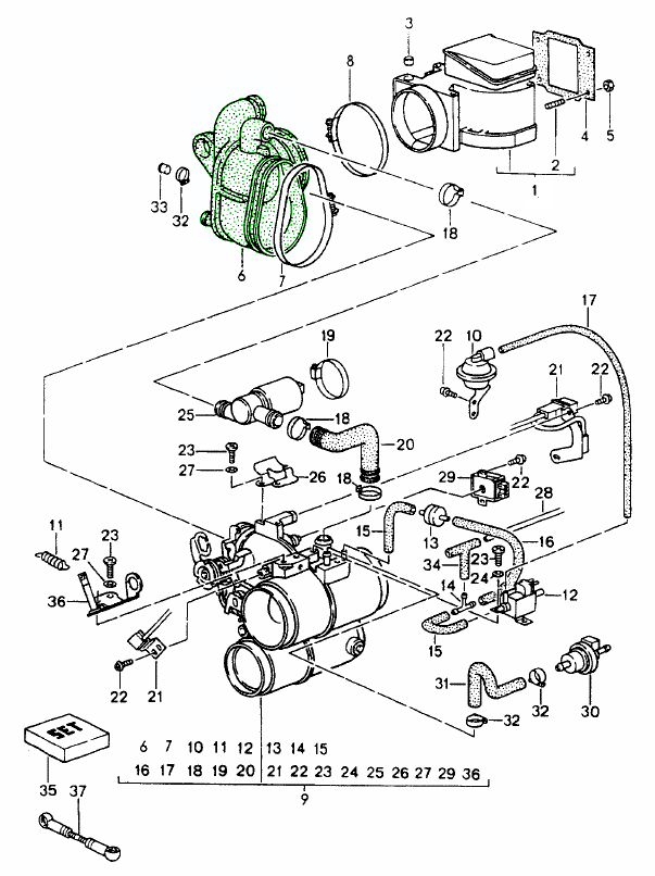
Admisión e inyección de aire
- Porsche 964 (911) C2 1989-93
- Porsche 964 (911) C4 1989-93

Encaja:
Porsche 964 C2 / C4 3.6L 1989-94
Haga clic en 'Acercar' para ver un diagrama de piezas grandes.
Diagrama de referencia nº 6
Números de referencia relacionados
Números relacionados, reemplazados, de referencia cruzada o alternativos para comparación.
96411036600
El producto que está viendo hace referencia cruzada a estos números
- Porsche 964 (911) C2 1989-93
- Porsche 964 (911) C4 1989-93
- Porsche 964 (911) RS 3.6L 1991-93
- Porsche 964 (911) RS 3.8L 1991-93

Encaja:
Porsche 964 C2/C4/RS 1991-94
Haga clic en 'Acercar' para ver el diagrama de piezas grandes.
Diagrama ref no 6
Números de referencia relacionados
Números relacionados, reemplazados, de referencia cruzada o alternativos para comparación.
96411014000
El producto que está viendo hace referencia cruzada a estos números
- Porsche 964 (911) C2 1989-93
- Porsche 964 (911) C4 1989-93
- Porsche 964 (911) RS 3.6L 1991-93
- Porsche 964 (911) RS 3.8L 1991-93
- Porsche 993 (911) C2 1994-97
- Porsche 993 (911) C4 1994-97
- Porsche 993 (911) RS 1994-97
- Porsche 993 (911) C2S 1994-97
- Porsche 993 (911) C4S 1994-97
- Porsche 993 (911) TURBO 1994-96
- Porsche 993 (911) GT2 1994-97
- Porsche 993 (911) TURBO S 1994-97
Viene completo con juntas de colector de aislamiento térmico.

Encaja:
Porsche 964 - 1989 a 1993
Porsche 993 - 1994 a 1998
Diseñado para tomas tipo GT3:
Especialmente diseñado para adaptarse a los colectores de admisión GT3 (con compensaciones incorporadas) que se adaptan perfectamente a los motores 964/993 más estrechos.
Descripción del producto:
Fabricados con aluminio aeronáutico de alta calidad, nuestros corredores de admisión Billet para Porsche 964/993 a GT3 ofrecen un rendimiento óptimo.
Disponible en diámetros de cabeza de 41,5 mm, 42,5 mm, 44 mm o 45,8 mm con tamaños de inyector estándar.
Compatibilidad y configuraciones versátiles:
Compatible con rieles estándar o diseñado para usarse con el sistema IslandWorks/Nuke, que cuenta con un regulador de combustible de montaje directo.
Artesanía y acabado superiores:
Cada corredor cuenta con un acabado mecanizado natural e incluye una junta aislante en la base, lo que garantiza un rendimiento óptimo.
Nota IMPORTANTE:
Para garantizar un aislamiento térmico eficaz, este producto requiere un sello de culata plano, que ofrece un mejor rendimiento en comparación con el tipo de sello habitual.
Se suministra con juntas de plástico reforzadas de alta temperatura para aislamiento térmico.
Números de referencia relacionados
Números relacionados, reemplazados, de referencia cruzada o alternativos para comparación.
96411071101
El producto que está viendo hace referencia cruzada a estos números
- Porsche 964 (911) C2 1989-93
- Porsche 964 (911) C4 1989-93
- Porsche 964 (911) RS 3.6L 1991-93
- Porsche 964 (911) RS 3.8L 1991-93
- Porsche 993 (911) C2 1994-97
- Porsche 993 (911) C4 1994-97
- Porsche 993 (911) RS 1994-97
- Porsche 993 (911) C2S 1994-97
- Porsche 993 (911) C4S 1994-97
- Porsche 993 (911) TURBO 1994-96
- Porsche 993 (911) GT2 1994-97
- Porsche 993 (911) TURBO S 1994-97
Viene completo con juntas de colector

Encaja:
Porsche 964 - 1989 a 1993
Porsche 993 - 1994 a 1998
Para usar con los colectores de entrada estándar 964/993 y los colectores de 3 pernos
Detalles de producto:
Reemplace sus envejecidos conductos de admisión de plástico en el Porsche 964/993 con versiones de palanquilla meticulosamente fresadas en 3D en aluminio aeronáutico, que ofrecen durabilidad y mejora estética.
Especificaciones mejoradas:
Disponible en diámetros de cabeza de 41,5 mm o 42,5 mm, junto con tamaños de inyector estándar.
Compatibilidad y configuraciones flexibles:
Compatible con rieles estándar
Nota IMPORTANTE:
Para garantizar un aislamiento térmico eficaz, este producto requiere un sello de culata plano, que ofrece un mejor rendimiento en comparación con el tipo de sello habitual.
Se suministra con juntas de plástico reforzadas de alta temperatura para aislamiento térmico.
Artesanía y acabado:
Con un acabado mecanizado natural, estos corredores están equipados con una junta aislante de base para
Números de referencia relacionados
Números relacionados, reemplazados, de referencia cruzada o alternativos para comparación.
99311071250
El producto que está viendo hace referencia cruzada a estos números
- Porsche 964 (911) C2 1989-93
- Porsche 964 (911) C4 1989-93
- Porsche 964 (911) RS 3.6L 1991-93
- Porsche 964 (911) RS 3.8L 1991-93

Encaja:
Porsche 964 3.6L C2/C4/RS 1989-94
Haga clic en 'Acercar' para ver el diagrama de piezas grandes.
Diagrama ref no 6
Números de referencia relacionados
Números relacionados, reemplazados, de referencia cruzada o alternativos para comparación.
PCG51200603
El producto que está viendo hace referencia cruzada a estos números
- Porsche 964 (911) C2 1989-93
- Porsche 964 (911) C4 1989-93
- Porsche 964 (911) RS 3.6L 1991-93
- Porsche 964 (911) RS 3.8L 1991-93
Se adapta a:
Porsche 964 C2 / C4 / RS 1989-94
Diagrama ref. n.º 13.
Números de referencia relacionados
Números relacionados, reemplazados, de referencia cruzada o alternativos para comparación.
96411054608
El producto que está viendo hace referencia cruzada a estos números
- Porsche 964 (911) C2 1989-93
- Porsche 964 (911) C4 1989-93

Encaja:
Porsche 964 Carrera 1991-94 (excepto Turbo)
Haga clic en 'Acercar' para ver un diagrama de piezas grandes.
Diagrama de referencia nº 10
Números de referencia relacionados
Números relacionados, reemplazados, de referencia cruzada o alternativos para comparación.
96411090200
El producto que está viendo hace referencia cruzada a estos números
- Porsche 964 (911) C2 1989-93
- Porsche 964 (911) C4 1989-93

Encaja:
Porsche 964 Carrera 1991-94 (excepto Turbo)
Haga clic en 'Acercar' para ver un diagrama de piezas grandes.
Diagrama de referencia nº 11
Números de referencia relacionados
Números relacionados, reemplazados, de referencia cruzada o alternativos para comparación.
96411090201
El producto que está viendo hace referencia cruzada a estos números
- Porsche 964 (911) C2 1989-93
- Porsche 964 (911) C4 1989-93

Encaja:
Porsche 964 Carrera 1991-94 (excepto Turbo)
Haga clic en 'Acercar' para ver un diagrama de piezas grandes.
Diagrama de referencia nº 1
Números de referencia relacionados
Números relacionados, reemplazados, de referencia cruzada o alternativos para comparación.
96411003006
El producto que está viendo hace referencia cruzada a estos números
- Porsche Boxster 986 2.5L 1997-99
- Porsche Boxster 986 2.7L 1999-02
- Porsche Boxster S 986 3.2L 1999-02
- Porsche Boxster 986 2.7L 2003-04
- Porsche Boxster S 986 3.2L 2003-04
- Porsche 911 1984-1986 3.2L
- Porsche 911 1987-1989 3.2L G50
- Porsche 964 (911) C2 1989-93
- Porsche 964 (911) C4 1989-93
- Porsche 964 (911) RS 3.6L 1991-93
- Porsche 964 (911) RS 3.8L 1991-93
- Porsche 996 C2 3.4L 1997-08/01
- Porsche 996 C4 3.4L 1997-08/01
- Porsche 996 C2 3.6L 09/01-2005
- Porsche 996 C4 3.6L 09/01-2005
- Porsche 996 C4S 3.6L 09/01-2005
- Porsche 944S 2.5L 16V 1987-88
Vendido cada uno

Encaja:
Porsche 911 - 1984 a 1986
Porsche 964 - 1989 a 1994
Porsche 944 S - 1987 a 1988
Porsche 986 Boxster-1997 a 2004
Porsche 996 - 1997 a 2005
Haga clic en 'Acercar' para ver un diagrama de piezas grandes.
Diagrama de referencia nº 3
Números de referencia relacionados
Números relacionados, reemplazados, de referencia cruzada o alternativos para comparación.
99970326500
El producto que está viendo hace referencia cruzada a estos números
- Porsche 964 (911) C2 1989-93
- Porsche 964 (911) C4 1989-93
Se adapta a:
Modelos con control automático de velocidad y cuerpo del acelerador de plástico (no de magnesio)
Porsche 964 Carrera 1989-94
Diagrama ref. 18.
*PR 454 - Control automático de velocidad
NOTA: Este soporte es compatible únicamente con los cuerpos del acelerador de plástico de los modelos Porsche 964 posteriores. No es compatible con los modelos 964 anteriores que tienen cuerpos del acelerador de magnesio.
Números de referencia relacionados
Números relacionados, reemplazados, de referencia cruzada o alternativos para comparación.
96411021902
El producto que está viendo hace referencia cruzada a estos números
- Porsche 964 (911) C2 1989-93
- Porsche 964 (911) C4 1989-93

Encaja:
Porsche 964 Carrera 2 1990-94
Porsche 964 Carrera 4 1989-94
Haga clic en 'Acercar' para ver el diagrama de piezas grandes.
Diagrama ref no 19
Números de referencia relacionados
Números relacionados, reemplazados, de referencia cruzada o alternativos para comparación.
96411031500
El producto que está viendo hace referencia cruzada a estos números
- Porsche 964 (911) C2 1989-93
- Porsche 964 (911) C4 1989-93
- Porsche 993 (911) C2 1994-97
- Porsche 993 (911) C4 1994-97
- Porsche 993 (911) C2S 1994-97
- Porsche 993 (911) C4S 1994-97
- Porsche 993 (911) TURBO 1994-96
- Porsche 993 (911) GT2 1994-97
- Porsche 993 (911) TURBO S 1994-97

Encaja:
Porsche 964 Carrera 2 / Carrera 4 - 1989 a 1994
Porsche 993 Carrera 2/Carrera 4-1994 a 1995
Porsche 993 turbo - 1994 a 1997
Haga clic en 'Acercar' para ver un diagrama de piezas grandes.
Diagrama de referencia nº 36
Números de referencia relacionados
Números relacionados, reemplazados, de referencia cruzada o alternativos para comparación.
96411051504
El producto que está viendo hace referencia cruzada a estos números
- Porsche 964 (911) C2 1989-93
- Porsche 964 (911) C4 1989-93
- Porsche 993 (911) C2 1994-97
- Porsche 993 (911) C4 1994-97
- Porsche 993 (911) RS 1994-97
- Porsche 993 (911) C2S 1994-97
- Porsche 993 (911) C4S 1994-97

Encaja:
Porsche 964 Carrera 2 / Carrera 4 - 1989 a 1994
Porsche 993 Carrera 2/Carrera 4-1994 a 1998
Porsche 993 RS - 1994 a 1997
Haga clic en 'Acercar' para ver un diagrama de piezas grandes.
Diagrama de referencia nº 31
Números de referencia relacionados
Números relacionados, reemplazados, de referencia cruzada o alternativos para comparación.
96411027800
El producto que está viendo hace referencia cruzada a estos números
- Porsche 964 (911) C2 1989-93
- Porsche 964 (911) C4 1989-93
- Porsche 964 (911) RS 3.6L 1991-93
- Porsche 964 (911) RS 3.8L 1991-93
- Porsche 964 (911) TURBO 3.3L 1991-93
- Porsche 964 (911) TURBO 3.6L 1991-93
- Porsche 993 (911) C2 1994-97
- Porsche 993 (911) C4 1994-97
- Porsche 993 (911) RS 1994-97
- Porsche 993 (911) C2S 1994-97
- Porsche 993 (911) C4S 1994-97
- Porsche 993 (911) TURBO 1994-96
- Porsche 993 (911) GT2 1994-97
- Porsche 993 (911) TURBO S 1994-97
Kit de admisión para Porsche 964/993: Maximiza el rendimiento
Lleva el rendimiento de tu motor al límite y experimenta la potencia de la verdadera innovación tecnológica con el kit de admisión para Porsche 964/993. Desarrollado con pasión y precisión, este kit está diseñado para quienes exigen el máximo rendimiento de su vehículo. Tanto si buscas una aceleración fulgurante, una respuesta inmediata del acelerador o un aumento de potencia, este kit de admisión es la clave para liberar todo el potencial de tu Porsche.
La mejora del sistema de admisión para los Porsche 964-993 optimiza el flujo de aire y la eficiencia, proporcionando un aumento de potencia de aproximadamente 30-50 CV. Este incremento se traduce en un mejor rendimiento, una respuesta más ágil del motor y un menor consumo de combustible, lo que proporciona un mayor placer de conducción.
En KCPerformance, hemos optado por el aluminio mecanizado en lugar del plástico o los materiales impresos en 3D reforzados con fibra de carbono para nuestro sistema de colector de admisión Porsche. Esta decisión se basa en la probada fiabilidad y durabilidad del aluminio mecanizado, capaz de soportar las altas temperaturas de los motores refrigerados por aire. Esto garantiza un rendimiento robusto, una fiabilidad duradera y una excelente respuesta, incluso en condiciones extremas.
¿Qué incluye el kit de admisión para Porsche 964/993?
• Cuerpo de mariposa de 82 mm: Maximiza el flujo de aire para un rendimiento óptimo.
• Carcasa adaptadora de cuerpo de mariposa ligera de aluminio mecanizado : Integrada con una combinación de sensor IAT/MAP y conexiones de vacío para una funcionalidad perfecta.
• Válvula de resonancia ligera mecanizada: La conexión de vacío OEM de Porsche garantiza un rendimiento fiable.
• 6 inyectores modernos mejorados: proporcionan una inyección de combustible óptima para una máxima eficiencia y rendimiento.
• Conductos de admisión de aluminio ligero: El aluminio billet mecanizado con precisión garantiza un flujo de aire sin obstrucciones y mejora el rendimiento.
• Junta de entrada/admisión térmica de PTFE: Protege eficazmente contra la absorción de calor, mejorando la durabilidad y el rendimiento.
• Riel de combustible de alta calidad: Dos rieles de combustible mecanizados con soportes de acero inoxidable y placas de bloqueo de inyectores garantizan un ajuste seguro y un suministro óptimo de combustible.
• Regulador de presión de combustible DMR: Se monta directamente en el riel de combustible, lo que permite un control total sobre el suministro de combustible y el rendimiento.
• Gomas de admisión y abrazaderas de manguera originales de Porsche: 6 gomas de admisión originales y 12 abrazaderas de manguera garantizan una instalación segura.
• Líneas de combustible completas: Garantizan un suministro de combustible fiable y eficiente.
Precisión e innovación en cada detalle
El kit de admisión para Porsche 964/993 está diseñado con precisión, mecanizado CNC y anodizado en gris plomo. Tras exhaustivas pruebas de flujo y un minucioso diseño, este kit ofrece una respuesta inmediata del acelerador y una inyección de aire instantánea al pisar el pedal. Disfrute de un aumento de potencia de 30 a 50 CV, elevando el rendimiento de su Porsche a nuevas cotas y garantizando una fuente de potencia liberada que complementa a la perfección las cilindradas más altas.
Tu camino hacia la perfección del motor
Alcanza la perfección en tu motor con nuestro kit de admisión para Porsche 964/993. Ajusta la configuración en un banco de pruebas para liberar todo su potencial y disfruta de una potencia, velocidad y emoción al volante sin igual. Esta es tu puerta de entrada a un rendimiento extraordinario y una experiencia de conducción superior.
Aprovecha al máximo cada viaje
Aprovecha ahora la oportunidad de llevar tu Porsche al siguiente nivel. Maximiza cada viaje y domina la carretera con el kit de admisión para Porsche 964/993.
Números de referencia relacionados
Números relacionados, reemplazados, de referencia cruzada o alternativos para comparación.
KCP-0079
El producto que está viendo hace referencia cruzada a estos números
- Porsche 964 (911) C2 1989-93
- Porsche 964 (911) C4 1989-93
- Porsche 964 (911) RS 3.6L 1991-93
Se adapta a:
Porsche 964 Carrera 2 / 4 1989>>1993
Porsche 964 Carrera RS 3.6L 1991>>1993
Automóviles con códigos de motor:
6401 / 6402 / 6403
Diagrama Ref No 22
Números de referencia relacionados
Números relacionados, reemplazados, de referencia cruzada o alternativos para comparación.
96411053201
El producto que está viendo hace referencia cruzada a estos números
Entrada e inyección de aire
Design911 ofrece una gama completa de componentes de admisión de aire e inyección de combustible para todos los modelos Porsche, desde los clásicos 911 refrigerados por aire hasta los motores turboalimentados más recientes. Estos sistemas trabajan en conjunto para proporcionar la mezcla precisa de aire y combustible necesaria para una combustión limpia, una potencia óptima y la durabilidad del motor. Ya sea que esté restaurando un clásico, reparando una falla de encendido o mejorando la respuesta del acelerador, Design911 ofrece piezas originales y de alto rendimiento diseñadas específicamente para motores Porsche.
¿Cuáles son estos componentes?
Componentes de entrada de aire
- Los filtros de aire , los colectores de admisión , las cámaras de admisión y los conductos de aire suministran un flujo de aire limpio y medido al motor.
- Los sensores MAF (flujo de aire másico) y los sensores MAP monitorizan el volumen y la densidad del aire entrante.
- Los cuerpos de mariposa regulan el suministro de aire en función de las órdenes del conductor. Las mejoras de rendimiento incluyen sistemas de admisión de alto flujo , filtros de aire deportivos y kits de admisión de aire frío .
Componentes de inyección
- Los inyectores de combustible , los conductos de combustible , los reguladores de presión y las bombas de alta presión gestionan el suministro de combustible con una sincronización precisa. Las unidades de control electrónico (ECU) dirigen el sistema de inyección para una combustión eficiente.
- Los modelos clásicos pueden utilizar inyección mecánica (MFI) , CIS/K-Jetronic o carburadores , todos ellos compatibles con una lista especial de piezas de repuesto.
¿Qué hacen en el motor?
Estos sistemas trabajan conjuntamente para garantizar que su motor Porsche reciba:
- El volumen correcto de aire limpio
- La cantidad correcta de combustible atomizado
- Relación aire-combustible perfectamente sincronizada para un rendimiento y una eficiencia óptimos
- Arranques en frío suaves, respuesta precisa del acelerador y ralentí estable.
- Combustión óptima, mayor potencia y emisiones reducidas
La admisión de aire y la inyección de combustible son esenciales tanto para la conducción diaria como para el rendimiento en el automovilismo.
¿Por qué fallan los componentes de admisión e inyección de aire?
Los motores Porsche son unidades de alta precisión. Con el tiempo, sus componentes de admisión e inyección pueden deteriorarse debido a:
Causas comunes de fallos
- Filtros de aire sucios u obstruidos
- Fugas de aire en los tubos de admisión, manguitos o colectores
- Sensores MAF/MAP defectuosos que provocan lecturas incorrectas
- Acumulación de carbonilla en el interior de los cuerpos de mariposa o los conductos de admisión
- Inyectores de combustible defectuosos (obstrucción, fallos de encendido, patrón de pulverización incorrecto)
- Problemas de presión de combustible debido a bombas o reguladores desgastados
- Desgaste relacionado con la edad en los sistemas de inyección mecánica clásicos
Estos problemas suelen provocar ralentí inestable, vacilación, pérdida de potencia, consumo excesivo de combustible o que se encienda la luz de advertencia del motor.
Por qué deberían ser reemplazados
La mejora o sustitución de los componentes de admisión e inyección restaura:
- Suministro preciso de aire-combustible
- Respuesta del acelerador más rápida y par motor mejorado
- Funcionamiento suave del motor y arranques en frío fiables
- Menor consumo de combustible y reducción de emisiones
- Protección contra daños adicionales al motor
Los conductores centrados en el rendimiento también pueden beneficiarse de filtros de aire deportivos, cuerpos de mariposa más grandes e inyectores de alto flujo para maximizar la potencia.
Design911 ofrece soluciones para una amplia gama de necesidades de admisión e inyección de Porsche, incluyendo:
- Piezas de repuesto para la entrada de aire del Porsche
- Sistemas de admisión de alto flujo para mejoras de rendimiento Porsche
- Juegos de inyectores de combustible y kits de reparación de inyección Porsche
- Reemplazo de sensores MAF/MAP para motores Porsche
- Piezas de reparación del cuerpo de mariposa para Porsche 911, Boxster, Cayman
Porsche clásico
- Componentes de inyección CIS y MFI
- Tubos de admisión de turbocompresor Porsche y piezas relacionadas con el suministro de aire
- Componentes para la reparación de fugas de aire en motores bóxer de seis cilindros Porsche