Distribuidor

- Porsche 964 (911) C2 1989-93
- Porsche 964 (911) C4 1989-93
- Porsche 964 (911) RS 3.6L 1991-93
- Porsche 964 (911) RS 3.8L 1991-93
- Porsche 964 (911) TURBO 3.3L 1991-93
- Porsche 964 (911) TURBO 3.6L 1991-93
- Porsche 993 (911) C2 1994-97
- Porsche 993 (911) C4 1994-97
- Porsche 993 (911) RS 1994-97
- Porsche 993 (911) C2S 1994-97
- Porsche 993 (911) C4S 1994-97
Una falla de diseño en los motores hasta agosto de 1993 que DEBE corregir si aún no lo ha hecho es agregar ventilación al distribuidor para evitar que el ozono perezca la correa de transmisión del distribuidor. Si esto se rompe, estará funcionando con una bujía por cilindro y terminará con un rendimiento deficiente y posibles daños.
La solución es instalar también un kit de ventilación.
Encaja:
Porsche 964 1990-94
Porsche 993 1995-97
Números de referencia relacionados
Números relacionados, reemplazados, de referencia cruzada o alternativos para comparación.
DISTKIT964
El producto que está viendo hace referencia cruzada a estos números
Este kit se compone de los siguientes elementos:


- Porsche 911 1974-1977 2.7L / 1976-77 3.0 Carrera
- Porsche 911 1978-1983 3.0L / SC
- Porsche 911 1984-1986 3.2L
- Porsche 911 1987-1989 3.2L G50
- Porsche 911 1975-1977 3.0L Turbo (930)
- Porsche 911 1978-1989 3.3L Turbo (930)
- Porsche 964 (911) C2 1989-93
- Porsche 964 (911) C4 1989-93
- Porsche 964 (911) RS 3.6L 1991-93
- Porsche 964 (911) RS 3.8L 1991-93
Se adapta a:
Porsche 911 - 1974 a 1989
Porsche 911 turbo: 1975 a 1989
Pieza de conexión para el tubo de alimentación del cilindro maestro
Porsche 964 - 1989 a 1994
Unión de conexión para kit de ventilación del distribuidor
Diagrama de referencia n.° 20 (911) y 15 (964)
Números de referencia relacionados
Números relacionados, reemplazados, de referencia cruzada o alternativos para comparación.
91135532300
El producto que está viendo hace referencia cruzada a estos números




- Porsche 964 (911) C2 1989-93
- Porsche 964 (911) C4 1989-93
- Porsche 964 (911) RS 3.6L 1991-93
- Porsche 964 (911) RS 3.8L 1991-93
- Porsche 993 (911) C2 1994-97
- Porsche 993 (911) C4 1994-97
- Porsche 993 (911) RS 1994-97
- Porsche 993 (911) C2S 1994-97
- Porsche 993 (911) C4S 1994-97
Encaja:
Porsche 964 - 1989 a 1994
Porsche 993 - 1994 a 1998
Descripción del Producto
Este kit advierte al conductor del Porsche 964/993 de una falla catastrófica en la correa del distribuidor. La falla de la correa de transmisión del cabezal del distribuidor secundario provocará daños graves al motor si se continúa conduciendo el automóvil con la correa rota. El kit se integra con el sistema de advertencia de la correa del ventilador del sistema de refrigeración del motor existente.
Una vez instalada, si la correa del distribuidor se rompe, la luz de advertencia de la correa del ventilador se iluminará en el tablero del automóvil. Una inspección visual del compartimento del motor revelará si la razón por la que se enciende la luz del tablero es una correa del ventilador rota o una correa del distribuidor rota.
El kit incluye:
• Tapa con electrónica de control integrada
• Juego de cables de conexión
• Bridas para cables
• 2 x imanes de neodimio (5x4x2), premontados en tubo retráctil
• 1 tubo de gel adhesivo (tiempo de secado de 20-30 segundos para pegar los imanes)
• 1 placa de retención para elemento sensor ( placa de aluminio anodizado azul)
• 1 conjunto de elemento sensor
• 1 almohadilla limpiadora con alcohol (para limpiar las superficies adhesivas de las pestañas metálicas del distribuidor)
Tenga en cuenta
Distribuidor no incluido en el kit.
Números de referencia relacionados
Números relacionados, reemplazados, de referencia cruzada o alternativos para comparación.
96499320
El producto que está viendo hace referencia cruzada a estos números





- Porsche 911 1978-1983 3.0L / SC
- Porsche 911 1984-1986 3.2L
- Porsche 911 1987-1989 3.2L G50
- Porsche 911 1978-1989 3.3L Turbo (930)
- Porsche 964 (911) C2 1989-93
- Porsche 964 (911) C4 1989-93
- Porsche 964 (911) RS 3.6L 1991-93
- Porsche 993 (911) C2 1994-97
- Porsche 993 (911) C4 1994-97
- Porsche 993 (911) RS 1994-97
- Porsche 993 (911) C2S 1994-97
- Porsche 993 (911) C4S 1994-97
Con el tiempo, estas tapas pueden volverse quebradizas, agrietarse o deformarse debido a los ciclos de calor y el paso del tiempo. Cuando esto sucede, pueden entrar residuos y humedad en el distribuidor, lo que provoca fallos de encendido, mal funcionamiento, dificultad para arrancar o incluso un fallo total del encendido. En los modelos clásicos Porsche 911, 964 y 993, este problema es especialmente común debido a la antigüedad de los vehículos y al ambiente hostil del compartimento del motor. Reemplazar la tapa antipolvo es un paso de mantenimiento sencillo pero importante para mantener el sistema de encendido protegido y funcionando de forma fiable. Si ya está cambiando la tapa del distribuidor y el brazo del rotor, se recomienda encarecidamente cambiar la tapa antipolvo al mismo tiempo para garantizar un rendimiento a largo plazo.
Se adapta a:
Porsche 911 1978>>1983
Porsche 911 Turbo 1984>>1986
Porsche 911 Carrera 1984>>1986
Porsche 911 Turbo 1987>>1989
Porsche 911 Carrera 1987>>1989
Porsche 964 Carrera 2 / 4 1989>>1993
Porsche 964 Carrera RS 3.6L 1991>>1993
Porsche 993 Carrera 2 / 4 / 2S / 4S 1994>>1997
Porsche 993 Carrera RS 1994>>1997
Diagrama Ref No 10
Números de referencia relacionados
Números relacionados, reemplazados, de referencia cruzada o alternativos para comparación.
93060290900
El producto que está viendo hace referencia cruzada a estos números





- Porsche 911 1968-1973 2.2L / 2.4L / 2.7L RS LWB (F)
- Porsche 911 1974-1977 2.7L / 1976-77 3.0 Carrera
- Porsche 911 1978-1983 3.0L / SC
- Porsche 911 1984-1986 3.2L
- Porsche 911 1987-1989 3.2L G50
- Porsche 911 1975-1977 3.0L Turbo (930)
- Porsche 911 1978-1989 3.3L Turbo (930)
- Porsche 964 (911) C2 1989-93
- Porsche 964 (911) C4 1989-93
- Porsche 964 (911) RS 3.6L 1991-93
- Porsche 964 (911) RS 3.8L 1991-93
- Porsche 964 (911) TURBO 3.3L 1991-93
- Porsche 964 (911) TURBO 3.6L 1991-93
- Porsche 993 (911) C2 1994-97
- Porsche 993 (911) C4 1994-97
- Porsche 993 (911) RS 1994-97
- Porsche 993 (911) C2S 1994-97
- Porsche 993 (911) C4S 1994-97
- Porsche 993 (911) TURBO 1994-96
- Porsche 993 (911) GT2 1994-97
- Porsche 993 (911) TURBO S 1994-97

Encaja:
Porsche 911 1970-89
Porsche 911 (930) Turbo 1975-89
Porsche 964 1989-94 todos los modelos
Porsche 993 1995-98 todos los modelos
Haga clic en 'Acercar' para ver el diagrama de piezas grandes.
Diagrama ref no 4
Números de referencia relacionados
Números relacionados, reemplazados, de referencia cruzada o alternativos para comparación.
91160210201
El producto que está viendo hace referencia cruzada a estos números




- Porsche 911 1968-1973 2.2L / 2.4L / 2.7L RS LWB (F)
- Porsche 911 1974-1977 2.7L / 1976-77 3.0 Carrera
- Porsche 911 1978-1983 3.0L / SC
- Porsche 911 1984-1986 3.2L
- Porsche 911 1987-1989 3.2L G50
- Porsche 911 1975-1977 3.0L Turbo (930)
- Porsche 911 1978-1989 3.3L Turbo (930)
- Porsche 964 (911) C2 1989-93
- Porsche 964 (911) C4 1989-93
- Porsche 964 (911) RS 3.6L 1991-93
- Porsche 964 (911) RS 3.8L 1991-93
- Porsche 964 (911) TURBO 3.3L 1991-93
- Porsche 964 (911) TURBO 3.6L 1991-93
- Porsche 993 (911) C2 1994-97
- Porsche 993 (911) C4 1994-97
- Porsche 993 (911) RS 1994-97
- Porsche 993 (911) C2S 1994-97
- Porsche 993 (911) C4S 1994-97
- Porsche 993 (911) TURBO 1994-96
- Porsche 993 (911) GT2 1994-97
- Porsche 993 (911) TURBO S 1994-97

Se adapta a:
Porsche 911 1970-89
Porsche 911 (930) Turbo 1975-89
Porsche 964 1989-94 todos los modelos
Porsche 993 1995-98 todos los modelos
Haga clic en “Ampliar” para ver un diagrama de piezas grande.
Diagrama ref n° 4
Números de referencia relacionados
Números relacionados, reemplazados, de referencia cruzada o alternativos para comparación.
91160210201
El producto que está viendo hace referencia cruzada a estos números





- Porsche 911 1984-1986 3.2L
- Porsche 911 1987-1989 3.2L G50
- Porsche 964 (911) TURBO 3.3L 1991-93
- Porsche 964 (911) TURBO 3.6L 1991-93

Encaja:
Porsche 911 Carrera 1984-89
Porsche 964 Turbo 3.3L/Turbo 3.6L 1991-94
Haga clic en 'Zoom in' para ver el diagrama de piezas grandes.
Ref. del diagrama n.º 5.
Números de referencia relacionados
Números relacionados, reemplazados, de referencia cruzada o alternativos para comparación.
93060242402
El producto que está viendo hace referencia cruzada a estos números




- Porsche 964 (911) C2 1989-93
- Porsche 964 (911) C4 1989-93
- Porsche 964 (911) RS 3.6L 1991-93
- Porsche 964 (911) RS 3.8L 1991-93
- Porsche 964 (911) TURBO 3.3L 1991-93
- Porsche 964 (911) TURBO 3.6L 1991-93
- Porsche 993 (911) C2 1994-97
- Porsche 993 (911) C4 1994-97
- Porsche 993 (911) RS 1994-97
- Porsche 993 (911) C2S 1994-97
- Porsche 993 (911) C4S 1994-97
- Porsche 993 (911) TURBO 1994-96
- Porsche 993 (911) GT2 1994-97
- Porsche 993 (911) TURBO S 1994-97
Se adapta a:
Porsche 964 1989-94
Porsche 993 1995-98
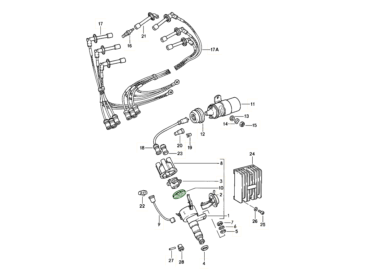
El kit de reparación del distribuidor contiene:
1 Cant. Correa de distribución del distribuidor
1 Cant. Pasador para piñón de distribuidor
3 rodamientos de fabricación alemana
Números de referencia relacionados
Números relacionados, reemplazados, de referencia cruzada o alternativos para comparación.
99960296402
El producto que está viendo hace referencia cruzada a estos números




- Porsche 964 (911) C2 1989-93
- Porsche 964 (911) C4 1989-93
- Porsche 964 (911) RS 3.6L 1991-93
- Porsche 964 (911) RS 3.8L 1991-93
- Porsche 964 (911) TURBO 3.3L 1991-93
- Porsche 964 (911) TURBO 3.6L 1991-93
- Porsche 993 (911) C2 1994-97
- Porsche 993 (911) C4 1994-97
- Porsche 993 (911) RS 1994-97
- Porsche 993 (911) C2S 1994-97
- Porsche 993 (911) C4S 1994-97
- Porsche 993 (911) TURBO 1994-96
- Porsche 993 (911) GT2 1994-97
- Porsche 993 (911) TURBO S 1994-97
Se adapta a:
Porsche 964 1989-94
Porsche 993 1995-98
El kit de reparación del distribuidor contiene:
3 rodamientos de fabricación alemana
1 Cant. Correa de distribución del distribuidor
1 Cant. Pasador para piñón de distribuidor
1 unidad de cojinete inferior de fabricación alemana
Números de referencia relacionados
Números relacionados, reemplazados, de referencia cruzada o alternativos para comparación.
99960296403
El producto que está viendo hace referencia cruzada a estos números





- Porsche 964 (911) C2 1989-93
- Porsche 964 (911) C4 1989-93
- Porsche 964 (911) RS 3.6L 1991-93
- Porsche 964 (911) RS 3.8L 1991-93
- Porsche 964 (911) TURBO 3.3L 1991-93
- Porsche 964 (911) TURBO 3.6L 1991-93
- Porsche 993 (911) C2 1994-97
- Porsche 993 (911) C4 1994-97
- Porsche 993 (911) RS 1994-97
- Porsche 993 (911) C2S 1994-97
- Porsche 993 (911) C4S 1994-97
El kit de ventilación 964 incluye:
- Conexión de ventilación del distribuidor (A)
- Arandela de Goma (B)
- Conector pasacables blanco (C)
- Manguera (D)
CÓMO MONTAR: Primero coloque la placa ovalada marcada con una flecha en el distribuidor con un destornillador. Luego retire el tubo grande de guía de aire negro, ya que necesitamos perforar un agujero en el punto verde. La tubería se quita aflojando los clips jubilee en la parte superior e inferior. También deberá quitar dos conectores de sensor en la tubería. También quité los dos sensores cerca del distribuidor para tener fácil acceso a la placa. Taladre un orificio de 18 mm en el tubo, 40 mm a la derecha de la boquilla de ventilación de la luz trasera. Quite las rebabas del agujero y elimine todas las virutas. Instale la arandela de goma (B) en el orificio e instale el conector blanco (C) en la arandela. Instale el conector del distribuidor (A) en el orificio del distribuidor donde estaba la placa. Finalmente, vuelva a colocar la tubería de aire y vuelva a conectar todos los sensores. Instale la manguera (D) en el distribuidor nuevo y los niples de la tubería de aire y dirija
Encaja:
Porsche 964 1990-94
Porsche 993 1995-97
Números de referencia relacionados
Números relacionados, reemplazados, de referencia cruzada o alternativos para comparación.
00004320252
El producto que está viendo hace referencia cruzada a estos números





- Porsche 964 (911) TURBO 3.6L 1991-93

Encaja:
Porsche 964 Turbo 3.6L
Los Distribuidores reacondicionados se venden por intercambio. Se aplicará un recargo y luego se reembolsará cuando se devuelva el anterior.
Números de referencia relacionados
Números relacionados, reemplazados, de referencia cruzada o alternativos para comparación.
965602024X
El producto que está viendo hace referencia cruzada a estos números





- Porsche 964 (911) C2 1989-93
- Porsche 964 (911) C4 1989-93
- Porsche 993 (911) C2 1994-97
- Porsche 993 (911) C4 1994-97
- Porsche 993 (911) C2S 1994-97
- Porsche 993 (911) C4S 1994-97

Distribuidor de encendido doble reacondicionado.
Se adapta a:
Porsche 964 Carrera 1989-94 (no turbo)
Porsche 993 Carrera 1995-98 (no turbo)
TENGA EN CUENTA:
Números de referencia relacionados
Números relacionados, reemplazados, de referencia cruzada o alternativos para comparación.
930602015AX
El producto que está viendo hace referencia cruzada a estos números


