Catalizador / Bypass

- Porsche 964 (911) C2 1989-93
- Porsche 964 (911) C4 1989-93
- Porsche 964 (911) RS 3.6L 1991-93
- Porsche 964 (911) RS 3.8L 1991-93
Fits:
Porsche 964 (911) C2 1989-93
Porsche 964 (911) C4 1989-93
Porsche 964 (911) RS 3.6L 1991-93
Porsche 964 (911) RS 3.8L 1991-93
Kit Includes
2 x Catalytic converter / heat exchanger cross over flange
1 x Catalytic converter gasket
1 x Heat exchanger gasket
6 x Heat exchanger to cylinder head seal ring
4 x Heat exchanger barrel nut
16 x Exhaust lock nut
8 x Exhaust bolt M8 x 40
Ninemeister Converter Repair Flange
Over time, age, heat cycles, and corrosion take their toll on Porsche exhaust systems. A common weak point is the catalytic converter flange, which can corrode and eventually disintegrate. When this happens, it compromises the seal in your exhaust system, leading to exhaust leaks, loss of performance, and increased noise.
The Ninemeister repair flange is a high-quality replacement solution designed specifically to restore your Porsche’s exhaust integrity.
Key Features
- Direct
Repair Solution – allows you to remove the corroded flange and re-weld
this precision-machined replacement in place.
- Durable
Construction – built to withstand the extreme heat and corrosive
conditions of Porsche exhaust systems.
- Restores
Exhaust Sealing – eliminates leaks, restores back pressure, and
ensures smooth engine performance.
- Cost-Effective
Repair – no need to replace the entire catalytic converter when only
the flange is damaged.
- Tailored Fitment – engineered to match Porsche specifications for proper alignment and fit.
Why Replace a Corroded Converter Flange?
- Eliminate
Exhaust Leaks – prevent harmful gases from escaping and affecting
cabin safety.
- Restore
Performance – exhaust leaks reduce back pressure, causing poor
throttle response and reduced efficiency.
- Prevent
Further Damage – corrosion at the flange can spread, leading to costly
catalytic converter or exhaust system replacements.
- Long-Term Reliability – a fresh flange ensures your exhaust remains structurally sound for years to come.
The Ninemeister catalytic converter repair flange provides a reliable, cost-effective fix for corroded catalytic converter
flanges, helping you keep your Porsche exhaust system safe, efficient, and true
to factory performance.
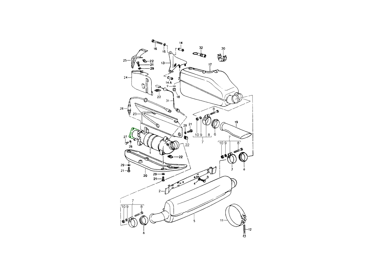
Section of diagram ref no 1, 3, 4, 5, 6, 7, 8 and 12.
Números de referencia relacionados
Números relacionados, reemplazados, de referencia cruzada o alternativos para comparación.
9M96411104205KIT
El producto que está viendo hace referencia cruzada a estos números
Este kit se compone de los siguientes elementos:

- Porsche 964 (911) C2 1989-93
- Porsche 964 (911) C4 1989-93
- Porsche 964 (911) RS 3.6L 1991-93
- Porsche 964 (911) RS 3.8L 1991-93
Se adapta a:
Porsche 964 (911) C2 1989-93
Porsche 964 (911) C4 1989-93
Porsche 964 (911) RS 3.6L 1991-93
Porsche 964 (911) RS 3.8L 1991-93
Brida de reparación del convertidor Ninemeister
Con el tiempo, el envejecimiento, los ciclos de calor y la corrosión afectan gravemente los sistemas de escape de los Porsche. Un punto débil común es la brida del catalizador, que puede corroerse y eventualmente desintegrarse. Cuando esto sucede, se daña el sellado del sistema de escape, lo que provoca fugas, pérdida de rendimiento y aumento del ruido.
La brida de reparación Ninemeister es una solución de reemplazo de alta calidad diseñada específicamente para restaurar la integridad del escape de su Porsche.
Características principales
- Solución de reparación directa : le permite quitar la brida corroída y volver a soldar este reemplazo mecanizado con precisión en su lugar.
- Construcción duradera : diseñada para soportar el calor extremo y las condiciones corrosivas de los sistemas de escape Porsche.
- Restaura el sellado del escape : elimina fugas, restablece la contrapresión y garantiza un rendimiento suave del motor.
- Reparación rentable : no es necesario reemplazar todo el convertidor catalítico cuando solo está dañada la brida.
- Ajuste personalizado : diseñado para adaptarse a las especificaciones de Porsche para una alineación y ajuste adecuados.
¿Por qué reemplazar una brida de convertidor corroída?
- Eliminar fugas de escape : evita que escapen gases nocivos que afecten la seguridad de la cabina.
- Restaurar el rendimiento : las fugas de escape reducen la contrapresión, lo que provoca una mala respuesta del acelerador y una menor eficiencia.
- Evite daños mayores : la corrosión en la brida puede extenderse, lo que genera costosos reemplazos del convertidor catalítico o del sistema de escape.
- Confiabilidad a largo plazo : una brida nueva garantiza que su escape permanezca estructuralmente sólido durante los próximos años.
La brida de reparación del convertidor catalítico Ninemeister proporciona una solución confiable y rentable para las bridas del convertidor catalítico corroídas, lo que le ayuda a mantener su sistema de escape Porsche seguro, eficiente y fiel al rendimiento de fábrica.
Sección del diagrama ref n° 1
Números de referencia relacionados
Números relacionados, reemplazados, de referencia cruzada o alternativos para comparación.
9M96411104205
El producto que está viendo hace referencia cruzada a estos números




- Porsche 964 (911) C2 1989-93
- Porsche 964 (911) C4 1989-93

El bypass del catalizador DesignTek de acero inoxidable genera un mayor flujo de aire, lo que a su vez genera más potencia. Diseñado para ofrecer un sonido más profundo y deportivo.
Este producto viene con el orificio para volver a colocar el sensor lambda.
Se adapta a:
Porsche 964 C2/C4 1989-94
Nota: Estos catalizadores deportivos harán que su coche suene más alto que con los catalizadores de serie. Si tiene o piensa instalar silenciadores deportivos, podría notar que el coche es un poco ruidoso. Recomendamos usar un componente de escape deportivo si le preocupa el nivel de decibelios.
Design 911 recomienda este producto mejor relación calidad-precio
NOTA: En el Reino Unido, los convertidores catalíticos deportivos y los tubos de derivación no cuentan con homologación de tipo y su uso no está legalmente permitido en vehículos fabricados después del 1 de marzo de 2001. No cumplen con la ITV y no pueden circular por la vía pública. Estos componentes están destinados exclusivamente a competición y circuito.
En los vehículos fabricados antes del 1 de marzo de 2001, se puede instalar un catalizador deportivo no homologado, siempre que ofrezca un rendimiento comparable al del original y el vehículo siga cumpliendo las normas de emisiones aplicables para su antigüedad. El vehículo debe pasar la inspección técnica de vehículos (ITV).
Si se encuentra fuera del Reino Unido, consulte las leyes y reglamentaciones locales para garantizar el cumplimiento.
Números de referencia relacionados
Números relacionados, reemplazados, de referencia cruzada o alternativos para comparación.
3606209641
El producto que está viendo hace referencia cruzada a estos números




- Porsche 964 (911) C2 1989-93
- Porsche 964 (911) C4 1989-93

Catalizador deportivo DesignTek de acero inoxidable de 100 celdas, con catalizador alemán de alto flujo. Produce un mayor flujo de aire, lo que a su vez genera mayor potencia. Diseñado para ofrecer un sonido más profundo y deportivo.
Este producto viene con el orificio para volver a colocar el sensor lambda.
Se adapta a:
Porsche 964 C2/C4 1989-94
Nota: Estos catalizadores deportivos harán que su coche suene más alto que con los catalizadores de serie. Si tiene o piensa instalar silenciadores deportivos, podría notar que el coche es un poco ruidoso. Recomendamos usar un componente de escape deportivo si le preocupa el nivel de decibelios.
Design 911 recomienda este producto mejor relación calidad-precio
NOTA: En el Reino Unido, los convertidores catalíticos deportivos y los tubos de derivación no cuentan con homologación de tipo y su uso no está legalmente permitido en vehículos fabricados después del 1 de marzo de 2001. No cumplen con la ITV y no pueden circular por la vía pública. Estos componentes están destinados exclusivamente a competición y circuito.
En los vehículos fabricados antes del 1 de marzo de 2001, se puede instalar un catalizador deportivo no homologado, siempre que ofrezca un rendimiento comparable al del original y el vehículo siga cumpliendo las normas de emisiones aplicables para su antigüedad. El vehículo debe pasar la inspección técnica de vehículos (ITV).
Si se encuentra fuera del Reino Unido, consulte las leyes y reglamentaciones locales para garantizar el cumplimiento.
Números de referencia relacionados
Números relacionados, reemplazados, de referencia cruzada o alternativos para comparación.
3606109641
El producto que está viendo hace referencia cruzada a estos números




- Porsche 964 (911) C2 1989-93
- Porsche 964 (911) C4 1989-93

Se adapta a:
Porsche 964 C2/C4 1990-94
NOTA: En el Reino Unido, los convertidores catalíticos deportivos y los tubos de derivación no cuentan con homologación de tipo y su uso no está legalmente permitido en vehículos fabricados después del 1 de marzo de 2001. No cumplen con la ITV y no pueden circular por la vía pública. Estos componentes están destinados exclusivamente a competición y circuito.
En los vehículos fabricados antes del 1 de marzo de 2001, se puede instalar un catalizador deportivo no homologado, siempre que ofrezca un rendimiento comparable al del original y el vehículo siga cumpliendo las normas de emisiones aplicables para su antigüedad. El vehículo debe pasar la inspección técnica de vehículos (ITV).
Si se encuentra fuera del Reino Unido, consulte las leyes y reglamentaciones locales para garantizar el cumplimiento.
Números de referencia relacionados
Números relacionados, reemplazados, de referencia cruzada o alternativos para comparación.
1620301400
El producto que está viendo hace referencia cruzada a estos números




- Porsche 964 (911) C2 1989-93
- Porsche 964 (911) C4 1989-93
Se adapta a:
Porsche 964 C2/C4 1990-94
Nota: Estos catalizadores deportivos harán que su coche suene más alto que con los catalizadores de serie. Si tiene o piensa instalar silenciadores deportivos, podría notar que el coche es un poco ruidoso. Recomendamos usar un componente de escape deportivo si le preocupa el nivel de decibelios.
NOTA: En el Reino Unido, los convertidores catalíticos deportivos y los tubos de derivación no cuentan con homologación de tipo y su uso no está legalmente permitido en vehículos fabricados después del 1 de marzo de 2001. No cumplen con la ITV y no pueden circular por la vía pública. Estos componentes están destinados exclusivamente a competición y circuito.
En los vehículos fabricados antes del 1 de marzo de 2001, se puede instalar un catalizador deportivo no homologado, siempre que ofrezca un rendimiento comparable al del original y el vehículo siga cumpliendo las normas de emisiones aplicables para su antigüedad. El vehículo debe pasar la inspección técnica de vehículos (ITV).
Si se encuentra fuera del Reino Unido, consulte las leyes y reglamentaciones locales para garantizar el cumplimiento.
Números de referencia relacionados
Números relacionados, reemplazados, de referencia cruzada o alternativos para comparación.
96421100391
El producto que está viendo hace referencia cruzada a estos números




- Porsche 911 1975-1977 3.0L Turbo (930)
- Porsche 911 1978-1989 3.3L Turbo (930)
- Porsche 964 (911) TURBO 3.3L 1991-93

Se adapta a:
Porsche 930 3.0L Turbo 1975-77
Porsche 930 3.3L Turbo 1978-89
Porsche 964 Turbo 3.3L-3.6L 06/1991-07/1993
Tenga en cuenta:
Esta pieza se adaptará inmediatamente a la mayoría de los automóviles, pero algunos pueden requerir modificaciones.
Porsche fabricó algunas versiones diferentes de la pipa a lo largo de los años, todas con una forma ligeramente diferente. (aunque Porsche usó un número)
Si este tubo no funciona, deberá aflojar todos los pernos del sistema de escape (incluido el turbo) y luego montar el tubo en su lugar.
Números de referencia relacionados
Números relacionados, reemplazados, de referencia cruzada o alternativos para comparación.
93011100304
El producto que está viendo hace referencia cruzada a estos números




- Porsche 911 1975-1977 3.0L Turbo (930)
- Porsche 911 1978-1989 3.3L Turbo (930)
- Porsche 964 (911) TURBO 3.3L 1991-93

Se adapta a:
Porsche 930 3.0L Turbo 1975-77
Porsche 930 3.3L Turbo 1978-89
Porsche 964 Turbo 3.3L-3.6L 06/1991-07/1993
Tenga en cuenta:
Esta pieza se adaptará inmediatamente a la mayoría de los automóviles, pero algunos pueden requerir modificaciones.
Porsche fabricó algunas versiones diferentes de la pipa a lo largo de los años, todas con una forma ligeramente diferente (aunque Porsche utilizó un número).
Si este tubo no funciona, deberá aflojar todos los pernos del sistema de escape (incluido el turbo) y luego montar el tubo en su lugar.
Números de referencia relacionados
Números relacionados, reemplazados, de referencia cruzada o alternativos para comparación.
93011100304SS
El producto que está viendo hace referencia cruzada a estos números




- Porsche 964 (911) C2 1989-93
- Porsche 964 (911) C4 1989-93
- Porsche 964 (911) RS 3.6L 1991-93
- Porsche 964 (911) RS 3.8L 1991-93
- Porsche 964 (911) TURBO 3.3L 1991-93
- Porsche 964 (911) TURBO 3.6L 1991-93
- Porsche 993 (911) C2 1994-97
- Porsche 993 (911) C4 1994-97
- Porsche 993 (911) RS 1994-97
- Porsche 993 (911) C2S 1994-97
- Porsche 993 (911) C4S 1994-97
- Porsche 993 (911) TURBO 1994-96
- Porsche 993 (911) GT2 1994-97
- Porsche 993 (911) TURBO S 1994-97
- Porsche 996 C2 3.4L 1997-08/01
- Porsche 996 C4 3.4L 1997-08/01
- Porsche 996 C2 3.6L 09/01-2005
- Porsche 996 C4 3.6L 09/01-2005
- Porsche 996 C4S 3.6L 09/01-2005
- Porsche 996 TURBO 2000-05
- Porsche 996 GT2 2001-05
- Porsche 996 GT3 MKI 1999-02
- Porsche 996 GT3 MKII 2003>>
- Porsche 996 GT3 RS 2003-04
- Porsche 997 MK1 Carrera 2 3.6L 2005-08
- Porsche 997 MK1 Carrera 2S 3.8L 2005-08
- Porsche 997 MK1 Carrera 4 3.6L 2005-08
- Porsche 997 MK1 Carrera 4S 3.8L 2005-08
- Porsche 997 MK1 TURBO 2007-09
- Porsche 997 MK1 GT3 2007-09
- Porsche 997 MK1 GT2 2007-09
- Porsche 997 MKII Carrera C2 3.6L 2009-12
- Porsche 997 MKII Carrera C4 3.6L 2009-12
- Porsche 997 MKII Carrera C2S 3.8L 2009-12
- Porsche 997 MKII Carrera C4S 3.8L 2009-12
- Porsche 997 MKII GT3 2010-11
- Porsche 997 MKII Turbo 2010-13
- Porsche 997 MKII GT2 RS 2011-13
- Porsche 991.1 Carrera C2 3.4L (350Bhp) 2012-16
- Porsche 991.1 Carrera C2S 3.8L (400Bhp) 2012-16
- Porsche 991.1 Carrera C4 3.4L (350Bhp) 2012-16
- Porsche 991.1 Carrera C4S 3.8L (400Bhp) 2012-16
- Porsche 991.1 Turbo 3.8L (520bhp) 2014-16
- Porsche 991.1 Turbo S 3.8L (560Bhp) 2014-16
- Porsche 991.1 R 4.0L (500 Bhp) 2016
- Porsche 991.1 GT3 3.8L (475Bhp) 2014-16
- Porsche 991.1 GT3 RS 4.0L (500Bhp) 2015-16
- Porsche 991.2 Carrera 2 3.0L (370 Bhp) 2016-19
- Porsche 991.2 Carrera 2S 3.0L (420 Bhp) 2016-19
- Porsche 991.2 Carrera 4 3.0L (370 Bhp) 2016-19
- Porsche 991.2 Carrera 4S 3.0L (420 Bhp) 2016-19
- Porsche 991.2 Cabriolet 2 3.0L (370 Bhp) 2016-19
- Porsche 991.2 Cabriolet 2S 3.0L (420 Bhp) 2016-19
- Porsche 991.2 Cabriolet 4 3.0L (370 Bhp) 2016-19
- Porsche 991.2 Cabriolet 4S 3.0L (420 Bhp) 2016-19
- Porsche 991.2 Targa 4 3.0L (370 Bhp) 2016-19
- Porsche 991.2 Targa 4S 3.0L (420 Bhp) 2016-19
- Porsche 991.2 Turbo Coupe 3.8L (540 Bhp) 2016-19
- Porsche 991.2 Turbo S Coupe 3.8L (580 Bhp) 2016-19
- Porsche 991.2 Turbo Cabriolet 3.8L (540 Bhp) 2016-19
- Porsche 991.2 Turbo S Cabriolet 3.8L (580 Bhp) 2016-19
- Porsche 991.2 Speedster 4.0L (510Bhp) 2019
- Porsche 991.2 GT3 4.0L (500 Bhp) / GT3 RS 4.0L (520 Bhp) 2017-19
- Porsche 991.2 GT2 RS 3.8L PDK (700 bhp) 2018-19
- Porsche 992.1 Carrera 2 3.0L 2019-24
- Porsche 992.1 Carrera 4 3.0L 2019-24
- Porsche 992.1 Carrera 2 Cabriolet 3.0L 2019-24
- Porsche 992.1 Carrera 4 Cabriolet 3.0L 2019-24
- Porsche 992.1 Carrera 2S 3.0L 2019-24
- Porsche 992.1 Carrera 4S 3.0L 2019-24
- Porsche 992.1 Carrera 2S Cabriolet 3.0L 2019-24
- Porsche 992.1 Carrera 4S Cabriolet 3.0L 2019-24
- Porsche 992.1 Targa 4 3.0L 2020-24
- Porsche 992.1 Targa 4S 3.0L 2020-24
- Porsche 992.1 Speedster 4.0L 2019-24
- Porsche 992.1 Turbo 3.8L 2020-24
- Porsche 992.1 Turbo S 3.8L 2020-24
- Porsche 992.1 Turbo Cabriolet 3.8L 2020-24
- Porsche 992.1 Turbo S Cabriolet 3.8L 2020-24
- Porsche 992.1 GT3 4.0L / 992 S/T 4.0L 2021-24
- Porsche Cayman 2.7L 987C 2006-08
- Porsche Cayman S 3.4L 987C 2005-08
- Porsche Cayman 2.9L 987C MKII 2009-12
- Porsche Cayman S / R 3.4L 987C MKII 2009-12
- Porsche Cayman 2.7L 981 2013-16
- Porsche Cayman S / GTS 3.4L 981 2013-16
- Porsche Cayman GT4 3.8L 2015-16
- Porsche Cayman 718 2.0L Manual (300Bhp)
- Porsche Cayman 718 2.0L PDK (300Bhp)
- Porsche Cayman S 718 2.5L Manual (350Bhp)
- Porsche Cayman S 718 2.5L PDK (350Bhp)
- Porsche Cayman T 718 2.0L Manual (300Bhp)
- Porsche Cayman T 718 2.0L PDK (300 Bhp)
- Porsche Cayman GTS 718 2.5L Manual (365 Bhp)
- Porsche Cayman GTS 718 2.5L PDK (365 Bhp)
- Porsche Cayman GTS 718 4.0L Manual (400 Bhp)
- Porsche Cayman GTS 718 4.0L PDK (400 Bhp)
- Porsche Cayman GT4 718 4.0L / GT4 RS 718 4.0L
En caso de que necesite reubicar su sonda lambda existente porque no está en la ubicación correcta. Se necesita especialista en soldadura y corte.
Encaja:
Muchos vehículos Porsche. equipos universales.
Números de referencia relacionados
Números relacionados, reemplazados, de referencia cruzada o alternativos para comparación.
100390100392
El producto que está viendo hace referencia cruzada a estos números




- Porsche 964 (911) TURBO 3.3L 1991-93
- Porsche 964 (911) TURBO 3.6L 1991-93
Se adapta a:
Porsche 964 Turbo (965) 1991-92
Porsche 964 Turbo (965) 1993-94
Contenido del kit:
Los colectores deportivos de alto flujo de Fabspeed están diseñados para conservar la calefacción del habitáculo a la vez que ofrecen notables mejoras de rendimiento. Gracias a un recorrido de escape más corto y a las suaves curvas del mandril, estos colectores mejoran drásticamente el flujo de escape, aumentando la potencia, afinando la respuesta del acelerador y reduciendo el retraso del turbo, con un inicio de la sobrealimentación hasta 1500 RPM antes que el de fábrica. También ofrecen un ligero aumento de volumen, un sonido de bobina del turbo más pronunciado y un sonido de escape más profundo y agresivo.
- Construido en acero inoxidable T304L doblado con mandril CNC de calibre 14-16 con colectores de fusión estilo F1 de alta velocidad para un flujo de escape óptimo.
- Este sistema incluirá un acumulador de goteo con conectores dobles y líneas Aeroquip con adaptadores, además de una junta con capas de acero con grafito para un sellado a prueba de fugas.
- Se incluirán líneas de aceite trenzadas personalizadas de 7/8" con extremo de bola estilo Porsche de radio correcto de 30 mm con accesorios OEM para reemplazar las líneas de aceite originales.
- Mantiene la funcionalidad de calefacción de la cabina de serie.
- Instalación sencilla con pernos (hágalo usted mismo), sin necesidad de cortar ni soldar.
- Respaldado por la garantía de por vida de Fabspeed.
El silenciador de doble salida Maxflo de Fabspeed ofrece un sonido de escape profundo y agresivo junto con un sonido de carrete de turbo significativamente mejorado, que resalta el verdadero carácter de su 964 Turbo.
- Incluye puntas de salida Deluxe de Fabspeed; óvalos cortados en ángulo pulidos.
- Los silenciadores Maxflo son carcasas hidroformadas con alivio de tensión radial soldadas con TIG pulsado con fibra cerámica de 2000 grados y empaque de lana de acero inoxidable.
- Construido con acero inoxidable T304L doblado con mandril CNC de calibre 14-16 de alta calidad para un flujo óptimo y máxima durabilidad.
- Tubería completa de 3,0" para un flujo máximo.
- Incluye punta de válvula de descarga de 4,5" y todo el hardware necesario.
- Instalación sencilla con pernos (hágalo usted mismo), sin necesidad de cortar ni soldar.
- Respaldado por la garantía de por vida de Fabspeed.
El sistema de admisión de alto rendimiento de Fabspeed reemplaza la anticuada y pesada caja de aire de fábrica de acero de los modelos 930 y 964 Turbo (965), un diseño originario de los años 70 y 80 que retiene el calor como un horno holandés y limita drásticamente el flujo de aire. Esta configuración de fábrica cuece el aire de admisión, lo que reduce el rendimiento y la eficiencia. Por el contrario, la admisión de aire frío de Fabspeed está diseñada para reducir el peso y suministrar aire significativamente más frío y denso directamente al motor, lo que resulta en un aumento de potencia y par motor comprobado en dinamómetro.
- Ahorra tiempo de mantenimiento y pesa mucho menos, para un mejor manejo y temperaturas de motor más frías.- Aumenta la potencia y el torque en +17,5 HP y +26 ft-lbs.
- Ahorro de peso significativo junto con un compartimiento del motor finalmente limpio y ordenado para SER VISTO.
- Limpia el compartimiento del motor para facilitar el acceso para mantenimiento y exhibiciones de autos.
- Permite la instalación de intercoolers más grandes en lugar de golpear la pesada caja de aire de acero.
- Admite hasta 550+ caballos de fuerza.
VIDEO: Instrucciones de instalación y fotos en línea. Sistema de ingeniería súper simple.
- ¡Usado e instalado por un QUINTO de los fabricantes de motores Porsche Turbo en todo el mundo!
- Diseñado por CAD y desarrollado por DYNO. ¡100 % garantizado como la mejor admisión de aire para su 964 Turbo!
- Respaldado por la garantía de por vida de Fabspeed.
NOTA DE AJUSTE: Después del ciclo de calor inicial, asegúrese de volver a apretar todos los pernos de escape según las especificaciones de torsión del OEM para garantizar un sellado adecuado y duradero.
NOTA: Este sistema sustituye el catalizador de fábrica por uno de alto flujo y no cumple con la normativa de la ITV, lo que significa que está diseñado exclusivamente para competición y circuito, y no debe utilizarse en la vía pública. Si se encuentra fuera del Reino Unido, consulte la legislación y normativa local para garantizar el cumplimiento antes de la instalación.
Números de referencia relacionados
Números relacionados, reemplazados, de referencia cruzada o alternativos para comparación.
FSPOR964TSPKG
El producto que está viendo hace referencia cruzada a estos números



Título: Porsche Exhaust Catalyst y Bypass Sports Catalyst: especificaciones técnicas y beneficios
Puntos clave:
Rendimiento mejorado: actualizar el catalizador de escape de su Porsche u optar por un catalizador deportivo de derivación puede mejorar significativamente el rendimiento al aumentar la potencia y el par motor. Estas opciones del mercado de accesorios están diseñadas para optimizar el flujo de escape, lo que resulta en una mejor eficiencia del motor y respuesta del acelerador.
Sonido mejorado: un catalizador de escape original de Porsche o del mercado de accesorios puede mejorar la experiencia auditiva de su vehículo. Ofrecen una nota de escape más profunda y agresiva, proporcionando un sonido más deportivo que complementa la naturaleza orientada al rendimiento de un Porsche.
Cumplimiento de los estándares de emisiones: al comprar un catalizador de escape, es crucial considerar su cumplimiento con las regulaciones locales de emisiones. Los catalizadores de escape de Porsche están diseñados para cumplir con estrictos estándares de emisiones, lo que garantiza que su vehículo siga siendo respetuoso con el medio ambiente y ofrezca un rendimiento mejorado.
Calidad y durabilidad: los catalizadores de escape originales de Porsche se fabrican con los más altos estándares, lo que garantiza una calidad y durabilidad excepcionales. Las opciones del mercado de repuestos de marcas de renombre también ofrecen una confiabilidad similar, proporcionando una solución duradera para el sistema de escape de su Porsche.
Fácil instalación: tanto los catalizadores de escape originales de Porsche como los del mercado de accesorios están diseñados para ser reemplazos directos, lo que hace que la instalación sea relativamente sencilla. Sin embargo, es fundamental seguir las instrucciones del fabricante o buscar asistencia profesional para garantizar un ajuste adecuado y un rendimiento óptimo.
En Design911, entendemos la importancia de encontrar la pieza correcta para su Porsche y brindarle el mejor asesoramiento profesional. Nuestro dedicado equipo de expertos se especializa en piezas y accesorios de Porsche, incluidos los catalizadores de escape. Con nuestro amplio conocimiento y experiencia, podemos ayudarlo a encontrar el catalizador de escape adecuado o el catalizador deportivo de derivación para su modelo Porsche, teniendo en cuenta sus requisitos específicos y las regulaciones locales. Estamos comprometidos a entregar productos de alta calidad y garantizar la satisfacción del cliente. Contáctenos hoy para recibir asistencia personalizada y una mejor experiencia de conducción con su Porsche.