no presiones el botón para volver…
-
Partes del motor
-
- Componentes eléctricos del motor Sensores de flujo / masa de aire Alternador / Generador Baterías y cargadores Relés / Fusibles Bobina de encendido Inyectores Motores de arranque Bomba de combustible Sensor de temperatura Sensores de velocidad / referencia/ picado Arnés de cableado / Cables todas las categorias
-
- Piezas de reconstrucción del motor Piezas del sistema de aceite Piezas del sistema de combustible Juntas y juegos Sello radial/RMS/árbol de levas/eje de equilibrio Correas / Tensores / Rodillos Cadenas y Tensores Tapas de distribución y juntas Cojinetes del motor / revestimientos Válvulas de motor / Guías / Resortes Espárragos del motor Soportes del motor Cilindros del motor / Camisas / Pistones Biela Culata Árbol de levas y piezas Engranajes de árbol de levas/piñones y fijaciones Piezas del cárter Cigüeñal y piezas Turbocompresores / Intercoolers y Piezas Admisión e inyección de aire Bomba de vacío Herramientas especializadas
-
Frenos
-
- Frenos Paquete de discos y pastillas de freno Disco de freno estándar Pastillas de freno estándar Disco de freno SPORTS Frenos Brembo estándar Frenos Brembo Racing Frenos TEXTAR Frenos PAGID Racing Frenos Zimmermann Frenos de alto rendimiento SHW Frenos EBC Discos de freno O-Brake Línea Rotinger Grafito Repuesto para disco de cerámica Sensores de desgaste de pastillas de freno Laminillas antivibración de pastillas de freno Pernos de la pinza / Tornillos del disco Juego de pasadores y placas guía Mangueras de freno de alta prestación Mangueras de freno estándar Líneas de freno y pinzas Pinzas de freno todas las categorias
-
-
Suspensión y dirección
-
- Suspensión y eje Barra antivuelco Casquillos de la barra antivuelco Soporte de la barra antivuelco Estabilizadores y casquillos DELANTEROS Estabilizadores y casquillos TRASEROS Amortiguadores DELANTEROS Recambios Amortiguador DELANTERO Amortiguadores TRASEROS Piezas del amortiguador TRASERO Muelles helicoidales DELANTEROS Muelles helicoidales TRASEROS todas las categorias
-
Transmisión
-
- Caja de cambios / Transmisión Kits de embrague Pernos del embrague Piezas del cambio Ejes de transmisión y piezas Juegos de juntas del cambio Soportes del cambio Volante / Par Juegos de juntas homocinéticas Botas y kits homocinéticos Eje cardánico / Eje de transmisión Aceite del cambio Cárter del cambio / cárter de aceite Diferencial delantero Diferencial Sensores de velocidad / referencia Enfriadores de aceite Caja de transferencia y piezas
-
-
Refrigeración y calefacción
-
- Calefacción / Aire acondicionado Condensadores y desecadores de aire acondicionado Evaporadores y válvulas de expansión de aire acondicionado Tubos de aire acondicionado Relés / Sensores / Resistencias Compresores Motores y ventiladores para el aireador Aireadores del calefactor Mangueras y tubos de calefacción Intercambiador de calor Control climático Sensores de temperatura / conmutadores
-
-
Electricidad e iluminación
-
- Componentes eléctricos y relés Bombas de combustible Conmutador de luz de freno Conmutador de los faros Conmutador de la ventana Mecanismo de la ventana Motor del limpiaparabrisas Mecanismo del limpiaparabrisas Claxon eléctrico Conmutador de ignición Conmutador del techo / techo solar Relés / Fusibles Bombas / botellas / chorros de lavado Alarmas / Seguridad / Cierre centralizado Centralita electrónica Piezas y conmutadores del salpicadero / consola Conmutador del espejo de la puerta Motores y activadores del capó / portón trasero / alerón Airbags y piezas Localizador Carcasa del conector Arnés de cableado Sensor de presión de aire
-
-
Carrocería y escape
-
- Chasis / Carrocería Chasis de restauración / Paneles de reparación Amortiguador del capó Amortiguador del maletero Capós / Cerraduras y pestillos Capó trasero / Maletero / Cerraduras y pestillos Maletero / Portón trasero Parachoques delantero Parachoques trasero Puertas / Cerraduras y pestillos Paneles de puertas | Bisagras | Placas de delantero Elevalunas Alerones delanteros y piezas Alerones traseros y piezas Paneles laterales del umbral Molduras exteriores del chasis Espejos y piezas Láminas / adhesivos para virutas de piedra Soporte del chasis y el motor Limpiaparabrisas / Escobillas Brazos y escobillas del limpiaparabrisas trasero Revestimientos y cubiertas del arco de la rueda Techo - Cabrio / Targa / Coupé todas las categorias
-
- Escapes Silenciadores deportivos Silenciadores / Silenciadores conmutables Silenciadores / Amortiguadores de sonido Catalizador / Bypass Tubos de escape Juntas de escape Tuercas / pernos / espárragos de escape Soportes / Abrazaderas / Correas Escape Remus Escape Akrapovic Escape Fabspeed todas las categorias
-
-
Lubricantes y fluidos
-
- Piezas de repuesto Filtros de aceite Filtros de aire Filtros de polen / partículas Filtros de combustible Correas de todo tipo Bujías Bujías IRIDIUM POWER Bobinas de ignición Limpiaparabrisas / Escobillas Brazos y escobillas del limpiaparabrisas trasero Piezas de repuesto del cambio Aceite del motor y lubricantes - Mobil Aceite del motor y lubricantes - Total Aceite del motor y lubricantes - Castrol Aceite del motor y lubricantes - Motul Aceite del motor y lubricantes - Millers Oils NanoDrive Aceite del motor y lubricantes - Millers Oils Aditivos del combustible Refrigerante / Anticongelante Aceite de dirección asistida EPI de garaje
-
-
Todas las partes
-
- Piezas Accesorios Chasis / Carrocería Frenos Ropa y regalos Componentes eléctricos y relés Refrigeración del motor Componentes eléctricos del motor Piezas de reconstrucción del motor Piezas de alta prestación Escapes Diseño exterior / alerones Caja de cambios / Transmisión Calefacción / Aire acondicionado Componentes hidráulicos Interior y Accesorios Elementos instalados / Multimedia Iluminación Tapetes y alfombras Deportes de motor y todoterreno Juego de pedales Sellos de goma Asientos y cinturones de seguridad todas las categorias
-
- Back to main website
Introduzca aquí su número de identificación fiscal (NIF o VAT number) y haga clic en Verificar:
No necesita incluir el código de país de su NIF, dado que ya lo ha indicado antes en su dirección de facturación.
Se han verificado sus datos. NIF registrado a nombre de:
###NUEVO MÉJICO###,
.
Su pedido cuenta ahora con una tasa cero a efectos de IVA. Nos reservamos el derecho a verificar estos datos después de que haya solicitado su pedido y a restablecer el IVA si fuese necesario.
Sus datos de identificación fiscal no han sido reconocidos o no son válidos. Su NIF debe coincidir con el país de facturación que especificó anteriormente. Actualmente se ha especificado como . No necesita incluir el código de país de su NIF, do que ya lo ha indicado antes en los datos de su dirección de facturación.
El servicio de verificación de NIF no está disponible en este momento. Le rogamos que indique sus datos del NIF en los comentarios e en el cuadro de instrucciones especiales que encontrará abajo y le aplicaremos un descuento en el IVA tras realizar su solicitud de pedido.
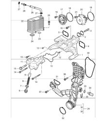
Enfriador de aceite del radiador en el motor. Porsche 986 / 987 Boxster ❭ 99610702509
- Porsche Boxster 986 2.5L 1997-99
- Porsche Boxster 986 2.7L 1999-02
- Porsche Boxster 986 2.7L 2003-04
- Porsche Boxster 987 2.7L 2005-08/08
- Porsche Boxster 987 S 3.2/3.4L 2005-08/08
- Porsche Cayman S 3.4L 987C 2005-08
Este enfriador de aceite del motor reemplaza directamente a la unidad original de Porsche. Funciona como un intercambiador de calor agua-aceite, transfiriendo eficientemente el calor del aceite del motor al refrigerante para mantener una temperatura de funcionamiento óptima. Fabricado según las especificaciones del fabricante original, garantiza una refrigeración fiable, una viscosidad del aceite constante y una protección del motor a largo plazo incluso en condiciones exigentes.
Se adapta a:
Porsche 986 Boxster 2.5L / 2.7L 1994 - 2004
Porsche 987 Boxster 2.7L / 3.2L 2005 - 2008
Porsche 987C Caimán S 3.4L 2005 - 2008
Diagrama Ref. No 18.
Beneficios:
Mantiene la temperatura óptima del aceite para reducir el desgaste, prevenir la degradación del aceite y los daños en el motor .
• El reemplazo de ajuste directo garantiza el montaje, las conexiones y el caudal correctos.
• Diseñado para una larga vida útil y fiabilidad incluso en entornos de conducción de alta exigencia
Con el tiempo, los enfriadores de aceite del motor se ven expuestos a ciclos térmicos elevados, presión y contaminantes que pueden causar obstrucciones internas, corrosión o fugas de refrigerante al aceite. Un enfriador defectuoso puede provocar un aumento de la temperatura del aceite, una lubricación reducida e incluso daños en el motor debido a la degradación del aceite o la contaminación cruzada.
Cuándo reemplazar:
• Cuando las lecturas de temperatura del aceite son anormalmente altas o fluctúan.
• Si observa aceite en el refrigerante o refrigerante en el aceite (un signo de fuga interna).
• Durante las reconstrucciones del motor o las revisiones del sistema de refrigeración para garantizar un rendimiento adecuado.
• Como mantenimiento preventivo en motores o vehículos más antiguos utilizados en condiciones de pista o de alta carga.
La sustitución del enfriador de aceite restablece la transferencia de calor eficiente, mantiene temperaturas de funcionamiento estables y garantiza la fiabilidad del motor a largo plazo.
Números de referencia relacionados
Números relacionados, reemplazados, de referencia cruzada o alternativos para comparación.
99610702509
El producto que está viendo hace referencia cruzada a estos números
- Porsche 958 Cayenne V6 3.6L Petrol (300Hp) 2010-17
- Porsche 958 Cayenne S V8 4.8L Petrol (400Hp) 2010-17
- Porsche 958 Cayenne GTS V8 4.8L Petrol (400Hp) 2010-17
- Porsche 958 Cayenne Turbo V8 4.8L Petrol (500Hp) 2010-17
- Porsche 958 Cayenne Turbo S V8 4.8L Petrol (550Hp) 2010-17
- Porsche 970.1 Panamera V6 3.6L 2WD 2009-13
- Porsche 970.1 Panamera 4 V6 3.6L 4WD 2009-13
- Porsche 970.1 Panamera S V8 4.8L 2009-13
- Porsche 970.1 Panamera 4S V8 4.8L 2009-13
- Porsche 970.1 Panamera GTS V8 4.8L 2011-13
- Porsche 970.1 Panamera Turbo V8 4.8L 2009-13
- Porsche 970.1 Panamera Turbo S V8 4.8L 2009-13

Encaja:
Porsche 958 Cayena V6 3.6L 2015>>
Porsche 958 Cayenne S/GTS/TURBBO 4.8L 2011>>
Porsche 970 Panamera V6 3.6L 2010-16
Porsche 970 Panamera S/GTS/TURBO 4.8L 2011-16
Haga clic en 'Acercar' para ver el diagrama de piezas grandes.
Diagrama ref no 5
Números de referencia relacionados
Números relacionados, reemplazados, de referencia cruzada o alternativos para comparación.
94810728122
El producto que está viendo hace referencia cruzada a estos números
- Porsche 958 Cayenne V6 3.6L Petrol (300Hp) 2010-17
- Porsche 958 Cayenne S V8 4.8L Petrol (400Hp) 2010-17
- Porsche 958 Cayenne GTS V8 4.8L Petrol (400Hp) 2010-17
- Porsche 958 Cayenne Turbo V8 4.8L Petrol (500Hp) 2010-17
- Porsche 958 Cayenne Turbo S V8 4.8L Petrol (550Hp) 2010-17
- Porsche 970.1 Panamera V6 3.6L 2WD 2009-13
- Porsche 970.1 Panamera 4 V6 3.6L 4WD 2009-13
- Porsche 970.1 Panamera S V8 4.8L 2009-13
- Porsche 970.1 Panamera 4S V8 4.8L 2009-13
- Porsche 970.1 Panamera GTS V8 4.8L 2011-13
- Porsche 970.1 Panamera Turbo V8 4.8L 2009-13
- Porsche 970.1 Panamera Turbo S V8 4.8L 2009-13

Encaja:
Porsche 958 Cayena V6 3.6L 2015>>
Porsche 958 Cayenne S/GTS/TURBBO 4.8L 2011>>
Porsche 970 Panamera V6 3.6L 2010-16
Porsche 970 Panamera S/GTS/TURBO 4.8L 2011-16
Haga clic en 'Acercar' para ver el diagrama de piezas grandes.
Diagrama ref no 5
Números de referencia relacionados
Números relacionados, reemplazados, de referencia cruzada o alternativos para comparación.
94810728122
El producto que está viendo hace referencia cruzada a estos números
- Porsche 958 Cayenne S V8 4.8L Petrol (400Hp) 2010-17
- Porsche 958 Cayenne GTS V8 4.8L Petrol (400Hp) 2010-17
- Porsche 958 Cayenne Turbo V8 4.8L Petrol (500Hp) 2010-17
- Porsche 958 Cayenne Turbo S V8 4.8L Petrol (550Hp) 2010-17
- Porsche 970.1 Panamera V6 3.6L 2WD 2009-13
- Porsche 970.1 Panamera 4 V6 3.6L 4WD 2009-13
- Porsche 970.1 Panamera S V8 4.8L 2009-13
- Porsche 970.1 Panamera 4S V8 4.8L 2009-13
- Porsche 970.1 Panamera GTS V8 4.8L 2011-13
- Porsche 970.1 Panamera Turbo V8 4.8L 2009-13
- Porsche 970.1 Panamera Turbo S V8 4.8L 2009-13
- Porsche 970.2 Panamera V6 3.6L 2WD (310Hp) 2014-16
- Porsche 970.2 Panamera 4 V6 3.6L 4WD (310Hp) 2014-16
- Porsche 970.2 Panamera S V6 Turbo 3.0L 2WD (420Hp) 2014-16
- Porsche 970.2 Panamera S V6 Turbo 3.0L 2WD Executive 2014-16
- Porsche 970.2 Panamera 4S V6 Turbo 3.0L 4WD (420Hp) 2014-16
- Porsche 970.2 Panamera 4S V6 Turbo 3.0L 4WD Executive 2014-16
- Porsche 970.2 Panamera GTS V8 4.8L 4WD (440Hp) 2014-16
- Porsche 970.2 Panamera Turbo V8 4.8L (520Hp) 2014-16
- Porsche 970.2 Panamera Turbo V8 Executive 2014-16
- Porsche 970.2 Panamera Turbo S V8 4.8L 2014-16
- Porsche 95B.1 Macan S Petrol 3.0L V6 (340Bhp) 2014-18
- Porsche 95B.1 Macan GTS Petrol 3.0L V6 (360Bhp) 2014-18
- Porsche 95B.1 Macan Turbo 3.6L V6 (400Bhp) 2014-18

Encaja:
Porsche 958 Cayenne 3.6L 2015-18
Porsche 958 Cayenne S/GTS/Turbo 4.8L 2011-18
Porsche 95B Macan S 3.0L 2014-18
Porsche 95B Macan Turbo 3.6L 2014-18
Porsche 970 Panamera 3.6L 2011-16
Porsche 970 Panamera S/GTS/Turbo 4.8L 2011-16
Haga clic en 'Acercar' para ver el diagrama de piezas grandes.
Diagrama ref no 6
Números de referencia relacionados
Números relacionados, reemplazados, de referencia cruzada o alternativos para comparación.
94810717520
El producto que está viendo hace referencia cruzada a estos números
De lunes a viernes: de 8:30 a 17:30 (GMT) Sábado: Cerrado Domingo: Cerrado Nota: Permaneceremos cerrados desde el Viernes Santo (18 de abril) hasta el lunes (21 de abril), y reabriremos con normalidad el martes (22 de abril).