Geben Sie hier Ihre MwSt.-Nummer ein und klicken Sie auf Überprüfen:
Sie brauchen den Ländercode Ihrer MwSt.-Nummer nicht einzugeben, da dieser bereits oben in Ihrer Rechnungsadresse ausgewählt wurde.
Ihre Angaben wurden überprüft. MwSt.-Nummer registriert auf:
,
.
Ihre Bestellung ist nun mehrwertsteuerfrei. Wir behalten uns das Recht vor, diese Angaben nach Ihrer Bestellung zu überprüfen und gegebenenfalls die Mehrwertsteuer wieder einzuführen.
Ihre MwSt.-Angaben wurden nicht erkannt oder waren ungültig. Ihre MwSt.-Nummer muss mit Ihrem Rechnungsland übereinstimmen, wie oben angegeben. Dies ist derzeit als angegeben. Sie brauchen den Ländercode Ihrer MwSt.-Nummer nicht einzugeben, da Sie diesen bereits in den Angaben zu Ihrer Rechnungsadresse oben ausgewählt haben.
Der Dienst zur Überprüfung von MwSt.-Nummern ist derzeit offline. Bitte geben Sie Ihre MwSt.-Daten im Feld „Kommentare“ oder „Besondere Hinweise“ unten an, und wir werden nach Ihrer Bestellung einen MwSt.-Rabatt gewähren.
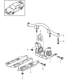
Getriebelager
- Porsche 997 MK1 Carrera 2 3.6L 2005-08
- Porsche 997 MK1 Carrera 4 3.6L 2005-08
- Porsche 997 MK1 TURBO 2007-09
- Porsche 997 MK1 GT3 2007-09
- Porsche 997 MKII GT3 2010-11
- Porsche 997 MKII Turbo 2010-13

Passt:
Porsche 997 C2 / C4 2005-08 TIPTRONIC
Porsche 997 TURBO 2007-09
Porsche 997 TURBO 2010-12 (G97.55)
Porsche 997 GT3 2007-11 (G97.90)
Klicken Sie auf „Vergrößern“, um ein großes Teilediagramm anzuzeigen.
Diagramm Nr. 3
Zugehörige Referenznummern
Verwandte, ersetzte, Querverweisoder Alternativnummern zum Vergleich.
99737511501
Das von Ihnen angezeigte Produkt verweist auf diese Nummern
- Porsche 996 C2 3.4L 1997-08/01
- Porsche 996 C4 3.4L 1997-08/01
- Porsche 996 C2 3.6L 09/01-2005
- Porsche 996 C4 3.6L 09/01-2005
- Porsche 996 C4S 3.6L 09/01-2005
- Porsche 996 TURBO 2000-05
- Porsche 996 GT2 2001-05
- Porsche 996 GT3 MKI 1999-02
- Porsche 996 GT3 MKII 2003>>
- Porsche 996 GT3 RS 2003-04
- Porsche 997 MK1 Carrera 2 3.6L 2005-08
- Porsche 997 MK1 Carrera 4 3.6L 2005-08
- Porsche 997 MK1 TURBO 2007-09
- Porsche 997 MK1 GT3 2007-09
- Porsche 997 MKII GT3 2010-11
- Porsche 997 MKII Turbo 2010-13

Passt:
Porsche 996 C2 / C4 2002-05 TIPRTONIC
Porsche 996 TURBO 2001-05
Porsche 996 GT3 2000-05
Porsche 997 C2 / C4 2005-08 TIPTRONIC
Porsche 997 TURBO 2007-09
Porsche 997 TURBO 2010-12 (G97.55)
Porsche 997 GT3 2007-11 (G97.90)
Dieses Produkt ersetzt die alten Teilenummern von Porsche:
- 99637503303
- 99737503301
- 99737503302
Klicken Sie auf „Vergrößern“, um ein großes Teilediagramm anzuzeigen.
Diagramm Nr. 1
Zugehörige Referenznummern
Verwandte, ersetzte, Querverweisoder Alternativnummern zum Vergleich.
99737503303
Das von Ihnen angezeigte Produkt verweist auf diese Nummern
- Porsche 997 MKII Carrera C2 3.6L 2009-12
- Porsche 997 MKII Carrera C4 3.6L 2009-12
- Porsche 997 MKII Carrera C2S 3.8L 2009-12
- Porsche 997 MKII Carrera C4S 3.8L 2009-12
Passend für Schaltgetriebe und PDK-Getriebe der 2. Generation mit einer einzigen Buchse im Endgehäuse, außer für Turbo GT2- und GT3-Modelle, die PFR57-531 verwenden. Für Gen-1-Modelle verwenden Sie bitte PFR57-532.
OEM-Teilenummer: 9A137505502

Passend für:
Porsche 997.2 2009-12 Schaltgetriebe
Porsche 997.2 2009-12 PDK-Getriebe
Powerflex. Wenn Sie die Gummi-Aufhängungsbuchsen Ihres Autos durch Polyurethan-Aufhängungsbuchsen ersetzen, erhalten Sie:
- Bessere Straßenlage
- Konstante Lenkgeometrie
- Erhöhte Reifenlebensdauer
- Reaktionsschnellere Lenkung
- Längere Lebensdauer der Aufhängungskomponenten
Zugehörige Referenznummern
Verwandte, ersetzte, Querverweisoder Alternativnummern zum Vergleich.
PFR57-533
Das von Ihnen angezeigte Produkt verweist auf diese Nummern
- Porsche 997 MKII Carrera C2 3.6L 2009-12
- Porsche 997 MKII Carrera C4 3.6L 2009-12
- Porsche 997 MKII Carrera C2S 3.8L 2009-12
- Porsche 997 MKII Carrera C4S 3.8L 2009-12
Passend für Schaltgetriebe und PDK-Getriebe der 2. Generation mit einer einzigen Buchse im Endgehäuse, außer für Turbo GT2- und GT3-Modelle, die PFR57-531 verwenden. Für Gen-1-Modelle verwenden Sie bitte PFR57-532.
OEM-Teilenummer: 9A137505502

Passend für:
Porsche 997.2 2009-12 Schaltgetriebe
Porsche 997.2 2009-12 PDK-Getriebe
Powerflex. Wenn Sie die Gummi-Aufhängungsbuchsen Ihres Autos durch Polyurethan-Aufhängungsbuchsen ersetzen, erhalten Sie:
- Bessere Straßenlage
- Konstante Lenkgeometrie
- Erhöhte Reifenlebensdauer
- Reaktionsschnellere Lenkung
- Längere Lebensdauer der Aufhängungskomponenten
Zugehörige Referenznummern
Verwandte, ersetzte, Querverweisoder Alternativnummern zum Vergleich.
PFR57-533BLK
Das von Ihnen angezeigte Produkt verweist auf diese Nummern
- Porsche 997 MKII Carrera C2 3.6L 2009-12
- Porsche 997 MKII Carrera C4 3.6L 2009-12
- Porsche 997 MKII Carrera C2S 3.8L 2009-12
- Porsche 997 MKII Carrera C4S 3.8L 2009-12

Passt:
Porsche 997.2 2009-12 6-Gang-Schaltgetriebe
Porsche 997.2 2009-12 7-Gang-PDK-Getriebe
Zugehörige Referenznummern
Verwandte, ersetzte, Querverweisoder Alternativnummern zum Vergleich.
9A137505502
Das von Ihnen angezeigte Produkt verweist auf diese Nummern
- Porsche 996 C2 3.4L 1997-08/01
- Porsche 996 C4 3.4L 1997-08/01
- Porsche 996 C2 3.6L 09/01-2005
- Porsche 996 C4 3.6L 09/01-2005
- Porsche 996 C4S 3.6L 09/01-2005
- Porsche 996 TURBO 2000-05
- Porsche 996 GT2 2001-05
- Porsche 996 GT3 MKI 1999-02
- Porsche 996 GT3 MKII 2003>>
- Porsche 996 GT3 RS 2003-04
- Porsche 997 MK1 Carrera 2 3.6L 2005-08
- Porsche 997 MK1 Carrera 4 3.6L 2005-08
- Porsche 997 MK1 TURBO 2007-09
- Porsche 997 MK1 GT3 2007-09
- Porsche 997 MK1 GT2 2007-09
- Porsche 997 MKII GT3 2010-11
- Porsche 997 MKII Turbo 2010-13
- Porsche 997 MKII GT2 RS 2011-13
Passt:
Porsche 996 C2 / C4 2002-05 Tirptonisch
Porsche 996 Turbo / GT2 2001-05 Handbuch
Porsche 996 Turbo 2001-05 Tiptronic
Porsche 996 GT3 2001-05 Handbuch
Porsche 997.1 C2 / C4 2005-08 Tiptronic
Porsche 997.1 Turbo / GT2 2007-09 Handbuch
Porsche 997.1 Turbo 2007-09 Tiptronic
Porsche 997.2 Turbo / GT2 RS 2010-13 Handbuch
Porsche 997 GT3 / GT2 RS Handbuch
Klicken Sie auf „Vergrößern“, um ein großes Teilediagramm anzuzeigen.
Diagramm Nr. 2
Zugehörige Referenznummern
Verwandte, ersetzte, Querverweisoder Alternativnummern zum Vergleich.
99744910150
Das von Ihnen angezeigte Produkt verweist auf diese Nummern
- Porsche 996 C2 3.6L 09/01-2005
- Porsche 996 C4 3.6L 09/01-2005
- Porsche 996 C4S 3.6L 09/01-2005
- Porsche 996 TURBO 2000-05
- Porsche 996 GT2 2001-05
- Porsche 996 GT3 MKI 1999-02
- Porsche 996 GT3 MKII 2003>>
- Porsche 997 MK1 Carrera 2 3.6L 2005-08
- Porsche 997 MK1 Carrera 2S 3.8L 2005-08
- Porsche 997 MK1 Carrera 4 3.6L 2005-08
- Porsche 997 MK1 Carrera 4S 3.8L 2005-08
- Porsche 997 MK1 GT3 2007-09
- Porsche 997 MKII GT3 2010-11
- Porsche 997 MKII Turbo 2010-13
- Porsche 997 MKII GT2 RS 2011-13
Verbessern Sie die Schaltpräzision und Antriebsstrangstabilität mit diesem Getriebe-/Transmissionsbuchsensatz.
Diese für die Modelle Porsche 996 und 997 entwickelten Hochleistungsbuchsen ersetzen die originalen weichen Gummilager durch eine Mischung mit höherem Härtegrad und verstärkten Aluminiumkernen.
Als 2er-Set verkauft.
Passform:
- Porsche 996 C2 3,6 l 2002–2005 (nur Tiptronic-Getriebe)
- Porsche 996 C4 3,6 l 2002–2005 (nur Tiptronic-Getriebe)
- Porsche 996 C4S 3.6L 2002-2005 (nur Tiptronic-Getriebe)
- Porsche 996 TURBO 2000-05 (Tiptronic / Schaltgetriebe)
- Porsche 996 GT2 2001-05 (Tiptronic / Schaltgetriebe)
- Porsche 996 GT3 MKI 1999-02 (nur Schaltgetriebe)
- Porsche 996 GT3 MKII 2003>> (nur Schaltgetriebe)
- Porsche 997 MK1 Carrera 2 3,6 l 2005–08 (nur Tiptronic-Getriebe)
- Porsche 997 MK1 Carrera 2S 3.8L 2005-08 (nur Tiptronic-Getriebe)
- Porsche 997 MK1 Carrera 4 3,6 l 2005–08 (nur Tiptronic-Getriebe)
- Porsche 997 MK1 Carrera 4S 3,8 l 2005–08 (nur Tiptronic-Getriebe)
- Porsche 997 MK1 GT3 2007–09 (nur Schaltgetriebe)
- Porsche 997 MKII GT3 2010-11 (nur Schaltgetriebe)
- Porsche 997 MKII Turbo 2010–13 (nur Schaltgetriebe)
- Porsche 997 MKII GT2 RS 2011-13 (nur Schaltgetriebe)
Passt auf Diagramm Ref Nr. 1
Was dieses Produkt leistet:
- Stützen und montieren Sie das Getriebe – Sie halten das Getriebe (Transaxle) an seinem Platz im Verhältnis zum Fahrgestell, halten es ausgerichtet und verhindern unerwünschte Bewegungen.
- Absorbieren Vibrationen und isolieren Geräusche – Die Buchsen dämpfen Getriebevibrationen und Antriebsgeräusche und verbessern so den Komfort.
- Kontrollieren Sie das Spiel des Antriebsstrangs – Steifere Buchsen reduzieren die Verdrehung oder Bewegung unter Drehmomentbelastung und minimieren so das Spiel des Antriebsstrangs oder unerwünschte Bewegungen beim Beschleunigen, Schalten oder Gaswegnehmen.
- Geometrie und Ausrichtung beibehalten – Ein ordnungsgemäß montiertes Getriebe verhindert eine Verschiebung der Antriebsstrangwinkel, was zum Schutz von Gleichlaufgelenken und Antriebswellen beiträgt und unnötige Belastungen an anderer Stelle reduziert.
- Klapper-, Klopf- oder Schlaggeräusche beim Schalten, beim Gasgeben oder beim Abbremsen
- Spiel/Schlupf im Antriebsstrang – ein Gefühl der Verzögerung oder des „Spiels“ vor der Kraftübertragung
- Erhöhte Vibrationen oder Härtegefühle in der Kabine, insbesondere unter Last oder beim Gangwechsel
- Getriebebewegung – das Getriebe kann sich bei Drehzahl-/Drehmomentänderungen merklich bewegen oder verdrehen
- Verschleiß an angrenzenden Komponenten – z. B. Gleichlaufgelenke, Antriebswellen, Differentialstützlager können einem beschleunigten Verschleiß unterliegen
- Stellt Schärfe und Reaktionsfähigkeit wieder her – durch den Wegfall weicher oder abgenutzter Halterungen wird der Antriebsstrang reaktionsschneller und direkter.
- Reduziert Lärm, Vibrationen und Rauheit – eine geeignete Buchse absorbiert und isoliert Vibrationen besser als abgenutzter alter Gummi.
- Schützt andere Antriebsstrangteile – reduziert die Belastung von Gleichlaufgelenken, Kupplungen und Differentiallagern durch Bewegung oder Fehlausrichtung.
- Erhält Sicherheit und Haltbarkeit – bei hohen Drehmomentbelastungen (z. B. bei hartem Fahren) kann sich eine schwache Halterung übermäßig verdrehen und Schäden verursachen.
- Besseres Handling-Feedback – durch weniger Getriebebewegungen fühlen sich Gasübergänge und Motorbremsen kontrollierter und präziser an.
Zugehörige Referenznummern
Verwandte, ersetzte, Querverweisoder Alternativnummern zum Vergleich.
99737503303
Das von Ihnen angezeigte Produkt verweist auf diese Nummern
- Porsche 996 C2 3.6L 09/01-2005
- Porsche 996 C4 3.6L 09/01-2005
- Porsche 996 C4S 3.6L 09/01-2005
- Porsche 996 TURBO 2000-05
- Porsche 996 GT2 2001-05
- Porsche 996 GT3 MKI 1999-02
- Porsche 996 GT3 MKII 2003>>
- Porsche 997 MK1 Carrera 2 3.6L 2005-08
- Porsche 997 MK1 Carrera 2S 3.8L 2005-08
- Porsche 997 MK1 Carrera 4 3.6L 2005-08
- Porsche 997 MK1 Carrera 4S 3.8L 2005-08
- Porsche 997 MK1 TURBO 2007-09
- Porsche 997 MK1 GT3 2007-09
- Porsche 997 MK1 GT2 2007-09
- Porsche 997 MKII GT3 2010-11
- Porsche 997 MKII Turbo 2010-13
- Porsche 997 MKII GT2 RS 2011-13
Wird als Satz mit (2) Buchsen pro Satz verkauft, um ein einzelnes Auto zu vervollständigen.
Typ: Rennsport / Motorsport
Passform:
Porsche 996 C2 / C4 / C4S 2002-2005 nur TIPTRONIC
Porsche 996 Turbo 2001-2005 HANDSCHALTUNG & TIPTRONIC
Porsche 996 GT3 MKI & MKII 2000-2005 nur HANDSCHALT
Porsche 997 C2 / C4 / C2S / C4S nur TIPTRONIC
Porsche 997 Turbo MKI 2006-2009 HANDBUCH & TIPTRONIC
Porsche 997 Turbo MKII 2010-2013 nur HANDSCHALT
Porsche 997 GT3 MKI & MKII 2007-2013 nur HANDSCHALT
HD-Getriebehalterungen ersetzen Ihre OEM-Getriebeträgerbuchsen durch unsere 25 % steiferen Buchsen**. Diese Einheiten werden genauso installiert wie Fabrikbuchsen und beseitigen Klappergeräusche und Antriebsstrangspiel, die oft mit Originalgummieinheiten verbunden sind. Diese hochwertigen Einheiten verfügen über Aluminium-Mittelbuchsen und verzahnte Außenringe, die mit härterem Durometer-Gummi gefüllt sind, für perfekte Passform und lange Lebensdauer. Eine perfekte Antwort für alle, die weniger Antriebsstrangspiel wollen, aber keine Härte wollen, die mit halbfesten und festen Halterungen verbunden ist.
Passt in das Porsche OE-Teil 99737503303 oder 99637503303
Zugehörige Referenznummern
Verwandte, ersetzte, Querverweisoder Alternativnummern zum Vergleich.
99737503303
Das von Ihnen angezeigte Produkt verweist auf diese Nummern
- Porsche 996 C2 3.4L 1997-08/01
- Porsche 996 C4 3.4L 1997-08/01
- Porsche 996 C2 3.6L 09/01-2005
- Porsche 996 C4 3.6L 09/01-2005
- Porsche 996 C4S 3.6L 09/01-2005
- Porsche 996 TURBO 2000-05
- Porsche 996 GT2 2001-05
- Porsche 996 GT3 MKI 1999-02
- Porsche 996 GT3 MKII 2003>>
- Porsche 996 GT3 RS 2003-04
- Porsche 997 MK1 Carrera 2 3.6L 2005-08
- Porsche 997 MK1 Carrera 4 3.6L 2005-08
- Porsche 997 MK1 TURBO 2007-09
- Porsche 997 MK1 GT3 2007-09
- Porsche 997 MKII GT3 2010-11
- Porsche 997 MKII Turbo 2010-13
Wird als Set verkauft, wobei pro Set (2) Buchsen enthalten sind, um ein einzelnes Auto zu vervollständigen.
Art: Straßennutzung

Passend für:
Porsche 996 C2 / C4 2002-05 TIPRTONIC
Porsche 996 Turbo 2001-05
Porsche 996 GT3 2000-05
Porsche 997 C2 / C4 2005-08 TIPTRONIC
Porsche 997 Turbo 2007-09
Porsche 997 TURBO 2010-12 (G97.55)
Porsche 997 GT3 2007-11 (G97.90)
Klicken Sie auf „Vergrößern“, um eine großformatige Teilezeichnung anzuzeigen.
Diagramm-Referenznummer 1
Zugehörige Referenznummern
Verwandte, ersetzte, Querverweisoder Alternativnummern zum Vergleich.
99737503303KIT
Das von Ihnen angezeigte Produkt verweist auf diese Nummern
- Porsche 997 MKII Carrera C2 3.6L 2009-12
- Porsche 997 MKII Carrera C4 3.6L 2009-12
- Porsche 997 MKII Carrera C2S 3.8L 2009-12
- Porsche 997 MKII Carrera C4S 3.8L 2009-12
- Porsche 997 MKII Turbo 2010-13
- Porsche 997 MKII GT2 RS 2011-13
NUR Autos mit PDK-Getriebe (Doppelkupplung)!
Stückweise verkauft.
x2 pro Auto erforderlich.
Passform:
Porsche 997.2 Carrera MKII 2009>>2012
Porsche 997.2 Turbo / GT2 RS 2010>>2013
Autos mit Optionscodes:
250 – PDK-Getriebe (Doppelkupplung)
Diagramm Ref Nr. 3
Zugehörige Referenznummern
Verwandte, ersetzte, Querverweisoder Alternativnummern zum Vergleich.
9A137525600
Das von Ihnen angezeigte Produkt verweist auf diese Nummern
- Porsche 997 MKII Carrera C2 3.6L 2009-12
- Porsche 997 MKII Carrera C4 3.6L 2009-12
- Porsche 997 MKII Turbo 2010-13

Passt:
Porsche 997.2 C2 / C4 2009-12 Schaltgetriebe
Porsche 997.2 C2 / C4 2009-13 PDK-Getriebe
Porsche 997.2 Turbo / Turbo S 2010-13 PDK-Getriebe
Klicken Sie auf „Vergrößern“, um ein großes Teilediagramm anzuzeigen.
Diagramm Nr. 3
Der Preis ist für jeden
Zugehörige Referenznummern
Verwandte, ersetzte, Querverweisoder Alternativnummern zum Vergleich.
9A137525500
Das von Ihnen angezeigte Produkt verweist auf diese Nummern
-
transmission case front 997 GT3 G97.90 UPTO 2009 302-05
-
transmission case front 997 GT3 / GT RS G97.90/92 2010 ONWARDS 302-07
-
transmission suspension 997 GT3 G97.90 UPTO 2009 306-00
-
transmission suspension 997 GT3 / GT3 RS G97.90/92 2010 ONWARDS 306-01
-
Getriebeaufhängung Schraubgelenk Motor 997.2 2009-2012 306-000
-
Getriebegehäuse - G9755 - 997.2 Turbo 2010-13 302-001
-
Getriebegehäuse - G9788 - 997.2 GT2 RS 2011 302-004
-
Getriebeaufhängung - G97.55 / G97.88 - 997.2 Turbo / GT2 RS 2010-13 306-000
-
Getriebeaufhängung – CG150, PDK – 997.2 Turbo 2010–13 306-010
Porsche-Getriebelager | Stabilität, Präzision und reduzierte Antriebsstrangvibrationen
Getriebelager (auch bekannt als Getriebelager) sind wichtige Komponenten, die das Getriebe Ihres Porsche am Fahrgestell befestigen, Vibrationen isolieren und Drehmomentbewegungen absorbieren. Diese Lager spielen eine entscheidende Rolle bei der Aufrechterhaltung der Antriebsstrangausrichtung, reibungslosen Schaltvorgängen und dem allgemeinen Fahrkomfort.
Design911 liefert hochwertige Getriebelager und Getriebemontagesätze, die die ursprünglichen Leistungsspezifikationen erfüllen oder übertreffen. Hergestellt aus fortschrittlichem Gummi, Polyurethan oder Hydraulikmaterialien bietet jedes Lager die perfekte Balance aus Flexibilität und Festigkeit – so bleibt die Leistung Ihres Porsche sowohl auf der Straße als auch auf der Rennstrecke stabil und zuverlässig.
Egal, ob Sie einen klassischen Porsche restaurieren oder ein modernes Hochleistungsmodell warten, unsere Getriebelager sorgen für lang anhaltende Stabilität, verbessertes Handling und reduzierte Geräusche und Rauheit des Antriebsstrangs.
Welche Funktion haben Getriebelager?
Getriebelager fungieren als wichtige Verbindung zwischen dem Getriebesystem und dem Fahrgestell Ihres Porsche, indem sie Drehmoment und Vibrationen absorbieren und gleichzeitig die Ausrichtung unter Last beibehalten.
Kernfunktionen:
- Sichern Sie das Getriebe beim Beschleunigen, Bremsen und in Kurven.
- Absorbieren Sie Vibrationen und Geräusche vom Antriebsstrang.
- Achten Sie auf die korrekte Ausrichtung von Antriebswelle und Gestänge.
- Vermeiden Sie übermäßige Bewegungen, die die umliegenden Komponenten belasten können.
Ohne ordnungsgemäß funktionierende Getriebelager kann eine übermäßige Bewegung des Antriebsstrangs zu abruptem Schalten, Vibrationen und sogar zu Schäden an Auspuff-, Gestänge- oder Antriebswellenkomponenten führen.
Warum versagen oder verschleißen Getriebelager?
Mit der Zeit verschleißen Getriebelager aufgrund der Einwirkung von Motorwärme, Drehmomentbelastung und Umweltfaktoren wie Ölverunreinigungen oder Feuchtigkeit.
Zu den häufigsten Fehlerursachen zählen:
- Verschleiß oder Rissbildung des Gummis durch Hitze und Alter.
- Hydraulikflüssigkeitsleck in flüssigkeitsgefüllten Halterungen.
- Metallermüdung bei Hochleistungs- oder Schwerlasteinsatz.
- Ölverschmutzung macht Gummimischungen weich.
- Kontinuierliche Drehmomentbelastung durch aggressive Beschleunigung .
Wenn die Lager schwächer werden, können Sie Klappergeräusche, Vibrationen des Antriebsstrangs, Bewegungen des Schalthebels oder Schwierigkeiten beim Schalten wahrnehmen – alles Anzeichen dafür, dass Ihre Getriebelager ausgetauscht werden müssen.
Warum sollten Sie Ihre Getriebelager ersetzen oder aufrüsten?
Der Austausch verschlissener Getriebelager stellt die Stabilität des Antriebsstrangs wieder her, sorgt für sanftere Schaltvorgänge und reduzierte Vibrationen. Ein Upgrade auf verstärkte oder Performance-Lager verbessert die Kontrolle und das Drehmomentverhalten, insbesondere bei getunten oder rennstreckentauglichen Porsches.
Hauptvorteile:
- Stellt sanfte, vibrationsfreie Gangwechsel wieder her.
- Verhindert Bewegungen des Antriebsstrangs und die Belastung der Komponenten.
- Verbessert die Fahrpräzision und die Gasannahme.
- Reduziert Lärm, Vibrationen und Rauheit (NVH).
- Erhältlich in Gummi-, Polyurethan- und Performance-Spezifikationsausführungen.
- Ideal für Wartung, Upgrades oder die komplette Getriebewartung.
Durch den paarweisen Austausch der Halterungen wird eine ausgewogene Leistung und eine konsistente Ausrichtung des Antriebsstrangs gewährleistet.
Highlights
- Premium-Getriebe- und Getriebelager von Porsche.
- Entwickelt für Stärke, Haltbarkeit und Vibrationsreduzierung.
- Direkt passender Ersatz für Porsche 911, Cayman, Boxster und andere.
- Verstärkte Designs für Leistungs- oder Rennstreckenanwendungen.
- Reduziert die Belastung der Getriebe- und Antriebsstrangkomponenten.
- Unverzichtbar für sanftes Schalten, Feinschliff und Langlebigkeit des Antriebsstrangs.