Bitte warten… 
Bitte warten Sie, während wir Ihre Bestellung bearbeiten.
Drücken Sie nicht die Zurück-Taste.… 
Sub5Club Store https://pitp.club https://pitp.club https://pitp.club
Preisgarantie
Weltweite Lieferung
12 Monate Garantie

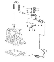
Fluidschläuche und -leitungen

Nach Marke filtern
Präsentation von 1 bis 4 (von 4 Produkten)
Präsentation von 1 bis 4 (von 4 Produkten)
Auch auf diesen Seiten gefunden
Über Fluidschläuche und -leitungen

Porsche-Getriebeflüssigkeitsschläuche und -leitungen – Kritische Leitungen für Kühlung und Schmierung

Die Getriebeölschläuche und -leitungen von Porsche sind essenzielle Bauteile, die Getriebeöl, Kühlmittel und Hydraulikflüssigkeiten zwischen Getriebe, Ölkühler, Steuerventilen und zugehörigen Systemen transportieren. Durch die Aufrechterhaltung des korrekten Flüssigkeitsdurchflusses und -drucks gewährleisten diese Schläuche und Leitungen sanfte Gangwechsel, stabile Betriebstemperaturen und eine hohe Zuverlässigkeit des Getriebes.

Die bei Design911 erhältlichen Getriebeölschläuche und -leitungen entsprechen den OEM-Spezifikationen und eignen sich daher ideal für die routinemäßige Wartung, die Reparatur von Leckagen sowie für die komplette Überholung von Getrieben oder Kühlsystemen.

Welche Funktion haben die Getriebeölschläuche und -leitungen von Porsche?

Diese Komponenten bilden das Fluidzufuhrnetz des Getriebesystems.

Kernfunktionen:

  • Transportiert Getriebeöl und Kühlmittel zu wichtigen Getriebekomponenten
  • Korrekten Flüssigkeitsdruck und Durchflussraten einhalten
  • Unterstützung der Getriebekühlung und -schmierung
  • Schützen Sie die internen Bauteile vor Hitze- und Reibungsschäden.
  • Gewährleisten Sie den zuverlässigen Betrieb von Ventilen, Kühlern und Aktuatoren.

Funktionierende Schläuche und Leitungen sind für die Leistungsfähigkeit und Langlebigkeit des Antriebsstrangs unerlässlich.

Warum versagen Getriebeölschläuche und -leitungen?

Getriebeölleitungen sind rauen Umgebungsbedingungen ausgesetzt und verschleißen mit der Zeit.

Häufige Fehlerursachen:

  • Durch die wechselnden Temperaturschwankungen können Gummischläuche aushärten oder reißen.
  • Korrosion in Metallrohren durch Alterung oder verunreinigte Flüssigkeiten
  • Öl- oder Kühlmittellecks an Dichtungen und Verbindungen
  • Vibrationsbedingte Ermüdung und Scheuern
  • Druckanstiege durch verstopfte Kühler oder Ventile

Ein Ausfall führt oft zu Flüssigkeitsverlust, Überhitzung, Schaltproblemen oder Getriebeschäden.

Wann sollten Getriebeölschläuche und -leitungen ausgetauscht werden?

Die Getriebeölschläuche und -leitungen von Porsche sollten überprüft und gegebenenfalls ersetzt werden, wenn eines der folgenden Anzeichen vorliegt:

  • Sichtbare Öl- oder Kühlmittellecks
  • Gerissene, aufgequollene oder spröde Schlauchabschnitte
  • Wiederholte Warnungen vor niedrigem Flüssigkeitsstand
  • Getriebeüberhitzung oder unregelmäßiges Schalten
  • Bei Getriebeüberholungen oder Wartungsarbeiten am Kühlsystem

Durch vorbeugenden Austausch lassen sich plötzliche Flüssigkeitsverluste und teure Getriebereparaturen vermeiden.

Highlights

  • Wesentliche Komponenten der Porsche-Getriebeölförderung
  • Unterstützt Kühlung, Schmierung und Druckregelung
  • Passgenauigkeit nach OEM-Spezifikation für zuverlässige Installation
  • Geeignet für Straßen-, Schnellstraßen- und Leistungsanwendungen
  • Schützt die Getriebeinnenteile und verlängert die Lebensdauer

Sie können auch mögen
Beliebte Modelle