Enter your VAT number here and click Verify:
Your details have been verified. VAT number registered to:
,
.
Your order will now be zero rated for VAT purposes. We reserve the right to verify these details after your order request has been made and reinstate VAT if required.
Your VAT details were not recognised or were invalid. Your VAT number must be matched to your Billing Country as specified above. This is currently specified as . You do not need to enter the country code part of your VAT number as this has already been selected in your billing address details above.
The VAT number checking service is currently offline. Please supply your VAT details within the comments or special instructions field below and we will apply a VAT discount after placing your order request.
- Porsche Boxster 987 S 3.2/3.4L 2005-08/08
- Porsche Boxster S 987 MKII 3.4L 2009-2012
- Porsche Boxster 981 S / GTS 3.4L 2012-16
- Porsche 996 C2 3.6L 09/01-2005
- Porsche 996 C4 3.6L 09/01-2005
- Porsche 996 C4S 3.6L 09/01-2005
- Porsche Cayman S 3.4L 987C 2005-08
Engine Cylinder Head Gasket Kit
The cylinder head gasket is a critical component that seals the cylinder head to the engine block. It serves several key functions, It seals the combustion chamber, ensuring proper compression for efficient engine performance. It prevents coolant and engine oil from mixing by sealing the fluid passages between the cylinder head and engine block.
Signs of Cylinder Head Gasket Failure
A failing head gasket can lead to serious engine problems. Common symptoms include:
- Engine overheating
- Low cylinder compression
- External coolant or oil leaks
- White smoke from the exhaust
- Bubbles in the radiator or coolant reservoir
- Milky or white-colored engine oil

Fits:
- Porsche 996 C2 3.6L 09/01-2005
- Porsche 996 C4 3.6L 09/01-2005
- Porsche 996 C4S 3.6L 09/01-2005
- Porsche Cayman S 3.4L 987C 2005-08
- Porsche Boxster 987 S 3.4L 2005-08/08
- Porsche Boxster S 987 MKII 3.4L 2009-2012
- Porsche Boxster 981 S / GTS 3.4L 2012-16
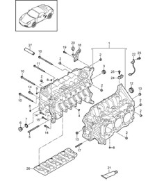
Click 'Zoom in' for large parts diagram
Diagram ref no 19 & 20.
Related reference numbers
Related, superseded, cross reference or alternative numbers for comparison.
99610418059
The product you are viewing cross references to these numbers
This kit is comprised of the following items:
- Porsche Boxster 986 2.5L 1997-99
- Porsche Boxster 986 2.7L 1999-02
- Porsche Boxster S 986 3.2L 1999-02
- Porsche Boxster 986 2.7L 2003-04
- Porsche Boxster S 986 3.2L 2003-04
- Porsche Boxster 987 2.7L 2005 -08/08
- Porsche Boxster 987 S 3.2/3.4L 2005-08/08
- Porsche 996 C2 3.4L 1997-08/01
- Porsche 996 C4 3.4L 1997-08/01
- Porsche 996 C2 3.6L 09/01-2005
- Porsche 996 C4 3.6L 09/01-2005
- Porsche 996 C4S 3.6L 09/01-2005
- Porsche 996 GT2 2001-05
- Porsche 996 GT3 MKI 1999-02
- Porsche 996 GT3 MKII 2003>>
- Porsche 996 GT3 RS 2003-04
- Porsche 997 MK1 Carrera 2 3.6L 2005-08
- Porsche 997 MK1 Carrera 2S 3.8L 2005-08
- Porsche 997 MK1 Carrera 4 3.6L 2005-08
- Porsche 997 MK1 Carrera 4S 3.8L 2005-08
- Porsche Cayman 2.7L 987C 2006-08
- Porsche Cayman S 3.4L 987C 2005-08
SET OF 12

Fits:
- Porsche Boxster 986 2.5L 1997-99
- Porsche Boxster 986 2.7L 1999-02
- Porsche Boxster S 986 3.2L 1999-02
- Porsche Boxster 986 2.7L 2003-04
- Porsche Boxster S 986 3.2L 2003-04
- Porsche Boxster 987 2.7L 2005 -08/08
- Porsche Boxster 987 S 3.2/3.4L 2005-08/08
- Porsche 996 C2 3.4L 1997-08/01
- Porsche 996 C4 3.4L 1997-08/01
- Porsche 996 C2 3.6L 09/01-2005
- Porsche 996 C4 3.6L 09/01-2005
- Porsche 996 C4S 3.6L 09/01-2005
- Porsche 996 GT2 2001-05
- Porsche 996 GT3 MKI 1999-02
- Porsche 996 GT3 MKII 2003>>
- Porsche 996 GT3 RS 2003-04
- Porsche 997 MK1 Carrera 2 3.6L 2005-08
- Porsche 997 MK1 Carrera 2S 3.8L 2005-08
- Porsche 997 MK1 Carrera 4 3.6L 2005-08
- Porsche 997 MK1 Carrera 4S 3.8L 2005-08
- Porsche Cayman 2.7L 987C 2006-08
- Porsche Cayman S 3.4L 987C 2005-08
Click 'Zoom in' for large parts diagram
Diagram ref no 20.
Related reference numbers
Related, superseded, cross reference or alternative numbers for comparison.
99610418059
The product you are viewing cross references to these numbers
This kit is comprised of the following items:
- Porsche Boxster 986 2.5L 1997-99
- Porsche Boxster 986 2.7L 1999-02
- Porsche Boxster S 986 3.2L 1999-02
- Porsche Boxster 986 2.7L 2003-04
- Porsche Boxster S 986 3.2L 2003-04
- Porsche Boxster 987 2.7L 2005 -08/08
- Porsche Boxster 987 S 3.2/3.4L 2005-08/08
- Porsche 996 C2 3.6L 09/01-2005
- Porsche 996 C4 3.6L 09/01-2005
- Porsche 996 C4S 3.6L 09/01-2005
- Porsche 997 MK1 Carrera 2 3.6L 2005-08
- Porsche 997 MK1 Carrera 2S 3.8L 2005-08
- Porsche 997 MK1 Carrera 4 3.6L 2005-08
- Porsche 997 MK1 Carrera 4S 3.8L 2005-08
- Porsche 997 MK1 TURBO 2007-09
- Porsche 997 MK1 GT3 2007-09
- Porsche 997 MK1 GT2 2007-09
- Porsche 997 MKII GT3 2010-11
- Porsche 997 MKII Turbo 2010-13
- Porsche Cayman 2.7L 987C 2006-08
- Porsche Cayman S 3.4L 987C 2005-08

Fits:
Porsche 986 Boxster 1997-05
Porsche 987.1 Boxster 2005-08
Porsche 987.1 Cayman 2006-08
Porsche 996 Carrera 3.6L 2001-05 (9603)
Porsche 997.1 Carrera 3.6L / 3.8L 2005-08
Porsche 997.1 Turbo 2007-09
Porsche 997.2 Turbo 2010-13
Porsche 997 GT3 2007-11
Click 'Zoom in' for large parts diagram.
Diagram ref no 12
Related reference numbers
Related, superseded, cross reference or alternative numbers for comparison.
98710525401
The product you are viewing cross references to these numbers
- Porsche Boxster 986 2.5L 1997-99
- Porsche Boxster 986 2.7L 1999-02
- Porsche Boxster S 986 3.2L 1999-02
- Porsche Boxster 986 2.7L 2003-04
- Porsche Boxster S 986 3.2L 2003-04
- Porsche Boxster 987 2.7L 2005 -08/08
- Porsche Boxster 987 S 3.2/3.4L 2005-08/08
- Porsche 996 C2 3.4L 1997-08/01
- Porsche 996 C4 3.4L 1997-08/01
- Porsche 996 C2 3.6L 09/01-2005
- Porsche 996 C4 3.6L 09/01-2005
- Porsche 996 C4S 3.6L 09/01-2005
- Porsche 997 MK1 Carrera 2 3.6L 2005-08
- Porsche 997 MK1 Carrera 2S 3.8L 2005-08
- Porsche 997 MK1 Carrera 4 3.6L 2005-08
- Porsche 997 MK1 Carrera 4S 3.8L 2005-08
- Porsche Cayman 2.7L 987C 2006-08
- Porsche Cayman S 3.4L 987C 2005-08
Priced Each - 14 required.
Fits:
Porsche 986 Boxster / Boxster S 1997-04
Porsche 987 Boxster / Boxster S 2005-08
Porsche 987C Cayman / Cayman S 2006-08
Porsche 996 Carrera 3.4L/3.6L 1998-04
Porsche 997.1 Carrera 3.6L/3.8L 2005-08
Click 'Zoom in' for large parts diagram.
Diagram ref no 16
Related reference numbers
Related, superseded, cross reference or alternative numbers for comparison.
99610111562
The product you are viewing cross references to these numbers
- Porsche Boxster 981 2.7L 2012-16
- Porsche Boxster 981 S / GTS 3.4L 2012-16
- Porsche Boxster 981 Spyder 3.8L 2016
- Porsche Boxster 718 2.0L Manual (300 Bhp)
- Porsche Boxster 718 2.0L PDK (300 Bhp)
- Porsche Boxster S 718 2.5L Manual (350 Bhp)
- Porsche Boxster S 718 2.5L PDK (350 Bhp)
- Porsche Boxster T 718 2.0L Manual (300 Bhp)
- Porsche Boxster T 718 2.0L PDK (300 Bhp)
- Porsche Boxster GTS 718 2.5L Manual (365 Bhp)
- Porsche Boxster GTS 718 2.5L PDK (365 Bhp)
- Porsche Boxster GTS 718 4.0L Manual (400 Bhp)
- Porsche Boxster GTS 718 4.0L PDK (400 Bhp)
- Porsche Boxster Spyder 718 4.0L (420 Bhp)
- Porsche Boxster 25 Years 718 4.0L Manual (400 Bhp)
- Porsche Boxster 25 Years 718 4.0L PDK (400 Bhp)
- Porsche 991.1 Carrera C2 3.4L (350Bhp) 2012-16
- Porsche 991.1 Carrera C2S / GTS 3.8L (400/430 Bhp) 2012-16
- Porsche 991.1 Carrera C4 3.4L (350Bhp) 2012-16
- Porsche 991.1 Carrera C4S / GTS 3.8L (400/430 Bhp) 2012-16
- Porsche 991.1 Turbo 3.8L (520bhp) 2014-16
- Porsche 991.1 Turbo S 3.8L (560Bhp) 2014-16
- Porsche 991.1 R 4.0L (500 Bhp) 2016
- Porsche 991.1 GT3 3.8L (475Bhp) 2014-16
- Porsche 991.1 GT3 RS 4.0L (500Bhp) 2015-16
- Porsche 991.2 Carrera 2 3.0L (370 Bhp) 2016-19
- Porsche 991.2 Carrera 2S / GTS 3.0L (420/450 Bhp) 2016-19
- Porsche 991.2 Carrera 4 3.0L (370 Bhp) 2016-19
- Porsche 991.2 Carrera 4S / GTS 3.0L (420/450 Bhp) 2016-19
- Porsche 991.2 Cabriolet 2 3.0L (370 Bhp) 2016-19
- Porsche 991.2 Cabriolet 2S / GTS 3.0L (420/450 Bhp) 2016-19
- Porsche 991.2 Cabriolet 4 3.0L (370 Bhp) 2016-19
- Porsche 991.2 Cabriolet 4S / GTS 3.0L (420/450 Bhp) 2016-19
- Porsche 991.2 Targa 4 3.0L (370 Bhp) 2016-19
- Porsche 991.2 Targa 4S / GTS 3.0L (420/450 Bhp) 2016-19
- Porsche 991.2 Turbo Coupe 3.8L (540 Bhp) 2016-19
- Porsche 991.2 Turbo S Coupe 3.8L (580 Bhp) 2016-19
- Porsche 991.2 Turbo Cabriolet 3.8L (540 Bhp) 2016-19
- Porsche 991.2 Turbo S Cabriolet 3.8L (580 Bhp) 2016-19
- Porsche 991.2 Speedster 4.0L (510Bhp) 2019
- Porsche 991.2 GT3 4.0L (500 Bhp) / GT3 RS 4.0L (520 Bhp) 2017-19
- Porsche 991.2 GT2 RS 3.8L PDK (700 bhp) 2018-19
- Porsche 992.1 Carrera 2 3.0L 2019-24
- Porsche 992.1 Carrera 4 3.0L 2019-24
- Porsche 992.1 Carrera 2 Cabriolet 3.0L 2019-24
- Porsche 992.1 Carrera 4 Cabriolet 3.0L 2019-24
- Porsche 992.1 Carrera 2S / GTS 3.0L 2019-24
- Porsche 992.1 Carrera 4S / GTS 3.0L 2019-24
- Porsche 992.1 Carrera 2S / GTS Cabriolet 3.0L 2019-24
- Porsche 992.1 Carrera 4S / GTS Cabriolet 3.0L 2019-24
- Porsche 992.1 Targa 4 3.0L 2020-24
- Porsche 992.1 Targa 4S / GTS 3.0L 2020-24
- Porsche 992.1 Speedster 4.0L 2019-24
- Porsche 992.1 Turbo 3.8L 2020-24
- Porsche 992.1 Turbo S 3.8L 2020-24
- Porsche 992.1 Turbo Cabriolet 3.8L 2020-24
- Porsche 992.1 Turbo S Cabriolet 3.8L 2020-24
- Porsche 992.1 GT3 4.0L / 992 S/T 4.0L 2021-24
- Porsche 992.1 GT3 RS 4.0L 2022-24
- Porsche 992.1 (911) Sport Classic 3.8L 2023
- Porsche 992.1 (911) Dakar 3.0L 2023-24
- Porsche Cayman 2.7L 981 2013-16
- Porsche Cayman S / GTS 3.4L 981 2013-16
- Porsche Cayman GT4 3.8L 2015-16
- Porsche Cayman 718 2.0L Manual (300Bhp)
- Porsche Cayman 718 2.0L PDK (300Bhp)
- Porsche Cayman S 718 2.5L Manual (350Bhp)
- Porsche Cayman S 718 2.5L PDK (350Bhp)
- Porsche Cayman T 718 2.0L Manual (300Bhp)
- Porsche Cayman T 718 2.0L PDK (300 Bhp)
- Porsche Cayman GTS 718 2.5L Manual (365 Bhp)
- Porsche Cayman GTS 718 2.5L PDK (365 Bhp)
- Porsche Cayman GTS 718 4.0L Manual (400 Bhp)
- Porsche Cayman GTS 718 4.0L PDK (400 Bhp)
- Porsche Cayman GT4 718 4.0L / GT4 RS 718 4.0L
Sold each
6 cylinder - 14 required per car
4 cylinder - 10 required per car
Fits:
Porsche 981 Boxster / Boxster S / Spyder - 2012 to 2016
Porsche 981 Cayman / Cayman S / GT4 - 2012 to 2016
Porsche 718 Boxster 2.0ltr / 2.5ltr / 4.0ltr - 2017 Onwards
Porsche 718 Cayman 2.0ltr / 2.5ltr / 4.0ltr - 2017 Onwards
Porsche 991 - 2012 to 2019
Porsche 992 - 2019 Onwards
Click 'Zoom in' for large parts diagram.
Diagram ref no 8
Related reference numbers
Related, superseded, cross reference or alternative numbers for comparison.
PAF008240
The product you are viewing cross references to these numbers
- Porsche Boxster 986 2.5L 1997-99
- Porsche Boxster 986 2.7L 1999-02
- Porsche Boxster S 986 3.2L 1999-02
- Porsche Boxster 986 2.7L 2003-04
- Porsche Boxster S 986 3.2L 2003-04
- Porsche Boxster 987 2.7L 2005 -08/08
- Porsche Boxster 987 S 3.2/3.4L 2005-08/08
- Porsche 996 C2 3.4L 1997-08/01
- Porsche 996 C4 3.4L 1997-08/01
- Porsche 996 C2 3.6L 09/01-2005
- Porsche 996 C4 3.6L 09/01-2005
- Porsche 996 C4S 3.6L 09/01-2005
- Porsche 996 GT2 2001-05
- Porsche 996 GT3 MKI 1999-02
- Porsche 996 GT3 MKII 2003>>
- Porsche 996 GT3 RS 2003-04
- Porsche 997 MK1 Carrera 2 3.6L 2005-08
- Porsche 997 MK1 Carrera 2S 3.8L 2005-08
- Porsche 997 MK1 Carrera 4 3.6L 2005-08
- Porsche 997 MK1 Carrera 4S 3.8L 2005-08
- Porsche Cayman 2.7L 987C 2006-08
- Porsche Cayman S 3.4L 987C 2005-08
SET OF 12

Fits:
Porsche 986 Boxster 2.7L / S 3.4L 2003-04
Porsche 987 Boxster 2005-08
Porsche 987C Cayman 2005-08
Porsche 996 C2 / C4 / C4S 2002-05
Porsche 997 Carrera 2005-08
Click 'Zoom in' for large parts diagram
Diagram ref no 20.
Related reference numbers
Related, superseded, cross reference or alternative numbers for comparison.
99610418059
The product you are viewing cross references to these numbers
- Porsche Boxster 986 2.5L 1997-99
- Porsche Boxster 986 2.7L 1999-02
- Porsche Boxster S 986 3.2L 1999-02
- Porsche Boxster 986 2.7L 2003-04
- Porsche Boxster S 986 3.2L 2003-04
- Porsche Boxster 987 2.7L 2005 -08/08
- Porsche Boxster 987 S 3.2/3.4L 2005-08/08
- Porsche 996 C2 3.4L 1997-08/01
- Porsche 996 C4 3.4L 1997-08/01
- Porsche 996 C2 3.6L 09/01-2005
- Porsche 996 C4 3.6L 09/01-2005
- Porsche 996 C4S 3.6L 09/01-2005
- Porsche 996 GT2 2001-05
- Porsche 996 GT3 MKI 1999-02
- Porsche 996 GT3 MKII 2003>>
- Porsche 996 GT3 RS 2003-04
- Porsche 997 MK1 Carrera 2 3.6L 2005-08
- Porsche 997 MK1 Carrera 2S 3.8L 2005-08
- Porsche 997 MK1 Carrera 4 3.6L 2005-08
- Porsche 997 MK1 Carrera 4S 3.8L 2005-08
- Porsche Cayman 2.7L 987C 2006-08
- Porsche Cayman S 3.4L 987C 2005-08
24 Bolts Per Engine. Price is for EACH.

Fits:
Porsche 986 Boxster 2.7L / S 3.4L 2003-04
Porsche 987 Boxster 2005-08
Porsche 987C Cayman 2005-08
Porsche 996 C2 / C4 / C4S 2002-05
Porsche 997 Carrera 2005-08
Click 'Zoom in' for large parts diagram
Diagram ref no 20.
Related reference numbers
Related, superseded, cross reference or alternative numbers for comparison.
99610418059
The product you are viewing cross references to these numbers
- Porsche Boxster 986 2.5L 1997-99
- Porsche Boxster 986 2.7L 1999-02
- Porsche Boxster S 986 3.2L 1999-02
- Porsche Boxster 986 2.7L 2003-04
- Porsche Boxster S 986 3.2L 2003-04
- Porsche Boxster 987 2.7L 2005 -08/08
- Porsche Boxster 987 S 3.2/3.4L 2005-08/08
- Porsche 996 C2 3.4L 1997-08/01
- Porsche 996 C4 3.4L 1997-08/01
- Porsche 996 C2 3.6L 09/01-2005
- Porsche 996 C4 3.6L 09/01-2005
- Porsche 996 C4S 3.6L 09/01-2005
- Porsche 996 GT2 2001-05
- Porsche 996 GT3 MKI 1999-02
- Porsche 996 GT3 MKII 2003>>
- Porsche 996 GT3 RS 2003-04
- Porsche 997 MK1 Carrera 2 3.6L 2005-08
- Porsche 997 MK1 Carrera 2S 3.8L 2005-08
- Porsche 997 MK1 Carrera 4 3.6L 2005-08
- Porsche 997 MK1 Carrera 4S 3.8L 2005-08
- Porsche Cayman 2.7L 987C 2006-08
- Porsche Cayman S 3.4L 987C 2005-08
24 Bolts Per Engine. Price is for EACH.

Fits:
Porsche 986 Boxster 2.7L / S 3.4L 2003-04
Porsche 987 Boxster 2005-08
Porsche 987C Cayman 2005-08
Porsche 996 C2 / C4 / C4S 2002-05
Porsche 997 Carrera 2005-08
Click 'Zoom in' for large parts diagram
Diagram ref no 20.
Related reference numbers
Related, superseded, cross reference or alternative numbers for comparison.
99610418059
The product you are viewing cross references to these numbers
- Porsche Boxster 986 2.5L 1997-99
- Porsche Boxster 986 2.7L 1999-02
- Porsche Boxster S 986 3.2L 1999-02
- Porsche Boxster 986 2.7L 2003-04
- Porsche Boxster S 986 3.2L 2003-04
- Porsche Boxster 987 2.7L 2005 -08/08
- Porsche Boxster 987 S 3.2/3.4L 2005-08/08
- Porsche 996 C2 3.4L 1997-08/01
- Porsche 996 C4 3.4L 1997-08/01
- Porsche 996 C2 3.6L 09/01-2005
- Porsche 996 C4 3.6L 09/01-2005
- Porsche 996 C4S 3.6L 09/01-2005
- Porsche 996 GT2 2001-05
- Porsche 996 GT3 MKI 1999-02
- Porsche 996 GT3 MKII 2003>>
- Porsche 996 GT3 RS 2003-04
- Porsche 997 MK1 Carrera 2 3.6L 2005-08
- Porsche 997 MK1 Carrera 2S 3.8L 2005-08
- Porsche 997 MK1 Carrera 4 3.6L 2005-08
- Porsche 997 MK1 Carrera 4S 3.8L 2005-08
- Porsche Cayman 2.7L 987C 2006-08
- Porsche Cayman S 3.4L 987C 2005-08
SET OF 24 head studs, washers & nuts.

Fits:
Porsche 986 Boxster 2.7L / S 3.4L 2003-04
Porsche 987 Boxster 2005-08
Porsche 987C Cayman 2005-08
Porsche 996 C2 / C4 / C4S 2002-05
Porsche 997 Carrera 2005-08
Click 'Zoom in' for large parts diagram
Diagram ref no 20.
Related reference numbers
Related, superseded, cross reference or alternative numbers for comparison.
99610418059
The product you are viewing cross references to these numbers
- Porsche Boxster 987 MKII 2.9L 2009-2012
- Porsche Boxster S 987 MKII 3.4L 2009-2012
- Porsche Boxster 981 2.7L 2012-16
- Porsche Boxster 981 S / GTS 3.4L 2012-16
- Porsche Boxster 981 Spyder 3.8L 2016
- Porsche Boxster 718 2.0L Manual (300 Bhp)
- Porsche Boxster 718 2.0L PDK (300 Bhp)
- Porsche Boxster S 718 2.5L Manual (350 Bhp)
- Porsche Boxster S 718 2.5L PDK (350 Bhp)
- Porsche Boxster T 718 2.0L Manual (300 Bhp)
- Porsche Boxster T 718 2.0L PDK (300 Bhp)
- Porsche Boxster GTS 718 2.5L Manual (365 Bhp)
- Porsche Boxster GTS 718 2.5L PDK (365 Bhp)
- Porsche 996 TURBO 2000-05
- Porsche 996 GT2 2001-05
- Porsche 996 GT3 MKI 1999-02
- Porsche 996 GT3 MKII 2003>>
- Porsche 996 GT3 RS 2003-04
- Porsche 997 MK1 TURBO 2007-09
- Porsche 997 MK1 GT3 2007-09
- Porsche 997 MK1 GT2 2007-09
- Porsche 997 MKII Carrera C2 3.6L 2009-12
- Porsche 997 MKII Carrera C4 3.6L 2009-12
- Porsche 997 MKII Carrera C2S 3.8L 2009-12
- Porsche 997 MKII Carrera C4S 3.8L 2009-12
- Porsche 997 MKII GT3 2010-11
- Porsche 997 MKII Turbo 2010-13
- Porsche 997 MKII GT2 RS 2011-13
- Porsche 991.1 Carrera C2 3.4L (350Bhp) 2012-16
- Porsche 991.1 Carrera C2S / GTS 3.8L (400/430 Bhp) 2012-16
- Porsche 991.1 Carrera C4 3.4L (350Bhp) 2012-16
- Porsche 991.1 Carrera C4S / GTS 3.8L (400/430 Bhp) 2012-16
- Porsche 991.1 Turbo 3.8L (520bhp) 2014-16
- Porsche 991.1 Turbo S 3.8L (560Bhp) 2014-16
- Porsche 991.1 R 4.0L (500 Bhp) 2016
- Porsche 991.1 GT3 3.8L (475Bhp) 2014-16
- Porsche 991.1 GT3 RS 4.0L (500Bhp) 2015-16
- Porsche 991.2 Carrera 2 3.0L (370 Bhp) 2016-19
- Porsche 991.2 Carrera 2S / GTS 3.0L (420/450 Bhp) 2016-19
- Porsche 991.2 Carrera 4 3.0L (370 Bhp) 2016-19
- Porsche 991.2 Carrera 4S / GTS 3.0L (420/450 Bhp) 2016-19
- Porsche 991.2 Cabriolet 2 3.0L (370 Bhp) 2016-19
- Porsche 991.2 Cabriolet 2S / GTS 3.0L (420/450 Bhp) 2016-19
- Porsche 991.2 Cabriolet 4 3.0L (370 Bhp) 2016-19
- Porsche 991.2 Cabriolet 4S / GTS 3.0L (420/450 Bhp) 2016-19
- Porsche 991.2 Targa 4 3.0L (370 Bhp) 2016-19
- Porsche 991.2 Targa 4S / GTS 3.0L (420/450 Bhp) 2016-19
- Porsche 991.2 Turbo Coupe 3.8L (540 Bhp) 2016-19
- Porsche 991.2 Turbo S Coupe 3.8L (580 Bhp) 2016-19
- Porsche 991.2 Turbo Cabriolet 3.8L (540 Bhp) 2016-19
- Porsche 991.2 Turbo S Cabriolet 3.8L (580 Bhp) 2016-19
- Porsche 991.2 Speedster 4.0L (510Bhp) 2019
- Porsche 991.2 GT3 4.0L (500 Bhp) / GT3 RS 4.0L (520 Bhp) 2017-19
- Porsche 991.2 GT2 RS 3.8L PDK (700 bhp) 2018-19
- Porsche 992.1 Carrera 2 3.0L 2019-24
- Porsche 992.1 Carrera 4 3.0L 2019-24
- Porsche 992.1 Carrera 2 Cabriolet 3.0L 2019-24
- Porsche 992.1 Carrera 4 Cabriolet 3.0L 2019-24
- Porsche 992.1 Carrera 2S / GTS 3.0L 2019-24
- Porsche 992.1 Carrera 4S / GTS 3.0L 2019-24
- Porsche 992.1 Carrera 2S / GTS Cabriolet 3.0L 2019-24
- Porsche 992.1 Carrera 4S / GTS Cabriolet 3.0L 2019-24
- Porsche 992.1 Targa 4 3.0L 2020-24
- Porsche 992.1 Targa 4S / GTS 3.0L 2020-24
- Porsche 992.1 Speedster 4.0L 2019-24
- Porsche 992.1 Turbo 3.8L 2020-24
- Porsche 992.1 Turbo S 3.8L 2020-24
- Porsche 992.1 Turbo Cabriolet 3.8L 2020-24
- Porsche 992.1 Turbo S Cabriolet 3.8L 2020-24
- Porsche 992.1 GT3 4.0L / 992 S/T 4.0L 2021-24
- Porsche Cayman 2.9L 987C MKII 2009-12
- Porsche Cayman S / R 3.4L 987C MKII 2009-12
- Porsche Cayman 2.7L 981 2013-16
- Porsche Cayman S / GTS 3.4L 981 2013-16
- Porsche Cayman GT4 3.8L 2015-16
- Porsche Cayman GT4 718 4.0L / GT4 RS 718 4.0L

• Ultra-high-performance product
• Use of Titanium Ti6Al4V technology
Contains 18 x Studs (38mm), Nuts & Washers
Fits:
Porsche 996 Turbo / GT3 / GT2
Porsche 997 Turbo / GT3 / GT2
Porsche 997.2 ALL
Porsche 991 ALL
Porsche 992 ALL
Porsche 987 2009-12
Porsche 981
Porsche 718 GT4
Related reference numbers
Related, superseded, cross reference or alternative numbers for comparison.
TITANSTUDS18
The product you are viewing cross references to these numbers
- Porsche Boxster 987 MKII 2.9L 2009-2012
- Porsche Boxster S 987 MKII 3.4L 2009-2012
- Porsche Boxster 981 2.7L 2012-16
- Porsche Boxster 981 S / GTS 3.4L 2012-16
- Porsche Boxster 981 Spyder 3.8L 2016
- Porsche Boxster 718 2.0L Manual (300 Bhp)
- Porsche Boxster 718 2.0L PDK (300 Bhp)
- Porsche Boxster S 718 2.5L Manual (350 Bhp)
- Porsche Boxster S 718 2.5L PDK (350 Bhp)
- Porsche Boxster T 718 2.0L Manual (300 Bhp)
- Porsche Boxster T 718 2.0L PDK (300 Bhp)
- Porsche Boxster GTS 718 2.5L Manual (365 Bhp)
- Porsche Boxster GTS 718 2.5L PDK (365 Bhp)
- Porsche 996 TURBO 2000-05
- Porsche 996 GT2 2001-05
- Porsche 996 GT3 MKI 1999-02
- Porsche 996 GT3 MKII 2003>>
- Porsche 996 GT3 RS 2003-04
- Porsche 997 MK1 TURBO 2007-09
- Porsche 997 MK1 GT3 2007-09
- Porsche 997 MK1 GT2 2007-09
- Porsche 997 MKII Carrera C2 3.6L 2009-12
- Porsche 997 MKII Carrera C4 3.6L 2009-12
- Porsche 997 MKII Carrera C2S 3.8L 2009-12
- Porsche 997 MKII Carrera C4S 3.8L 2009-12
- Porsche 997 MKII GT3 2010-11
- Porsche 997 MKII Turbo 2010-13
- Porsche 997 MKII GT2 RS 2011-13
- Porsche 991.1 Carrera C2 3.4L (350Bhp) 2012-16
- Porsche 991.1 Carrera C2S / GTS 3.8L (400/430 Bhp) 2012-16
- Porsche 991.1 Carrera C4 3.4L (350Bhp) 2012-16
- Porsche 991.1 Carrera C4S / GTS 3.8L (400/430 Bhp) 2012-16
- Porsche 991.1 Turbo 3.8L (520bhp) 2014-16
- Porsche 991.1 Turbo S 3.8L (560Bhp) 2014-16
- Porsche 991.1 R 4.0L (500 Bhp) 2016
- Porsche 991.1 GT3 3.8L (475Bhp) 2014-16
- Porsche 991.1 GT3 RS 4.0L (500Bhp) 2015-16
- Porsche 991.2 Carrera 2 3.0L (370 Bhp) 2016-19
- Porsche 991.2 Carrera 2S / GTS 3.0L (420/450 Bhp) 2016-19
- Porsche 991.2 Carrera 4 3.0L (370 Bhp) 2016-19
- Porsche 991.2 Carrera 4S / GTS 3.0L (420/450 Bhp) 2016-19
- Porsche 991.2 Cabriolet 2 3.0L (370 Bhp) 2016-19
- Porsche 991.2 Cabriolet 2S / GTS 3.0L (420/450 Bhp) 2016-19
- Porsche 991.2 Cabriolet 4 3.0L (370 Bhp) 2016-19
- Porsche 991.2 Cabriolet 4S / GTS 3.0L (420/450 Bhp) 2016-19
- Porsche 991.2 Targa 4 3.0L (370 Bhp) 2016-19
- Porsche 991.2 Targa 4S / GTS 3.0L (420/450 Bhp) 2016-19
- Porsche 991.2 Turbo Coupe 3.8L (540 Bhp) 2016-19
- Porsche 991.2 Turbo S Coupe 3.8L (580 Bhp) 2016-19
- Porsche 991.2 Turbo Cabriolet 3.8L (540 Bhp) 2016-19
- Porsche 991.2 Turbo S Cabriolet 3.8L (580 Bhp) 2016-19
- Porsche 991.2 Speedster 4.0L (510Bhp) 2019
- Porsche 991.2 GT3 4.0L (500 Bhp) / GT3 RS 4.0L (520 Bhp) 2017-19
- Porsche 991.2 GT2 RS 3.8L PDK (700 bhp) 2018-19
- Porsche 992.1 Carrera 2 3.0L 2019-24
- Porsche 992.1 Carrera 4 3.0L 2019-24
- Porsche 992.1 Carrera 2 Cabriolet 3.0L 2019-24
- Porsche 992.1 Carrera 4 Cabriolet 3.0L 2019-24
- Porsche 992.1 Carrera 2S / GTS 3.0L 2019-24
- Porsche 992.1 Carrera 4S / GTS 3.0L 2019-24
- Porsche 992.1 Carrera 2S / GTS Cabriolet 3.0L 2019-24
- Porsche 992.1 Carrera 4S / GTS Cabriolet 3.0L 2019-24
- Porsche 992.1 Targa 4 3.0L 2020-24
- Porsche 992.1 Targa 4S / GTS 3.0L 2020-24
- Porsche 992.1 Speedster 4.0L 2019-24
- Porsche 992.1 Turbo 3.8L 2020-24
- Porsche 992.1 Turbo S 3.8L 2020-24
- Porsche 992.1 Turbo Cabriolet 3.8L 2020-24
- Porsche 992.1 Turbo S Cabriolet 3.8L 2020-24
- Porsche 992.1 GT3 4.0L / 992 S/T 4.0L 2021-24
- Porsche Cayman 2.9L 987C MKII 2009-12
- Porsche Cayman S / R 3.4L 987C MKII 2009-12
- Porsche Cayman 2.7L 981 2013-16
- Porsche Cayman S / GTS 3.4L 981 2013-16
- Porsche Cayman GT4 3.8L 2015-16
- Porsche Cayman GT4 718 4.0L / GT4 RS 718 4.0L
Novel ultra-high-performance product
• Use of Titanium Ti6Al4V technology
• Extreme perceived quality
Contains 18 x Studs, Nuts & Washers
Fits:
Porsche 996 Turbo / GT3 / GT2
Porsche 997 Turbo / GT3 / GT2
Porsche 997.2 ALL
Porsche 991 ALL
Porsche 992 ALL
Porsche 987 2009-12
Porsche 981
Porsche 718 GT4
Related reference numbers
Related, superseded, cross reference or alternative numbers for comparison.
SL-TI-18
The product you are viewing cross references to these numbers
-
Replacement engine - 9720, 9721, 9722 - 987C.1 Cayman 2006-08 101-000
-
Crankshaft - 9720, 9721, 9722 - 987C.1 Cayman 2.7L / 3.4L 2006-08 102-000
-
Cylinder head - 9720, 9721, 9722 - 987C.1 Cayman 2.7L / 3.4L 2006-08 103-000
-
Camshaft / Driving mechanism - 9721, 9720, 9722 - 987C.1 Cayman 2.7L / 3.4L 2006-08 103-010
-
Exhaust system - 9721, 9720 - 987C.1 Cayman 2.7L / 3.4L 2006-08 202-000
-
Crankcase housing (Model: A120, A121) 987C.2 Cayman 2.9L / 3.4L 2009-12 101-005
-
Exhaust system 987C.2 Cayman 2009-12 202-000
-
Crankcase housing 981C Cayman / Cayman S 2014-16 101-005
-
Crankcase housing 981C Cayman GT4 2016 101-005
Precision Engine Bolts & Studs – Strength, Accuracy, and Reliability for Porsche Engines
Engine bolts and studs are the unsung heroes of your Porsche’s powerplant — small but vital components that ensure structural integrity under extreme stress. From securing cylinder heads and connecting rods to fastening crankcases and manifolds, every fastener must deliver uncompromising strength, precision, and clamping force to maintain your engine’s performance and reliability.
At Design911, we offer a comprehensive selection of standard and high-performance bolts, studs, nuts, and fasteners designed specifically for Porsche engines. Each high performance component is precision-engineered from high-tensile steel, titanium, or ARP-grade alloy, delivering exceptional resistance to heat, vibration, and torque fatigue.
Whether you’re rebuilding a classic air-cooled 911 or tuning a modern GT model, our manufacturer-quality fasteners guarantee secure fitment, consistent torque retention, and long-term durability.
What Do Engine Bolts and Studs Do?
Engine bolts and studs hold critical components together under immense pressure. They maintain precise torque and tension, ensuring the engine block, heads, and internal assemblies remain perfectly sealed and aligned.
Core Functions:
- Provide
secure clamping force for key engine assemblies (head, crankcase,
rods, etc.).
- Maintain
torque integrity under thermal expansion and vibration.
- Prevent
component movement, preserving internal clearances and sealing
surfaces.
- Support rebuild precision, allowing components to be serviced repeatedly without distortion.
Motorsport-grade fasteners are designed to handle repeated torque cycles and extreme stress, making them essential for both performance tuning and professional engine restoration.
Why Do Engine Bolts and Studs Fail?
Over time, fasteners experience stretching, fatigue, and corrosion from heat, oil exposure, and repeated torque cycles. Even the strongest bolts have a finite service life — and failing to replace them can lead to catastrophic engine damage.
Common Causes of Failure Include:
- Metal
fatigue or stretching from repeated torque applications.
- Corrosion
and oxidation, especially in humid or high-heat environments.
- Over-tightening
or under-torquing, compromising clamping force.
- Thread
wear or damage from improper installation or debris.
- Thermal cycling, weakening material structure over time.
Replacing aged or stressed bolts and studs during every rebuild or major service ensures your Porsche’s engine remains structurally sound and leak-free.
Why Replace with Precision-Engineered Bolts and Studs?
Upgrading to high-performance fasteners delivers the security and strength demanded by Porsche engines. Precision-engineered bolts and studs ensure consistent torque retention, improved reliability, and extended component life — especially in high-load or high-temperature conditions.
Key Benefits:
Superior
clamping strength and torque retention for critical assemblies.
High
fatigue resistance, preventing loosening or failure under pressure.
Improved
corrosion protection with zinc, nickel, or black oxide coatings.
Ideal
for rebuilds, upgrades, and performance tuning applications.
Precision-thread
machining ensures repeatable installation and alignment.
Available
in titanium and high-tensile steel for maximum strength-to-weight
ratio.
These bolts and studs provide the perfect balance of motorsport-level performance and road-going durability, keeping your Porsche engine secure mile after mile.
Highlights:
- Comprehensive
range of bolts, studs, and fasteners for Porsche engines.
- Manufactured from ARP-grade steel, titanium, or high-tensile alloy.
- Precision-machined
threads for perfect alignment and consistent torque.
- Improved resistance to heat, corrosion, and vibration.
- Essential for rebuilds, tuning, and restoration projects.
- Designed for air-cooled and water-cooled Porsche engines.