Enter your VAT number here and click Verify:
Your details have been verified. VAT number registered to:
,
.
Your order will now be zero rated for VAT purposes. We reserve the right to verify these details after your order request has been made and reinstate VAT if required.
Your VAT details were not recognised or were invalid. Your VAT number must be matched to your Billing Country as specified above. This is currently specified as . You do not need to enter the country code part of your VAT number as this has already been selected in your billing address details above.
The VAT number checking service is currently offline. Please supply your VAT details within the comments or special instructions field below and we will apply a VAT discount after placing your order request.
Climate Control
- Porsche 924 2.0L 1976-79
- Porsche 924 2.0L 1980-85
- Porsche 924 Turbo 2.0L 1979-81
- Porsche 924 Turbo 2.0L 1982-84
- Porsche 924 Carrera GT 2.0L 1981
- Porsche 924 Carrera GTS 2.0L 1982
Sold each.

Fits:
Porsche 924 1976-85
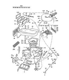
Diagram ref no 22
Related reference numbers
Related, superseded, cross reference or alternative numbers for comparison.
477819319
The product you are viewing cross references to these numbers
- Porsche 924 2.0L 1976-79
- Porsche 924 2.0L 1980-85
- Porsche 924 Turbo 2.0L 1979-81
- Porsche 924 Turbo 2.0L 1982-84
- Porsche 924 Carrera GT 2.0L 1981
- Porsche 924 Carrera GTS 2.0L 1982
Sold each.

Fits:
Porsche 924 1976-85
Diagram ref no 23
Related reference numbers
Related, superseded, cross reference or alternative numbers for comparison.
477819319A
The product you are viewing cross references to these numbers
Porsche Climate Control Systems & Components | Precision Cabin Comfort & Temperature Management
The climate control system in your Porsche maintains perfect cabin temperature and air quality by automatically regulating heating, cooling, and ventilation. Using a combination of sensors, actuators, and control units, it adjusts airflow and temperature to create a consistent and comfortable driving environment — regardless of outside conditions.
At Design911, we offer premium climate control panels, modules, sensors, and actuators designed to meet or exceed original performance standards. Built using advanced materials and precision electronic calibration, our components restore seamless climate management, accurate temperature regulation, and reliable HVAC functionality for all Porsche models.
Whether you’re repairing a faulty control panel, replacing a temperature sensor, or restoring full automatic climate functionality, our Porsche climate control parts deliver the reliability, precision, and comfort you expect.
What Does the Climate Control System Do?
The climate control system automatically manages cabin heating, cooling, and ventilation by regulating air temperature, fan speed, and airflow direction.
Core Functions:
- Monitors and adjusts cabin and exterior temperature balance.
- Controls airflow through the heater core and A/C evaporator.
- Regulates humidity and defogging for optimal visibility.
- Automatically maintains selected temperature settings.
- Provides driver and passenger comfort through precise control modules.
A well-functioning system ensures comfort and safety, keeping cabin conditions ideal year-round.
Why Do Climate Control Systems Fail or Malfunction?
Because the system integrates electronic, mechanical, and air distribution components, it is vulnerable to wear, contamination, or electrical failure over time.
Common Causes of Failure Include:
- Faulty control panels or digital interfaces.
- Damaged temperature or sunlight sensors.
- Malfunctioning air distribution flaps or servo motors.
- Electrical faults in actuators or wiring harnesses.
- Blocked ventilation ducts or faulty blower motors.
Symptoms of a failing system include inconsistent cabin temperature, non-responsive controls, fogged windows, or unbalanced airflow between zones.
Why Replace Your Porsche Climate Control Components?
Replacing or upgrading malfunctioning climate control components restores reliable temperature management and consistent comfort. High-quality parts ensure proper system communication, energy efficiency, and long-term reliability.
Key Benefits:
- Restores smooth, accurate temperature regulation.
- Improves air distribution and cabin comfort.
- Ensures A/C and heating systems function efficiently.
- Reduces condensation and prevents window fogging.
- Compatible with Porsche 911, Cayman, Boxster, Panamera, Macan, and classic models.
- Ideal for servicing, diagnostics, or system restoration.
Properly functioning climate control enhances both comfort and safety by maintaining clear visibility and stable interior conditions.
Highlights
- Precision-engineered Porsche climate control modules and sensors.
- Advanced electronics for consistent temperature management.
- Designed for accurate, responsive operation and long lifespan.
- Suitable for single- and dual-zone climate systems.
- Perfect for repair, maintenance, and restoration projects.
- Direct-fit replacements for modern and classic Porsche models.