Gearbox Service Parts
For gearboxes WITHOUT Limited Slip Differentials (LSD)

Specifically designed for racing vehicle gearboxes, including those used in track, rally, and raid events. Ideal for all mechanical transmissions, whether synchronized or non-synchronized gearboxes, gearbox/differential units, transfer gearboxes, and hypoid differentials WITHOUT limited slip differentials.
Performs exceptionally well under shock loads, heavy loads at low RPM, or moderate loads at high RPM.
PERFORMANCE:
- Standards: API GL4 & GL5 / MIL-L-2105D
- 100% synthetic extreme pressure lubricant provides superior anti-wear protection, enhanced high-temperature resistance, and extended service life.
- Zero shear loss: Maintains an unshearable oil film even under extreme conditions.
- Retains 90 grade viscosity after the KRL 20-hour shear test, meeting the SAE J306 Standard, updated in July 1998.
- Exceptional lubricating properties reduce friction and wear.
- 90 grade viscosity at high temperatures ensures excellent oil film resistance and reduces transmission noise.
- Remains fluid at low temperatures for smoother gear shifts when the gearbox is cold.
- Reduces effort required for shifting gears.
- Compatible with all types of seals and yellow metals used in gearbox design.
- Offers anti-corrosion and anti-foam properties.
RECOMMENDATIONS: Change the oil according to the manufacturer's guidelines, and adjust based on your specific usage conditions.
This kit is comprised of the following items:
For gearboxes WITHOUT Limited Slip Differentials (LSD)

Specifically designed for racing vehicle gearboxes, including those used in track, rally, and raid events. Ideal for all mechanical transmissions, whether synchronized or non-synchronized gearboxes, gearbox/differential units, transfer gearboxes, and hypoid differentials WITHOUT limited slip differentials.
Performs exceptionally well under shock loads, heavy loads at low RPM, or moderate loads at high RPM.
PERFORMANCE:
- Standards: API GL4 & GL5 / MIL-L-2105D
- 100% synthetic extreme pressure lubricant provides superior anti-wear protection, enhanced high-temperature resistance, and extended service life.
- Zero shear loss: Maintains an unshearable oil film even under extreme conditions.
- Retains 90 grade viscosity after the KRL 20-hour shear test, meeting the SAE J306 Standard, updated in July 1998.
- Exceptional lubricating properties reduce friction and wear.
- 90 grade viscosity at high temperatures ensures excellent oil film resistance and reduces transmission noise.
- Remains fluid at low temperatures for smoother gear shifts when the gearbox is cold.
- Reduces effort required for shifting gears.
- Compatible with all types of seals and yellow metals used in gearbox design.
- Offers anti-corrosion and anti-foam properties.
RECOMMENDATIONS: Change the oil according to the manufacturer's guidelines, and adjust based on your specific usage conditions.
This kit is comprised of the following items:
For gearboxes WITHOUT Limited Slip Differentials (LSD)

Specifically designed for racing vehicle gearboxes, including those used in track, rally, and raid events. Ideal for all mechanical transmissions, whether synchronized or non-synchronized gearboxes, gearbox/differential units, transfer gearboxes, and hypoid differentials WITHOUT limited slip differentials.
Performs exceptionally well under shock loads, heavy loads at low RPM, or moderate loads at high RPM.
PERFORMANCE:
- Standards: API GL4 & GL5 / MIL-L-2105D
- 100% synthetic extreme pressure lubricant provides superior anti-wear protection, enhanced high-temperature resistance, and extended service life.
- Zero shear loss: Maintains an unshearable oil film even under extreme conditions.
- Retains 90 grade viscosity after the KRL 20-hour shear test, meeting the SAE J306 Standard, updated in July 1998.
- Exceptional lubricating properties reduce friction and wear.
- 90 grade viscosity at high temperatures ensures excellent oil film resistance and reduces transmission noise.
- Remains fluid at low temperatures for smoother gear shifts when the gearbox is cold.
- Reduces effort required for shifting gears.
- Compatible with all types of seals and yellow metals used in gearbox design.
- Offers anti-corrosion and anti-foam properties.
RECOMMENDATIONS: Change the oil according to the manufacturer's guidelines, and adjust based on your specific usage conditions.
This kit is comprised of the following items:
For gearboxes WITHOUT Limited Slip Differentials (LSD)

Specifically designed for racing vehicle gearboxes, including those used in track, rally, and raid events. Ideal for all mechanical transmissions, whether synchronized or non-synchronized gearboxes, gearbox/differential units, transfer gearboxes, and hypoid differentials WITHOUT limited slip differentials.
Performs exceptionally well under shock loads, heavy loads at low RPM, or moderate loads at high RPM.
PERFORMANCE:
- Standards: API GL4 & GL5 / MIL-L-2105D
- 100% synthetic extreme pressure lubricant provides superior anti-wear protection, enhanced high-temperature resistance, and extended service life.
- Zero shear loss: Maintains an unshearable oil film even under extreme conditions.
- Retains 90 grade viscosity after the KRL 20-hour shear test, meeting the SAE J306 Standard, updated in July 1998.
- Exceptional lubricating properties reduce friction and wear.
- 90 grade viscosity at high temperatures ensures excellent oil film resistance and reduces transmission noise.
- Remains fluid at low temperatures for smoother gear shifts when the gearbox is cold.
- Reduces effort required for shifting gears.
- Compatible with all types of seals and yellow metals used in gearbox design.
- Offers anti-corrosion and anti-foam properties.
RECOMMENDATIONS: Change the oil according to the manufacturer's guidelines, and adjust based on your specific usage conditions.
This kit is comprised of the following items:
For gearboxes WITH Limited Slip Differentials (LSD)

Specifically designed for racing vehicle gearboxes, including those used in track, rally, and raid events. Ideal for all mechanical transmissions, whether synchronized or non-synchronized gearboxes, gearbox/differential units, transfer gearboxes, and all hypoid differentials WITH limited slip differentials.
Performs exceptionally well under shock loads, heavy loads at low RPM, or moderate loads at high RPM.
PERFORMANCE:
- Standards: API GL5
- 100% synthetic extreme pressure lubricant provides superior anti-wear protection, enhanced high-temperature resistance, and extended service life.
- Zero shear loss: Maintains an unshearable oil film even under extreme conditions.
- Retains 90 grade viscosity after the KRL 20-hour shear test, meeting the SAE J306 Standard, updated in July 1998.
- Exceptional lubricating properties reduce friction and wear.
- 90 grade viscosity at high temperatures ensures excellent oil film resistance and reduces transmission noise.
- Remains fluid at low temperatures for smoother gear shifts when the gearbox is cold.
- Reduces effort required for shifting gears.
- Compatible with all types of seals and yellow metals used in gearbox design.
- Offers anti-corrosion and anti-foam properties.
RECOMMENDATIONS: Change the oil according to the manufacturer's guidelines, and adjust based on your specific usage conditions.
This kit is comprised of the following items:
For gearboxes WITH Limited Slip Differentials (LSD)

Specifically designed for racing vehicle gearboxes, including those used in track, rally, and raid events. Ideal for all mechanical transmissions, whether synchronized or non-synchronized gearboxes, gearbox/differential units, transfer gearboxes, and all hypoid differentials WITH limited slip differentials.
Performs exceptionally well under shock loads, heavy loads at low RPM, or moderate loads at high RPM.
PERFORMANCE:
- Standards: API GL5
- 100% synthetic extreme pressure lubricant provides superior anti-wear protection, enhanced high-temperature resistance, and extended service life.
- Zero shear loss: Maintains an unshearable oil film even under extreme conditions.
- Retains 90 grade viscosity after the KRL 20-hour shear test, meeting the SAE J306 Standard, updated in July 1998.
- Exceptional lubricating properties reduce friction and wear.
- 90 grade viscosity at high temperatures ensures excellent oil film resistance and reduces transmission noise.
- Remains fluid at low temperatures for smoother gear shifts when the gearbox is cold.
- Reduces effort required for shifting gears.
- Compatible with all types of seals and yellow metals used in gearbox design.
- Offers anti-corrosion and anti-foam properties.
RECOMMENDATIONS: Change the oil according to the manufacturer's guidelines, and adjust based on your specific usage conditions.
This kit is comprised of the following items:
For gearboxes WITH Limited Slip Differentials (LSD)

Specifically designed for racing vehicle gearboxes, including those used in track, rally, and raid events. Ideal for all mechanical transmissions, whether synchronized or non-synchronized gearboxes, gearbox/differential units, transfer gearboxes, and all hypoid differentials WITH limited slip differentials.
Performs exceptionally well under shock loads, heavy loads at low RPM, or moderate loads at high RPM.
PERFORMANCE:
- Standards: API GL5
- 100% synthetic extreme pressure lubricant provides superior anti-wear protection, enhanced high-temperature resistance, and extended service life.
- Zero shear loss: Maintains an unshearable oil film even under extreme conditions.
- Retains 90 grade viscosity after the KRL 20-hour shear test, meeting the SAE J306 Standard, updated in July 1998.
- Exceptional lubricating properties reduce friction and wear.
- 90 grade viscosity at high temperatures ensures excellent oil film resistance and reduces transmission noise.
- Remains fluid at low temperatures for smoother gear shifts when the gearbox is cold.
- Reduces effort required for shifting gears.
- Compatible with all types of seals and yellow metals used in gearbox design.
- Offers anti-corrosion and anti-foam properties.
RECOMMENDATIONS: Change the oil according to the manufacturer's guidelines, and adjust based on your specific usage conditions.
This kit is comprised of the following items:
For gearboxes WITH Limited Slip Differentials (LSD)

Specifically designed for racing vehicle gearboxes, including those used in track, rally, and raid events. Ideal for all mechanical transmissions, whether synchronized or non-synchronized gearboxes, gearbox/differential units, transfer gearboxes, and all hypoid differentials WITH limited slip differentials.
Performs exceptionally well under shock loads, heavy loads at low RPM, or moderate loads at high RPM.
PERFORMANCE:
- Standards: API GL5
- 100% synthetic extreme pressure lubricant provides superior anti-wear protection, enhanced high-temperature resistance, and extended service life.
- Zero shear loss: Maintains an unshearable oil film even under extreme conditions.
- Retains 90 grade viscosity after the KRL 20-hour shear test, meeting the SAE J306 Standard, updated in July 1998.
- Exceptional lubricating properties reduce friction and wear.
- 90 grade viscosity at high temperatures ensures excellent oil film resistance and reduces transmission noise.
- Remains fluid at low temperatures for smoother gear shifts when the gearbox is cold.
- Reduces effort required for shifting gears.
- Compatible with all types of seals and yellow metals used in gearbox design.
- Offers anti-corrosion and anti-foam properties.
RECOMMENDATIONS: Change the oil according to the manufacturer's guidelines, and adjust based on your specific usage conditions.
This kit is comprised of the following items:
For gearboxes WITH AND without Limited Slip Differentials (LSD)

Specifically designed for racing vehicle gearboxes, including those used in track, rally, and raid events. Ideal for all mechanical transmissions, whether synchronized or non-synchronized gearboxes, gearbox/differential units, transfer gearboxes, and all hypoid differentials WITH AND WITHOUT limited slip differentials.
Performs exceptionally well under shock loads, heavy loads at low RPM, or moderate loads at high RPM.
PERFORMANCE:
- Standards: API GL5
- 100% synthetic extreme pressure lubricant provides superior anti-wear protection, enhanced high-temperature resistance, and extended service life.
- Zero shear loss: Maintains an unshearable oil film even under extreme conditions.
- Retains 14 grade viscosity after the KRL 20-hour shear test, meeting the SAE J306 Standard, updated in July 1998.
- Exceptional lubricating properties reduce friction and wear.
- 90 grade viscosity at high temperatures ensures excellent oil film resistance and reduces transmission noise.
- Remains fluid at low temperatures for smoother gear shifts when the gearbox is cold.
- Reduces effort required for shifting gears.
- Compatible with all types of seals and yellow metals used in gearbox design.
- Offers anti-corrosion and anti-foam properties.
RECOMMENDATIONS: Change the oil according to the manufacturer's guidelines, and adjust based on your specific usage conditions.
This kit is comprised of the following items:
For gearboxes WITH AND without Limited Slip Differentials (LSD)

Specifically designed for racing vehicle gearboxes, including those used in track, rally, and raid events. Ideal for all mechanical transmissions, whether synchronized or non-synchronized gearboxes, gearbox/differential units, transfer gearboxes, and all hypoid differentials WITH AND WITHOUT limited slip differentials.
Performs exceptionally well under shock loads, heavy loads at low RPM, or moderate loads at high RPM.
PERFORMANCE:
- Standards: API GL5
- 100% synthetic extreme pressure lubricant provides superior anti-wear protection, enhanced high-temperature resistance, and extended service life.
- Zero shear loss: Maintains an unshearable oil film even under extreme conditions.
- Retains 14 grade viscosity after the KRL 20-hour shear test, meeting the SAE J306 Standard, updated in July 1998.
- Exceptional lubricating properties reduce friction and wear.
- 90 grade viscosity at high temperatures ensures excellent oil film resistance and reduces transmission noise.
- Remains fluid at low temperatures for smoother gear shifts when the gearbox is cold.
- Reduces effort required for shifting gears.
- Compatible with all types of seals and yellow metals used in gearbox design.
- Offers anti-corrosion and anti-foam properties.
RECOMMENDATIONS: Change the oil according to the manufacturer's guidelines, and adjust based on your specific usage conditions.
This kit is comprised of the following items:
Automatic transmission fluid for use in dual clutch transmissions (DCT)

Features and Benefits
- XF Premium provides enhanced low temperature flow when cold starting, instantly protecting the vital components of the gearbox from the very start of every journey.
- XF Premium gearbox oil maximises viscosity stability at high temperatures. This reduces gearbox wear giving superior component protection.
- The oil delivers outstanding instant protection under hot and cold temperatures and protects against corrosion, oxidation, deposits and foam.
- XF Premium oil is specifically formulated for use in hybrid systems including self-charging hybrid electric vehicles (HEV) and plug in hybrid electric vehicles (PHEV).
Product Information
A premium OEM automatic transmission fluid designed for use in wet DCT gearboxes. Predominantly for European vehicles.
Related reference numbers
Related, superseded, cross reference or alternative numbers for comparison.
8380
The product you are viewing cross references to these numbers
- Porsche 924 2.0L 1976-79
- Porsche 924 2.0L 1980-85
- Porsche 924 Turbo 2.0L 1979-81
- Porsche 924 Turbo 2.0L 1982-84
- Porsche 924 Carrera GT 2.0L 1981
- Porsche 924 Carrera GTS 2.0L 1982
- Porsche 924S 2.5L 1986-87
- Porsche 924S 2.5L 1988
- Porsche 944 2.5L 8V 1982-87
- Porsche 944 2.7L 8V 1988-89
- Porsche 944S 2.5L 16V 1987-88
- Porsche 944 Turbo 2.5L 8V 1985-88

Fits:
Porsche 924 1976-85
Porsche 924S 1986-88
Porsche 944 1982-89
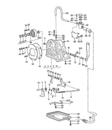
Click 'Zoom in' for large parts diagram.
Diagram ref no 39
Related reference numbers
Related, superseded, cross reference or alternative numbers for comparison.
010321371B
The product you are viewing cross references to these numbers
- Porsche 924 2.0L 1976-79
- Porsche 924 2.0L 1980-85
- Porsche 924 Turbo 2.0L 1979-81
- Porsche 924 Turbo 2.0L 1982-84
- Porsche 924 Carrera GT 2.0L 1981
- Porsche 924 Carrera GTS 2.0L 1982
- Porsche 924S 2.5L 1986-87
- Porsche 924S 2.5L 1988
- Porsche 944 2.5L 8V 1982-87
- Porsche 944 2.7L 8V 1988-89
- Porsche 944S 2.5L 16V 1987-88
- Porsche 944 Turbo 2.5L 8V 1985-88

Fits:
Porsche 924 1976-85
Porsche 924S 1986-88
Porsche 944 1982-89
Click 'Zoom in' for large parts diagram.
Diagram ref no 38
Related reference numbers
Related, superseded, cross reference or alternative numbers for comparison.
010321359F
The product you are viewing cross references to these numbers
ZF Lifeguard Fluid 7.3 DCT
Fits:
Porsche 718 Cayman 2016>>
According to spare part number of vehicle manufacturer:
- Fuchs Titan FFL-3 (ZF approval number ZF004742)
- ZF Oil No. 0671.090.534 (ZF LifeguardFluid 7.3 DCT / ZF Lifeguard eFluid 2), (ZF approval number ZF004795)
- Porsche Oil No. 999.917.080.00
Related reference numbers
Related, superseded, cross reference or alternative numbers for comparison.
00004330513
The product you are viewing cross references to these numbers
TRAXIUM AXLE 7 80W-90 is extreme pressure mineral oil for the lubrication of highly loaded gears (axles, final drives, transfer cases, planetary gearboxes) when an API GL-5 level of performance is required.
TRAXIUM AXLE 7 80W-90 is specially recommended for ZF and MAN hypoid gears, with standard drain intervals
PERFORMANCES AND CUSTOMER BENEFITS:• Efficient protection of gears against wear and corrosion due to stable extreme-pressure properties
• High compatibility with oil filters due to antifoam properties.
• Efficient stability in operation due to high viscosity index.
Related reference numbers
Related, superseded, cross reference or alternative numbers for comparison.
214086
The product you are viewing cross references to these numbers

OE-Comparison 00004320730 | 00004330514 | 00004320729 | 00004330513 | 99991708000
Specification: BMW 7-Gang Drivelogic, BMW Drivelogic 7-speed, DCTF-1, DCTF-1+, Dia Queen SSTF-I, Ford WSS-M2C936-A, MB 236.21, MB 236.24, Mitsubishi XTC-SST, MTF-LT-5, Pentosin FFL-3, Pentosin FFL-4, Porsche DCT, PSA DCS 6-speed, Renault EDC 6-speed, VW TL 52 182
Product Information
• High protection against freezing, corrosion, and cavitation
• Excellent lubricating properties, high ageing resistance, and high wetting and adhesion properties
• Prevention of deposits and foam formation
• Compliance with the requirements of vehicle manufacturers
Vehicle Repairs. We've Got What it Takes.
Only the right oil can guarantee continuous gear lubrication. Gear oils from febi are therefore precisely matched to the special requirements of vehicle manufacturers.
In addition to their favourable friction behaviour, febi gear oils offer optimal resistance to low temperatures and guarantee the best possible corrosion protection.
Quality by Conviction
Oils from febi are not universal products, but rather are tailored to the special requirements of vehicle manufacturers.
The gear oils offered consist of the most efficient base oils and modern additives. Thanks to their thermal stability, the oils are ideally resistant to ageing and provide maximum wear protection in all operating conditions.
Optimal Packaging Design
Gear oils from febi are an excellent choice. This is demonstrated not only by the quality - in many cases, febi transmission fluid even exceeds the requirements of vehicle manufacturers - but also by the user-friendly packaging design.
The clear labelling of the products through the use of color-coding makes their identification simple. Special recessed grips on the recyclable, leak-proof PE plastic bottles make filling noticeably easier. Viewing strips also provide information about the current filling level at all times.
Related reference numbers
Related, superseded, cross reference or alternative numbers for comparison.
00004330513
The product you are viewing cross references to these numbers
At Design911, we supply a wide range of gearbox service parts for Porsche models, helping you maintain smooth, precise gear changes and keep your transmission performing as it should.
Why do Porsche Gearbox Service Parts matter?Gearbox service parts directly affect how cleanly and consistently your Porsche selects gears in everyday driving and under load. Over time, internal components, seals and gaskets can wear, harden or degrade, leading to notchy shifts, leaks and increased internal wear. Replacing tired or damaged parts helps your Porsche feel better cared for and can prevent small issues turning into expensive transmission repairs later on.
- Keep your Porsche looking smart rather than tired or neglected
- Help protect the surrounding area from dirt and corrosion where relevant
- Reduce minor niggles such as looseness, rattles or mismatched parts
- Support long-term enjoyment, pride of ownership and potential resale value
Individual replacement parts
Specific items to address a particular area or issue without changing everything at once.
- Ideal for targeted repairs
- Lets you replace only what is needed
- Helps keep initial costs under control
Matched sets or pairs
Components supplied together so both sides or related items are renewed at the same time.
- Consistent feel and performance
- Helps avoid uneven wear or behaviour
- A sensible choice for routine maintenance
Complete kits
Grouped parts designed to refresh a whole system or area in one go, useful for upgrades and restorations.
- Everything specified in a single package
- Saves time compared with sourcing parts individually
- Ideal when upgrading or restoring your Porsche
At Design911, we stock genuine Porsche parts where available, plus OEM-equivalent and carefully selected aftermarket brands. This lets you choose between keeping things original, adding subtle upgrades or managing budgets on everyday maintenance.
9products
We are the source of high quality and unique Porsche performance parts for both club and professional racing.
Castrol
Castrol is a long-established lubricant specialist with a strong background in high-performance and motorsport applications. Their products are widely used to support reliable lubrication and protection in demanding gearbox and drivetrain use.
Kits
Design911 offers an extensive selection of package deals for Porsche parts, providing an ideal solution for Porsche enthusiasts looking to upgrade, maintain, or personalise their models. These packages group complementary components to help ensure compatibility and convenience.
Mahle
Mahle supplies a wide range of Porsche-related powertrain components, focusing on engine and drivetrain systems, filtration and thermal management. Their products are widely used in the automotive industry and are known for consistent specification and compatibility.
Meyle
Meyle produces a broad portfolio of aftermarket components and is represented in Porsche workshops worldwide. Their range is aimed at dependable fitment and everyday reliability when servicing and maintaining Porsche models.
When should you review or replace your Porsche gearbox service parts?Checking gearbox service parts regularly helps you spot wear, damage or age-related deterioration before it affects comfort, refinement or leads to more expensive repairs later on.
- Existing parts are worn, cracked, scuffed, faded, corroded or missing
- You notice looseness, vibration or an untidy appearance around the area they sit in
- You have had related work carried out and want everything to look and feel consistent
- You want the car to feel smarter and better cared for in daily use or before resale
If any of these apply, it is a good time to review your gearbox service parts and replace anything that is past its best, so your Porsche stays dependable and enjoyable to drive.
Explore Porsche gearbox service parts with Design911Browse gearbox service parts for Porsche models at Design911 — from individual parts to complete kits — and find options to suit everyday maintenance, upgrades and full projects.