Engine Bolts / Studs

- Porsche 911 1965-1968 2.0L / 912 SWB (F)
- Porsche 911 1968-1973 2.2L / 2.4L / 2.7L RS LWB (F)
- Porsche 911 1974-1977 2.7L / 1976-77 3.0 Carrera
- Porsche 911 1978-1983 3.0L / SC
- Porsche 911 1984-1986 3.2L
- Porsche 911 1987-1989 3.2L G50
- Porsche 911 1975-1977 3.0L Turbo (930)
- Porsche 911 1978-1989 3.3L Turbo (930)
- Porsche 964 (911) C2 1989-93
- Porsche 964 (911) C4 1989-93
- Porsche 964 (911) RS 3.6L 1991-93
- Porsche 964 (911) RS 3.8L 1991-93
- Porsche 964 (911) TURBO 3.3L 1991-93
- Porsche 964 (911) TURBO 3.6L 1991-93
- Porsche 993 (911) C2 1994-97
- Porsche 993 (911) C4 1994-97
- Porsche 993 (911) RS 1994-97
- Porsche 993 (911) C2S 1994-97
- Porsche 993 (911) C4S 1994-97
- Porsche 993 (911) TURBO 1994-96
- Porsche 993 (911) GT2 1994-97
- Porsche 993 (911) TURBO S 1994-97

Precisely set the height of head studs on all the 911 engines using this innovative tool. The Delrin insert protects the engine case from scratches or marring, while the adjustable three-piece anodized aluminium tubular construction provides complete flexibility for all engine setups, tools, and stud combinations.
For all 911s including GT3s.





- Porsche 911 1968-1973 2.2L / 2.4L / 2.7L RS LWB (F)
- Porsche 911 1974-1977 2.7L / 1976-77 3.0 Carrera
- Porsche 911 1978-1983 3.0L / SC
- Porsche 911 1984-1986 3.2L
- Porsche 911 1987-1989 3.2L G50
- Porsche 911 1975-1977 3.0L Turbo (930)
- Porsche 911 1978-1989 3.3L Turbo (930)
Fits:
Porsche 911 1970-89
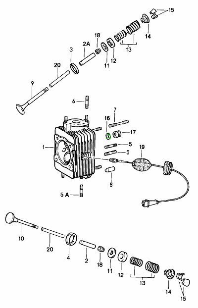
Click picture for large parts diagram.
Diagram Ref No 24.




- Porsche 911 1965-1968 2.0L / 912 SWB (F)
- Porsche 911 1968-1973 2.2L / 2.4L / 2.7L RS LWB (F)
- Porsche 911 1974-1977 2.7L / 1976-77 3.0 Carrera
- Porsche 911 1978-1983 3.0L / SC
- Porsche 911 1984-1986 3.2L
- Porsche 911 1987-1989 3.2L G50
- Porsche 911 1975-1977 3.0L Turbo (930)
- Porsche 911 1978-1989 3.3L Turbo (930)
- Porsche 964 (911) C2 1989-93
- Porsche 964 (911) C4 1989-93
- Porsche 964 (911) RS 3.6L 1991-93
- Porsche 964 (911) RS 3.8L 1991-93
- Porsche 964 (911) TURBO 3.3L 1991-93
- Porsche 964 (911) TURBO 3.6L 1991-93
- Porsche 993 (911) C2 1994-97
- Porsche 993 (911) C4 1994-97
- Porsche 993 (911) RS 1994-97
- Porsche 993 (911) C2S 1994-97
- Porsche 993 (911) C4S 1994-97
- Porsche 993 (911) TURBO 1994-96
- Porsche 993 (911) GT2 1994-97
- Porsche 993 (911) TURBO S 1994-97
Normally 24 studs per engine.
Solves the problems of loose head studs, The exhaust leak you hear in the 911 may actually be the cylinder head leaking where the studs have pulled loose. As Porsche increased displacement of the 911 engine, the different rates of thermal expansion have caused head studs to break or pull out from the engine case.
Superior Tested/Proven strength. (compared to Dilavar & Raceware)
Fits:
Porsche 911 1965-89
Porsche 964 1989-94
Porsche 993 1994-98
This product supersedes Porsche's old part numbers:
- 993 101 170 51
Click picture for large parts diagram.
Diagram Ref No 2.
Related reference numbers
Related, superseded, cross reference or alternative numbers for comparison.
99310117054
The product you are viewing cross references to these numbers





- Porsche 911 1974-1977 2.7L / 1976-77 3.0 Carrera
- Porsche 911 1978-1983 3.0L / SC
- Porsche 911 1984-1986 3.2L
- Porsche 911 1987-1989 3.2L G50
- Porsche 911 1975-1977 3.0L Turbo (930)
- Porsche 911 1978-1989 3.3L Turbo (930)
Fits:
Porsche 911 1974-89 (12pcs Required)
Porsche 911 2.7L Carrera 1973 (24pcs Required)
Diagram Ref No 2
Related reference numbers
Related, superseded, cross reference or alternative numbers for comparison.
91110117200
The product you are viewing cross references to these numbers




- Porsche 911 1974-1977 2.7L / 1976-77 3.0 Carrera
- Porsche 911 1978-1983 3.0L / SC
- Porsche 911 1984-1986 3.2L
- Porsche 911 1987-1989 3.2L G50
- Porsche 911 1975-1977 3.0L Turbo (930)
- Porsche 911 1978-1989 3.3L Turbo (930)
Price is for each.
Fits:
Porsche 911 1974-89 (12pcs Required)
Porsche 911 2.7L Carrera 1973 (24pcs Required)
Diagram Ref No 2
Related reference numbers
Related, superseded, cross reference or alternative numbers for comparison.
91110117200
The product you are viewing cross references to these numbers




- Porsche 911 1965-1968 2.0L / 912 SWB (F)
- Porsche 911 1968-1973 2.2L / 2.4L / 2.7L RS LWB (F)
- Porsche 911 1974-1977 2.7L / 1976-77 3.0 Carrera
- Porsche 911 1978-1983 3.0L / SC
- Porsche 911 1984-1986 3.2L
- Porsche 911 1987-1989 3.2L G50
- Porsche 911 1975-1977 3.0L Turbo (930)
- Porsche 911 1978-1989 3.3L Turbo (930)
- Porsche 964 (911) C2 1989-93
- Porsche 964 (911) C4 1989-93
- Porsche 964 (911) RS 3.6L 1991-93
- Porsche 964 (911) RS 3.8L 1991-93
- Porsche 964 (911) TURBO 3.3L 1991-93
- Porsche 964 (911) TURBO 3.6L 1991-93
- Porsche 993 (911) C2 1994-97
- Porsche 993 (911) C4 1994-97
- Porsche 993 (911) RS 1994-97
- Porsche 993 (911) C2S 1994-97
- Porsche 993 (911) C4S 1994-97
- Porsche 993 (911) TURBO 1994-96
- Porsche 993 (911) GT2 1994-97
- Porsche 993 (911) TURBO S 1994-97
SET OF 24
Head stud kit for Porsche 2.0L-3.8L air-cooled engines
Fits:
Porsche 911 1965-89
Porsche 964 1989-94
Porsche 993 1994-98
Diagram Ref No 2
Related reference numbers
Related, superseded, cross reference or alternative numbers for comparison.
99310117054
The product you are viewing cross references to these numbers




- Porsche 911 1965-1968 2.0L / 912 SWB (F)
- Porsche 911 1968-1973 2.2L / 2.4L / 2.7L RS LWB (F)
- Porsche 911 1974-1977 2.7L / 1976-77 3.0 Carrera
- Porsche 911 1978-1983 3.0L / SC
Sold each.

Fits
Porsche 911 1965 - 83
Click 'Zoom in' for large parts diagram.
Diagram ref no 6
Related reference numbers
Related, superseded, cross reference or alternative numbers for comparison.
90006010601T
The product you are viewing cross references to these numbers




- Porsche 911 1965-1968 2.0L / 912 SWB (F)
- Porsche 911 1968-1973 2.2L / 2.4L / 2.7L RS LWB (F)
- Porsche 911 1974-1977 2.7L / 1976-77 3.0 Carrera
- Porsche 911 1978-1983 3.0L / SC
- Porsche 911 1984-1986 3.2L
- Porsche 911 1987-1989 3.2L G50
- Porsche 911 1975-1977 3.0L Turbo (930)
- Porsche 911 1978-1989 3.3L Turbo (930)
- Porsche 964 (911) C2 1989-93
- Porsche 964 (911) C4 1989-93
- Porsche 964 (911) RS 3.6L 1991-93
- Porsche 964 (911) RS 3.8L 1991-93
- Porsche 964 (911) TURBO 3.3L 1991-93
- Porsche 964 (911) TURBO 3.6L 1991-93
- Porsche 993 (911) C2 1994-97
- Porsche 993 (911) C4 1994-97
- Porsche 993 (911) RS 1994-97
- Porsche 993 (911) C2S 1994-97
- Porsche 993 (911) C4S 1994-97
- Porsche 993 (911) TURBO 1994-96
- Porsche 993 (911) GT2 1994-97
- Porsche 993 (911) TURBO S 1994-97

Never lose sleep again over a bent or broken exhaust stud on a 911 engine. This new tool is a must for every 911 mechanic and will pay for itself the first time you use it. This is a quick and totally accurate tool to repair and replace broken studs without damaging the head, or worse, having to remove the engine. The SR065 fixture indexes off of the exhaust port (by using one of the various sized port bushings included), secures to the opposite stud, and allows you to drill out, tap, and replace the stud dead on, every time. Includes LH drill bits, tap with extension, drill jigs/guides, port bushings, and a sturdy storage case.
Now includes our SR065D drill guide.
Fits ALL of the 911 heads including the 993.





- Porsche 911 1974-1977 2.7L / 1976-77 3.0 Carrera
- Porsche 911 1978-1983 3.0L / SC
Sold each.

Fits
Porsche 911 2.7L / 3.0L 1974-83
Related reference numbers
Related, superseded, cross reference or alternative numbers for comparison.
99906200602
The product you are viewing cross references to these numbers




- Porsche 911 1974-1977 2.7L / 1976-77 3.0 Carrera
- Porsche 911 1978-1983 3.0L / SC
Sold each.
Fits
Porsche 911 2.7L / 3.0L 1974-83
Related reference numbers
Related, superseded, cross reference or alternative numbers for comparison.
99906200602
The product you are viewing cross references to these numbers





- Porsche 911 1968-1973 2.2L / 2.4L / 2.7L RS LWB (F)
- Porsche 911 1974-1977 2.7L / 1976-77 3.0 Carrera
- Porsche 911 1978-1983 3.0L / SC
- Porsche 911 1984-1986 3.2L
- Porsche 911 1987-1989 3.2L G50
- Porsche 911 1975-1977 3.0L Turbo (930)
- Porsche 911 1978-1989 3.3L Turbo (930)

Fits:
Porsche 911 1972-73 (TYP 915)
Porsche 911 1974-89
Porsche 911 (930) Turbo 1975-89
Click 'Zoom in' for large parts diagram.
Diagram ref no 7
Related reference numbers
Related, superseded, cross reference or alternative numbers for comparison.
99906218202
The product you are viewing cross references to these numbers





- Porsche 911 1974-1977 2.7L / 1976-77 3.0 Carrera
- Porsche 911 1978-1983 3.0L / SC
- Porsche 911 1984-1986 3.2L
- Porsche 911 1975-1977 3.0L Turbo (930)
- Porsche 924 2.0L 1976-79
- Porsche 924 Turbo 2.0L 1979-81
- Porsche 924 Turbo 2.0L 1982-84

Fits:
Porsche 911 / SC / Carrera 1977-86
Porsche 911 Turbo 1977-77
Porsche 924 1976-79 with 5-Speed Gearbox
Porsche 924 Turbo/ GT 1980-85 Manual Gearbox G31.01/02/03
Click 'Zoom in' for large parts diagram.
Diagram ref no. 2 (for 911) or no.19 (for 924)
Related reference numbers
Related, superseded, cross reference or alternative numbers for comparison.
99906209802
The product you are viewing cross references to these numbers





- Porsche 911 1978-1983 3.0L / SC
- Porsche 911 1984-1986 3.2L
- Porsche 911 1987-1989 3.2L G50
- Porsche 911 1978-1989 3.3L Turbo (930)
Fits:
Porsche 911 1978-89
Diagram Ref No 16
Related reference numbers
Related, superseded, cross reference or alternative numbers for comparison.
99903109101
The product you are viewing cross references to these numbers




- Porsche 911 1978-1983 3.0L / SC
- Porsche 911 1984-1986 3.2L
- Porsche 911 1987-1989 3.2L G50
- Porsche 911 1978-1989 3.3L Turbo (930)
Fits:
Porsche 911 1978-89
Diagram ref no 16
Related reference numbers
Related, superseded, cross reference or alternative numbers for comparison.
99903109101
The product you are viewing cross references to these numbers





- Porsche 911 1965-1968 2.0L / 912 SWB (F)
- Porsche 911 1968-1973 2.2L / 2.4L / 2.7L RS LWB (F)
- Porsche 911 1974-1977 2.7L / 1976-77 3.0 Carrera
- Porsche 911 1978-1983 3.0L / SC
- Porsche 911 1984-1986 3.2L
- Porsche 911 1975-1977 3.0L Turbo (930)
- Porsche 914 (1970-1976)

Fits:
Porsche 914/6 (1970 - 1972)
Porsche 911 F (1965 - 1973)
Porsche 911 Carrera (1984 - 1986)
Porsche 911 Turbo (1975 - 1986)
Click 'Zoom in' for large parts diagram.
Diagram ref no 6 (and no 7 for 914 only)
Related reference numbers
Related, superseded, cross reference or alternative numbers for comparison.
99906103402
The product you are viewing cross references to these numbers




- Porsche 911 1965-1968 2.0L / 912 SWB (F)
- Porsche 911 1968-1973 2.2L / 2.4L / 2.7L RS LWB (F)
- Porsche 911 1974-1977 2.7L / 1976-77 3.0 Carrera
- Porsche 911 1978-1983 3.0L / SC
- Porsche 911 1984-1986 3.2L
- Porsche 911 1987-1989 3.2L G50
- Porsche 911 1975-1977 3.0L Turbo (930)
- Porsche 911 1978-1989 3.3L Turbo (930)

Installing O-rings on the through bolts for a 911 engine case often slices the rings on the threads of the bolt, leading to ripped seals at best, or a leaky engine at worst. Use this cap to protect the O-ring and to insure a factory quality seal. Precisely machined from quality brass.


