do not press the back button…
-
Engine Parts
-
- Engine Rebuild Parts Intermediate shaft (IMS) Oil System Parts Fuel System Parts Gaskets & Sets Radial Seal / RMS / Camshaft / Balance shaft Belts / Tensioners / Rollers Chains & Tensioners Timing covers and gaskets Engine Bearings / Shells Engine Valves / Guides / Springs Rocker Arms & Tappets Engine Bolts / Studs Engine Mounts Piston Rings Engine Cylinders / Liners / Pistons Connecting Rod Cylinder Head / Camshaft Carrier Camshaft covers / Gaskets Camshafts Camshaft gears / sprockets and fixings Crankcase Parts Crankshaft & Parts All Categories
-
Brakes
-
- Brakes Brake Pads & Disc Package SPORTS Brake Pads & Disc Package Brake Disc Standard Brake Pads Standard SPORTS Brake Disc Brembo Standard brakes Brembo Racing brakes TEXTAR Brakes PAGID Racing Brakes Zimmermann Brakes Wilwood Disc Brakes EBC Brakes Black Diamond Performance Brakes Brake Pad Wear Sensors Brake Pad Anti-vibration shims Caliper Bolts / Disc Screws Pin Kit and Guide Plates Performance Brake Hoses Standard Brake Hoses Caliper and Brake Lines Brake Calipers Brake Caliper Upgrades All Categories
-
-
Suspension & Steering
-
Transmission
-
- Gearbox / Transmission Clutch Kits Clutch Kits - High Performance Clutch Friction Plate Clutch Pressure Plate Clutch Release Bearings Clutch Guide Tube Clutch Ring Gear Clutch Forks & Levers Clutch Bolts Gearbox Parts Driveshafts & Parts Gasket Sets / Gaskets / Seals / Lock Nuts Gearbox Mounts Gearshift Control Parts Flywheel / Torque CV Joints Kits CV Boots and Kits Cardan Shaft / Prop Shaft Gearbox / Differential Oil Gearbox Sump / Oil Pan Used Transmissions / Gearboxes Front Differential All Categories
-
-
Cooling & Heating
-
- Heating / Air Conditioning Air con condensers & desiccators Air con evaporators & expansion valves Air con pipes Air con belts Fans & cowlings Relays / Sensors / Resistors Compressors Heater flaps Blower Motors & Fans Heater blowers Heater hoses & pipes Heater cables Vents / Grilles Climate Control Temperature Sensors / Switches Heating / Air conditioning Housings
-
-
Electrical & Lighting
-
- Electrical & Relays Fuel Pumps Brake Light Switch Handbrake Switch Reverse Light Switch Headlamp Switch Window Switch Window Motors Window Mechanism Wiper Motor Wiper Mechanism Electric Horn SmartTop Control Units Ignition Switch Seat Switch Indicator / Wiper Stalk Switch Roof / Sun Roof Switch Relays / Fuses Washer pumps / bottles / jets Alarms / Security / Central Locking Electronic Control Units Wiper Switches Dashboard / Console Parts & Switches All Categories
-
-
Body & Exhaust
-
- Chassis / Bodywork Restoration Chassis / Repair Panels Front Lid Damper Rear Lid Damper Bonnets / Locks & Latches Boots / Rear Lid / Locks and Latches Rear lid / Tailgate Bumpers Front Bumpers Rear Door Handles | Locks | Keys Door Panels | Hinges | Striker Plates Window Lifters | Motors Wings Front & Parts Wings Rear & Parts Side Sill Panels Exterior Chassis Mouldings Mirrors & Parts Stone Chip Foils / Stickers Undertrays Chassis & Engine Front Wiper Arms & Blades Rear Wiper Arms & Blades Roof - Cabrio / Targa / Coupe / Speedster Roll Cages All Categories
-
-
Exhausts
Sport Silencers / Mufflers
1 IN / 1 OUT
Standard Silencers 1 IN / 1 OUT
Sports Silencers 1 IN / 2 OUT
Sports Silencers 2 IN / 1 OUT
Standard Silencers 2 IN / 1 OUT
Sport Silencers 2 IN / 2 OUT
Standard Silencers 2 IN / 2 OUT
Sport Silencers All Silencers / Mufflers Catalyst / Bypass Manifold / Headers All Categories
-
Exhausts
Sport Silencers / Mufflers
1 IN / 1 OUT
-
-
Lubricants & Fluids
-
- Service Parts Service Kits Service Kits OE Parts Oil Filters Air Filters Fuel Filters Belts All Types Spark Plugs IRIDIUM POWER Spark Plugs IRIDIUM RACING Spark Plugs Front Wiper Arms & Blades Rear Wiper Arms & Blades Gearbox Service Parts Porsche Classic Motor oil Engine Oil & Lubricants - Mobil Engine Oil & Lubricants - Total Engine Oil & Lubricants - Castrol Engine Oil & Lubricants - Motul Engine Oil & Lubricants - Millers Oils NanoDrive Engine Oil & Lubricants - Millers Oils Fuel Additives Garage PPE
-
-
All Parts
-
- Parts Accessories Chassis / Bodywork Brakes Clothing & Gifts Electrical & Relays Engine Cooling Engine Electrical Engine Rebuild Parts Engine Tuning Exhausts Exterior Styling / Spoilers Gearbox / Transmission Heating / Air Conditioning Hydraulics Interior & Accessories Incar / Multimedia Lighting Mats & Carpets Motorsport and Off-Road Pedal Cluster Rubber Seals Seats & Seat Belts All Categories
-
- Back to main website
Enter your VAT number here and click Verify:
Your details have been verified. VAT number registered to:
,
.
Your order will now be zero rated for VAT purposes. We reserve the right to verify these details after your order request has been made and reinstate VAT if required.
Your VAT details were not recognised or were invalid. Your VAT number must be matched to your Billing Country as specified above. This is currently specified as . You do not need to enter the country code part of your VAT number as this has already been selected in your billing address details above.
The VAT number checking service is currently offline. Please supply your VAT details within the comments or special instructions field below and we will apply a VAT discount after placing your order request.
Fixing screw set armrest pair. Porsche 911 1969-73 ❭ N0147612
- Porsche 911 1965-1968 2.0L / 912 SWB (F)
- Porsche 911 1968-1973 2.2L / 2.4L / 2.7L RS LWB (F)
Set for both armrests
Fits:
Porsche 911 - 1969 to 1973
Set includes
Spring washer A6 - 90002700403
Cheese head screw M6 x 12 - 900112912901
Cheese head screw M6 x 10 N0147652
Diagram ref no 14 and 15
Related reference numbers
Related, superseded, cross reference or alternative numbers for comparison.
N0147612
The product you are viewing cross references to these numbers
- Porsche 911 1968-1973 2.2L / 2.4L / 2.7L RS LWB (F)
- Porsche 911 1974-1977 2.7L / 1976-77 3.0 Carrera
- Porsche 911 1978-1983 3.0L / SC
- Porsche 911 1984-1986 3.2L
- Porsche 911 1987-1989 3.2L G50
- Porsche 911 1975-1977 3.0L Turbo (930)
- Porsche 911 1978-1989 3.3L Turbo (930)
- Porsche 964 (911) C2 1989-93
- Porsche 964 (911) C4 1989-93
- Porsche 964 (911) RS 3.6L 1991-93
- Porsche 964 (911) RS 3.8L 1991-93
- Porsche 964 (911) TURBO 3.3L 1991-93
- Porsche 964 (911) TURBO 3.6L 1991-93
- Porsche 993 (911) C2 1994-97
- Porsche 993 (911) C4 1994-97
- Porsche 993 (911) RS 1994-97
- Porsche 993 (911) C2S 1994-97
- Porsche 993 (911) C4S 1994-97
- Porsche 993 (911) TURBO 1994-96
- Porsche 993 (911) GT2 1994-97
- Porsche 993 (911) TURBO S 1994-97

Fits:
Porsche 911 1970-89
Porsche 911 Turbo 3.0L, 3.3L 1975-89
Porsche 964
Porsche 993
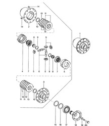
Click 'Zoom in' for large parts diagram.
Diagram ref no 18.
Related reference numbers
Related, superseded, cross reference or alternative numbers for comparison.
99353156300
The product you are viewing cross references to these numbers
- Porsche 911 1978-1983 3.0L / SC
- Porsche 911 1984-1986 3.2L
- Porsche 911 1987-1989 3.2L G50
- Porsche 911 1975-1977 3.0L Turbo (930)
- Porsche 911 1978-1989 3.3L Turbo (930)
- Porsche 964 (911) C2 1989-93
- Porsche 964 (911) C4 1989-93
- Porsche 964 (911) RS 3.6L 1991-93
- Porsche 964 (911) RS 3.8L 1991-93
- Porsche 964 (911) TURBO 3.3L 1991-93
- Porsche 964 (911) TURBO 3.6L 1991-93

Fits:
Porsche 911 1978-89
Porsche 911 Turbo 3.3L 1978-89
Porsche 964 1989-94
Click 'Zoom in' for large parts diagram.
Diagram ref no 19.
Related reference numbers
Related, superseded, cross reference or alternative numbers for comparison.
91153125
The product you are viewing cross references to these numbers
- Porsche 911 1974-1977 2.7L / 1976-77 3.0 Carrera
- Porsche 911 1978-1983 3.0L / SC
- Porsche 911 1984-1986 3.2L
- Porsche 911 1987-1989 3.2L G50
- Porsche 911 1975-1977 3.0L Turbo (930)
- Porsche 911 1978-1989 3.3L Turbo (930)
- Porsche 964 (911) C2 1989-93
- Porsche 964 (911) C4 1989-93
- Porsche 964 (911) RS 3.6L 1991-93
- Porsche 964 (911) RS 3.8L 1991-93
- Porsche 964 (911) TURBO 3.3L 1991-93
- Porsche 964 (911) TURBO 3.6L 1991-93
- Porsche 993 (911) C2 1994-97
- Porsche 993 (911) C4 1994-97
- Porsche 993 (911) RS 1994-97
- Porsche 993 (911) C2S 1994-97
- Porsche 993 (911) C4S 1994-97
- Porsche 993 (911) TURBO 1994-96
- Porsche 993 (911) GT2 1994-97
- Porsche 993 (911) TURBO S 1994-97
Window Switch Surround Aluminium.
Sold as a set of 3.
Fits
Porsche 911 - 1974 to 1989
Porsche 964 - 1989 to 1994
Porsche 993 - 1994 to 1998
Window Regulator Switch Trim Set for Porsche 911/964
Enhance your Porsche 911/964 interior with this premium window regulator switch trim set, designed for a sleek and refined look.
Set Includes: 3 trim frames: 2 for the driver’s side and 1 for the passenger’s side.
Related reference numbers
Related, superseded, cross reference or alternative numbers for comparison.
911680EWS911
The product you are viewing cross references to these numbers
Monday-Friday: 8.30am - 5.30pm (GMT)
Saturday: Closed
Sunday: Closed