Koppelingsslangen en -leidingen


- Porsche 964 (911) C2 1989-93
- Porsche 964 (911) C4 1989-93
- Porsche 964 (911) RS 3.6L 1991-93
- Porsche 964 (911) RS 3.8L 1991-93
- Porsche 964 (911) TURBO 3.3L 1991-93
- Porsche 964 (911) TURBO 3.6L 1991-93
- Porsche 993 (911) C2 1994-97
- Porsche 993 (911) C4 1994-97
- Porsche 993 (911) RS 1994-97
- Porsche 993 (911) C2S 1994-97
- Porsche 993 (911) C4S 1994-97
- Porsche 993 (911) TURBO 1994-96
- Porsche 993 (911) GT2 1994-97
- Porsche 993 (911) TURBO S 1994-97
Past bij:
Porsche 964 1989-94 rechtsgestuurde auto's
Porsche 993 1995-98 rechtsgestuurde auto's
Klik op 'Inzoomen' voor een groot onderdelenschema.
Schema ref. nr. 12
Gerelateerde referentienummers
Gerelateerde, vervangen, kruisverwijzingen of alternatieve nummers ter vergelijking.
96442311001
Het product dat u bekijkt, verwijst naar deze nummers





- Porsche 964 (911) C2 1989-93
- Porsche 964 (911) C4 1989-93
Past bij:
Porsche 964 Carrera 2/4 1989-94 LHD voertuigen
Klik op 'Inzoomen' voor een groot onderdelenschema.
Schema ref. nr. 12
Gerelateerde referentienummers
Gerelateerde, vervangen, kruisverwijzingen of alternatieve nummers ter vergelijking.
96442310903
Het product dat u bekijkt, verwijst naar deze nummers





- Porsche 964 (911) C2 1989-93
- Porsche 964 (911) C4 1989-93
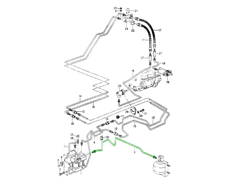
De Porsche-drukleiding tussen regelklep en drukaccumulator is een originele OEM-hydraulische leiding die is ontworpen om de juiste werking van uw differentieelblokkeringssysteem te garanderen. Deze hogedrukleiding verbindt de regelklep met de drukaccumulator en transporteert hydraulische vloeistof veilig en betrouwbaar onder belasting.
Past op:
- Porsche 964 (911) C2 1989-93 (5-versnellingsbak)
- Porsche 964 (911) C4 1989-93 (5-versnellingsbak)
Wat dit product doet:
De drukleiding maakt deel uit van het hydraulische systeem voor het sperdifferentieel in Porsche-modellen. Deze verbindt het regelventiel met de drukaccumulator, zodat de hydraulische druk correct wordt opgeslagen en indien nodig aan het systeem wordt geleverd.
Functies:
- Brengt hydraulische druk over tussen het regelventiel en de drukaccumulator.
- Zorgt voor een betrouwbare werking van het differentieelvergrendelingssysteem.
- Zorgt voor een soepele in- en uitschakeling van de differentieelblokkering onder belasting.
- Ontworpen om hoge hydraulische druk te weerstaan zonder lekkage of vervorming.
Symptomen van een defecte drukleiding:
- Differentieelblokkering schakelt niet goed in of uit.
- Er lekt hydraulische vloeistof bij de accumulator of klep.
- Waarschuwingslampjes of foutcodes met betrekking tot het differentieelslot.
- Verminderde tractie wanneer het slot niet werkt.
- Zichtbare slijtage of schade aan de lijn zelf.
Deze drukleiding is een hydraulisch onderdeel met hoge druk. Als deze defect raakt, functioneert het differentieelblokkeringssysteem niet goed, wat de prestaties en veiligheid vermindert. Vervanging door een originele OEM Porsche-leiding garandeert:
- Lekvrije en betrouwbare hydraulische drukoverdracht.
- Correcte montage in het hydraulische systeem van de differentieelblokkering.
- Herstelde werking van de accumulator en de aansluiting van de regelklep.
- Langdurige betrouwbaarheid onder veeleisende rijomstandigheden.
Diagram Ref.nr. 9
Gerelateerde referentienummers
Gerelateerde, vervangen, kruisverwijzingen of alternatieve nummers ter vergelijking.
96431530151
Het product dat u bekijkt, verwijst naar deze nummers





- Porsche 964 (911) C2 1989-93
- Porsche 964 (911) C4 1989-93
- Porsche 964 (911) RS 3.6L 1991-93

Past bij:
Porsche 964 3.6L Carrera 1989-94 (G64.00 / G64.01 / G64.02)
Klik op 'Inzoomen' voor een groot onderdelenschema.
Schema ref. nr. 13
Gerelateerde referentienummers
Gerelateerde, vervangen, kruisverwijzingen of alternatieve nummers ter vergelijking.
96431534455
Het product dat u bekijkt, verwijst naar deze nummers


