Voer hier uw btw-nummer in en klik op Verifiëren:
U hoeft het landcode-deel van uw btw-nummer niet in te voeren, omdat dit al is geselecteerd in uw factuuradres hierboven.
Uw gegevens zijn geverifieerd. Btw-nummer geregistreerd bij:
,
.
Uw bestelling wordt nu voor BTW-doeleinden op een nultarief gezet. Wij behouden ons het recht voor deze gegevens na uw bestelaanvraag te controleren en indien nodig opnieuw btw aan te rekenen.
Uw btw-gegevens werden niet herkend of waren ongeldig. Uw btw-nummer moet overeenkomen met het land van facturering zoals hierboven aangegeven. Dit wordt momenteel gespecificeerd als . U hoeft het landcode-deel van uw btw-nummer niet in te voeren, omdat dit al is geselecteerd in uw factuuradres hierboven.
De dienst voor het controleren van btw-nummers is momenteel offline. Geef uw btw-gegevens op in het veld opmerkingen of speciale instructies hieronder en wij passen een btw-korting toe na het plaatsen van uw bestelaanvraag.
Kachelventilatoren
- Porsche 958 Cayenne V6 3.6L Petrol (300Hp) 2010-17
- Porsche 958 Cayenne V6 3.0L Diesel (245Hp) 2010-17
- Porsche 958 Cayenne S V6 3.0L Hybrid (380Hp) 2010-17
- Porsche 958 Cayenne S V8 4.8L Petrol (400Hp) 2010-17
- Porsche 958 Cayenne S V8 4.2L Diesel (382Hp) 2010-17
- Porsche 958 Cayenne GTS V8 4.8L Petrol (400Hp) 2010-17
- Porsche 958 Cayenne Turbo V8 4.8L Petrol (500Hp) 2010-17
- Porsche 958 Cayenne Turbo S V8 4.8L Petrol (550Hp) 2010-17
Past op:
Porsche 958 Cayenne 2011 - 2018
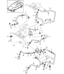
Past op nr. 10 op het diagram.
Gerelateerde referentienummers
Gerelateerde, vervangen, kruisverwijzingen of alternatieve nummers ter vergelijking.
7P0820521A
Het product dat u bekijkt, verwijst naar deze nummers
- Porsche 957 Cayenne 3.0L Diesel 2007-10
- Porsche 957 Cayenne 3.6L 2007-10
- Porsche 957 Cayenne S / GTS 4.8L 2007-10
- Porsche 957 Cayenne Turbo / Turbo S 4.8L 2007-10
- Porsche 958 Cayenne V6 3.6L Petrol (300Hp) 2010-17
- Porsche 958 Cayenne V6 3.0L Diesel (245Hp) 2010-17
- Porsche 958 Cayenne S V6 3.0L Hybrid (380Hp) 2010-17
- Porsche 958 Cayenne S V8 4.8L Petrol (400Hp) 2010-17
- Porsche 958 Cayenne S V8 4.2L Diesel (382Hp) 2010-17
- Porsche 958 Cayenne GTS V8 4.8L Petrol (400Hp) 2010-17
- Porsche 958 Cayenne Turbo V8 4.8L Petrol (500Hp) 2010-17
- Porsche 958 Cayenne Turbo S V8 4.8L Petrol (550Hp) 2010-17
Hulpverwarming koelvloeistofpomp.

Past op:
Porsche 955 Cayenne S / Cayenne turbo - 2003 tot 2006
Porsche 957 Cayenne - 2007 tot 2010 (Optiecodes 7VE, 7VL, 9AH, D5X, D5V, D5Z, 9M5, 9AH)
Porsche 958 Cayenne - 2010 tot 2017 (Optiecodes 9M1, 9M5, 9M9)
Klik op 'Inzoomen' voor een diagram met grotere onderdelen.
Diagram ref nr. 24
Gerelateerde referentienummers
Gerelateerde, vervangen, kruisverwijzingen of alternatieve nummers ter vergelijking.
95857215010
Het product dat u bekijkt, verwijst naar deze nummers
- Porsche 957 Cayenne 3.0L Diesel 2007-10
- Porsche 957 Cayenne 3.6L 2007-10
- Porsche 957 Cayenne S / GTS 4.8L 2007-10
- Porsche 957 Cayenne Turbo / Turbo S 4.8L 2007-10
- Porsche 958 Cayenne V6 3.6L Petrol (300Hp) 2010-17
- Porsche 958 Cayenne V6 3.0L Diesel (245Hp) 2010-17
- Porsche 958 Cayenne S V6 3.0L Hybrid (380Hp) 2010-17
- Porsche 958 Cayenne S V8 4.8L Petrol (400Hp) 2010-17
- Porsche 958 Cayenne S V8 4.2L Diesel (382Hp) 2010-17
- Porsche 958 Cayenne GTS V8 4.8L Petrol (400Hp) 2010-17
- Porsche 958 Cayenne Turbo V8 4.8L Petrol (500Hp) 2010-17
- Porsche 958 Cayenne Turbo S V8 4.8L Petrol (550Hp) 2010-17
Hulpkoelvloeistofpomp voor het verwarmingssysteem
De hulpkoelvloeistofpomp voor de Porsche 955, 957 en 958 Cayenne is een secundaire elektrische waterpomp die is ontworpen om de koelvloeistofcirculatie door het verwarmingssysteem van de auto te ondersteunen. Deze pomp zorgt voor een constante koelvloeistofstroom naar de warmtewisselaar, waardoor de verwarming in het interieur verbetert en de motortemperatuur in balans blijft. Dit is een essentieel onderdeel van het koel- en klimaatsysteem, met name bij koud weer en stationair draaien.
Geschikt voor:
- Porsche 957 Cayenne 3.0L Diesel 2007-10
- Porsche 957 Cayenne 3.6L 2007-10
- Porsche 957 Cayenne S / GTS 4.8L 2007-10
- Porsche 957 Cayenne Turbo / Turbo S 4.8L 2007-10
- Porsche 958 Cayenne V6 3,6 liter benzine (300 pk) 2010-17
- Porsche 958 Cayenne V6 3.0L Diesel (245 pk) 2010-17
- Porsche 958 Cayenne S V6 3.0L Hybride (380 pk) 2010-2017
- Porsche 958 Cayenne S V8 4.8L Benzine (400 pk) 2010-17
- Porsche 958 Cayenne S V8 4.2L Diesel (382 pk) 2010-2017
- Porsche 958 Cayenne GTS V8 4.8L Benzine (400 pk) 2010-17
- Porsche 958 Cayenne Turbo V8 4.8L Benzine (500 pk) 2010-2017
- Porsche 958 Cayenne Turbo S V8 4.8L Benzine (550 pk) 2010-2017
Diagramreferentienummer 24
Wat de hulpkoelvloeistofpomp doet
In tegenstelling tot de door de motor aangedreven waterpomp, werkt de hulpkoelvloeistofpomp elektrisch en helpt deze bij de circulatie van koelvloeistof wanneer dat nodig is. Deze pomp is verantwoordelijk voor:
- Hete koelvloeistof wordt naar de kachelradiator in de cabine geleid.
- Het bevorderen van een gelijkmatige warmteverdeling in het voertuig.
- Het handhaven van de koelvloeistofstroom bij stationair draaien of lage motortoerentallen.
- Ondersteuning bij temperatuurregeling in complexe koelsystemen.
- Verbetering van de efficiëntie van de warming-up
Bij Porsche Cayenne-modellen die zijn uitgerust met geavanceerde klimaatregelingssystemen speelt de hulppomp een belangrijke rol bij het garanderen van betrouwbare verwarmingsprestaties.
Waarom hulpkoelvloeistofpompen uitvallen
Na verloop van tijd kan de hulpkoelvloeistofpomp defect raken als gevolg van:
- Elektromotor slijtage
- Interne slijtage van de lagers
- Koelvloeistofverontreiniging
- De temperatuur in de motorruimte circuleert regelmatig.
- Leeftijdsgebonden vermoeidheid van kunststof behuizingen
- Corrosie door blootstelling aan koelvloeistof
Omdat de pomp elektrisch werkt, kan een storing plotseling of geleidelijk optreden.
Veelvoorkomende symptomen van een defecte hulpkoelvloeistofpomp zijn onder andere:
- Zwakke of onregelmatige cabineverwarming
- De kachel blaast koude lucht bij stationair draaien.
- Foutcodes voor koelvloeistofcirculatie
- Controleer de waarschuwingslampjes van de motor of het koelsysteem
- Ongebruikelijk geluid uit het koelsysteem.
- Koelvloeistof lekt rond de pomphuis.
Wanneer moet u de hulpkoelvloeistofpomp vervangen?
U dient te overwegen de hulpkoelvloeistofpomp te vervangen als:
- De prestaties van de cabineverwarming worden inconsistent.
- Het voertuig heeft moeite om de motor warm te houden wanneer de motor stationair draait.
- Diagnostische foutcodes duiden op problemen met de koelvloeistofcirculatie.
- De pomp maakt lawaai of werkt niet meer.
- U bent bezig met onderhoud aan andere onderdelen van het koelsysteem.
- Het voertuig heeft een hoge kilometerstand en de originele koelonderdelen zijn nog aanwezig.
Door de pomp preventief te vervangen, blijft de verwarming betrouwbaar en worden andere onderdelen van het koelsysteem minder belast.
Bij Design911 leveren we hoogwaardige hulpkoelvloeistofpompen die zijn ontworpen om te voldoen aan OEM-specificaties. Deze pomp is ontworpen voor duurzaamheid en betrouwbare prestaties en herstelt de juiste koelvloeistofcirculatie en verwarmingsefficiëntie.
Het onderhouden van het koel- en verwarmingssysteem van uw Cayenne is essentieel voor zowel comfort als de betrouwbaarheid van de motor op de lange termijn.
Belangrijkste voordelen in één oogopslag
- Directe vervanging van de hulpkoelvloeistofpomp
- Herstelt de efficiëntie van de cabineverwarming.
- Zorgt voor een goede circulatie van de koelvloeistof.
- Vermindert het risico op oververhitting of storingen van de verwarming.
- Geschikt voor Porsche 955, 957 en 958 Cayenne.
- Ideaal voor reparatie of preventief onderhoud van koelsystemen.
Gerelateerde referentienummers
Gerelateerde, vervangen, kruisverwijzingen of alternatieve nummers ter vergelijking.
95857215010
Het product dat u bekijkt, verwijst naar deze nummers
- Porsche 958 Cayenne V6 3.6L Petrol (300Hp) 2010-17
- Porsche 958 Cayenne V6 3.0L Diesel (245Hp) 2010-17
- Porsche 958 Cayenne S V6 3.0L Hybrid (380Hp) 2010-17
- Porsche 958 Cayenne S V8 4.8L Petrol (400Hp) 2010-17
- Porsche 958 Cayenne S V8 4.2L Diesel (382Hp) 2010-17
- Porsche 958 Cayenne GTS V8 4.8L Petrol (400Hp) 2010-17
- Porsche 958 Cayenne Turbo V8 4.8L Petrol (500Hp) 2010-17
- Porsche 958 Cayenne Turbo S V8 4.8L Petrol (550Hp) 2010-17
- Porsche 95B.1 Macan Petrol 2.0L (237Bhp) 2014-18
- Porsche 95B.1 Macan GTS Petrol 3.0L V6 (360Bhp) 2014-18
- Porsche 95B.1 Macan Turbo 3.6L V6 (400Bhp) 2014-18

Past bij:
Alleen Porsche 95B Macan LHD-auto's (niet voor dieselmotoren)
Porsche 958 Cayenne (niet voor 3.0L benzinemotoren op de Chinese markt)
Klik op 'Inzoomen' voor een groot onderdelendiagram.
Gerelateerde referentienummers
Gerelateerde, vervangen, kruisverwijzingen of alternatieve nummers ter vergelijking.
95857281000
Het product dat u bekijkt, verwijst naar deze nummers
- Porsche 958 Cayenne V6 3.6L Petrol (300Hp) 2010-17
- Porsche 958 Cayenne V6 3.0L Diesel (245Hp) 2010-17
- Porsche 958 Cayenne S V6 3.0L Hybrid (380Hp) 2010-17
- Porsche 958 Cayenne S V8 4.8L Petrol (400Hp) 2010-17
- Porsche 958 Cayenne S V8 4.2L Diesel (382Hp) 2010-17
- Porsche 958 Cayenne GTS V8 4.8L Petrol (400Hp) 2010-17
- Porsche 958 Cayenne Turbo V8 4.8L Petrol (500Hp) 2010-17
- Porsche 958 Cayenne Turbo S V8 4.8L Petrol (550Hp) 2010-17
- Porsche 95B.1 Macan Petrol 2.0L (237Bhp) 2014-18
- Porsche 95B.1 Macan GTS Petrol 3.0L V6 (360Bhp) 2014-18
- Porsche 95B.1 Macan Turbo 3.6L V6 (400Bhp) 2014-18

Past bij:
Alleen Porsche 95B Macan LHD-auto's (niet voor dieselmotoren)
Porsche 958 Cayenne (niet voor 3.0L benzinemotoren op de Chinese markt)
Klik op 'Inzoomen' voor een groot onderdelendiagram.
Gerelateerde referentienummers
Gerelateerde, vervangen, kruisverwijzingen of alternatieve nummers ter vergelijking.
95857281000
Het product dat u bekijkt, verwijst naar deze nummers
- Porsche 958 Cayenne V6 3.6L Petrol (300Hp) 2010-17
- Porsche 958 Cayenne V6 3.0L Diesel (245Hp) 2010-17
- Porsche 958 Cayenne S V6 3.0L Hybrid (380Hp) 2010-17
- Porsche 958 Cayenne S V8 4.8L Petrol (400Hp) 2010-17
- Porsche 958 Cayenne S V8 4.2L Diesel (382Hp) 2010-17
- Porsche 958 Cayenne GTS V8 4.8L Petrol (400Hp) 2010-17
- Porsche 958 Cayenne Turbo V8 4.8L Petrol (500Hp) 2010-17
- Porsche 958 Cayenne Turbo S V8 4.8L Petrol (550Hp) 2010-17
Past op:
Modellen met 4-zone airconditioningsysteem (PR 9AH)
Porsche 958 Cayenne 2011-18
Schema referentie 4.
Gerelateerde referentienummers
Gerelateerde, vervangen, kruisverwijzingen of alternatieve nummers ter vergelijking.
95857202204
Het product dat u bekijkt, verwijst naar deze nummers
-
Verwarming / Pomp / Inlaatspruitstuk (PR:-D11) Cayenne 92A (958) 2011-18 813-005
-
Slang / Wielkast / met: Extra airconditioning en Standkachel / Aanvoerleiding / Retourleiding (PR:9AD,9M1, 9M5,9M9) Cayenne 92A (958) 2011-18 813-020
-
Slang / Wielkast / met: Extra airconditioning en Standkachel / Aanvoerleiding / Retourleiding (PR:9AH,9M1, 9M5,9M9) Cayenne 92A (958) 2011-18 813-023
-
Airco / Losse onderdelen - VOOR - Cayenne 92A (958) 2011-18 813-040
-
Airco / Losse onderdelen (PR:9AH) - ACHTER - Cayenne 92A (958) 2011-18 813-050
Porsche kachelventilatoren | Betrouwbare cabineverwarming en luchtstroomprestaties
Kachelventilatoren zijn de drijvende kracht achter het interieurverwarmingssysteem van uw Porsche. Ze circuleren warme lucht door de ventilatieopeningen in het interieur, waardoor de warmte gelijkmatig wordt verdeeld en de auto snel ontdooid en ontwasemd wordt bij kouder weer. Een goed functionerende kachelventilator garandeert consistent comfort en zicht in de cabine, ongeacht het seizoen.
Bij Design911 leveren we hoogwaardige kachelventilatoren die zijn ontworpen om te voldoen aan of zelfs te overtreffen. Onze ventilatoren zijn gebouwd met robuuste motoren, gebalanceerde waaiers en hittebestendige materialen en garanderen een soepele werking, een laag geluidsniveau en langdurige betrouwbaarheid voor alle Porsche-modellen.
Of u nu een luchtgekoelde 911 restaureert of een moderne Porsche met geavanceerde HVAC-systemen onderhoudt, onze kachelventilatoren leveren betrouwbare luchtstroom en efficiënte verwarming voor optimaal comfort en veiligheid.
Wat doen kachelventilatoren?
De kachelventilator is een belangrijk onderdeel van het verwarmings- en ventilatiesysteem van uw Porsche en zorgt voor een constante stroom warme lucht in de cabine.
Kernfuncties:
- Laat warme lucht door de verwarmingskern circuleren en in de cabine komen.
- Ontdooit en ontwasemt ramen voor veilig zicht tijdens het rijden.
- Verdeelt de luchtstroom gelijkmatig via meerdere ventilatieopeningen.
- Werkt samen met het klimaatregelsysteem voor nauwkeurige temperatuurbepaling.
- Verbetert het comfort in de cabine bij koud weer of vochtige omstandigheden.
Zonder een goed werkende kachelventilator is de luchtcirculatie beperkt, wat leidt tot slechte verwarmingsprestaties, beslagen ramen en een verminderde efficiëntie van de klimaatregeling.
Waarom gaan kachelventilatoren kapot of verslechteren ze?
Kachelventilatoren worden in de loop van de tijd blootgesteld aan voortdurend gebruik, hitte en vuil, wat elektrische of mechanische slijtage kan veroorzaken.
Veelvoorkomende oorzaken van storingen zijn:
- Versleten of doorgebrande blaasmotor.
- Ophoping van vuil of stof in de ventilatorwaaier.
- Corrosie of kortsluiting van de elektrische verbinding.
- Vastgelopen lagers veroorzaken lawaai of trillingen.
- Defecte weerstanden of snelheidsregelmodules.
Wanneer er een storing optreedt, merkt u mogelijk een zwakke luchtstroom, onregelmatige verwarming, vreemde geluiden of zelfs helemaal geen ventilatie.
Waarom moet u de kachelventilator van uw Porsche vervangen?
Het vervangen van een versleten of defecte ventilatormotor herstelt de volledige luchtstroom, verwarmingsefficiëntie en betrouwbare ontdooiing van ramen. Geüpgradede ventilatoren zorgen voor een soepelere werking en een verbeterde energie-efficiëntie.
Belangrijkste voordelen:
- Herstelt de juiste verwarming en ventilatie in de cabine.
- Zorgt voor snelle ontwaseming en ontdooiing van de ramen.
- Vermindert geluid en trillingen veroorzaakt door versleten onderdelen.
- Verbetert de algehele prestaties van het klimaatregelsysteem.
- Ontworpen voor Porsche 911, Cayman, Boxster, Panamera, Macan, Cayenne en klassieke modellen.
- Ideaal voor regulier onderhoud, HVAC-reparaties of volledige restauraties.
Door de ventilator van de verwarming te vervangen bij de eerste tekenen van een storing, voorkomt u secundaire elektrische belasting en verlengt u de levensduur van uw verwarmingssysteem.
Hoogtepunten
- Nauwkeurig ontworpen Porsche-kachelventilatoren voor betrouwbare luchtstroom.
- Stille, efficiënte en duurzame motorconstructie.
- Direct passende vervangingen voor alle Porsche verwarmingssystemen.
- Geschikt voor zowel handmatige als automatische klimaatsystemen.
- Verbetert het comfort in de cabine, de ontdooisnelheid en de veiligheid.
- Ideaal voor onderhoud, prestatieverbeteringen en restauraties.