Voer hier uw btw-nummer in en klik op Verifiëren:
U hoeft het landcode-deel van uw btw-nummer niet in te voeren, omdat dit al is geselecteerd in uw factuuradres hierboven.
Uw gegevens zijn geverifieerd. Btw-nummer geregistreerd bij:
,
.
Uw bestelling wordt nu voor BTW-doeleinden op een nultarief gezet. Wij behouden ons het recht voor deze gegevens na uw bestelaanvraag te controleren en indien nodig opnieuw btw aan te rekenen.
Uw btw-gegevens werden niet herkend of waren ongeldig. Uw btw-nummer moet overeenkomen met het land van facturering zoals hierboven aangegeven. Dit wordt momenteel gespecificeerd als . U hoeft het landcode-deel van uw btw-nummer niet in te voeren, omdat dit al is geselecteerd in uw factuuradres hierboven.
De dienst voor het controleren van btw-nummers is momenteel offline. Geef uw btw-gegevens op in het veld opmerkingen of speciale instructies hieronder en wij passen een btw-korting toe na het plaatsen van uw bestelaanvraag.
Motorblok slangen
- Porsche 957 Cayenne 3.0L Diesel 2007-10
De koelvloeistofslang is een origineel Porsche-onderdeel van het koelsysteem, ontworpen om een betrouwbare koelvloeistofstroom tussen belangrijke motor- en radiatoronderdelen te garanderen. Deze slang is gebouwd om hoge temperaturen, drukschommelingen en constante temperatuurwisselingen te weerstaan en speelt een cruciale rol bij het handhaven van stabiele bedrijfstemperaturen van de motor.
Geschikt voor:
- Porsche 957 Cayenne 3.0L Diesel 2007-10
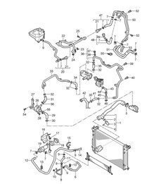
Diagramreferentienummer 34
Wat dit product doet:
- Het transporteren van koelvloeistof door het koelcircuit van de motor.
- Het handhaven van een constante koelvloeistofcirculatie
- Ondersteuning van de juiste koelsysteemdruk
- Helpt bij het reguleren van de bedrijfstemperatuur van de motor.
- Voorkomt oververhitting tijdens dagelijks gebruik en bij zware belasting.
Symptomen van slijtage of defecten:
- Koelvloeistoflekkages of zichtbare vloeistof onder het voertuig
- Gebarsten, broze, opgezwollen of zachte slangmaterialen
- Er komt een koelvloeistofgeur uit de motorruimte.
- Waarschuwingslampje voor laag koelvloeistofniveau
- Motor raakt oververhit of de temperatuurmeter geeft een schommelend beeld weer.
- Stoom uit het motorcompartiment
- Koelvloeistofresten rond slangverbindingen
Waarom vervanging belangrijk is:
- Voorkom plotseling koelvloeistofverlies en storingen.
- Zorg voor een goede koelvloeistofcirculatie en een constante systeemdruk.
- Bescherm de motor tegen schade door oververhitting.
- Herstel de betrouwbaarheid van het koelsysteem
- Voorkom dure reparaties als gevolg van oververhitting.
Gerelateerde referentienummers
Gerelateerde, vervangen, kruisverwijzingen of alternatieve nummers ter vergelijking.
95510606120
Het product dat u bekijkt, verwijst naar deze nummers
- Porsche 957 Cayenne 3.0L Diesel 2007-10
De koelvloeistofslang is een origineel onderdeel van het koelsysteem, ontworpen om een betrouwbare koelvloeistofstroom tussen belangrijke motor- en radiatoronderdelen te garanderen. Deze slang is gebouwd om hoge temperaturen, drukschommelingen en constante temperatuurwisselingen te weerstaan en speelt een cruciale rol bij het handhaven van stabiele bedrijfstemperaturen van de motor.
Geschikt voor:
- Porsche 957 Cayenne 3.0L Diesel 2007-10
Diagramreferentienummer 34
Wat dit product doet:
- Het transporteren van koelvloeistof door het koelcircuit van de motor.
- Het handhaven van een constante koelvloeistofcirculatie
- Ondersteuning van de juiste koelsysteemdruk
- Helpt bij het reguleren van de bedrijfstemperatuur van de motor.
- Voorkomt oververhitting tijdens dagelijks gebruik en bij zware belasting.
Symptomen van slijtage of defecten:
- Koelvloeistoflekkages of zichtbare vloeistof onder het voertuig
- Gebarsten, broze, opgezwollen of zachte slangmaterialen
- Er komt een koelvloeistofgeur uit de motorruimte.
- Waarschuwingslampje voor laag koelvloeistofniveau
- Motor raakt oververhit of de temperatuurmeter geeft een schommelend beeld weer.
- Stoom uit het motorcompartiment
- Koelvloeistofresten rond slangverbindingen
Waarom vervanging belangrijk is:
- Voorkom plotseling koelvloeistofverlies en storingen.
- Zorg voor een goede koelvloeistofcirculatie en een constante systeemdruk.
- Bescherm de motor tegen schade door oververhitting.
- Herstel de betrouwbaarheid van het koelsysteem
- Voorkom dure reparaties als gevolg van oververhitting.
Gerelateerde referentienummers
Gerelateerde, vervangen, kruisverwijzingen of alternatieve nummers ter vergelijking.
95510606120
Het product dat u bekijkt, verwijst naar deze nummers
- Porsche 957 Cayenne 3.0L Diesel 2007-10
- Porsche 958 Cayenne V6 3.0L Diesel (245Hp) 2010-17

Past op:
Porsche 957 Cayenne 3.0L Diesel 2007-10
Porsche 958 Cayenne 3.0L Diesel >>2011
Klik op 'Inzoomen' voor een diagram met grotere onderdelen.
Diagram ref nr. 29
Gerelateerde referentienummers
Gerelateerde, vervangen, kruisverwijzingen of alternatieve nummers ter vergelijking.
95510630200
Het product dat u bekijkt, verwijst naar deze nummers
- Porsche 957 Cayenne 3.0L Diesel 2007-10
- Porsche 958 Cayenne V6 3.0L Diesel (245Hp) 2010-17

Past op:
Porsche 957 Cayenne 3.0L Diesel 2007-10
Porsche 958 Cayenne 3.0L Diesel >>2017
Klik op 'Inzoomen' voor een diagram met grotere onderdelen.
Diagram ref nr. 15
Gerelateerde referentienummers
Gerelateerde, vervangen, kruisverwijzingen of alternatieve nummers ter vergelijking.
95510637300
Het product dat u bekijkt, verwijst naar deze nummers
- Porsche 957 Cayenne 3.0L Diesel 2007-10
- Porsche 958 Cayenne V6 3.0L Diesel (245Hp) 2010-17

Past op:
Porsche 957 Cayenne 3.0L Diesel 2007-10
Porsche 958 Cayenne 3.0L Diesel >>2017
Klik op 'Inzoomen' voor een diagram met grotere onderdelen.
Diagram ref nr. 47
Gerelateerde referentienummers
Gerelateerde, vervangen, kruisverwijzingen of alternatieve nummers ter vergelijking.
95510657300
Het product dat u bekijkt, verwijst naar deze nummers
- Porsche 957 Cayenne 3.0L Diesel 2007-10
- Porsche 958 Cayenne V6 3.0L Diesel (245Hp) 2010-17

Past op:
Porsche Cayenne 957 3.0L Diesel 2007-10
Porsche Cayenne 958 3.0L Diesel >>2011
Klik op 'Inzoomen' voor een diagram met grotere onderdelen.
Diagram ref nr. 48
Gerelateerde referentienummers
Gerelateerde, vervangen, kruisverwijzingen of alternatieve nummers ter vergelijking.
95510657400
Het product dat u bekijkt, verwijst naar deze nummers
- Porsche 957 Cayenne 3.0L Diesel 2007-10
- Porsche 958 Cayenne V6 3.0L Diesel (245Hp) 2010-17

Past op:
Porsche 957 Cayenne 3.0L Diesel 2007-10
Porsche 958 Cayenne 3.0L Diesel >>2011
Klik op 'Inzoomen' voor een diagram met grotere onderdelen.
Diagram ref nr. 17
Gerelateerde referentienummers
Gerelateerde, vervangen, kruisverwijzingen of alternatieve nummers ter vergelijking.
95510606300
Het product dat u bekijkt, verwijst naar deze nummers
- Porsche 957 Cayenne 3.0L Diesel 2007-10
- Porsche 958 Cayenne V6 3.0L Diesel (245Hp) 2010-17

Past op:
Porsche 957 Cayenne 3.0L 2007-10
Porsche 958 Cayenne 3.0L >>2011
Klik op 'Inzoomen' voor een diagram met grotere onderdelen.
Diagram ref nr. 11
Gerelateerde referentienummers
Gerelateerde, vervangen, kruisverwijzingen of alternatieve nummers ter vergelijking.
95510607100
Het product dat u bekijkt, verwijst naar deze nummers
Koelvloeistofslangen voor motorblok – Porsche-modellen met voorin geplaatste motor | Betrouwbare koeling voor topprestaties
Koelvloeistofslangen in het motorblok zijn essentieel voor het handhaven van stabiele motortemperaturen en het voorkomen van oververhitting in het koelsysteem van de voorste motor van uw Porsche. Deze slangen laten koelvloeistof circuleren tussen het motorblok, de radiator en de kachelradiator, wat zorgt voor een consistente temperatuurregeling en efficiënte warmteafvoer — essentieel voor prestaties, betrouwbaarheid en een lange levensduur.
Bij Design911 leveren we een complete selectie originele en hoogwaardige koelvloeistofslangen voor motorblokken voor Porsche-modellen met voorin geplaatste motor, waaronder de transaxle-modellen, de Cayenne, Panamera en Macan. Elke slang is nauwkeurig ontworpen voor een perfecte pasvorm en superieure hittebestendigheid, en biedt dezelfde duurzaamheid, flexibiliteit en prestaties als standaardcomponenten.
Wat doen koelvloeistofslangen in het motorblok?
Koelvloeistofslangen in het motorblok zijn verantwoordelijk voor het transport van koelvloeistof door het koelcircuit van de motor. Hun belangrijkste functies zijn:
- Koelvloeistof transporteren tussen de radiator, waterpomp en motorblok.
- Regelt de motortemperatuur voor efficiënte prestaties.
- Handhaven van de systeemdruk in het koelsysteem.
- Voorkom hitteopbouw die kan leiden tot oververhitting of een defecte pakking.
Goed functionerende koelvloeistofslangen zijn essentieel om ervoor te zorgen dat de voorin geplaatste motor van uw Porsche optimaal werkt qua temperatuur, vooral tijdens zwaar gebruik of lange ritten.
Waarom gaan koelvloeistofslangen van het motorblok kapot?
Door constante blootstelling aan hitte, druk en koelmiddelchemicaliën degraderen deze slangen na verloop van tijd. Veelvoorkomende oorzaken van storingen zijn:
- Hitteschade door langdurige blootstelling aan hoge motortemperaturen.
- Degradatie of scheuren van rubber door veroudering en corrosie van koelvloeistof.
- Lekkages bij verbindingen of klemmen door drukschommelingen.
- Zwelling of zachte plekken door interne chemische afbraak.
- Mechanische slijtage door contact met nabijgelegen componenten.
Symptomen van defecte slangen zijn onder meer zichtbare koelvloeistoflekken, oververhitting, een laag koelvloeistofpeil of een sterke koelvloeistofgeur vanuit de motorruimte.
Waarom moeten defecte koelvloeistofslangen van het motorblok worden vervangen?
Een lekkende of verzwakte slang kan ernstige storingen in het koelsysteem veroorzaken, waaronder oververhitting en motorschade. Het vervangen van oude of broze slangen zorgt voor een betrouwbare koelvloeistofcirculatie en beschermt de motorprestaties van uw Porsche.
Voordelen van vervanging zijn onder meer:
- Herstelde koelcapaciteit en drukregeling.
- Voorkomen van lekkages en oververhitting.
- Verbeterde betrouwbaarheid en veiligheid van het systeem op de lange termijn.
- Materialen van fabriekskwaliteit voor een perfecte pasvorm en hittebestendigheid.
Alle vervangingsslangen in dit assortiment zijn gemaakt van versterkte, hoogwaardige rubbercomponenten die aan de fabrieksnormen voldoen of deze zelfs overtreffen. Hierdoor zijn ze onder alle rijomstandigheden duurzaam en betrouwbaar.