druk niet op de terugknop…
-
Motoronderdelen
-
- Onderdelen voor motorrevisie Onderdelen oliesysteem Onderdelen brandstofsysteem Pakkingen en sets Radiale afdichting / RMS / nokkenas / balansas Riemen / spanners / rollen Kettingen en spanners Motorlagers / schalen Motorkleppen / geleiders / veren Tuimelaars Motorsteunen Motorsteunen Motorcilinders / bussen / zuigers Verbindingsstang Cilinderkop Nokkenas en onderdelen Nokkenastandwielen/tandwielen en bevestigingen Carteronderdelen Krukas en onderdelen Turboladers / intercoolers en onderdelen Luchtinlaat en injectie Speciaalgereedschap
-
Remmen
-
- Remmen Remblokken en -schijven SPORT Remblokken & schijfpakket Remschijf standaard Remblokken standaard SPORT-remschijf Brembo standaardremmen Brembo Racing-remmen TEXTAR-remmen PAGID raceremmen Manthey Racing Remblokken Zimmermann-remmen Giro gegroefde remschijf SHW Performance Remmen EBC-remmen Vervanging voor keramische schijf Slijtagesensoren remblokken Remblok Anti-vibratie vulplaatjes Remklauwbouten / schijfschroeven Pinkit en geleideplaten Performance remslangen Standaard remslangen Remklauw en remleidingen Alle categorieën
-
-
Ophanging en besturing
-
- Stuuronderdelen Stuurhuizen Stuurmanchet Spoorstangen
-
-
Overdragen
-
- Versnellingsbak / transmissie Koppelingssets Koppelingssets - hoge prestaties Koppelingsplaat Koppeling drukplaat Koppeling ontkoppelingslagers Koppelingskabels & onderdelen Versnellingsbakonderdelen Aandrijfassen & onderdelen Versnellingsbakpakkingsets Versnellingsbaksteunen Versnellingspookbedieningsonderdelen Vliegwiel / koppel CV koppelingensets CV-manchetten en -kits Cardanas / schroefas Transmissieonderdelen Versnellingsbakolie Versnellingsbakcarter / oliecarter Differentieel Oliekoelers
-
- Koelen & Verwarmen
-
Elektriciteit & Verlichting
-
- Elektrisch en relais Handremschakelaar Elektrische claxon SmartTop-besturingseenheden Ontstekingsschakelaar Indicator / ruitenwisserschakelaar Relais / zekeringen Sproeierpompen / -tanks / -jets Alarmen / beveiliging / centrale vergrendeling Elektronische regeleenheden (ECU) Dashboard- / consoleonderdelen en schakelaars Deurspiegelschakelaar Telefoonkits / Bluetooth / Ipod Airbags en onderdelen Tracker Cruise control Connectorbehuizing Kabelboom
-
- Verlichting Koplampen rechtsgestuurd Koplampen linksgestuurd Koplamponderdelen en -lens HID-lichtsets Richtingsaanwijzers voorzijde Mist- en dagrijlampen Extra zijrichtingaanwijzers Derde remlichten Kentekenplaatverlichtingen Middenlampen / reflectoren achter Interieur- / compartimentlampen Alle categorieën
-
-
Carrosserie & Uitlaat
-
- Chassis / carrosserie Restauratie chassis / reparatiepanelen Motorkappen / -sloten en -grendels Kofferbakken / achterkleppen / -sloten en -grendels Voorbumpers Achterbumpers Deuren / sloten & vergrendelingen Deurpanelen | Scharnieren | Slagplaten Wing voor en onderdelen Wing achter & onderdelen Exterieur chassissierlijsten Spiegels en onderdelen Steenslagfolies / -stickers Onderplaten chassis & motor Wisserbladen / =armen Wielkastbekledingen en -afdekkingen Dak - Cabrio / Targa / Coupé Kunststof hoezen Geluidsisolatie Voorraam Achterraam Voor zijkant glas Achter zijkant glas Alle categorieën
-
-
Smeermiddelen en vloeistoffen
-
- Serviceonderdelen Servicesets OEM-onderdelen Oliefilters Luchtfilters Pollen- / deeltjesfilters Riemen alle soorten Bougies Bobines Wisserbladen / -armen Achterruitenwisserarmen en -bladen Versnellingsbak serviceonderdelen Motorolie en smeermiddelen - Mobil Motorolie en smeermiddelen - Total Motorolie en smeermiddelen - Castrol Motorolie en smeermiddelen - Motul Motorolie en smeermiddelen - Millers Oils NanoDrive Motorolie en smeermiddelen - Millers Oils Brandstofadditieven Garage PBM
-
-
Alle onderdelen
-
- Onderdelen Accessoires Chassis / carrosserie Remmen Kleding en geschenken Elektrisch en relais Motorkoeling Motorelektrisch Onderdelen voor motorrevisie Performance-onderdelen Uitlaten Exterieurstyling / spoilers Versnellingsbak / transmissie Verwarming / airconditioning Hydraulica Interieur en accessoires Incar / multimedia Verlichting Matten en tapijten Motorsport en Off-Road Pedaalcluster Rubberen afdichtingen Stoelen en veiligheidsgordels Alle categorieën
-
- Back to main website
Voer hier uw btw-nummer in en klik op Verifiëren:
U hoeft het landcode-deel van uw btw-nummer niet in te voeren, omdat dit al is geselecteerd in uw factuuradres hierboven.
Uw gegevens zijn geverifieerd. Btw-nummer geregistreerd bij:
,
.
Uw bestelling wordt nu voor BTW-doeleinden op een nultarief gezet. Wij behouden ons het recht voor deze gegevens na uw bestelaanvraag te controleren en indien nodig opnieuw btw aan te rekenen.
Uw btw-gegevens werden niet herkend of waren ongeldig. Uw btw-nummer moet overeenkomen met het land van facturering zoals hierboven aangegeven. Dit wordt momenteel gespecificeerd als . U hoeft het landcode-deel van uw btw-nummer niet in te voeren, omdat dit al is geselecteerd in uw factuuradres hierboven.
De dienst voor het controleren van btw-nummers is momenteel offline. Geef uw btw-gegevens op in het veld opmerkingen of speciale instructies hieronder en wij passen een btw-korting toe na het plaatsen van uw bestelaanvraag.
Radiator waterkoelingsset. Porsche 996 / 986 Boxster ❭ RADKIT99602
- Porsche Boxster 986 2.5L 1997-99
- Porsche Boxster 986 2.7L 1999-02
- Porsche Boxster 986 2.7L 2003-04
- Porsche 996 C2 3.4L 1997-08/01
- Porsche 996 C4 3.4L 1997-08/01
- Porsche 996 C2 3.6L 09/01-2005
- Porsche 996 C4 3.6L 09/01-2005
- Porsche 996 C4S 3.6L 09/01-2005
Lagere bedrijfswatertemperatuur tot 60° F
Past bij:
Porsche 996 3.4L C2/C4/C4S vanaf 2002 facelift
Alleen handgeschakelde auto's.
Porsche 996 3.6L C2/C4/C4S vanaf 2002 facelift
Alleen handgeschakelde auto's.
Porsche Boxster 2.5L / 2.7L
Alleen handgeschakelde auto's.
Gerelateerde referentienummers
Gerelateerde, vervangen, kruisverwijzingen of alternatieve nummers ter vergelijking.
RADKIT99602
Het product dat u bekijkt, verwijst naar deze nummers
Deze kit bestaat uit de volgende items:
- Porsche Boxster 718 2.0L Manual (300 Bhp)
- Porsche Boxster 718 2.0L PDK (300 Bhp)
- Porsche Boxster S 718 2.5L Manual (350 Bhp)
- Porsche Boxster S 718 2.5L PDK (350 Bhp)
- Porsche Boxster T 718 2.0L Manual (300 Bhp)
- Porsche Boxster T 718 2.0L PDK (300 Bhp)
- Porsche Boxster GTS 718 2.5L Manual (365 Bhp)
- Porsche Boxster GTS 718 2.5L PDK (365 Bhp)
- Porsche Boxster GTS 718 4.0L Manual (400 Bhp)
- Porsche Boxster GTS 718 4.0L PDK (400 Bhp)
- Porsche Boxster Spyder 718 4.0L (420 Bhp)
- Porsche Boxster 25 Years 718 4.0L Manual (400 Bhp)
- Porsche Boxster 25 Years 718 4.0L PDK (400 Bhp)
- Porsche 991.2 Carrera 2 3.0L (370 Bhp) 2016-19
- Porsche 991.2 Carrera 2S / GTS 3.0L (420/450 Bhp) 2016-19
- Porsche 991.2 Carrera 4 3.0L (370 Bhp) 2016-19
- Porsche 991.2 Carrera 4S / GTS 3.0L (420/450 Bhp) 2016-19
- Porsche 991.2 Cabriolet 2 3.0L (370 Bhp) 2016-19
- Porsche 991.2 Cabriolet 2S / GTS 3.0L (420/450 Bhp) 2016-19
- Porsche 991.2 Cabriolet 4 3.0L (370 Bhp) 2016-19
- Porsche 991.2 Cabriolet 4S / GTS 3.0L (420/450 Bhp) 2016-19
- Porsche 991.2 Targa 4 3.0L (370 Bhp) 2016-19
- Porsche 991.2 Targa 4S / GTS 3.0L (420/450 Bhp) 2016-19
- Porsche 991.2 Speedster 4.0L (510Bhp) 2019
- Porsche 991.2 GT3 4.0L (500 Bhp) / GT3 RS 4.0L (520 Bhp) 2017-19
- Porsche 991.2 GT2 RS 3.8L PDK (700 bhp) 2018-19
- Porsche Cayman 718 2.0L Manual (300Bhp)
- Porsche Cayman 718 2.0L PDK (300Bhp)
- Porsche Cayman S 718 2.5L Manual (350Bhp)
- Porsche Cayman S 718 2.5L PDK (350Bhp)
- Porsche Cayman T 718 2.0L Manual (300Bhp)
- Porsche Cayman T 718 2.0L PDK (300 Bhp)
- Porsche Cayman GTS 718 2.5L Manual (365 Bhp)
- Porsche Cayman GTS 718 2.5L PDK (365 Bhp)
- Porsche Cayman GTS 718 4.0L Manual (400 Bhp)
- Porsche Cayman GTS 718 4.0L PDK (400 Bhp)
- Porsche Cayman GT4 718 4.0L / GT4 RS 718 4.0L

Past bij:
Porsche 991.2-2017>>
Porsche 991.2 GT2 RS-2017>>
Porsche 991.2 GT3 / GT3 RS / Speedst er - 2017>>
Porsche 982 (718) Boxster 2,0ltr / 2,5ltr - 2017>>
Porsche 982 (718) Boxster Spyder / GTS 4,0ltr - 2017>>
Porsche 982C (718) Cayman 2,0ltr / 2,5ltr - 2017>>
Porsche 982C (718) Cayman GT4 4,0ltr - 2019>>
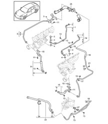
Klik op 'Inzoomen' voor een groot onderdelendiagram.
Diagramreferentienr. 1
Gerelateerde referentienummers
Gerelateerde, vervangen, kruisverwijzingen of alternatieve nummers ter vergelijking.
9P112125
Het product dat u bekijkt, verwijst naar deze nummers
- Porsche Boxster 718 2.0L Manual (300 Bhp)
- Porsche Boxster 718 2.0L PDK (300 Bhp)
- Porsche Boxster S 718 2.5L Manual (350 Bhp)
- Porsche Boxster S 718 2.5L PDK (350 Bhp)
- Porsche Boxster T 718 2.0L Manual (300 Bhp)
- Porsche Boxster T 718 2.0L PDK (300 Bhp)
- Porsche Boxster GTS 718 2.5L Manual (365 Bhp)
- Porsche Boxster GTS 718 2.5L PDK (365 Bhp)
- Porsche Boxster GTS 718 4.0L Manual (400 Bhp)
- Porsche Boxster GTS 718 4.0L PDK (400 Bhp)
- Porsche Boxster Spyder 718 4.0L (420 Bhp)
- Porsche Boxster 25 Years 718 4.0L Manual (400 Bhp)
- Porsche Boxster 25 Years 718 4.0L PDK (400 Bhp)
- Porsche 991.1 R 4.0L (500 Bhp) 2016
- Porsche 991.2 Carrera 2 3.0L (370 Bhp) 2016-19
- Porsche 991.2 Carrera 2S / GTS 3.0L (420/450 Bhp) 2016-19
- Porsche 991.2 Carrera 4 3.0L (370 Bhp) 2016-19
- Porsche 991.2 Carrera 4S / GTS 3.0L (420/450 Bhp) 2016-19
- Porsche 991.2 Cabriolet 2 3.0L (370 Bhp) 2016-19
- Porsche 991.2 Cabriolet 2S / GTS 3.0L (420/450 Bhp) 2016-19
- Porsche 991.2 Cabriolet 4 3.0L (370 Bhp) 2016-19
- Porsche 991.2 Cabriolet 4S / GTS 3.0L (420/450 Bhp) 2016-19
- Porsche 991.2 Targa 4 3.0L (370 Bhp) 2016-19
- Porsche 991.2 Targa 4S / GTS 3.0L (420/450 Bhp) 2016-19
- Porsche 991.2 Speedster 4.0L (510Bhp) 2019
- Porsche 991.2 GT3 4.0L (500 Bhp) / GT3 RS 4.0L (520 Bhp) 2017-19
- Porsche 991.2 GT2 RS 3.8L PDK (700 bhp) 2018-19
- Porsche Cayman 718 2.0L Manual (300Bhp)
- Porsche Cayman 718 2.0L PDK (300Bhp)
- Porsche Cayman S 718 2.5L Manual (350Bhp)
- Porsche Cayman S 718 2.5L PDK (350Bhp)
- Porsche Cayman T 718 2.0L Manual (300Bhp)
- Porsche Cayman T 718 2.0L PDK (300 Bhp)
- Porsche Cayman GTS 718 2.5L Manual (365 Bhp)
- Porsche Cayman GTS 718 2.5L PDK (365 Bhp)
- Porsche Cayman GTS 718 4.0L Manual (400 Bhp)
- Porsche Cayman GTS 718 4.0L PDK (400 Bhp)
- Porsche Cayman GT4 718 4.0L / GT4 RS 718 4.0L
Race- en hoogwaardige radiatoren voor alle Porsche-modellen zorgen voor een geweldige prestatie-upgrade en zijn bovendien een ongelooflijk duurzame en betrouwbare OE-vervanging.
Past op:
Porsche 991.2 Carrera
Porsche 991 GT2/RS
Porsche 991.2 GT3/RS/R
Porsche 718 Boxster
Porsche 718 Cayman
Porsche 718 GT4
• OEM-nummer: Links: 9P1121251 / Rechts: 9P1121252
CSF streeft ernaar de meest geavanceerde, efficiënte en betrouwbare koelsystemen ter wereld te bouwen en te ontwikkelen. Volledig aluminium, 100% TIG-gelast, CNC-gefreesde beugels, montagepennen en "Quick-Connect" inlaat-/uitlaatleidingen.
• Kernfuncties Ultra-efficiënte 6,5 mm hoge vinnen met een ontwerp met meerdere lamellen voor maximaal contactoppervlak
• 100% volledig aluminium TIG-gelaste constructie
• CNC-gefreesde montagebeugels en OEM-stijl "Quick Connect" inlaat/uitlaat
• Afdichtingsschuim voor geoptimaliseerde luchtstroom in de kern en nauwkeurige pasvorm in OEM-radiatorpods
• Echte "Drop-in Fit" vereist geen aanpassingen voor installatie
• Individueel getest op lekkage en druk
• Hoogwaardige upgrade geschikt voor professionele racen, straatprestaties of OEM-vervanging
• 1 uur "Mirror Finish" handpolijsten
• 2 jaar beperkte garantie
Gerelateerde referentienummers
Gerelateerde, vervangen, kruisverwijzingen of alternatieve nummers ter vergelijking.
708
Het product dat u bekijkt, verwijst naar deze nummers
- Porsche Boxster Spyder 718 4.0L (420 Bhp)
- Porsche 991.1 R 4.0L (500 Bhp) 2016
- Porsche 991.2 GT3 4.0L (500 Bhp) / GT3 RS 4.0L (520 Bhp) 2017-19
- Porsche 991.2 GT2 RS 3.8L PDK (700 bhp) 2018-19
- Porsche Cayman GT4 718 4.0L / GT4 RS 718 4.0L
Race- en hoogwaardige radiatoren voor alle Porsche-modellen vormen een geweldige prestatie-upgrade en een ongelooflijk duurzame en betrouwbare OE-vervanging.

Racing & high performance radiatoren voor alle Porsche-modellen. CSF streeft ernaar de meest geavanceerde, efficiënte en betrouwbare koelsystemen ter wereld te bouwen en te ontwikkelen. Volledig aluminium 100% TIG-gelast, CNC-gefreesde beugels, montagepennen en "Quick-Connect" inlaat-/uitlaatbuizen, Drop-in-passing vereist geen aanpassingen, kern met 2 rijen met B-Tube-technologie (+20%), 1 uurwijzer gepolijst, getest en bewezen op circuits bij 110 ° F, ISO 9001-gecertificeerde productie van koelsystemen.
ENGINEERING
"B-Tube"-technologie - Meest efficiënte buis ter wereld
Hoog rendement lamellenvin
OE radiale en diepgetrokken aluminium eindtanks
Windtunnel getest voor optimale koelprestaties van de radiatorkern
Sterker verbindingsontwerp voor bevestigingen, ventilatorkappen en condensors
OE-specifieke montage
"Drop-in"-montage vereist geen aanpassingen
CNC-gefreesde beugels en fittingen
Volledig aluminium aftapplug in racestijl
VERVAARDIGING
Gesoldeerd in CAB-oven
ISO 9001/9002-certificering
Particuliere fabrieken met volledige "in-house" gereedschapskamers
TIG-lassen "Master Class".
TESTEN
Individueel getest op lekkage
Trilcyclus getest
Thermische cyclus getest
Barstdrukcyclus 10.000 keer getest op sterkte
Zoutnevel getest op corrosiebescherming
Kruisreferentienummers
Links: 9P1121251
Rechts: 9P1121252
Midden: 99110613801 / 99110613802 / 99110603890
Past bij:
Porsche 991.2 GT3
Porsche 991.2 GT2
Porsche 718 Cayman GT4
Porsche 718 BoxsterSpyder
Gerelateerde referentienummers
Gerelateerde, vervangen, kruisverwijzingen of alternatieve nummers ter vergelijking.
RADKIT99104
Het product dat u bekijkt, verwijst naar deze nummers
Deze kit bestaat uit de volgende items:
Maandag-vrijdag: 8.30 - 17.30 uur (GMT) Zaterdag: Gesloten Zondag: Gesloten