 
                         
            
            
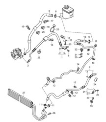
                    - Porsche 957 Cayenne 3.0L Diesel 2007-10
- Porsche 957 Cayenne 3.6L 2007-10
- Porsche 957 Cayenne S/GTS 4.8L 2007-10
- Porsche 957 Cayenne Turbo / Turbo S 4.8L 2007-10

Past bij:
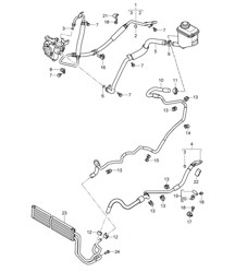
Voor rechtsgestuurde auto's
Porsche 957 Cayenne 3.6L 2007-10
Porsche 957 Cayenne 3.0L Diesel 2007-10
Porsche 957 Cayenne S 4.8L 2007-10
Porsche 957 Cayenne Turbo 4.8L V8 2007-10
Klik op 'Inzoomen' voor een groot onderdelenschema.
Schema ref. nr. 4
Gerelateerde referentienummers
Gerelateerde, vervangen, kruisverwijzingen of alternatieve nummers ter vergelijking.
95534745010
Het product dat u bekijkt, verwijst naar deze nummers
 Winkel veilig
                                Winkel veilig
                            
                             12 maanden garantie
                                12 maanden garantie
                            
                             Wereldwijde levering
                                Wereldwijde levering
                            
                     
