druk niet op de terugknop…
-
Motoronderdelen
-
- Motorkoeling Koelvloeistofslangen en -leidingen (auto's met motor achterin) Water-/koelvloeistofradiatoren Track- en raceradiatoren Water-/koelvloeistofpompen Koelmiddeltanks / expansievaten Thermostaat / temperatuursensor Olieradiatoren / warmtewisselaars Oliesysteem en -leidingen Motorolie Koelvloeistof / Antivries
-
- Onderdelen voor motorrevisie Tussenas (IMS) Onderdelen oliesysteem Onderdelen brandstofsysteem Pakkingen en sets Radiale afdichting / RMS / nokkenas / balansas Riemen / spanners / rollen Kettingen en spanners Distributiedeksels en pakkingen Motorlagers / schalen Motorkleppen / geleiders / veren Tuimelaars Motorsteunen Motorsteunen Zuigerveren Motorcilinders / bussen / zuigers Verbindingsstang Cilinderkop Nokkenas en onderdelen Nokkenassen Nokkenastandwielen/tandwielen en bevestigingen Carteronderdelen Krukas en onderdelen Alle categorieën
-
-
Remmen
-
- Remmen Remblokken en -schijven SPORT Remblokken & schijfpakket Remblokken Pakketten Remschijf standaard Remblokken standaard SPORT-remschijf Brembo standaardremmen Brembo Racing-remmen TEXTAR-remmen PAGID raceremmen Zimmermann-remmen Performance-wrijvingsremmen Giro gegroefde remschijf SHW Performance Remmen EBC-remmen Black Diamond Performance-remmen O-Brake remschijven Surface Transforms keramische remmen Rotinger grafietlijn Vervanging voor keramische schijf Slijtagesensoren remblokken Remblok Anti-vibratie vulplaatjes Alle categorieën
-
-
Ophanging en besturing
-
Overdragen
-
- Versnellingsbak / transmissie Koppelingssets Koppelingssets - hoge prestaties Koppelingsplaat Koppeling drukplaat Koppeling ontkoppelingslagers Koppelingsgeleidebuis Koppelingsringversnelling Koppelingsvorken en -hendels Koppelingsbouten Versnellingsbakonderdelen Aandrijfassen & onderdelen Versnellingsbakpakkingsets Versnellingsbaksteunen Versnellingspookbedieningsonderdelen Vliegwiel / koppel CV koppelingensets CV-manchetten en -kits Cardanas / schroefas Transmissieonderdelen Versnellingsbakolie Versnellingsbakcarter / oliecarter Gebruikte transmissies / versnellingsbakken Alle categorieën
-
-
Koelen & Verwarmen
-
- Verwarming / airconditioning Airco condensors & exsiccatoren Airco verdampers & expansieventielen Airco-leidingen Airco-riemen Ventilatoren & kappen Relais / sensoren / weerstanden Compressoren Verwarmingskleppen Ventilatoren en -motoren Kachelventilatoren Verwarmingsslangen en -leidingen Warmtewisselaar Kachelkabels Ventilatieopeningen / -roosters Klimaatcontrole Temperatuursensoren / -schakelaars Verwarmings- / airconditioningsbehuizingen
-
-
Elektriciteit & Verlichting
-
- Elektrisch en relais Brandstofpompen Rem- en koppelingsschakelaar Handremschakelaar Achteruitrijlichtschakelaar Koplampschakelaar Raam schakelaar Raammotoren Raammechanisme Ruitenwissermotor Ruitenwissermechanisme Elektrische claxon SmartTop-besturingseenheden Ontstekingsschakelaar Indicator / ruitenwisserschakelaar Schakelaar dak / zonnedak Relais / zekeringen Sproeierpompen / -tanks / -jets Alarmen / beveiliging / centrale vergrendeling Elektronische regeleenheden (ECU) Ruitenwisserschakelaars Dashboard- / consoleonderdelen en schakelaars Deurspiegelschakelaar Alle categorieën
-
- Verlichting Koplampen rechtsgestuurd Koplampen linksgestuurd Koplamponderdelen en -lens HID-lichtsets Richtingsaanwijzers voorzijde Richtingaanwijzers achter rechtsgestuurd Richtingaanwijzers achter linksgestuurd Mist- en dagrijlampen Extra zijrichtingaanwijzers Derde remlichten Kentekenplaatverlichtingen Alle categorieën
-
-
Carrosserie & Uitlaat
-
- Chassis / carrosserie Restauratie chassis / reparatiepanelen Demperdeksel voor Demperdeksel achter Motorkappen / -sloten en -grendels Kofferbakken / achterkleppen / -sloten en -grendels Achterklep / Achterklep Voorbumpers Achterbumpers Deuren / sloten & vergrendelingen Deurpanelen | Scharnieren | Slagplaten Raamslingers Wing voor en onderdelen Wing achter & onderdelen Zijdorpelpanelen Exterieur chassissierlijsten Spiegels en onderdelen Steenslagfolies / -stickers Onderplaten chassis & motor Wisserbladen / =armen Achterruitenwisserarmen en -bladen Wielkastbekledingen en -afdekkingen Dak - Cabrio / Targa / Coupé Alle categorieën
-
-
Smeermiddelen en vloeistoffen
-
- Serviceonderdelen Servicesets OEM-onderdelen Oliefilters Luchtfilters Pollen- / deeltjesfilters Brandstoffilters Riemen alle soorten Bougies IRIDIUM POWER-bougies IRIDIUM RACING-bougies Bobines Wisserbladen / -armen Achterruitenwisserarmen en -bladen Versnellingsbak serviceonderdelen Porsche klassieke motorolie Motorolie en smeermiddelen - Mobil Motorolie en smeermiddelen - Total Motorolie en smeermiddelen - Castrol Motorolie en smeermiddelen - Motul Motorolie en smeermiddelen - Millers Oils NanoDrive Motorolie en smeermiddelen - Millers Oils Brandstofadditieven Koelvloeistof / Antivries Alle categorieën
-
-
Alle onderdelen
-
- Onderdelen Accessoires Chassis / carrosserie Remmen Kleding en geschenken Elektrisch en relais Motorkoeling Motorelektrisch Onderdelen voor motorrevisie Performance-onderdelen Uitlaten Exterieurstyling / spoilers Versnellingsbak / transmissie Verwarming / airconditioning Hydraulica Interieur en accessoires Incar / multimedia Verlichting Matten en tapijten Motorsport en Off-Road Pedaalcluster Rubberen afdichtingen Stoelen en veiligheidsgordels Alle categorieën
-
- Back to main website
Voer hier uw btw-nummer in en klik op Verifiëren:
U hoeft het landcode-deel van uw btw-nummer niet in te voeren, omdat dit al is geselecteerd in uw factuuradres hierboven.
Uw gegevens zijn geverifieerd. Btw-nummer geregistreerd bij:
,
.
Uw bestelling wordt nu voor BTW-doeleinden op een nultarief gezet. Wij behouden ons het recht voor deze gegevens na uw bestelaanvraag te controleren en indien nodig opnieuw btw aan te rekenen.
Uw btw-gegevens werden niet herkend of waren ongeldig. Uw btw-nummer moet overeenkomen met het land van facturering zoals hierboven aangegeven. Dit wordt momenteel gespecificeerd als . U hoeft het landcode-deel van uw btw-nummer niet in te voeren, omdat dit al is geselecteerd in uw factuuradres hierboven.
De dienst voor het controleren van btw-nummers is momenteel offline. Geef uw btw-gegevens op in het veld opmerkingen of speciale instructies hieronder en wij passen een btw-korting toe na het plaatsen van uw bestelaanvraag.
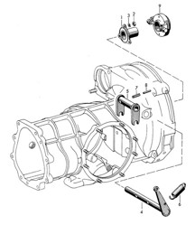
Koppeling druklager. Porsche 356B ❭ 74111608100
- Porsche 356B 1959-63

Past bij:
Porsche 356 1960-63
Klik op 'Inzoomen' voor een groot onderdelenschema.
Schema ref. nr. 9
Gerelateerde referentienummers
Gerelateerde, vervangen, kruisverwijzingen of alternatieve nummers ter vergelijking.
74111608100
Het product dat u bekijkt, verwijst naar deze nummers
- Porsche 911 1987-1989 3.2L G50
- Porsche 964 (911) C2 1989-93
- Porsche 964 (911) C4 1989-93
- Porsche 964 (911) TURBO 3.3L 1991-93
- Porsche 964 (911) TURBO 3.6L 1991-93
- Porsche 993 (911) C2 1994-97
- Porsche 993 (911) C4 1994-97
- Porsche 993 (911) RS 1994-97
- Porsche 993 (911) C2S 1994-97
- Porsche 993 (911) C4S 1994-97
- Porsche 993 (911) TURBO 1994-96
- Porsche 993 (911) GT2 1994-97
- Porsche 993 (911) TURBO S 1994-97
- Porsche 996 TURBO 2000-05
- Porsche 996 GT2 2001-05
- Porsche 996 GT3 MKI 1999-02
- Porsche 996 GT3 MKII 2003>>
- Porsche 997 MK1 TURBO 2007-09
- Porsche 997 MK1 GT3 2007-09
- Porsche 997 MK1 GT2 2007-09

Past bij:
Porsche 911 1986-89 G50 Koppeling
Porsche 964 C2/C4/Turbo 1989-94
Porsche 993 C2/C4/Turbo 1994-97
Porsche 996 GT3 1999-05
Porsche 996 GT2
Porsche 996 Turbo 2000-05
Porsche 997Turbo
Porsche 997 GT3
Porsche 997 GT3RS
Gerelateerde referentienummers
Gerelateerde, vervangen, kruisverwijzingen of alternatieve nummers ter vergelijking.
95011608009
Het product dat u bekijkt, verwijst naar deze nummers
- Porsche Boxster S 986 3.2L 1999-02
- Porsche Boxster S 986 3.2L 2003-04
- Porsche 996 C2 3.4L 1997-08/01
- Porsche 996 C4 3.4L 1997-08/01
- Porsche 996 C2 3.6L 09/01-2005
- Porsche 996 C4 3.6L 09/01-2005
- Porsche 996 C4S 3.6L 09/01-2005

Past bij:
Porsche 911 (996) 3.4L C2 / C4 (09/1997 - 09/2001)
Porsche 911 (996) 3.6L C2 / C4 (10/2001 - 08/2005)
Porsche 911 (996) 3.6L C4S (02/2003 - 08/2005)
Porsche 986 Boxster S (08/1999 - 07/2002)
Porsche 986 Boxster S 3.2L (07/2002 - 12/2004)
Gerelateerde referentienummers
Gerelateerde, vervangen, kruisverwijzingen of alternatieve nummers ter vergelijking.
99611608004
Het product dat u bekijkt, verwijst naar deze nummers
- Porsche 911 1987-1989 3.2L G50
- Porsche 964 (911) C2 1989-93
- Porsche 964 (911) C4 1989-93
- Porsche 964 (911) TURBO 3.3L 1991-93
- Porsche 964 (911) TURBO 3.6L 1991-93
- Porsche 993 (911) C2 1994-97
- Porsche 993 (911) C4 1994-97
- Porsche 993 (911) C2S 1994-97
- Porsche 993 (911) C4S 1994-97
- Porsche 993 (911) TURBO 1994-96
- Porsche 993 (911) GT2 1994-97
- Porsche 993 (911) TURBO S 1994-97
- Porsche 996 TURBO 2000-05
- Porsche 997 MK1 GT3 2007-09

Past bij:
Porsche 911 1986-89 (G50)
Porsche 964 1989-94 (niet RS)
Porsche 993 1994-98 (niet RS)
Porsche 996Turbo
Porsche 997 GT3 2005 >>
Porsche 997 GT3RS
Klik op 'Inzoomen' om het diagram te zien.
Diagram ref. nr. 4.
Gerelateerde referentienummers
Gerelateerde, vervangen, kruisverwijzingen of alternatieve nummers ter vergelijking.
95011608009
Het product dat u bekijkt, verwijst naar deze nummers
Maandag-vrijdag: 8.30 - 17.30 uur (GMT) Zaterdag: Gesloten Zondag: Gesloten