- Porsche 958 Cayenne Turbo V8 4.8L Petrol 500HP 2010-17
- Porsche 958 Cayenne Turbo S V8 4.8L Petrol 550HP 2010-17
Goedgekeurd door de Europese Commissie.
Buisdiameter: 2,76 inch (70,00 mm)
Past op:
Porsche Cayenne 958 Turbo 4.8L V8 (vóór facelift) 2010>>2014
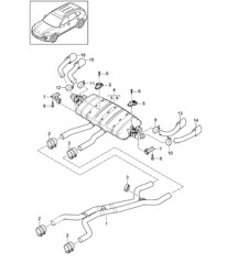
Onderdelenmontage:
MSPO224: Linker voordemper montage
MSPO225: RH Front Silencer Montage
MSPO226: LH middenaansluitbuis
MSPO227: RH middenaansluitbuis
MSPO228: Losse montagebeugel
MSPO229: Linkerachterdemper (zonder punt)
MSPO230: RH-achterdemper (zonder punt)
Gerelateerde referentienummers
Gerelateerde, vervangen, kruisverwijzingen of alternatieve nummers ter vergelijking.
SSXPO109
Het product dat u bekijkt, verwijst naar deze nummers
Winkel veilig
12 maanden garantie
Wereldwijde levering

