druk niet op de terugknop…
-
Motoronderdelen
-
- Motorelektrisch Accu's en laders Bobine Snelheids- / referentie- / klopsensoren
-
- Onderdelen voor motorrevisie Onderdelen oliesysteem Onderdelen brandstofsysteem Pakkingen en sets Radiale afdichting / RMS / nokkenas / balansas Riemen / spanners / rollen Kettingen en spanners Motorlagers / schalen Motorkleppen / geleiders / veren Tuimelaars Motorsteunen Motorsteunen Motorcilinders / bussen / zuigers Verbindingsstang Cilinderkop Nokkenastandwielen/tandwielen en bevestigingen Carteronderdelen Krukas en onderdelen Turboladers / intercoolers en onderdelen Speciaalgereedschap
-
Remmen
-
- Remmen Remblokken en -schijven Remschijf standaard Remblokken standaard SPORT-remschijf Brembo standaardremmen Brembo Racing-remmen TEXTAR-remmen PAGID raceremmen Zimmermann-remmen Giro gegroefde remschijf Vervanging voor keramische schijf Slijtagesensoren remblokken Remblok Anti-vibratie vulplaatjes Remklauwbouten / schijfschroeven Pinkit en geleideplaten Performance remslangen Standaard remslangen Remklauw en remleidingen Remklauwen Remklauw upgrades Handremschoenen Handremkabels Alle categorieën
-
-
Ophanging en besturing
-
- Stuuronderdelen Stuurhuizen Stuurmanchet Spoorstangen
-
-
Overdragen
-
- Versnellingsbak / transmissie Koppelingssets Koppelingssets - hoge prestaties Koppeling ontkoppelingslagers Versnellingsbakonderdelen Aandrijfassen & onderdelen Versnellingsbakpakkingsets Versnellingsbaksteunen Versnellingspookbedieningsonderdelen Vliegwiel / koppel CV koppelingensets CV-manchetten en -kits Cardanas / schroefas Transmissieonderdelen Versnellingsbakolie Versnellingsbakcarter / oliecarter Differentieel voor Differentieel Oliekoelers
-
-
Koelen & Verwarmen
-
- Verwarming / airconditioning Airco condensors & exsiccatoren Airco-leidingen Compressoren Ventilatoren en -motoren Temperatuursensoren / -schakelaars
-
-
Elektriciteit & Verlichting
-
- Verlichting Koplampen rechtsgestuurd Koplampen linksgestuurd Koplamponderdelen en -lens Richtingaanwijzers achter rechtsgestuurd Richtingaanwijzers achter linksgestuurd Extra zijrichtingaanwijzers Kentekenplaatverlichtingen Middenlampen / reflectoren achter Interieur- / compartimentlampen Gloeilampen Led SMD-lampen
-
Carrosserie & Uitlaat
-
- Chassis / carrosserie Restauratie chassis / reparatiepanelen Demperdeksel voor Demperdeksel achter Motorkappen / -sloten en -grendels Kofferbakken / achterkleppen / -sloten en -grendels Voorbumpers Achterbumpers Deuren / sloten & vergrendelingen Deurpanelen | Scharnieren | Slagplaten Wing voor en onderdelen Spiegels en onderdelen Steenslagfolies / -stickers Onderplaten chassis & motor Wisserbladen / =armen Achterruitenwisserarmen en -bladen Dak - Cabrio / Targa / Coupé Rolkooien Kunststof hoezen Geluidsisolatie Motorkappen Voorraam Achterraam Alle categorieën
-
-
Smeermiddelen en vloeistoffen
-
- Serviceonderdelen Servicesets OEM-onderdelen Oliefilters Luchtfilters Pollen- / deeltjesfilters Riemen alle soorten Bougies Bobines Wisserbladen / -armen Achterruitenwisserarmen en -bladen Versnellingsbak serviceonderdelen Motorolie en smeermiddelen - Mobil Motorolie en smeermiddelen - Total Motorolie en smeermiddelen - Castrol Motorolie en smeermiddelen - Motul Motorolie en smeermiddelen - Millers Oils NanoDrive Motorolie en smeermiddelen - Millers Oils Brandstofadditieven Garage PBM
-
-
Alle onderdelen
-
- Onderdelen Accessoires Chassis / carrosserie Remmen Kleding en geschenken Elektrisch en relais Motorkoeling Motorelektrisch Onderdelen voor motorrevisie Performance-onderdelen Uitlaten Exterieurstyling / spoilers Versnellingsbak / transmissie Verwarming / airconditioning Interieur en accessoires Incar / multimedia Verlichting Matten en tapijten Motorsport en Off-Road Pedaalcluster Rubberen afdichtingen Stoelen en veiligheidsgordels Serviceonderdelen Alle categorieën
-
- Back to main website
Voer hier uw btw-nummer in en klik op Verifiëren:
U hoeft het landcode-deel van uw btw-nummer niet in te voeren, omdat dit al is geselecteerd in uw factuuradres hierboven.
Uw gegevens zijn geverifieerd. Btw-nummer geregistreerd bij:
,
.
Uw bestelling wordt nu voor BTW-doeleinden op een nultarief gezet. Wij behouden ons het recht voor deze gegevens na uw bestelaanvraag te controleren en indien nodig opnieuw btw aan te rekenen.
Uw btw-gegevens werden niet herkend of waren ongeldig. Uw btw-nummer moet overeenkomen met het land van facturering zoals hierboven aangegeven. Dit wordt momenteel gespecificeerd als . U hoeft het landcode-deel van uw btw-nummer niet in te voeren, omdat dit al is geselecteerd in uw factuuradres hierboven.
De dienst voor het controleren van btw-nummers is momenteel offline. Geef uw btw-gegevens op in het veld opmerkingen of speciale instructies hieronder en wij passen een btw-korting toe na het plaatsen van uw bestelaanvraag.
Versnellingsbak Aftapplug Afdichtring. Porsche 996 Turbo / 996 GT2
- Porsche 996 TURBO 2000-05
- Porsche 996 GT2 2001-05
- Porsche 997 MK1 TURBO 2007-09

Past bij:
Porsche 996-turbo
Porsche996GT2
Porsche 997.1-turbo
Gerelateerde referentienummers
Gerelateerde, vervangen, kruisverwijzingen of alternatieve nummers ter vergelijking.
90012311830
Het product dat u bekijkt, verwijst naar deze nummers
- Porsche 991.2 Carrera 2 3.0L (370 Bhp) 2016-19
- Porsche 991.2 Carrera 2S / GTS 3.0L (420/450 Bhp) 2016-19
- Porsche 991.2 Carrera 4 3.0L (370 Bhp) 2016-19
- Porsche 991.2 Carrera 4S / GTS 3.0L (420/450 Bhp) 2016-19
- Porsche 991.2 Cabriolet 2 3.0L (370 Bhp) 2016-19
- Porsche 991.2 Cabriolet 2S / GTS 3.0L (420/450 Bhp) 2016-19
- Porsche 991.2 Cabriolet 4 3.0L (370 Bhp) 2016-19
- Porsche 991.2 Cabriolet 4S / GTS 3.0L (420/450 Bhp) 2016-19
- Porsche 991.2 Targa 4 3.0L (370 Bhp) 2016-19
- Porsche 991.2 Targa 4S / GTS 3.0L (420/450 Bhp) 2016-19
- Porsche 991.2 Turbo Coupe 3.8L (540 Bhp) 2016-19
- Porsche 992.1 Carrera 2 3.0L 2019-24
- Porsche 992.1 Carrera 4 3.0L 2019-24
- Porsche 992.1 Carrera 2 Cabriolet 3.0L 2019-24
- Porsche 992.1 Carrera 4 Cabriolet 3.0L 2019-24
- Porsche 992.1 Carrera 2S / GTS 3.0L 2019-24
- Porsche 992.1 Carrera 4S / GTS 3.0L 2019-24
- Porsche 992.1 Carrera 2S / GTS Cabriolet 3.0L 2019-24
- Porsche 992.1 Carrera 4S / GTS Cabriolet 3.0L 2019-24
- Porsche 992.1 Targa 4 3.0L 2020-24
- Porsche 992.1 Targa 4S / GTS 3.0L 2020-24
- Porsche 992.1 Speedster 4.0L 2019-24
- Porsche 992.1 Turbo 3.8L 2020-24
- Porsche 992.1 Turbo S 3.8L 2020-24
- Porsche 992.1 Turbo Cabriolet 3.8L 2020-24
- Porsche 992.1 Turbo S Cabriolet 3.8L 2020-24
- Porsche 992.1 GT3 4.0L / 992 S/T 4.0L 2021-24
- Porsche 992.1 GT3 RS 4.0L 2022-24
- Porsche 992.1 (911) Sport Classic 3.8L 2023
- Porsche 992.1 (911) Dakar 3.0L 2023-24
- Porsche 95B.1 Macan Petrol 2.0L (237Bhp) 2014-18

Past bij:
Porsche 95B Macan 2.0L 2015-18
Porsche 991.2 Carrera 2017-18
Porsche 992.1 2019 >>
Porsche 992.1 turbo >>
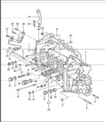
Klik op 'Inzoomen' voor een groot onderdelenschema.
Schema ref. nr. 12
Gerelateerde referentienummers
Gerelateerde, vervangen, kruisverwijzingen of alternatieve nummers ter vergelijking.
95810380100
Het product dat u bekijkt, verwijst naar deze nummers
- Porsche 991.2 Carrera 2 3.0L (370 Bhp) 2016-19
- Porsche 991.2 Carrera 2S / GTS 3.0L (420/450 Bhp) 2016-19
- Porsche 991.2 Carrera 4 3.0L (370 Bhp) 2016-19
- Porsche 991.2 Carrera 4S / GTS 3.0L (420/450 Bhp) 2016-19
- Porsche 991.2 Cabriolet 2 3.0L (370 Bhp) 2016-19
- Porsche 991.2 Cabriolet 2S / GTS 3.0L (420/450 Bhp) 2016-19
- Porsche 991.2 Cabriolet 4 3.0L (370 Bhp) 2016-19
- Porsche 991.2 Cabriolet 4S / GTS 3.0L (420/450 Bhp) 2016-19
- Porsche 991.2 Targa 4 3.0L (370 Bhp) 2016-19
- Porsche 991.2 Targa 4S / GTS 3.0L (420/450 Bhp) 2016-19
- Porsche 991.2 Turbo Coupe 3.8L (540 Bhp) 2016-19
- Porsche 992.1 Carrera 2 3.0L 2019-24
- Porsche 992.1 Carrera 4 3.0L 2019-24
- Porsche 992.1 Carrera 2 Cabriolet 3.0L 2019-24
- Porsche 992.1 Carrera 4 Cabriolet 3.0L 2019-24
- Porsche 992.1 Carrera 2S / GTS 3.0L 2019-24
- Porsche 992.1 Carrera 4S / GTS 3.0L 2019-24
- Porsche 992.1 Carrera 2S / GTS Cabriolet 3.0L 2019-24
- Porsche 992.1 Carrera 4S / GTS Cabriolet 3.0L 2019-24
- Porsche 992.1 Targa 4 3.0L 2020-24
- Porsche 992.1 Targa 4S / GTS 3.0L 2020-24
- Porsche 992.1 Speedster 4.0L 2019-24
- Porsche 992.1 Turbo 3.8L 2020-24
- Porsche 992.1 Turbo S 3.8L 2020-24
- Porsche 992.1 Turbo Cabriolet 3.8L 2020-24
- Porsche 992.1 Turbo S Cabriolet 3.8L 2020-24
- Porsche 992.1 GT3 4.0L / 992 S/T 4.0L 2021-24
- Porsche 992.1 GT3 RS 4.0L 2022-24
- Porsche 992.1 (911) Sport Classic 3.8L 2023
- Porsche 992.1 (911) Dakar 3.0L 2023-24
- Porsche 95B.1 Macan Petrol 2.0L (237Bhp) 2014-18

Past bij:
Porsche 95B Macan 2.0L 2015-18
Porsche 991.2 Carrera 2017-18
Porsche 992.1 2019 >>
Porsche 992.1 turbo >>
Klik op 'Inzoomen' voor een groot onderdelenschema.
Schema ref. nr. 12
Gerelateerde referentienummers
Gerelateerde, vervangen, kruisverwijzingen of alternatieve nummers ter vergelijking.
95810380100
Het product dat u bekijkt, verwijst naar deze nummers
- Porsche Boxster GTS 718 4.0L Manual (400 Bhp) 01/2019>>
- Porsche Boxster GTS 718 4.0L PDK (400 Bhp) 01/2019>>
- Porsche Boxster Spyder / Sypder RS 718 4.0L 01/2019>>
- Porsche Boxster 25 Years 718 4.0L Manual (400 Bhp) 01/2020>>
- Porsche Boxster 25 Years 718 4.0L PDK (400 Bhp) 01/2020>>
- Porsche 991.2 Carrera 2 3.0L (370 Bhp) 2016-19
- Porsche 991.2 Carrera 2S / GTS 3.0L (420/450 Bhp) 2016-19
- Porsche 991.2 Carrera 4 3.0L (370 Bhp) 2016-19
- Porsche 991.2 Carrera 4S / GTS 3.0L (420/450 Bhp) 2016-19
- Porsche 991.2 Cabriolet 2 3.0L (370 Bhp) 2016-19
- Porsche 991.2 Cabriolet 2S / GTS 3.0L (420/450 Bhp) 2016-19
- Porsche 991.2 Cabriolet 4 3.0L (370 Bhp) 2016-19
- Porsche 991.2 Cabriolet 4S / GTS 3.0L (420/450 Bhp) 2016-19
- Porsche 991.2 Targa 4 3.0L (370 Bhp) 2016-19
- Porsche 991.2 Targa 4S / GTS 3.0L (420/450 Bhp) 2016-19
- Porsche 992.1 Carrera 2 3.0L 2019-24
- Porsche 992.1 Carrera 4 3.0L 2019-24
- Porsche 992.1 Carrera 2 Cabriolet 3.0L 2019-24
- Porsche 992.1 Carrera 4 Cabriolet 3.0L 2019-24
- Porsche 992.1 Carrera 2S / GTS 3.0L 2019-24
- Porsche 992.1 Carrera 4S / GTS 3.0L 2019-24
- Porsche 992.1 Carrera 2S / GTS Cabriolet 3.0L 2019-24
- Porsche 992.1 Carrera 4S / GTS Cabriolet 3.0L 2019-24
- Porsche 992.1 Targa 4 3.0L 2020-24
- Porsche 992.1 Targa 4S / GTS 3.0L 2020-24
- Porsche 992.1 Speedster 4.0L 2019-24
- Porsche 992.1 Turbo 3.8L 2020-24
- Porsche 992.1 Turbo S 3.8L 2020-24
- Porsche 992.1 Turbo Cabriolet 3.8L 2020-24
- Porsche 992.1 Turbo S Cabriolet 3.8L 2020-24
- Porsche Cayman GTS 718 4.0L Manual (400 Bhp)
- Porsche Cayman GTS 718 4.0L PDK (400 Bhp)
- Porsche Cayman GT4 718 4.0L / GT4 RS 718 4.0L
- Porsche 95B.1 Macan Petrol 2.0L (237Bhp) 2014-18
- Porsche 95B.2 Macan Petrol 2.0L (245Bhp) 2019-21
- Porsche 95B.3 Macan Petrol 2.0L (265Bhp) 2022>>

Past bij:
Porsche 95B Macan 2.0L - 2015 tot 2018
Porsche 95B.2 Macan 2.0L - vanaf 2019
Porsche 718 Boxster / Cayman GTS 4,0ltr - vanaf 2017
Porsche 718 Boxster Spyder 4,0ltr - vanaf 2019
Porsche 718 Cayman GT4 4,0ltr - vanaf 2019
Porsche 991.2 Carrera - 2017 tot 2018
Porsche 992.1 - vanaf 2019
Porsche 992.1 turbo / turbo S - vanaf 2019
Productomschrijving
Ontdek de Rennline magnetische aftapplug, een oplossing die eenvoud omarmt en tegelijkertijd optimale motorbescherming garandeert. Deze plug is ontworpen om kleine ferrometaaldeeltjes aan te trekken en vast te houden die langs het motoroliefilter kunnen glippen.
Reinig gewoon de magnetische punt tijdens het olieverversen voordat u deze opnieuw installeert, omdat dit voorkomt dat deeltjes de interne onderdelen van de motor bekrassen.
Door gebruik te maken van een krachtige N42 Neodymium-magneet, beschikt deze plug over een 18-voudige toename in sterkte vergeleken met de standaard OEM-versie en vertoont hij een indrukwekkende weerstand tegen demagnetisatie
Vervangt OEM-onderdeelnummer:
95810380100
Gerelateerde referentienummers
Gerelateerde, vervangen, kruisverwijzingen of alternatieve nummers ter vergelijking.
M104
Het product dat u bekijkt, verwijst naar deze nummers
Maandag-vrijdag: 8.30 - 17.30 uur (GMT) Zaterdag: Gesloten Zondag: Gesloten