druk niet op de terugknop…
-
Motoronderdelen
-
- Onderdelen voor motorrevisie Tussenas (IMS) Onderdelen oliesysteem Onderdelen brandstofsysteem Pakkingen en sets Radiale afdichting / RMS / nokkenas / balansas Riemen / spanners / rollen Kettingen en spanners Distributiedeksels en pakkingen Motorlagers / schalen Motorkleppen / geleiders / veren Motorsteunen Motorsteunen Zuigerveren Motorcilinders / bussen / zuigers Verbindingsstang Cilinderkop Nokkenas en onderdelen Nokkenastandwielen/tandwielen en bevestigingen Carteronderdelen Krukas en onderdelen Luchtinlaat en injectie Vacuumpomp Alle categorieën
-
Remmen
-
- Remmen Remblokken en -schijven SPORT Remblokken & schijfpakket Remschijf standaard Remblokken standaard SPORT-remschijf Brembo standaardremmen Brembo Racing-remmen TEXTAR-remmen PAGID raceremmen Zimmermann-remmen Performance-wrijvingsremmen Giro gegroefde remschijf SHW Performance Remmen EBC-remmen O-Brake remschijven Surface Transforms keramische remmen Vervanging voor keramische schijf Slijtagesensoren remblokken Remblok Anti-vibratie vulplaatjes Remklauwbouten / schijfschroeven Pinkit en geleideplaten Performance remslangen Alle categorieën
-
-
Ophanging en besturing
-
Overdragen
-
- Versnellingsbak / transmissie Koppelingssets Koppelingssets - hoge prestaties Koppelingsplaat Koppeling drukplaat Koppeling ontkoppelingslagers Koppelingsgeleidebuis Koppelingsvorken en -hendels Koppelingsbouten Versnellingsbakonderdelen Aandrijfassen & onderdelen Versnellingsbakpakkingsets Versnellingsbaksteunen Versnellingspookbedieningsonderdelen Vliegwiel / koppel CV koppelingensets CV-manchetten en -kits Cardanas / schroefas Transmissieonderdelen Versnellingsbakolie Versnellingsbakcarter / oliecarter Differentieel Oliekoelers Alle categorieën
-
-
Koelen & Verwarmen
-
- Verwarming / airconditioning Airco condensors & exsiccatoren Airco-leidingen Relais / sensoren / weerstanden Compressoren Ventilatoren en -motoren Kachelventilatoren Verwarmingsslangen en -leidingen Warmtewisselaar Ventilatieopeningen / -roosters Klimaatcontrole Temperatuursensoren / -schakelaars Verwarmings- / airconditioningsbehuizingen
-
-
Elektriciteit & Verlichting
-
- Elektrisch en relais Brandstofpompen Rem- en koppelingsschakelaar Alarmlichtenschakelaar Handremschakelaar Koplampschakelaar Raam schakelaar Raammechanisme Elektrische claxon SmartTop-besturingseenheden Ontstekingsschakelaar Indicator / ruitenwisserschakelaar Schakelaar dak / zonnedak Relais / zekeringen Sproeierpompen / -tanks / -jets Alarmen / beveiliging / centrale vergrendeling Elektronische regeleenheden (ECU) Dashboard- / consoleonderdelen en schakelaars Deurspiegelschakelaar Telefoonkits / Bluetooth / Ipod Airbags en onderdelen Tracker Cruise control Alle categorieën
-
- Verlichting Koplampen rechtsgestuurd Koplampen linksgestuurd Koplamponderdelen en -lens HID-lichtsets Richtingsaanwijzers voorzijde Richtingaanwijzers achter rechtsgestuurd Richtingaanwijzers achter linksgestuurd Mist- en dagrijlampen Extra zijrichtingaanwijzers Derde remlichten Kentekenplaatverlichtingen Alle categorieën
-
-
Carrosserie & Uitlaat
-
- Chassis / carrosserie Restauratie chassis / reparatiepanelen Demperdeksel voor Demperdeksel achter Motorkappen / -sloten en -grendels Kofferbakken / achterkleppen / -sloten en -grendels Achterklep / Achterklep Voorbumpers Achterbumpers Deuren / sloten & vergrendelingen Deurpanelen | Scharnieren | Slagplaten Raamslingers Wing voor en onderdelen Wing achter & onderdelen Zijdorpelpanelen Exterieur chassissierlijsten Spiegels en onderdelen Steenslagfolies / -stickers Onderplaten chassis & motor Wisserbladen / =armen Achterruitenwisserarmen en -bladen Wielkastbekledingen en -afdekkingen Dak - Cabrio / Targa / Coupé Alle categorieën
-
-
Smeermiddelen en vloeistoffen
-
- Serviceonderdelen Servicesets OEM-onderdelen Oliefilters Luchtfilters Pollen- / deeltjesfilters Riemen alle soorten Bougies Bobines Wisserbladen / -armen Achterruitenwisserarmen en -bladen Versnellingsbak serviceonderdelen Motorolie en smeermiddelen - Mobil Motorolie en smeermiddelen - Total Motorolie en smeermiddelen - Castrol Motorolie en smeermiddelen - Motul Motorolie en smeermiddelen - Millers Oils NanoDrive Motorolie en smeermiddelen - Millers Oils Brandstofadditieven Koelvloeistof / Antivries Stuurbekrachtigingsolie Garage PBM
-
-
Alle onderdelen
-
- Onderdelen Accessoires Chassis / carrosserie Remmen Kleding en geschenken Elektrisch en relais Motorkoeling Motorelektrisch Onderdelen voor motorrevisie Performance-onderdelen Uitlaten Exterieurstyling / spoilers Versnellingsbak / transmissie Verwarming / airconditioning Hydraulica Interieur en accessoires Incar / multimedia Verlichting Matten en tapijten Motorsport en Off-Road Pedaalcluster Rubberen afdichtingen Stoelen en veiligheidsgordels Alle categorieën
-
- Back to main website
Voer hier uw btw-nummer in en klik op Verifiëren:
U hoeft het landcode-deel van uw btw-nummer niet in te voeren, omdat dit al is geselecteerd in uw factuuradres hierboven.
Uw gegevens zijn geverifieerd. Btw-nummer geregistreerd bij:
,
.
Uw bestelling wordt nu voor BTW-doeleinden op een nultarief gezet. Wij behouden ons het recht voor deze gegevens na uw bestelaanvraag te controleren en indien nodig opnieuw btw aan te rekenen.
Uw btw-gegevens werden niet herkend of waren ongeldig. Uw btw-nummer moet overeenkomen met het land van facturering zoals hierboven aangegeven. Dit wordt momenteel gespecificeerd als . U hoeft het landcode-deel van uw btw-nummer niet in te voeren, omdat dit al is geselecteerd in uw factuuradres hierboven.
De dienst voor het controleren van btw-nummers is momenteel offline. Geef uw btw-gegevens op in het veld opmerkingen of speciale instructies hieronder en wij passen een btw-korting toe na het plaatsen van uw bestelaanvraag.
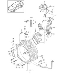
Afdekplaat remschijf Bout. Porsche 996 / 997 / 986 / 987 / 987C ❭ PAF100829
- Porsche Boxster 986 2.5L 1997-99
- Porsche Boxster 986 2.7L 1999-02
- Porsche Boxster S 986 3.2L 1999-02
- Porsche Boxster 986 2.7L 2003-04
- Porsche Boxster S 986 3.2L 2003-04
- Porsche Boxster 987 2.7L 2005 -08/08
- Porsche Boxster 987 S 3.2/3.4L 2005-08/08
- Porsche Boxster 987 MKII 2.9L 2009-2012
- Porsche Boxster S 987 MKII 3.4L 2009-2012
- Porsche 996 C2 3.4L 1997-08/01
- Porsche 996 C4 3.4L 1997-08/01
- Porsche 996 C2 3.6L 09/01-2005
- Porsche 996 C4 3.6L 09/01-2005
- Porsche 996 C4S 3.6L 09/01-2005
- Porsche 996 TURBO 2000-05
- Porsche 996 GT2 2001-05
- Porsche 996 GT3 MKI 1999-02
- Porsche 996 GT3 MKII 2003>>
- Porsche 996 GT3 RS 2003-04
- Porsche 997 MK1 Carrera 2 3.6L 2005-08
- Porsche 997 MK1 Carrera 2S 3.8L 2005-08
- Porsche 997 MK1 Carrera 4 3.6L 2005-08
- Porsche 997 MK1 Carrera 4S 3.8L 2005-08
- Porsche 997 MK1 TURBO 2007-09
- Porsche 997 MK1 GT3 2007-09
- Porsche 997 MK1 GT2 2007-09
- Porsche 997 MKII Carrera C2 3.6L 2009-12
- Porsche 997 MKII Carrera C4 3.6L 2009-12
- Porsche 997 MKII Carrera C2S 3.8L 2009-12
- Porsche 997 MKII Carrera C4S 3.8L 2009-12
- Porsche 997 MKII GT3 2010-11
- Porsche Cayman 2.7L 987C 2006-08
- Porsche Cayman S 3.4L 987C 2005-08
- Porsche Cayman 2.9L 987C MKII 2009-12
- Porsche Cayman S / R 3.4L 987C MKII 2009-12



Porsche 996 1998-05
Porsche 997 MKI 2005-08
Porsche 997 MKII 2009>>
Porsche 986 Boxster 1997-04
Porsche 987 MKI Boxster 2005-08
Porsche 987 MKII Boxster 2009 >>
Porsche 987C MKI Kaaiman 2005-08
Porsche 987C MKI Cayman 2009 >>
Diagram ref. nr. 4
Gerelateerde referentienummers
Gerelateerde, vervangen, kruisverwijzingen of alternatieve nummers ter vergelijking.
PAF100829
Het product dat u bekijkt, verwijst naar deze nummers
- Porsche 997 MK1 Carrera 2 3.6L 2005-08
- Porsche 997 MK1 Carrera 2S 3.8L 2005-08
- Porsche 997 MK1 Carrera 4 3.6L 2005-08
- Porsche 997 MK1 Carrera 4S 3.8L 2005-08
- Porsche 997 MK1 TURBO 2007-09
- Porsche 997 MK1 GT3 2007-09
- Porsche 997 MK1 GT2 2007-09
- Porsche 997 MKII Carrera C2 3.6L 2009-12
- Porsche 997 MKII Carrera C4 3.6L 2009-12
- Porsche 997 MKII Carrera C2S 3.8L 2009-12
- Porsche 997 MKII Carrera C4S 3.8L 2009-12
- Porsche 997 MKII GT3 2010-11
- Porsche 997 MKII Turbo 2010-13
- Porsche 997 MKII GT2 RS 2011-13

Past op:
Porsche 997 Carrera 2/2S - 2005 tot 2012
Porsche 997 Carrera 4/4S - 2005 tot 2012
Porsche 997 turbo - 2007 tot 2012
Porsche 997 GT3 - 2007 tot 2012
Voor auto's met PCCB - M450
Klik op 'Inzoomen' voor een diagram met grotere onderdelen.
Diagram ref nr. 3
Gerelateerde referentienummers
Gerelateerde, vervangen, kruisverwijzingen of alternatieve nummers ter vergelijking.
99735280
Het product dat u bekijkt, verwijst naar deze nummers
Maandag-vrijdag: 8.30 - 17.30 uur (GMT) Zaterdag: Gesloten Zondag: Gesloten