druk niet op de terugknop…
-
Motoronderdelen
-
- Onderdelen voor motorrevisie Onderdelen oliesysteem Onderdelen brandstofsysteem Pakkingen en sets Radiale afdichting / RMS / nokkenas / balansas Riemen / spanners / rollen Kettingen en spanners Distributiedeksels en pakkingen Motorlagers / schalen Motorkleppen / geleiders / veren Motorsteunen Motorsteunen Zuigerveren Motorcilinders / bussen / zuigers Verbindingsstang Cilinderkop Nokkenas en onderdelen Nokkenastandwielen/tandwielen en bevestigingen Carteronderdelen Krukas en onderdelen Turboladers / intercoolers en onderdelen Luchtinlaat en injectie Carburateurs en onderdelen Alle categorieën
-
Remmen
-
- Remmen Remblokken en -schijven Remblokken Pakketten Remschijf standaard Remblokken standaard SPORT-remschijf Brembo standaardremmen Brembo Racing-remmen TEXTAR-remmen PAGID raceremmen Zimmermann-remmen Performance-wrijvingsremmen SHW Performance Remmen EBC-remmen Black Diamond Performance-remmen Rotinger grafietlijn Slijtagesensoren remblokken Remblok Anti-vibratie vulplaatjes Remklauwbouten / schijfschroeven Pinkit en geleideplaten Performance remslangen Standaard remslangen Remklauw en remleidingen Alle categorieën
-
-
Ophanging en besturing
-
Overdragen
-
- Versnellingsbak / transmissie Koppelingssets Koppelingsplaat Koppeling drukplaat Koppeling ontkoppelingslagers Koppelingsgeleidebuis Koppelingsvorken en -hendels Koppelingsbouten Versnellingsbakonderdelen Aandrijfassen & onderdelen Versnellingsbakpakkingsets Versnellingsbaksteunen Versnellingspookbedieningsonderdelen Vliegwiel / koppel CV koppelingensets CV-manchetten en -kits Cardanas / schroefas Transmissieonderdelen Versnellingsbakolie Versnellingsbakcarter / oliecarter Differentieel Snelheids- / referentiesensoren Oliekoelers
-
-
Koelen & Verwarmen
-
- Verwarming / airconditioning Airco condensors & exsiccatoren Airco verdampers & expansieventielen Airco-leidingen Airco-riemen Relais / sensoren / weerstanden Compressoren Ventilatoren en -motoren Kachelventilatoren Verwarmingsslangen en -leidingen Ventilatieopeningen / -roosters Klimaatcontrole Temperatuursensoren / -schakelaars
-
-
Elektriciteit & Verlichting
-
- Elektrisch en relais Brandstofpompen Remlichtschakelaar Achteruitrijlichtschakelaar Koplampschakelaar Raam schakelaar Raammotoren Raammechanisme Ruitenwissermotor Ruitenwissermechanisme Elektrische claxon Ontstekingsschakelaar Stoelschakelaar Indicator / ruitenwisserschakelaar Schakelaar dak / zonnedak Relais / zekeringen Sproeierpompen / -tanks / -jets Alarmen / beveiliging / centrale vergrendeling Elektronische regeleenheden (ECU) Ruitenwisserschakelaars Dashboard- / consoleonderdelen en schakelaars Deurspiegelschakelaar Tracker Alle categorieën
-
- Verlichting Koplampen rechtsgestuurd Koplampen linksgestuurd Koplamponderdelen en -lens HID-lichtsets Richtingsaanwijzers voorzijde Richtingaanwijzers achter rechtsgestuurd Richtingaanwijzers achter linksgestuurd Mist- en dagrijlampen Extra zijrichtingaanwijzers Derde remlichten Kentekenplaatverlichtingen Alle categorieën
-
-
Carrosserie & Uitlaat
-
- Chassis / carrosserie Demperdeksel voor Demperdeksel achter Motorkappen / -sloten en -grendels Kofferbakken / achterkleppen / -sloten en -grendels Voorbumpers Achterbumpers Deuren / sloten & vergrendelingen Deurpanelen | Scharnieren | Slagplaten Raamslingers Wing voor en onderdelen Wing achter & onderdelen Zijdorpelpanelen Exterieur chassissierlijsten Spiegels en onderdelen Steenslagfolies / -stickers Onderplaten chassis & motor Wisserbladen / =armen Achterruitenwisserarmen en -bladen Wielkastbekledingen en -afdekkingen Dak - Cabrio / Targa / Coupé Kunststof hoezen Geluidsisolatie Alle categorieën
-
-
Smeermiddelen en vloeistoffen
-
- Serviceonderdelen Servicesets OE-onderdelen Oliefilters Luchtfilters Pollen- / deeltjesfilters Brandstoffilters Riemen alle soorten Bougies IRIDIUM POWER-bougies IRIDIUM RACING-bougies Bobines Wisserbladen / -armen Achterruitenwisserarmen en -bladen Versnellingsbak serviceonderdelen Porsche klassieke motorolie Motorolie en smeermiddelen - Mobil Motorolie en smeermiddelen - Total Motorolie en smeermiddelen - Castrol Motorolie en smeermiddelen - Motul Motorolie en smeermiddelen - Millers Oils NanoDrive Motorolie en smeermiddelen - Millers Oils Brandstofadditieven Garage PBM
-
-
Alle onderdelen
-
- Onderdelen Accessoires Chassis / carrosserie Remmen Kleding en geschenken Elektrisch en relais Motorkoeling Motorelektrisch Onderdelen voor motorrevisie Performance-onderdelen Uitlaten Exterieurstyling / spoilers Versnellingsbak / transmissie Verwarming / airconditioning Hydraulica Interieur en accessoires Incar / multimedia Verlichting Matten en tapijten Motorsport en Off-Road Pedaalcluster Rubberen afdichtingen Stoelen en veiligheidsgordels Alle categorieën
-
- Back to main website
Voer hier uw btw-nummer in en klik op Verifiëren:
U hoeft het landcode-deel van uw btw-nummer niet in te voeren, omdat dit al is geselecteerd in uw factuuradres hierboven.
Uw gegevens zijn geverifieerd. Btw-nummer geregistreerd bij:
,
.
Uw bestelling wordt nu voor BTW-doeleinden op een nultarief gezet. Wij behouden ons het recht voor deze gegevens na uw bestelaanvraag te controleren en indien nodig opnieuw btw aan te rekenen.
Uw btw-gegevens werden niet herkend of waren ongeldig. Uw btw-nummer moet overeenkomen met het land van facturering zoals hierboven aangegeven. Dit wordt momenteel gespecificeerd als . U hoeft het landcode-deel van uw btw-nummer niet in te voeren, omdat dit al is geselecteerd in uw factuuradres hierboven.
De dienst voor het controleren van btw-nummers is momenteel offline. Geef uw btw-gegevens op in het veld opmerkingen of speciale instructies hieronder en wij passen een btw-korting toe na het plaatsen van uw bestelaanvraag.
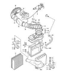
Laars voor luchtstroommeter. 924 1976-85 ❭ 047133367E
- Porsche 924 2.0L 1976-79
- Porsche 924 2.0L 1980-85
- Porsche 924 Turbo 2.0L 1979-81
- Porsche 924 Turbo 2.0L 1982-84
- Porsche 924 Carrera GT 2.0L 1981
- Porsche 924 Carrera GTS 2.0L 1982

Past bij:
Porsche 924 1976-85
Klik op 'Inzoomen' voor een groot onderdelenschema.
Schema ref. nr. 14
Gerelateerde referentienummers
Gerelateerde, vervangen, kruisverwijzingen of alternatieve nummers ter vergelijking.
047133367E
Het product dat u bekijkt, verwijst naar deze nummers
- Porsche 928S2 4.7L 1984-86

Past bij:
Porsche 928S 1984-86
Klik op 'Inzoomen' voor een groot onderdelenschema.
Schema ref. nr. 9
Gerelateerde referentienummers
Gerelateerde, vervangen, kruisverwijzingen of alternatieve nummers ter vergelijking.
92811024302
Het product dat u bekijkt, verwijst naar deze nummers
- Porsche 911 1978-1989 3.3L Turbo (930)
- Porsche 928 4.5L 1978-82
- Porsche 928S 4.7L 1981-83
- Porsche 928S2 4.7L 1984-86
- Porsche 928S4 5.0L 1987-92
- Porsche 928GT 5.0L 1989-91
- Porsche 928GTS 5.4L 1992-95

Passen:
Voor turbo-inlaatslangset #DO88-KIT145S
Porsche 911 (930 Turbo) 1978-1989 met 3,3 liter turbomotor
Set van 6 klemmen
De set bevat alle benodigde slangklemmen om de gespecificeerde slangenset te installeren. De meegeleverde klemmen zijn van een hoogwaardig standaardontwerptype in volledig roestvrij staal (W4-klasse) met een gestempelde band om de impact op het slangoppervlak te minimaliseren.
Gerelateerde referentienummers
Gerelateerde, vervangen, kruisverwijzingen of alternatieve nummers ter vergelijking.
CLAMP-KIT145
Het product dat u bekijkt, verwijst naar deze nummers
- Porsche 911 1978-1989 3.3L Turbo (930)
- Porsche 928 4.5L 1978-82
- Porsche 928S 4.7L 1981-83
- Porsche 928S2 4.7L 1984-86
- Porsche 928S4 5.0L 1987-92
- Porsche 928GT 5.0L 1989-91
- Porsche 928GTS 5.4L 1992-95
Gemaakt van hoogwaardig siliconenrubber met 3-laags polyester versteviging.

Passen:
Porsche 911 (930 Turbo) 1978-1989 met 3,3 liter turbomotor
Slangen inbegrepen:
• Wastegate-slang, OEM-referentie 99923903440
• Opwarmventiel / luchtfilterkast, OEM-referentie 99923900640 / 99923903440
• Opwarmklep / T-aansluiting op gasklephuis, OEM ref 99923901340
• T-aansluiting op gasklephuis / Vacuümbegrenzer, OEM ref 99923901340
Raadpleeg de productafbeeldingen voor bevestiging van de positie van de slang.
Gerelateerde referentienummers
Gerelateerde, vervangen, kruisverwijzingen of alternatieve nummers ter vergelijking.
DO88-KIT144S
Het product dat u bekijkt, verwijst naar deze nummers
Maandag-vrijdag: 8.30 - 17.30 uur (GMT) Zaterdag: Gesloten Zondag: Gesloten