Inserisci il tuo numero di partiva IVA qui e fai clic su Verifica:
Nessuna necessità di inserire la parte del numero di partita IVA relativa al codice del paese poiché questa è già stato selezionata nel predetto indirizzo di fatturazione.
I tuoi dati sono stati verificati. Numero di partita IVA registrato a:
,
.
Al tuo ordine sarà applicata un’aliquota pari a zero ai fini dell’IVA. Ci riserviamo il diritto di verificare questi dettagli dopo che la tua richiesta d’ordine è stata fatta e di reintegrare l’IVA se necessario.
I tuoi dati IVA non sono stati riconosciuti o non erano validi. Il tuo numero di partita IVA deve corrispondere al tuo paese di fatturazione come specificato sopra. Attualmente è specificato come . Non occorre inserire inserire la parte del numero di partita IVA relativa al codice del paese poiché questa è già stato selezionata nei dettagli del predetto indirizzo di fatturazione.
Il servizio di verifica della partita IVA è attualmente offline. Per favore fornisci i tuoi dati IVA all’interno dei commenti o nel campo delle istruzioni speciali sotto e noi applicheremo uno sconto IVA dopo aver fatto la richiesta d’ordine.
Guarnizioni e set
- Porsche 924 2.0L 1976-79
- Porsche 924 2.0L 1980-85
- Porsche 924 Turbo 2.0L 1979-81
- Porsche 924 Turbo 2.0L 1982-84
- Porsche 924 Carrera GT 2.0L 1981
- Porsche 924 Carrera GTS 2.0L 1982
Set of 8 valve stem seals
Fits:
Porsche 924 - 1976 to 1985
Porsche 924 turbo - 1979 to 1984
Porsche 924 Carrera GT - 1981 to 1982
Diagram ref no 27
Numeri di riferimento correlati
Numeri correlati, sostituiti, riferimenti incrociati o alternativi per il confronto.
046109675AKIT
Il prodotto che stai visualizzando fa riferimento a questi numeri
Questo kit è composto dai seguenti elementi:
- Porsche 924 2.0L 1976-79
- Porsche 924 2.0L 1980-85
- Porsche 924 Turbo 2.0L 1979-81
- Porsche 924 Turbo 2.0L 1982-84
#Victorreinz#
Si adatta:
Porsche 924 2.0L
Numeri di riferimento correlati
Numeri correlati, sostituiti, riferimenti incrociati o alternativi per il confronto.
060198011B
Il prodotto che stai visualizzando fa riferimento a questi numeri
- Porsche 924 Turbo 2.0L 1979-81
- Porsche 924 Turbo 2.0L 1982-84
- Porsche 924 Carrera GT 2.0L 1981

Si adatta:
Porsche 924 Turbo/GT 1979-82
Numeri di riferimento correlati
Numeri correlati, sostituiti, riferimenti incrociati o alternativi per il confronto.
93110090100
Il prodotto che stai visualizzando fa riferimento a questi numeri
- Porsche 924 Turbo 2.0L 1979-81
- Porsche 924 Turbo 2.0L 1982-84
- Porsche 924 Carrera GT 2.0L 1981
#Victorreinz#
Si adatta:
Porsche 924 Turbo/GT 1979-82
Numeri di riferimento correlati
Numeri correlati, sostituiti, riferimenti incrociati o alternativi per il confronto.
93110090100
Il prodotto che stai visualizzando fa riferimento a questi numeri
Applicazioni tipiche
Hylomar Gasket 3400 può essere utilizzato come composto di guarnizione tra superfici lavorate. È ideale per la sigillatura tra facce di accoppiamento su motori e componenti di trasmissione in cui la resistenza alla temperatura e alle vibrazioni sono essenziali.
ISTRUZIONI PER L'USO
Hylomar Gasket 3400 deve essere applicato su superfici pulite e asciutte, prive di contaminazioni come olio o grasso. Il composto può essere erogato a mano da cartuccia, confezione a fisarmonica o tramite un sistema di serigrafia. Una volta applicato, il giunto deve essere assemblato il prima possibile. Qualsiasi eccesso di composto può essere facilmente rimosso dalle superfici esterne con un panno pulito imbevuto di acetone o altri solventi adatti.
Proprietà fisiche tipiche:
PRODOTTO NON POLIMERIZZATO
Composizione: Metil-Metacrilato
Colore: Giallo
Viscosità a 25°C / mandrino Brookfield 6 a 2,5 giri/min: 100.000 cps
Peso specifico a 25°C: 1,10 g/ml
Contenuto di solvente: Nessuno
Peso specifico g/ml @ 25°C: 1,04
Punto di infiammabilità: >100°C
Durata di conservazione: 1 anno a 4° - 25°C
PRODOTTO INDURITO
Tempo di gestione: 40 minuti
Tempo di polimerizzazione funzionale: 4 – 6 ore
Tempo di polimerizzazione completa: 24 – 72 ore
Resistenza al taglio: 1,5 N/mm²
Acciaio dolce/Acciaio dolce BS 5350 Parte C5
Alluminio/Alluminio BS 5350 Parte C5
Intervallo di temperatura: da -40° a 150°C
- Porsche 924 2.0L 1976-79
- Porsche 924 2.0L 1980-85
- Porsche 924 Turbo 2.0L 1979-81
- Porsche 924 Turbo 2.0L 1982-84
- Porsche 924 Carrera GT 2.0L 1981
- Porsche 924 Carrera GTS 2.0L 1982
Adatto a:
Porsche 924 2.0ltr - dal 1976 al 1985
Porsche 924 turbo - dal 1979 al 1984
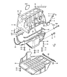
Diagramma Rif. n. 23
Numeri di riferimento correlati
Numeri correlati, sostituiti, riferimenti incrociati o alternativi per il confronto.
060198041A
Il prodotto che stai visualizzando fa riferimento a questi numeri
- Porsche 924 2.0L 1976-79
- Porsche 924 2.0L 1980-85
- Porsche 924 Turbo 2.0L 1979-81
- Porsche 924 Turbo 2.0L 1982-84
- Porsche 924 Carrera GT 2.0L 1981
- Porsche 924 Carrera GTS 2.0L 1982

Si adatta:
Porsche 924 1976-85
Fai clic su "Ingrandisci" per il diagramma delle parti di grandi dimensioni.
Diagramma rif. n. 23
Numeri di riferimento correlati
Numeri correlati, sostituiti, riferimenti incrociati o alternativi per il confronto.
060198041A
Il prodotto che stai visualizzando fa riferimento a questi numeri
- Porsche 924 2.0L 1976-79
- Porsche 924 2.0L 1980-85
- Porsche 924 Turbo 2.0L 1979-81
- Porsche 924 Turbo 2.0L 1982-84
- Porsche 924 Carrera GT 2.0L 1981
- Porsche 924 Carrera GTS 2.0L 1982
Versione MLS (acciaio multistrato).

Si adatta
Porsche 924 2.0 litri - dal 1976 al 1985
Porsche 924 Turbo - dal 1979 al 1985
Codici motore
2.0L - 0474/0475/0476/0478/0479/047E/047F
Turbo-M31.01 /M31.02 /M31.03 /M31.04 /M31.50
Si prega di controllare la dimensione e lo spessore del foro prima di ordinare
Materiale: MLS (acciaio multistrato)
Spessore compresso: da 0,027 pollici a 0,140 pollici
Forma del foro: rotondo
Dimensione del foro (MM): 88
Numero di strati: da 3 a 5
Le guarnizioni sono prodotte su ordinazione
Tempo di consegna stimato: 5-6 settimane
Guarnizioni MLS
Gli strati esterni goffrati delle nostre guarnizioni della testata soddisfano le esigenze di una varietà di ambienti di tenuta difficili, condizioni di carico e superficie
finiture. La guarnizione MLS (acciaio multistrato) presenta una tenuta a combustione attiva su più strati.
Numeri di riferimento correlati
Numeri correlati, sostituiti, riferimenti incrociati o alternativi per il confronto.
C4542
Il prodotto che stai visualizzando fa riferimento a questi numeri
- Porsche 924 2.0L 1976-79
- Porsche 924 2.0L 1980-85
- Porsche 924 Turbo 2.0L 1979-81
- Porsche 924 Turbo 2.0L 1982-84
- Porsche 924 Carrera GT 2.0L 1981
- Porsche 924 Carrera GTS 2.0L 1982
Venduto singolarmente - 8 richiesti per auto
Adatto a:
Porsche 924 - dal 1976 al 1985
Porsche 924 turbo - dal 1979 al 1984
Porsche 924 Carrera GT - dal 1981 al 1982
Diagramma rif. n. 27
Numeri di riferimento correlati
Numeri correlati, sostituiti, riferimenti incrociati o alternativi per il confronto.
046109675A
Il prodotto che stai visualizzando fa riferimento a questi numeri
#Victorreinz#
Numeri di riferimento correlati
Numeri correlati, sostituiti, riferimenti incrociati o alternativi per il confronto.
703141410
Il prodotto che stai visualizzando fa riferimento a questi numeri
-
Liquido di fissaggio / Composto sigillante / Agente conservante / Liquido di fissaggio 924 1976-79 005-000
-
Blocco cilindri con pistoni, Coppa dell'olio, Piastra protettiva f. motore, 924 1976-79 101-010
-
Testata cilindro 924 1974-79 103-000
-
Albero a camme / Valvole 924 1976-79 103-005
-
Kit di manutenzione / Kit guarnizioni / Kit di riparazione 924 1976-79 198-000
-
Liquido di fissaggio / Composto sigillante / Agente conservante / Liquido di fissaggio 924 1980 - 1985 005-000
-
Blocco cilindri con pistoni Coppa dell'olio Piastra protettiva per motore 924 1980 - 1985 101-010
-
Testata 924 1980-1985 103-000
-
Albero a camme / Valvole 924 1980 - 1985 103-005
-
Kit di manutenzione / Kit guarnizioni / Kit di riparazione 924 1980 - 1985 198-000
Guarnizioni motore e set di guarnizioni: sigillatura di precisione per motori Porsche
Le guarnizioni del motore sono componenti essenziali che garantiscono il funzionamento efficiente e senza perdite del motore della tua Porsche. Posizionate tra le superfici chiave del motore, come la testata, il collettore di aspirazione e la coppa dell'olio, le guarnizioni mantengono una tenuta perfetta contro temperature, pressioni e fluidi elevati.
Da Design911 offriamo una gamma completa di guarnizioni motore, paraoli e kit completi per modelli Porsche di ogni generazione. Ogni guarnizione è realizzata con materiali compositi, metallici o elastomerici di alta qualità per resistere alle condizioni estreme dei motori ad alte prestazioni, garantendo una tenuta ottimale, perdite di olio e refrigerante ridotte e una compressione costante.
Che tu stia ricostruendo una classica 911 boxer a sei cilindri o eseguendo la manutenzione di un moderno motore Porsche turbocompresso, le nostre guarnizioni di qualità e i nostri kit completi garantiscono affidabilità, prestazioni e tranquillità.
A cosa servono le guarnizioni del motore e i set di guarnizioni?
Le guarnizioni svolgono un ruolo fondamentale nel garantire la corretta tenuta dei vari sistemi del motore (combustione, lubrificazione e raffreddamento).
Funzioni principali:
- Prevenire perdite di olio, liquido refrigerante, aria e gas di combustione.
- Mantenere la compressione tra il blocco motore e la testata del cilindro.
- Assicurare una combustione efficiente e un corretto bilanciamento della pressione del motore.
- Proteggere i componenti interni dalla contaminazione incrociata dei fluidi.
Un motore adeguatamente sigillato non solo migliora le prestazioni e l'efficienza, ma previene anche costosi danni a lungo termine.
Perché le guarnizioni si rompono?
Nonostante la loro durevolezza, le guarnizioni si degradano naturalmente nel tempo a causa di cicli di calore estremi, variazioni di pressione e affaticamento dei materiali.
Le cause più comuni di guasto della guarnizione includono:
- Surriscaldamento , che provoca deformazioni o rotture del materiale della guarnizione.
- Installazione o coppia di serraggio non corrette durante il montaggio.
- Materiali invecchiati che si induriscono o si screpolano con l'uso.
- Degradazione chimica dovuta all'esposizione a olio o refrigerante.
- Pressione irregolare o vibrazioni del motore , che causano microperdite.
I sintomi tipici di un guasto della guarnizione includono perdite di olio o refrigerante, compressione ridotta, surriscaldamento o residui visibili nei giunti della guarnizione.
Perché sostituire con guarnizioni e kit di precisione?
La sostituzione delle guarnizioni usurate o che perdono è essenziale per mantenere una corretta compressione del motore, prevenire la contaminazione e ripristinare l'affidabilità complessiva. I nostri set e kit di guarnizioni a montaggio diretto sono progettati per soddisfare o superare gli standard ingegneristici Porsche, offrendo soluzioni di tenuta complete per la ricostruzione e la manutenzione.
Vantaggi principali:
- Ripristina la corretta tenuta e integrità della compressione.
- Previene perdite di olio e refrigerante per prestazioni più pulite.
- Migliora l'efficienza e l'affidabilità sotto carico.
- Realizzato con materiali di alta qualità, resistenti al calore e alla pressione.
- Disponibili come guarnizioni singole o kit completi per ricostruzioni complete.
- Compatibilità diretta con un'ampia gamma di modelli Porsche.
I nostri set di guarnizioni sono ideali per la ricostruzione, la revisione e la manutenzione preventiva dei motori, garantendo affidabilità a lungo termine e prestazioni ottimali.
Punti salienti:
- Kit completi di guarnizioni motore Porsche e singoli componenti.
- Progettato con precisione per prestazioni di tenuta esatte.
- Realizzato con materiali compositi avanzati, metallo ed elastomeri.
- Resistente al calore, alla pressione e all'esposizione chimica.
- Adatto ai motori classici raffreddati ad aria e ai moderni motori raffreddati ad acqua.
- Garantisce un funzionamento senza perdite e un'affidabilità duratura.