Parti di controllo del cambio
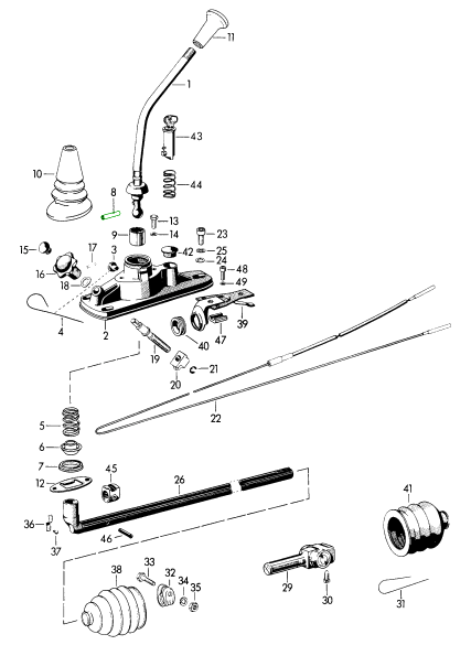
 Boccola attacco asta cambio. Porsche 356 / 911 / 914 / 924 Powerflex
                        
                    
            
            
                    Boccola attacco asta cambio. Porsche 356 / 911 / 914 / 924 Powerflex
                     
            
            
                    - Porsche 911 1968-1973 2.2L / 2.4L / 2.7L RS LWB (F)
- Porsche 911 1974-1977 2.7L / 1976-77 3.0 Carrera
- Porsche 911 1978-1983 3.0L / SC
- Porsche 911 1984-1986 3.2L
- Porsche 911 1975-1977 3.0L Turbo (930)
- Porsche 911 1978-1989 3.3L Turbo (930)
- Porsche 924 2.0L 1976-79
- Porsche 356B 1959-63
- Porsche 356C 1963-65
- Porsche 914 (1970-1976)
Numero parte OEM di ricambio: 96442422300.
Si inserisce all'interno del numero di parte dell'accoppiamento del cambio 91142402404

Si adatta:
Non per G50 Transaxle
Porsche 356B 1960-65
F >>110 406 COUPÉ -REUTTER-
F >>153 022 CABRIO HARDTOP
F >> 87 491 ROADSTER
Porsche 911 1970-86
Porsche 911 turbo 1977-88
Porsche 914 1973-76
Porsche 924 1976-79
Fai clic su "Ingrandisci" per il diagramma delle parti di grandi dimensioni.
Diagramma rif. n. 25
Power Flex. La sostituzione delle boccole delle sospensioni in gomma della tua auto con le boccole delle sospensioni in poliuretano ti darà:
- Migliore tenuta di strada
- Geometria dello sterzo costante
- Maggiore durata del pneumatico
- Sterzo più reattivo
- Maggiore durata dei componenti delle sospensioni
Numeri di riferimento correlati
Numeri correlati, sostituiti, riferimenti incrociati o alternativi per il confronto.
PFR57-430
Il prodotto che stai visualizzando fa riferimento a questi numeri
 Acquista in sicurezza
                                Acquista in sicurezza
                            
                             12 mesi di garanzia
                                12 mesi di garanzia
                            
                             Consegna in tutto il mondo
                                Consegna in tutto il mondo
                            
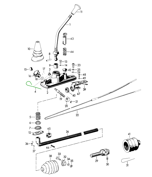
                     Boccola attacco asta cambio. Porsche 356 / 911 / 914 / 924 Powerflex serie nera
                        
                    
            
            
                    Boccola attacco asta cambio. Porsche 356 / 911 / 914 / 924 Powerflex serie nera
                     
            
            
                    - Porsche 911 1968-1973 2.2L / 2.4L / 2.7L RS LWB (F)
- Porsche 911 1974-1977 2.7L / 1976-77 3.0 Carrera
- Porsche 911 1978-1983 3.0L / SC
- Porsche 911 1984-1986 3.2L
- Porsche 911 1975-1977 3.0L Turbo (930)
- Porsche 911 1978-1989 3.3L Turbo (930)
- Porsche 924 2.0L 1976-79
- Porsche 356B 1959-63
- Porsche 356C 1963-65
- Porsche 914 (1970-1976)
Numero parte OEM di ricambio: 96442422300.
Si inserisce all'interno del numero di parte dell'accoppiamento del cambio 91142402404

Si adatta:
Non per G50 Transaxle
Porsche 356B 1960-65
F >>110 406 COUPÉ -REUTTER-
F >>153 022 CABRIO HARDTOP
F >> 87 491 ROADSTER
Porsche 911 1970-86
Porsche 911 turbo 1977-86
Porsche 914 1973-76
Porsche 924 1976-79
Fai clic su "Ingrandisci" per il diagramma delle parti di grandi dimensioni.
Diagramma rif. n. 25
Powerflex Black Series - Progettato per la pista - Pronto per la gara - Progettato per essere il migliore.
Le boccole Powerflex Black Series sono prodotte utilizzando una mescola 95 Shore A per fornire il massimo controllo della geometria del telaio. Questa mescola può essere fino all'80% più resistente al carico rispetto alla gomma standard e fino al 25% più rigida rispetto al nostro materiale ad alte prestazioni viola.
Se le tue esigenze sono puramente per il massimo in termini di maneggevolezza e prestazioni del telaio, la serie Powerflex Black è unica e offre l'allineamento più preciso e accurato per il tuo telaio.
La sostituzione delle boccole delle sospensioni in gomma della tua auto con le boccole delle sospensioni in poliuretano ti darà:
- Migliore tenuta di strada
- Geometria dello sterzo costante
- Maggiore durata del pneumatico
- Sterzo più reattivo
- Maggiore durata dei componenti delle sospensioni
Numeri di riferimento correlati
Numeri correlati, sostituiti, riferimenti incrociati o alternativi per il confronto.
PFR57-430BLK
Il prodotto che stai visualizzando fa riferimento a questi numeri
 Acquista in sicurezza
                                Acquista in sicurezza
                            
                             12 mesi di garanzia
                                12 mesi di garanzia
                            
                             Consegna in tutto il mondo
                                Consegna in tutto il mondo
                            
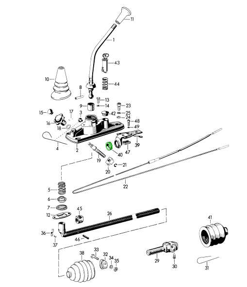
                     Boccola attacco asta cambio. Collezione Porsche 356/911/914/924 Powerflex Heritage
                        
                    
            
            
                    Boccola attacco asta cambio. Collezione Porsche 356/911/914/924 Powerflex Heritage
                     
            
            
                    - Porsche 911 1968-1973 2.2L / 2.4L / 2.7L RS LWB (F)
- Porsche 911 1974-1977 2.7L / 1976-77 3.0 Carrera
- Porsche 911 1978-1983 3.0L / SC
- Porsche 911 1984-1986 3.2L
- Porsche 911 1975-1977 3.0L Turbo (930)
- Porsche 911 1978-1989 3.3L Turbo (930)
- Porsche 924 2.0L 1976-79
- Porsche 356B 1959-63
- Porsche 356C 1963-65
- Porsche 914 (1970-1976)
Numero parte OEM di ricambio: 96442422300.
Si inserisce all'interno del numero di parte dell'accoppiamento del cambio 91142402404

Si adatta:
Non per G50 Transaxle
Porsche 356B 1960-65
F >>110 406 COUPÉ -REUTTER-
F >>153 022 CABRIO HARDTOP
F >> 87 491 ROADSTER
Porsche 911 1970-86
Porsche 911 turbo 1975-88
Porsche 914 1973-76
Porsche 924 1976-79
Fai clic su "Ingrandisci" per il diagramma delle parti di grandi dimensioni.
Diagramma rif. n. 25
Collezione Powerflex Heritage. Per i classici moderni.
Una gamma di boccole progettate per la strada per completare la tua auto d'epoca.
Le boccole POWERFLEX Heritage Collection sono prodotte utilizzando materiali moderni con proprietà orientate alla strada. Queste boccole di colore grigio scuro miglioreranno qualsiasi auto da collezione, pur mantenendo lo stesso aspetto standard di una boccola in gomma.
Numeri di riferimento correlati
Numeri correlati, sostituiti, riferimenti incrociati o alternativi per il confronto.
PFR57-430H
Il prodotto che stai visualizzando fa riferimento a questi numeri
 Acquista in sicurezza
                                Acquista in sicurezza
                            
                             12 mesi di garanzia
                                12 mesi di garanzia
                            
                             Consegna in tutto il mondo
                                Consegna in tutto il mondo
                            
                     Piastra di bloccaggio della guida del cambio. Porsche 356 B
                        
                    
            
            
                    Piastra di bloccaggio della guida del cambio. Porsche 356 B
                     
            
            
                    - Porsche 356B 1959-63

Si adatta:
Porsche 356 B
F 108 918 >> COUPE -REUTTER-
F 152 476 >> CABRIO HARDTOP
F 86 831 >> ROADSTER
Fare clic su "Zoom" per il diagramma delle parti di grandi dimensioni.
Diagramma rif. 47
Numeri di riferimento correlati
Numeri correlati, sostituiti, riferimenti incrociati o alternativi per il confronto.
69542421300
Il prodotto che stai visualizzando fa riferimento a questi numeri
 Acquista in sicurezza
                                Acquista in sicurezza
                            
                             12 mesi di garanzia
                                12 mesi di garanzia
                            
                             Consegna in tutto il mondo
                                Consegna in tutto il mondo
                            
                     Anello guida cambio. Porsche 356 B
                        
                    
            
            
                    Anello guida cambio. Porsche 356 B
                     
            
            
                    - Porsche 356B 1959-63

Si adatta:
Porsche 356 B
F 110 407 >> COUPE -REUTTER-
F 1153 023 >> CABRIO HARDTOP
F 87 492 >> ROADSTER
G 35 001>>
Fare clic su "Zoom" per il diagramma delle parti di grandi dimensioni.
Diagramma rif. 40
Numeri di riferimento correlati
Numeri correlati, sostituiti, riferimenti incrociati o alternativi per il confronto.
69542421101
Il prodotto che stai visualizzando fa riferimento a questi numeri
 Acquista in sicurezza
                                Acquista in sicurezza
                            
                             12 mesi di garanzia
                                12 mesi di garanzia
                            
                             Consegna in tutto il mondo
                                Consegna in tutto il mondo
                            
                     Perno del rullo del cambio. Porsche 356
                        
                    
            
            
                    Perno del rullo del cambio. Porsche 356
                     
            
            
                    - Porsche 356B 1959-63

Si adatta:
Porsche 356 B
Fai clic su "Ingrandisci" per il diagramma delle parti di grandi dimensioni.
Diagramma rif. 8
Numeri di riferimento correlati
Numeri correlati, sostituiti, riferimenti incrociati o alternativi per il confronto.
90009502200
Il prodotto che stai visualizzando fa riferimento a questi numeri
 Acquista in sicurezza
                                Acquista in sicurezza
                            
                             12 mesi di garanzia
                                12 mesi di garanzia
                            
                             Consegna in tutto il mondo
                                Consegna in tutto il mondo
                            
                     Clip a molla del cambio. Porsche 356 B
                        
                    
            
            
                    Clip a molla del cambio. Porsche 356 B
                     
            
            
                    - Porsche 356B 1959-63

Si adatta:
Porsche 356 B
F 117 601 >> COUPE -REUTTER-
F 155 601 >> CABRIO HARDTOP
F 89 601 >> ROADSTER
G 50 001 >>
Fare clic su "Zoom" per il diagramma delle parti di grandi dimensioni.
Diagramma rif. 4
Numeri di riferimento correlati
Numeri correlati, sostituiti, riferimenti incrociati o alternativi per il confronto.
69542417301
Il prodotto che stai visualizzando fa riferimento a questi numeri
 Acquista in sicurezza
                                Acquista in sicurezza
                            
                             12 mesi di garanzia
                                12 mesi di garanzia
                            
                             Consegna in tutto il mondo
                                Consegna in tutto il mondo
                            
                     Asta supporto manovella campana acceleratore. Porsche 356/911/914
                        
                    
            
            
                    Asta supporto manovella campana acceleratore. Porsche 356/911/914
                     
            
            
                    - Porsche 911 1965-1968 2.0L / 912 SWB (F)
- Porsche 911 1968-1973 2.2L / 2.4L / 2.7L RS LWB (F)
- Porsche 911 1974-1977 2.7L / 1976-77 3.0 Carrera
- Porsche 911 1978-1983 3.0L / SC
- Porsche 911 1984-1986 3.2L
- Porsche 911 1987-1989 3.2L G50
- Porsche 911 1975-1977 3.0L Turbo (930)
- Porsche 911 1978-1989 3.3L Turbo (930)
- Porsche 356B 1959-63
- Porsche 356C 1963-65
- Porsche 914 (1970-1976)

Adatto a:
Porsche 356B / 356C 1960-65
Porsche 911 1965-89
Porsche 914-6 / 914-6:SPM 1970-76
Fare clic su "Ingrandisci" per visualizzare lo schema delle parti più grandi.
Riferimento diagramma n. 13
Numeri di riferimento correlati
Numeri correlati, sostituiti, riferimenti incrociati o alternativi per il confronto.
91430130701
Il prodotto che stai visualizzando fa riferimento a questi numeri
 Acquista in sicurezza
                                Acquista in sicurezza
                            
                             12 mesi di garanzia
                                12 mesi di garanzia
                            
                             Consegna in tutto il mondo
                                Consegna in tutto il mondo
                            
                    Componenti per il controllo del cambio Porsche | Ingegneria di precisione per una selezione delle marce fluida e precisa
I componenti del cambio costituiscono il collegamento fondamentale tra la leva del cambio e la trasmissione della tua Porsche. Garantiscono una selezione fluida, precisa e reattiva delle marce, traducendo gli input del conducente in un innesto pulito e preciso. Che sia manuale o automatico, l'integrità del sistema di cambio ha un impatto diretto sulla sensazione di guida, sulla sicurezza e sulle prestazioni della trasmissione.
Da Design911 forniamo componenti di alta qualità per il controllo del cambio, progettati per eguagliare o superare gli standard prestazionali originali. Realizzati con materiali resistenti e progettati per un montaggio di precisione, la nostra gamma comprende tiranti, boccole, cavi, supporti e meccanismi di selezione per ripristinare cambi di marcia precisi ed eliminare giochi o vibrazioni.
Che si tratti di sostituire componenti usurati o di effettuare un upgrade per migliorare le prestazioni, i nostri componenti per il controllo del cambio Porsche garantiscono una migliore sensazione di cambiata, affidabilità e sicurezza del conducente.
A cosa servono i componenti del controllo del cambio?
I componenti di controllo del cambio assicurano che il movimento dalla leva del cambio venga trasferito con precisione al cambio o al meccanismo del selettore, consentendo il corretto innesto delle marce.
 Funzioni principali:
- Trasferire il movimento dalla leva del cambio alla trasmissione.
- Mantenere una selezione delle marce fluida e precisa.
- Assorbono le vibrazioni e impediscono movimenti eccessivi nei collegamenti.
- Fornire un feedback tattile e reattivo durante il cambio marcia.
- Garantire un allineamento coerente sia per i sistemi manuali che per quelli automatici.
 Se i componenti del cambio non funzionano correttamente, i cambi di marcia potrebbero risultare lenti, imprecisi o rumorosi, con conseguente usura e potenziali danni al cambio.
 
Perché i componenti del cambio si guastano o si usurano?
Nel tempo, i componenti del cambio sono sottoposti a continue sollecitazioni meccaniche, calore e vibrazioni, che ne causano usura o disallineamento.
 Le cause più comuni di guasto includono:
- Boccole o giunti di collegamento usurati che causano gioco nel cambio.
- Stiramento o distacco del cavo nei sistemi azionati da cavi.
- Supporti incrinati o giunti metallici affaticati.
- Corrosione o contaminazione da sporco e umidità.
Disallineamento dovuto a cambi bruschi o vibrazioni.
Quando queste parti si deteriorano, i conducenti potrebbero riscontrare cambi di marcia lenti o rigidi, difficoltà nell'inserimento delle marce o movimenti eccessivi della leva del cambio.
 Perché sostituire o aggiornare i componenti del comando del cambio Porsche?
 
La sostituzione di componenti del cambio usurati o danneggiati ripristina la precisione di cambiata, l'innesto preciso e la sicurezza di guida. L'aggiornamento a leveraggi o boccole ad alte prestazioni offre un feedback tattile migliore e riduce i movimenti del cambio.
 Vantaggi principali:
- Ripristina cambi di marcia precisi e reattivi.
- Elimina il gioco eccessivo, l'allentamento o la rigidità del cambio.
- Riduce le vibrazioni e migliora il comfort di guida.
- Migliora la precisione e la sensazione complessiva della selezione delle marce.
- Compatibile con Porsche 911, Cayman, Boxster e modelli classici.
- Ideale per ricostruzioni, restauri e miglioramenti delle prestazioni.
Si consiglia di sostituire i componenti del comando del cambio durante la manutenzione della frizione o del cambio per mantenere l'integrità della trasmissione e la costanza delle prestazioni.
 Punti salienti
- Ricambi di alta qualità per il controllo del cambio Porsche, per trasmissioni manuali e automatiche.
- Progettato con precisione per cambi di marcia fluidi e precisi.
- Include collegamenti, boccole, supporti e componenti del selettore.
- Ricambi direttamente adatti ai modelli Porsche da strada e ad alte prestazioni.
- Migliora la qualità del cambio, la precisione e l'affidabilità a lungo termine.
- Essenziale per la manutenzione, il restauro o gli aggiornamenti della trasmissione.
 
 
        
 
                                     
                                     
                 
                 
                 
                 
                 
                 
                 
                 
                 
                 
                 
                 
                 
                 
                 
                 
                 
                 
                 
                 
                 
                 
                 
                