non premere il tasto di ritorno…
-
Parti del motore
-
- Componenti elettrici del motore Batterie e caricabatterie Bobina di accensione Sensori di velocità/riferimento/urto
-
- Parti di ricostruzione del motore Componenti del sistema dell'olio Parti del sistema di alimentazione del carburante Guarnizioni e set Cinghie/tenditori/rulli Catene e tenditori Cuscinetti/calotte del motore Valvole/guide/molle del motore Bilancieri Viti prigioniere del motore Supporti del motore Fasce elastiche dei pistoni Cilindri/camicie/pistoni del motore Biella Testata Alberi a camme Ingranaggi/ruote dentate e fissaggi dell'albero a camme Parti del carter Albero a gomiti e parti Turbocompressori/Intercooler e parti Presa d'aria e iniezione Strumenti specialistici
-
Freni
-
- Freni Pastiglie dei freni e pacchetto dischi Disco del freno standard Pastiglie dei freni standard Disco del freno SPORT Freni standard Brembo Freni Brembo Racing Freni TEXTAR Freni da gara PAGID Freni Zimmermann Freni ad alte prestazioni SHW Freni EBC Ricambio per disco in ceramica Sensori di usura delle pastiglie dei freni Spessori anti-vibrazioni per pastiglie dei freni Bulloni della pinza / viti del disco Kit perni e piastre guida Tubi flessibili per freni ad alte prestazioni Tubi flessibili per freni standard Pinza e condotti del freno Pinze dei freni Aggiornamenti delle pinze dei freni Ganasce del freno a mano tutte le categorie
-
-
Sospensioni e sterzo
-
- Sospensione e assale Barra antirollio Boccole della barra antirollio Staffa della barra antirollio Stabilizzatori e boccole ANTERIORI Stabilizzatori e boccole POSTERIORI Ammortizzatori ANTERIORI Parti degli ammortizzatori ANTERIORI Ammortizzatori POSTERIORI Parti degli ammortizzatori POSTERIORI Bracci oscillanti ANTERIORI Braccio oscillante POSTERIORE tutte le categorie
-
Trasmissione
-
- Cambio / trasmissione Parti del cambio Alberi di trasmissione e parti Serie di guarnizioni del cambio Parti di controllo del cambio Volano/coppia Kit giunti omocinetici Cuffie e kit giunto omocinetico Albero cardanico / albero di trasmissione Parti della trasmissione Olio del cambio Coppa del cambio / coppa dell'olio Differenziale anteriore Differenziale Raffreddatori dell'olio Scatola di rinvio e parti
-
- Raffreddamento e riscaldamento
-
Elettrico e illuminazione
-
- Componenti elettrici e relè Interruttore luce di frenata Interruttore del freno a mano Interruttore del finestrino Clacson elettrico Pompe/contenitori/getti per lavavetri Allarmi/sicurezza/chiusura centralizzata Centraline elettroniche Parti e interruttori del cruscotto / della console Interruttore specchietto retrovisore esterno Airbag e parti Localizzatore Alloggiamento connettori Cablaggio
-
-
Corpo e scarico
-
- Telaio / Carrozzeria Ammortizzatore del coperchio del cofano motore Ammortizzatore del portello del bagagliaio Cofani / serrature e chiavistelli Portello posteriore / portellone Paraurti anteriori Paraurti posteriori Porte / serrature e chiavistelli Pannelli per porte | Cerniere | Piastre percussori Alzacristalli Parafanghi anteriori e parti Parafanghi posteriori e parti Specchietti e parti Pellicole/adesivi parasassi Sottoscocche telaio e motore Bracci e spazzole tergicristallo posteriori Rivestimenti e coperture dei passaruota Tetto - Cabrio / Targa / Coupé Coperture in plastica Insonorizzazione Parabrezza Lunotto Vetro laterale posteriore tutte le categorie
-
-
Lubrificanti e fluidi
-
- Parti di ricambio Filtri dell'olio Filtri dell'aria Filtri antipolline/antiparticolato Cinghie di tutti i tipi Candele Spazzole/bracci dei tergicristalli Bracci e spazzole tergicristallo posteriori Parti di ricambio della scatola del cambio Olio motore e lubrificanti - Mobil Olio motore e lubrificanti - Total Olio motore e lubrificanti - Castrol Olio Motore e Lubrificanti - Motul Olio motore e lubrificanti - Millers Oils NanoDrive Olio motore e lubrificanti - Millers Oils Additivi per carburanti DPI per autofficina
-
-
Tutte le parti
-
- Parti Accessori Telaio / Carrozzeria Freni Abbigliamento e regali Componenti elettrici e relè Raffreddamento del motore Componenti elettrici del motore Parti di ricostruzione del motore Parti per alte prestazioni Scarichi Linea esterni / spoiler Cambio / trasmissione Riscaldamento/climatizzazione Componenti idraulici Interni e accessori Incar / multimedia Illuminazione Tappetini e tappeti Motorsport e fuoristrada Pedaliera Guarnizioni di gomma Sedili e cinture di sicurezza tutte le categorie
-
- Back to main website
Inserisci il tuo numero di partiva IVA qui e fai clic su Verifica:
Nessuna necessità di inserire la parte del numero di partita IVA relativa al codice del paese poiché questa è già stato selezionata nel predetto indirizzo di fatturazione.
I tuoi dati sono stati verificati. Numero di partita IVA registrato a:
,
.
Al tuo ordine sarà applicata un’aliquota pari a zero ai fini dell’IVA. Ci riserviamo il diritto di verificare questi dettagli dopo che la tua richiesta d’ordine è stata fatta e di reintegrare l’IVA se necessario.
I tuoi dati IVA non sono stati riconosciuti o non erano validi. Il tuo numero di partita IVA deve corrispondere al tuo paese di fatturazione come specificato sopra. Attualmente è specificato come . Non occorre inserire inserire la parte del numero di partita IVA relativa al codice del paese poiché questa è già stato selezionata nei dettagli del predetto indirizzo di fatturazione.
Il servizio di verifica della partita IVA è attualmente offline. Per favore fornisci i tuoi dati IVA all’interno dei commenti o nel campo delle istruzioni speciali sotto e noi applicheremo uno sconto IVA dopo aver fatto la richiesta d’ordine.
Pompa elettrica del liquido di raffreddamento. Porsche 957 Caienna / 958 Caienna ❭ 95857215010
- Porsche 957 Cayenne 3.0L Diesel 2007-10
- Porsche 957 Cayenne 3.6L 2007-10
- Porsche 957 Cayenne S / GTS 4.8L 2007-10
- Porsche 957 Cayenne Turbo / Turbo S 4.8L 2007-10
- Porsche 958 Cayenne V6 3.6L Petrol (300Hp) 2010-17
- Porsche 958 Cayenne V6 3.0L Diesel (245Hp) 2010-17
- Porsche 958 Cayenne S V6 3.0L Hybrid (380Hp) 2010-17
- Porsche 958 Cayenne S V8 4.8L Petrol (400Hp) 2010-17
- Porsche 958 Cayenne S V8 4.2L Diesel (382Hp) 2010-17
- Porsche 958 Cayenne GTS V8 4.8L Petrol (400Hp) 2010-17
- Porsche 958 Cayenne Turbo V8 4.8L Petrol (500Hp) 2010-17
- Porsche 958 Cayenne Turbo S V8 4.8L Petrol (550Hp) 2010-17

Si adatta:
Porsche 957 Caienna 2001-10
Auto con impianto di climatizzazione a 4 zone (codice opzione: 9AH)
Automobili con Riscaldatore ausiliario con timer integrato (codice opzione: 7VE)
Automobili con Riscaldatore ausiliario con timer integrato e telecomando (codice opzione: 7VL)
Porsche 958 Caienna 2010-18
Auto con Climatronic, senza CFC (codice opzione: 9AD)
Automobili con Boiler con timer (codice opzione: 9M1)
Automobili con preriscaldatore per diesel (codice opzione: 9M5)
Automobili con Riscaldatore ausiliario con timer integrato e telecomando (codice opzione: (9M9)
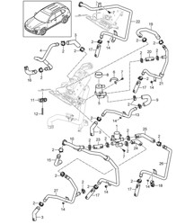
Fai clic su "Ingrandisci" per il diagramma delle parti di grandi dimensioni.
Diagramma rif. 10
Numeri di riferimento correlati
Numeri correlati, sostituiti, riferimenti incrociati o alternativi per il confronto.
95857215010
Il prodotto che stai visualizzando fa riferimento a questi numeri
- Porsche 992.1 Carrera 2 3.0L 2019-24
- Porsche 992.1 Carrera 4 3.0L 2019-24
- Porsche 992.1 Carrera 2 Cabriolet 3.0L 2019-24
- Porsche 992.1 Carrera 4 Cabriolet 3.0L 2019-24
- Porsche 992.1 Carrera 4S / GTS 3.0L 2019-24
- Porsche 992.1 Carrera 2S / GTS Cabriolet 3.0L 2019-24
- Porsche 992.1 Carrera 4S / GTS Cabriolet 3.0L 2019-24
- Porsche 992.1 Targa 4 3.0L 2020-24
- Porsche 992.1 Targa 4S / GTS 3.0L 2020-24
- Porsche 992.1 Speedster 4.0L 2019-24
- Porsche 992.1 Turbo 3.8L 2020-24
- Porsche 992.1 Turbo S 3.8L 2020-24
- Porsche 992.1 Turbo Cabriolet 3.8L 2020-24
- Porsche 992.1 Turbo S Cabriolet 3.8L 2020-24
- Porsche 992.1 GT3 4.0L / 992 S/T 4.0L 2021-24
- Porsche 992.1 GT3 RS 4.0L 2022-24
- Porsche 992.1 (911) Sport Classic 3.8L 2023
- Porsche 992.1 (911) Dakar 3.0L 2023-24
- Porsche 9YA Cayenne V6 3.0L Petrol (340Hp) 2018-23
- Porsche 9YA Cayenne Coupe V6 3.0L Petrol (340Hp) 2019-23
- Porsche 9YA Cayenne E-Hybrid V6 3.0L V6 (340Hp) 2018-23
- Porsche 9YA Cayenne Coupe E-Hybrid V6 3.0L (340Hp) 2020-23
- Porsche 9YA Cayenne S V6 2.9L Petrol (440Hp) 2018-23
- Porsche 9YA Cayenne Coupe S V6 2.9L Petrol (440Hp) 2019-23
- Porsche 9YA Cayenne GTS V8 4.0L Petrol (460Hp) 2020-23
- Porsche 9YA Cayenne Coupe GTS V8 4.0L Petrol (460Hp) 2021-23
- Porsche 9YA Cayenne Turbo V8 4.0L Petrol (550Hp) 2020-23
- Porsche 9YA Cayenne Coupe Turbo V8 4.0L Petrol (550Hp) 2019-23
- Porsche 9YA Cayenne Turbo S E-Hybrid V8 4.0L (550Hp) 2019-23
- Porsche 9YA Cayenne Coupe Turbo S E-Hybrid V8 4.0L (550Hp) 2020-23
- Porsche 9YA Cayenne Coupe Turbo GT V8 4.0L (640Hp) 2021-23
- Porsche 971.1 Panamera V6 3.0L 2WD (330 Hp) 2017-20
- Porsche 971.1 Panamera 4 V6 3.0L 4WD (330 Hp) 2017-20
- Porsche 971.1 Panamera 4 V6 3.0L 4WD Executive 2017-20
- Porsche 971.1 Panamera 4 3.0L Turbocharged V6 Sport Turismo 2017-20
- Porsche 971.1 Panamera 4S V6 3.0L 4WD (440 Hp) 2017-20
- Porsche 971.1 Panamera 4S V6 3.0L 4WD Executive 2017-20
- Porsche 971.1 Panamera 4S 2.9L Twin-Turbo V6 Sport Turismo 2017-20
- Porsche 971.1 Panamera 4S Diesel V8 4.0L 4WD (422 Hp) 2017-18
- Porsche 971.1 Panamera 4S Diesel 4.0L Twin-Turbo V8 Sport Turismo 2017-18
- Porsche 971.1 Panamera 4 E-Hybrid V6 2.9L 4WD 2017-20
- Porsche 971.1 Panamera 4 E-Hybrid V6 2.9L 4WD Executive 2017-20
- Porsche 971.1 Panamera 4 E-Hybrid 2.9L Twin-Turbo V6 Sport Turismo 2017-20
- Porsche 971.1 Panamera Turbo V8 4.0L 4WD (550 Hp) 2017-20
- Porsche 971.1 Panamera Turbo V8 4.0L 4WD Executive 2017-20
- Porsche 971.1 Panamera Turbo 4.0L Twin-Turbo V8 Sport Turismo 2017-20
- Porsche 971.1 Panamera Turbo S E-Hybrid V8 4.0L 4WD 2017-20
- Porsche 971.1 Panamera Turbo S E-Hybrid V8 4.0L 4WD Executive 2017-20
- Porsche 971.2 Panamera 2.9L V6 2021-23
- Porsche 971.2 Panamera 4 2.9L V6 2021-23
- Porsche 971.2 Panamera 4 Sport Turismo 2.9L V6 2021-23
- Porsche 971.2 Panamera 4S 2.9L V6 2021-23
- Porsche 971.2 Panamera 4S Sport Turismo 2.9L V6 2021-23
- Porsche 971.2 Panamera 4 E-Hybrid 2.9L V6 2021-23
- Porsche 971.2 Panamera 4 E-Hybrid Sport Turismo 2.9L V6 2021-23
- Porsche 971.2 Panamera 4S E-Hybrid 2.9L V6 2021-23
- Porsche 971.2 Panamera 4S E-Hybrid Sport Turismo 2.9L V6 2021-23
- Porsche 971.2 Panamera GTS 4.0L V8 2021-23
- Porsche 971.2 Panamera GTS Sport Turismo 4.0L V8 2021-23
- Porsche 971.2 Panamera Turbo S 4.0L V8 2021-23
- Porsche 971.2 Panamera Turbo S Sport Turismo 4.0L V8 2021-23
- Porsche 971.2 Panamera Turbo S E-Hybrid 4.0L V8 2021-23
- Porsche 971.2 Panamera Turbo S E-Hybrid Sport Turismo 4.0L V8 2021-23
Adatto a:
Porsche 971 Panamera BENZINA 2017>> (I0K0 / I1A2 / I9M1 / I9M9)
Porsche 971 Panamera DIESEL 2017>> (I0K0 / I0F5 / I9M1 / I9M9)
Porsche 971 Panamera IBRIDA 2017>> (I0K3 / I9M0 / I1A2)
Porsche 971.2 Panamera
Porsche Cayenne (9YA) 2018>> (I9M9)
Porsche 992.1 Carrera/Turbo/GT3
I0K0 - auto senza sistema di propulsione alternativo
I9M0 - auto senza riscaldamento ausiliario/di parcheggio
I0F5 - auto con sistema di alimentazione Diesel
I1A2 - auto con iniezione diretta di benzina (DFI)
I9M1 - auto con riscaldatore ausiliario dell'acqua con timer
I9M9 - auto con scaldabagno ausiliario con timer e telecomando
I9M5 - auto con preriscaldatore per gasolio
I0K3 - auto con sistema di propulsione ibrido PHEV
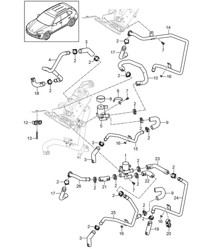
Riferimento diagramma n. 9
Numeri di riferimento correlati
Numeri correlati, sostituiti, riferimenti incrociati o alternativi per il confronto.
9A712160110
Il prodotto che stai visualizzando fa riferimento a questi numeri
- Porsche 9YA Cayenne V6 3.0L Petrol (340Hp) 2018-23
- Porsche 9YA Cayenne Coupe V6 3.0L Petrol (340Hp) 2019-23
- Porsche 9YA Cayenne E-Hybrid V6 3.0L V6 (340Hp) 2018-23
- Porsche 9YA Cayenne Coupe E-Hybrid V6 3.0L (340Hp) 2020-23
- Porsche 9YA Cayenne S V6 2.9L Petrol (440Hp) 2018-23
- Porsche 9YA Cayenne Coupe S V6 2.9L Petrol (440Hp) 2019-23
- Porsche 971.1 Panamera V6 3.0L 2WD (330 Hp) 2017-20
- Porsche 971.1 Panamera 4 V6 3.0L 4WD (330 Hp) 2017-20
- Porsche 971.1 Panamera 4 V6 3.0L 4WD Executive 2017-20
- Porsche 971.1 Panamera 4 3.0L Turbocharged V6 Sport Turismo 2017-20
- Porsche 971.1 Panamera 4S V6 3.0L 4WD (440 Hp) 2017-20
- Porsche 971.1 Panamera 4S V6 3.0L 4WD Executive 2017-20
- Porsche 971.1 Panamera 4S 2.9L Twin-Turbo V6 Sport Turismo 2017-20
- Porsche 971.1 Panamera 4 E-Hybrid V6 2.9L 4WD 2017-20
- Porsche 971.1 Panamera 4 E-Hybrid V6 2.9L 4WD Executive 2017-20
- Porsche 971.1 Panamera 4 E-Hybrid 2.9L Twin-Turbo V6 Sport Turismo 2017-20
- Porsche 971.2 Panamera 2.9L V6 2021-23
- Porsche 971.2 Panamera 4 2.9L V6 2021-23
- Porsche 971.2 Panamera 4 Sport Turismo 2.9L V6 2021-23
- Porsche 971.2 Panamera 4S 2.9L V6 2021-23
- Porsche 971.2 Panamera 4S Sport Turismo 2.9L V6 2021-23
- Porsche 971.2 Panamera 4 E-Hybrid 2.9L V6 2021-23
- Porsche 971.2 Panamera 4 E-Hybrid Sport Turismo 2.9L V6 2021-23
- Porsche 971.2 Panamera 4S E-Hybrid 2.9L V6 2021-23
- Porsche 971.2 Panamera 4S E-Hybrid Sport Turismo 2.9L V6 2021-23
- Porsche 95B.2 Macan S Petrol 3.0L V6 (354Bhp) 2019-21
- Porsche 95B.2 Macan GTS Petrol 2.9L V6 (380Bhp) 2019-21
- Porsche 95B.2 Macan Turbo 2.9L V6 (440Bhp) 2019-21
- Porsche 95B.3 Macan S Petrol 2.9L V6 (380Bhp) 2022>>
- Porsche 95B.3 Macan GTS Petrol 2.9L V6 (440Bhp) 2022>>
Adatto a:
Porsche 971 Panamera 2.9L V6 Bi Turbo 2017-2020
Porsche 971 Panamera 2.9L Ibrida 2017-2020
Porsche 971 Panamera 3.0L V6 Turbo 2017-2020
Porsche 971.2 Panamera 2.9L 2021>>
Porsche 971.2 Panamera 4 E-Hybrid 2.9L 2021>>
Porsche 9YA Cayenne 2.9L V6 Bi Turbo 2017-2020
Porsche 9YA Cayenne 3.0L V6 Turbo 2017-2020
Porsche 9YA Cayenne E-Hybrid 3.0L V6 Turbo 2019-2023
Porsche 95B.2 Macan 2.9L 2019>>
Porsche 95B.2 Macan 3.0L 2019>>
Porsche 95B.3 Macan 2.9L 2022>>
Schema rif. n. 6
Numeri di riferimento correlati
Numeri correlati, sostituiti, riferimenti incrociati o alternativi per il confronto.
PAB121115B
Il prodotto che stai visualizzando fa riferimento a questi numeri
- Porsche 9YA Cayenne V6 3.0L Petrol (340Hp) 2018-23
- Porsche 9YA Cayenne Coupe V6 3.0L Petrol (340Hp) 2019-23
- Porsche 9YA Cayenne E-Hybrid V6 3.0L V6 (340Hp) 2018-23
- Porsche 9YA Cayenne Coupe E-Hybrid V6 3.0L (340Hp) 2020-23
- Porsche 9YA Cayenne S V6 2.9L Petrol (440Hp) 2018-23
- Porsche 9YA Cayenne Coupe S V6 2.9L Petrol (440Hp) 2019-23
- Porsche 971.1 Panamera V6 3.0L 2WD (330 Hp) 2017-20
- Porsche 971.1 Panamera 4 V6 3.0L 4WD (330 Hp) 2017-20
- Porsche 971.1 Panamera 4 V6 3.0L 4WD Executive 2017-20
- Porsche 971.1 Panamera 4 3.0L Turbocharged V6 Sport Turismo 2017-20
- Porsche 971.1 Panamera 4S V6 3.0L 4WD (440 Hp) 2017-20
- Porsche 971.1 Panamera 4S V6 3.0L 4WD Executive 2017-20
- Porsche 971.1 Panamera 4S 2.9L Twin-Turbo V6 Sport Turismo 2017-20
- Porsche 971.1 Panamera 4 E-Hybrid V6 2.9L 4WD 2017-20
- Porsche 971.1 Panamera 4 E-Hybrid V6 2.9L 4WD Executive 2017-20
- Porsche 971.1 Panamera 4 E-Hybrid 2.9L Twin-Turbo V6 Sport Turismo 2017-20
- Porsche 971.2 Panamera 2.9L V6 2021-23
- Porsche 971.2 Panamera 4 2.9L V6 2021-23
- Porsche 971.2 Panamera 4 Sport Turismo 2.9L V6 2021-23
- Porsche 971.2 Panamera 4S 2.9L V6 2021-23
- Porsche 971.2 Panamera 4S Sport Turismo 2.9L V6 2021-23
- Porsche 971.2 Panamera 4 E-Hybrid 2.9L V6 2021-23
- Porsche 971.2 Panamera 4 E-Hybrid Sport Turismo 2.9L V6 2021-23
- Porsche 971.2 Panamera 4S E-Hybrid 2.9L V6 2021-23
- Porsche 971.2 Panamera 4S E-Hybrid Sport Turismo 2.9L V6 2021-23
- Porsche 95B.2 Macan S Petrol 3.0L V6 (354Bhp) 2019-21
- Porsche 95B.2 Macan GTS Petrol 2.9L V6 (380Bhp) 2019-21
- Porsche 95B.2 Macan Turbo 2.9L V6 (440Bhp) 2019-21
- Porsche 95B.3 Macan S Petrol 2.9L V6 (380Bhp) 2022>>
- Porsche 95B.3 Macan GTS Petrol 2.9L V6 (440Bhp) 2022>>
Adatto a:
Porsche 95B.2 Macan 2.9L / 3.0L 2018-21
Porsche 95B.3 Macan 2.9L 2022>>
Porsche 971.1 Panamera 2.9L / 3.0L 2016-20
Porsche 971.2 Panamera 2.9L 2021>>
Porsche 9YA Cayenne 2.9L / 3.0L 2017-21
NOTA: LA POMPA DELL'ACQUA È FORNITA CON GUARNIZIONE DI MONTAGGIO.
Numeri di riferimento correlati
Numeri correlati, sostituiti, riferimenti incrociati o alternativi per il confronto.
9A712101304
Il prodotto che stai visualizzando fa riferimento a questi numeri
Lunedì-venerdì: 8.30-17.30 (GMT) Sabato: chiuso Domenica: chiuso