non premere il tasto di ritorno…
-
Parti del motore
-
- Componenti elettrici del motore Alternatore/generatore Batterie e caricabatterie Distributore Cappuccio distributore Bracci del rotore / serie di puntine Relè/fusibili Bobina di accensione Centraline di accensione Serie di cavi d'accensione Cavo di accensione ad alte prestazioni Motorini di avviamento tutte le categorie
-
- Parti di ricostruzione del motore Albero intermedio (IMS) Componenti del sistema dell'olio Parti del sistema di alimentazione del carburante Guarnizioni e set Cinghie/tenditori/rulli Catene e tenditori Cuscinetti/calotte del motore Valvole/guide/molle del motore Bilancieri Viti prigioniere del motore Supporti del motore Fasce elastiche dei pistoni Cilindri/camicie/pistoni del motore Biella Testata Albero a camme e parti Alberi a camme Ingranaggi/ruote dentate e fissaggi dell'albero a camme Parti del carter Albero a gomiti e parti Articoli di latta per il motore Presa d'aria e iniezione tutte le categorie
-
Freni
-
- Freni Pastiglie dei freni e pacchetto dischi Disco del freno standard Pastiglie dei freni standard Freni standard Brembo Freni Brembo Racing Freni TEXTAR Freni da gara PAGID Freni Zimmermann Freni EBC Spessori anti-vibrazioni per pastiglie dei freni Bulloni della pinza / viti del disco Kit perni e piastre guida Tubi flessibili per freni ad alte prestazioni Tubi flessibili per freni standard Pinza e condotti del freno Pinze dei freni Aggiornamenti delle pinze dei freni Ganasce del freno a mano Cavi del freno a mano Piastre di copertura del disco del freno Guarnizione della pinza / pistoni della pinza Servofreno tutte le categorie
-
-
Sospensioni e sterzo
-
- Sospensione e assale Barra antirollio Boccole della barra antirollio Staffa della barra antirollio Stabilizzatori e boccole POSTERIORI Ammortizzatori ANTERIORI Parti degli ammortizzatori ANTERIORI Ammortizzatori POSTERIORI Parti degli ammortizzatori POSTERIORI Braccio oscillante POSTERIORE Cuscinetti e kit per ruote Dado del mozzo tutte le categorie
-
Trasmissione
-
- Cambio / trasmissione Kit frizione Spingidisco frizione Cuscinetti di rilascio della frizione Cavi e parti della frizione Tubo di guida della frizione Forcelle e leve della frizione Parti del cambio Alberi di trasmissione e parti Serie di guarnizioni del cambio Supporti del cambio Parti di controllo del cambio Volano/coppia Kit giunti omocinetici Cuffie e kit giunto omocinetico Albero cardanico / albero di trasmissione Olio del cambio Coppa del cambio / coppa dell'olio Differenziale Componenti per sport motoristici
-
- Raffreddamento e riscaldamento
-
Elettrico e illuminazione
-
- Componenti elettrici e relè Pompe del carburante Interruttore luce di frenata Interruttore del freno a mano Interruttore della luce di retromarcia Interruttore dei fari Meccanismo del finestrino Clacson elettrico Unità di controllo SmartTop Interruttore di accensione Interruttore freccia / leva tergicristallo Relè / fusibili Pompe/contenitori/getti per lavavetri Allarmi/sicurezza/chiusura centralizzata Centraline elettroniche Parti e interruttori del cruscotto / della console Attivatori e motorini cofano / portello posteriore / spoiler Localizzatore Alloggiamento connettori Cablaggio
-
- Illuminazione Fari per guida a destra Fari per guida a sinistra Parti e lenti dei fari Indicatori di direzione anteriori Indicatori di direzione posteriori per guida a destra Indicatori di direzione posteriori per guida a sinistra Fari fendinebbia / di guida Ripetitori laterali Luci della targa Luci centrali / riflettori posteriori Griglie per clacson tutte le categorie
-
-
Corpo e scarico
-
- Telaio / Carrozzeria Restauro telaio / Riparazione pannelli Cofani / serrature e chiavistelli Bagagliaio / portello posteriore / serrature e chiavistelli Portello posteriore / portellone Paraurti anteriori Paraurti posteriori Porte / serrature e chiavistelli Pannelli per porte | Cerniere | Piastre percussori Alzacristalli Parafanghi anteriori e parti Parafanghi posteriori e parti Pannelli sottoporta laterali Modanature esterne del telaio Specchietti e parti Pellicole/adesivi parasassi Spazzole/bracci dei tergicristalli Rivestimenti e coperture dei passaruota Tetto - Cabrio / Targa / Coupé Scocca di protezione Insonorizzazione Parabrezza Lunotto tutte le categorie
-
-
Scarichi
Silenziatori / Marmitte Sportivi
2 INGRESSI / 1 USCITA
Silenziatori Sportivi 2 INGRESSI / 2 USCITE
Silenziatori di serie 2 INGRESSI / 2 USCITE
Silenziatori Sportivi Silenziatori/marmitte Collettore/collettori Terminali di scarico Scambiatori di calore Guarnizioni di scarico Dadi/bulloni/prigionieri di scarico Staffe/morsetti/cinghie tutte le categorie
-
Scarichi
Silenziatori / Marmitte Sportivi
2 INGRESSI / 1 USCITA
-
-
Lubrificanti e fluidi
-
- Parti di ricambio Filtri dell'olio Filtri dell'aria Cinghie di tutti i tipi Candele Candele IRIDIUM POWER Bobine di accensione Spazzole/bracci dei tergicristalli Bracci e spazzole tergicristallo posteriori Parti di ricambio della scatola del cambio Olio motore Porsche Classic Olio motore e lubrificanti - Mobil Olio motore e lubrificanti - Total Olio motore e lubrificanti - Castrol Olio Motore e Lubrificanti - Motul Olio motore e lubrificanti - Millers Oils NanoDrive Olio motore e lubrificanti - Millers Oils Additivi per carburanti DPI per autofficina
-
-
Tutte le parti
-
- Parti Accessori Telaio / Carrozzeria Freni Abbigliamento e regali Componenti elettrici e relè Raffreddamento del motore Componenti elettrici del motore Parti di ricostruzione del motore Parti per alte prestazioni Scarichi Linea esterni / spoiler Cambio / trasmissione Riscaldamento/climatizzazione Componenti idraulici Interni e accessori Incar / multimedia Illuminazione Tappetini e tappeti Motorsport e fuoristrada Pedaliera Guarnizioni di gomma Sedili e cinture di sicurezza tutte le categorie
-
- Back to main website
Inserisci il tuo numero di partiva IVA qui e fai clic su Verifica:
Nessuna necessità di inserire la parte del numero di partita IVA relativa al codice del paese poiché questa è già stato selezionata nel predetto indirizzo di fatturazione.
I tuoi dati sono stati verificati. Numero di partita IVA registrato a:
,
.
Al tuo ordine sarà applicata un’aliquota pari a zero ai fini dell’IVA. Ci riserviamo il diritto di verificare questi dettagli dopo che la tua richiesta d’ordine è stata fatta e di reintegrare l’IVA se necessario.
I tuoi dati IVA non sono stati riconosciuti o non erano validi. Il tuo numero di partita IVA deve corrispondere al tuo paese di fatturazione come specificato sopra. Attualmente è specificato come . Non occorre inserire inserire la parte del numero di partita IVA relativa al codice del paese poiché questa è già stato selezionata nei dettagli del predetto indirizzo di fatturazione.
Il servizio di verifica della partita IVA è attualmente offline. Per favore fornisci i tuoi dati IVA all’interno dei commenti o nel campo delle istruzioni speciali sotto e noi applicheremo uno sconto IVA dopo aver fatto la richiesta d’ordine.
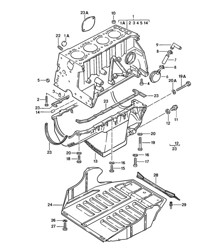
Tappo di scarico dell'olio. Porsche 924 ❭ 059103193
- Porsche 924 2.0L 1976-79
- Porsche 924 2.0L 1980-85
- Porsche 924 Turbo 2.0L 1979-81
- Porsche 924 Turbo 2.0L 1982-84
- Porsche 924 Carrera GT 2.0L 1981
- Porsche 924 Carrera GTS 2.0L 1982

Si adatta:
Porsche 924 1976-85
Fai clic su "Ingrandisci" per il diagramma delle parti di grandi dimensioni.
Diagramma rif. n. 11
Numeri di riferimento correlati
Numeri correlati, sostituiti, riferimenti incrociati o alternativi per il confronto.
059103193
Il prodotto che stai visualizzando fa riferimento a questi numeri
- Porsche 911 1965-1968 2.0L / 912 SWB (F)
- Porsche 911 1968-1973 2.2L / 2.4L / 2.7L RS LWB (F)
- Porsche 356 1950-55
- Porsche 356A 1955-59
- Porsche 356B 1959-63
- Porsche 356C 1963-65

Si adatta:
Porsche 356
Porsche 911 1965-73
Fai clic su "Ingrandisci" per il diagramma delle parti di grandi dimensioni.
Diagramma rif. 40.
Numeri di riferimento correlati
Numeri correlati, sostituiti, riferimenti incrociati o alternativi per il confronto.
90002800801
Il prodotto che stai visualizzando fa riferimento a questi numeri
- Porsche 911 1965-1968 2.0L / 912 SWB (F)
- Porsche 911 1968-1973 2.2L / 2.4L / 2.7L RS LWB (F)
- Porsche 356 1950-55
- Porsche 356A 1955-59
- Porsche 356B 1959-63
- Porsche 356C 1963-65

Si adatta:
Porsche 356
Porsche 911 1965-73
Fai clic su "Ingrandisci" per il diagramma delle parti di grandi dimensioni.
Diagramma rif. n. 41
Numeri di riferimento correlati
Numeri correlati, sostituiti, riferimenti incrociati o alternativi per il confronto.
N02214812
Il prodotto che stai visualizzando fa riferimento a questi numeri
- Porsche 911 1965-1968 2.0L / 912 SWB (F)
- Porsche 356 1950-55
- Porsche 356A 1955-59
- Porsche 356B 1959-63
- Porsche 356C 1963-65

Si adatta:
Porsche 912 1965-69
Porsche 356 1950-59 1300 / 1500 / 1600 (non GS o GT)
Porsche 356 1960-65 1600 SC
Fai clic su "Ingrandisci" per il diagramma delle parti di grandi dimensioni.
Diagramma rif. 27
Numeri di riferimento correlati
Numeri correlati, sostituiti, riferimenti incrociati o alternativi per il confronto.
PCG00113300
Il prodotto che stai visualizzando fa riferimento a questi numeri
Lunedì-venerdì: 8.30-17.30 (GMT) Sabato: chiuso Domenica: chiuso