non premere il tasto di ritorno…
-
Parti del motore
-
- Raffreddamento del motore Tubi flessibili per acqua/refrigerante Radiatori per acqua / refrigerante Pompe dell'acqua / del refrigerante Contenitori / serbatoi di espansione per refrigerante Termostato / sensore di temperatura Radiatori dell'olio / scambiatori di calore Olio motore Refrigerante/antigelo
-
- Parti di ricostruzione del motore Componenti del sistema dell'olio Parti del sistema di alimentazione del carburante Guarnizioni e set Guarnizione radiale/RMS/albero a camme/albero di bilanciamento Cinghie/tenditori/rulli Catene e tenditori Coperchi distribuzione e guarnizioni Cuscinetti/calotte del motore Valvole/guide/molle del motore Viti prigioniere del motore Supporti del motore Fasce elastiche dei pistoni Cilindri/camicie/pistoni del motore Biella Testata Albero a camme e parti Ingranaggi/ruote dentate e fissaggi dell'albero a camme Parti del carter Albero a gomiti e parti Turbocompressori/Intercooler e parti Presa d'aria e iniezione Pompa a vuoto tutte le categorie
-
-
Freni
-
- Freni Pastiglie dei freni e pacchetto dischi Disco del freno standard Pastiglie dei freni standard Disco del freno SPORT Freni standard Brembo Freni Brembo Racing Freni TEXTAR Freni da gara PAGID Freni Zimmermann Freni ad alte prestazioni SHW Freni EBC Dischi per freni O-Brake Ricambio per disco in ceramica Sensori di usura delle pastiglie dei freni Spessori anti-vibrazioni per pastiglie dei freni Bulloni della pinza / viti del disco Kit perni e piastre guida Tubi flessibili per freni ad alte prestazioni Tubi flessibili per freni standard Pinza e condotti del freno Pinze dei freni Aggiornamenti delle pinze dei freni tutte le categorie
-
-
Sospensioni e sterzo
-
- Sospensione e assale Barra antirollio Boccole della barra antirollio Staffa della barra antirollio Stabilizzatori e boccole ANTERIORI Stabilizzatori e boccole POSTERIORI Ammortizzatori ANTERIORI Parti degli ammortizzatori ANTERIORI Ammortizzatori POSTERIORI Parti degli ammortizzatori POSTERIORI Molle elicoidali ANTERIORI Molle elicoidali POSTERIORI tutte le categorie
-
Trasmissione
-
- Cambio / trasmissione Kit frizione Piastra di attrito frizione Tubo di guida della frizione Bulloni della frizione Parti del cambio Alberi di trasmissione e parti Serie di guarnizioni del cambio Supporti del cambio Volano/coppia Kit giunti omocinetici Cuffie e kit giunto omocinetico Albero cardanico / albero di trasmissione Parti della trasmissione Olio del cambio Coppa del cambio / coppa dell'olio Differenziale anteriore Differenziale Sensori di velocità/riferimento Raffreddatori dell'olio Scatola di rinvio e parti
-
- Raffreddamento e riscaldamento
-
Elettrico e illuminazione
-
- Componenti elettrici e relè Interruttore dei fari Interruttore del finestrino Clacson elettrico Interruttore di accensione Relè / fusibili Pompe/contenitori/getti per lavavetri Allarmi/sicurezza/chiusura centralizzata Centraline elettroniche Parti e interruttori del cruscotto / della console Interruttore specchietto retrovisore esterno Attivatori e motorini cofano / portello posteriore / spoiler Airbag e parti Localizzatore Alloggiamento connettori
-
- Illuminazione Fari per guida a destra Fari per guida a sinistra Parti e lenti dei fari Indicatori di direzione anteriori Indicatori di direzione posteriori per guida a destra Indicatori di direzione posteriori per guida a sinistra Ripetitori laterali Luci della targa Luci centrali / riflettori posteriori Luci per interni/abitacolo Lampadine tutte le categorie
-
-
Corpo e scarico
-
- Telaio / Carrozzeria Restauro telaio / Riparazione pannelli Ammortizzatore del coperchio del cofano motore Ammortizzatore del portello del bagagliaio Cofani / serrature e chiavistelli Bagagliaio / portello posteriore / serrature e chiavistelli Portello posteriore / portellone Paraurti anteriori Paraurti posteriori Porte / serrature e chiavistelli Pannelli per porte | Cerniere | Piastre percussori Parafanghi anteriori e parti Parafanghi posteriori e parti Pannelli sottoporta laterali Modanature esterne del telaio Specchietti e parti Pellicole/adesivi parasassi Sottoscocche telaio e motore Spazzole/bracci dei tergicristalli Bracci e spazzole tergicristallo posteriori Rivestimenti e coperture dei passaruota Tetto - Cabrio / Targa / Coupé Coperture in plastica tutte le categorie
-
-
Lubrificanti e fluidi
-
- Parti di ricambio Filtri dell'olio Filtri dell'aria Cinghie di tutti i tipi Candele Candele IRIDIUM POWER Bobine di accensione Spazzole/bracci dei tergicristalli Bracci e spazzole tergicristallo posteriori Parti di ricambio della scatola del cambio Olio motore e lubrificanti - Mobil Olio motore e lubrificanti - Total Olio motore e lubrificanti - Castrol Olio Motore e Lubrificanti - Motul Olio motore e lubrificanti - Millers Oils NanoDrive Olio motore e lubrificanti - Millers Oils Additivi per carburanti Refrigerante/antigelo Olio per servosterzo DPI per autofficina
-
-
Tutte le parti
-
- Parti Accessori Telaio / Carrozzeria Freni Abbigliamento e regali Componenti elettrici e relè Raffreddamento del motore Componenti elettrici del motore Parti di ricostruzione del motore Parti per alte prestazioni Scarichi Linea esterni / spoiler Cambio / trasmissione Riscaldamento/climatizzazione Componenti idraulici Interni e accessori Incar / multimedia Illuminazione Tappetini e tappeti Motorsport e fuoristrada Pedaliera Guarnizioni di gomma Sedili e cinture di sicurezza tutte le categorie
-
- Back to main website
Inserisci il tuo numero di partiva IVA qui e fai clic su Verifica:
Nessuna necessità di inserire la parte del numero di partita IVA relativa al codice del paese poiché questa è già stato selezionata nel predetto indirizzo di fatturazione.
I tuoi dati sono stati verificati. Numero di partita IVA registrato a:
,
.
Al tuo ordine sarà applicata un’aliquota pari a zero ai fini dell’IVA. Ci riserviamo il diritto di verificare questi dettagli dopo che la tua richiesta d’ordine è stata fatta e di reintegrare l’IVA se necessario.
I tuoi dati IVA non sono stati riconosciuti o non erano validi. Il tuo numero di partita IVA deve corrispondere al tuo paese di fatturazione come specificato sopra. Attualmente è specificato come . Non occorre inserire inserire la parte del numero di partita IVA relativa al codice del paese poiché questa è già stato selezionata nei dettagli del predetto indirizzo di fatturazione.
Il servizio di verifica della partita IVA è attualmente offline. Per favore fornisci i tuoi dati IVA all’interno dei commenti o nel campo delle istruzioni speciali sotto e noi applicheremo uno sconto IVA dopo aver fatto la richiesta d’ordine.
Alloggiamento distributore aria con guida a destra. Porsche 981 Boxster / Cayman / 991 Carrera / Turbo / Turbo S / GT2 RS / GT3 2012-21 ❭ 99157391426
- Porsche Boxster 981 2.7L 2012-16
- Porsche Boxster 981 S / GTS 3.4L 2012-16
- Porsche 991.1 Carrera C2 3.4L (350 Bhp) 2012-16
- Porsche 991.1 Carrera C2S / GTS 3.8L (400/430 Bhp) 2012-16
- Porsche 991.1 Carrera C4 3.4L (350 Bhp) 2012-16
- Porsche 991.1 Carrera C4S / GTS 3.8L (400/430 Bhp) 2012-16
- Porsche 991.1 Turbo 3.8L (520 Bhp) 2014-16
- Porsche 991.1 Turbo S 3.8L (560 Bhp) 2014-16
- Porsche 991.1 R 4.0L (500 Bhp) 2016
- Porsche 991.1 GT3 3.8L (475 Bhp) 2014-16
- Porsche 991.1 GT3 RS 4.0L (500 Bhp) 2015-16
- Porsche 991.2 Turbo Coupe 3.8L (540 Bhp) 2016-19
- Porsche 991.2 Turbo S Coupe 3.8L (580 Bhp) 2016-19
- Porsche 991.2 Turbo Cabriolet 3.8L (540 Bhp) 2016-19
- Porsche 991.2 Turbo S Cabriolet 3.8L (580 Bhp) 2016-19
- Porsche 991.2 Speedster 4.0L (510Bhp) 2019
- Porsche 991.2 GT3 4.0L (500 Bhp) / GT3 RS 4.0L (520 Bhp) 2017-19
- Porsche 991.2 GT2 RS 3.8L PDK (700 bhp) 2018-19
- Porsche Cayman 2.7L 981 2013-16
- Porsche Cayman S / GTS 3.4L 981 2013-16
SOLO per auto con guida a destra!
Adatto a:
Porsche 981 Boxster 2012>>2016
Porsche 981 Cayman 2014>>2016
Porsche 991.1 Carrera MKI 2012>>2016
Porsche 991 Turbo / Turbo S MKI / MKII 2014>>2020
Porsche 991.2 GT2 RS MKII 2016>>2019
Porsche 991 R / GT3 / RS / GT-Speed MKI / MKII 2014>>2021
Auto con codici optional:
099 - Versione con guida a destra
573 - Condizionatore d'aria
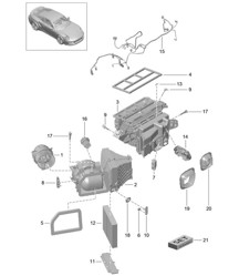
Diagramma Rif. n. 3
Numeri di riferimento correlati
Numeri correlati, sostituiti, riferimenti incrociati o alternativi per il confronto.
99157391426
Il prodotto che stai visualizzando fa riferimento a questi numeri
- Porsche 970.1 Panamera V6 3.6L 2WD 2009-13
- Porsche 970.1 Panamera 4 V6 3.6L 4WD 2009-13
- Porsche 970.1 Panamera S V8 4.8L 2009-13
- Porsche 970.1 Panamera 4S V8 4.8L 2009-13
- Porsche 970.1 Panamera GTS V8 4.8L 2011-13
- Porsche 970.1 Panamera Turbo V8 4.8L 2009-13
- Porsche 970.1 Panamera Turbo S V8 4.8L 2009-13
- Porsche 970.1 Panamera Diesel V6 3.0L 2011-13
- Porsche 970.1 Panamera S Hybrid V6 3.0L 2011-13
- Porsche 970.2 Panamera V6 3.6L 2WD (310Hp) 2014-16
- Porsche 970.2 Panamera 4 V6 3.6L 4WD (310Hp) 2014-16
- Porsche 970.2 Panamera S V6 Turbo 3.0L 2WD (420Hp) 2014-16
- Porsche 970.2 Panamera S V6 Turbo 3.0L 2WD Executive 2014-16
- Porsche 970.2 Panamera 4S V6 Turbo 3.0L 4WD (420Hp) 2014-16
- Porsche 970.2 Panamera 4S V6 Turbo 3.0L 4WD Executive 2014-16
- Porsche 970.2 Panamera GTS V8 4.8L 4WD (440Hp) 2014-16
- Porsche 970.2 Panamera Turbo V8 4.8L (520Hp) 2014-16
- Porsche 970.2 Panamera Turbo V8 Executive 2014-16
- Porsche 970.2 Panamera Turbo S V8 4.8L 2014-16
- Porsche 970.2 Panamera Diesel V6 3.0L (250Hp) 2014-16
- Porsche 970.2 Panamera S E-Hybrid V6 3.0L (416Hp) 2014-16

Si adatta:
Porsche 970 Panamera
Fai clic su "Ingrandisci" per il diagramma delle parti di grandi dimensioni.
Diagramma rif. n. 3
Numeri di riferimento correlati
Numeri correlati, sostituiti, riferimenti incrociati o alternativi per il confronto.
97057362100
Il prodotto che stai visualizzando fa riferimento a questi numeri
- Porsche 970.1 Panamera V6 3.6L 2WD 2009-13
- Porsche 970.1 Panamera 4 V6 3.6L 4WD 2009-13
- Porsche 970.1 Panamera S V8 4.8L 2009-13
- Porsche 970.1 Panamera 4S V8 4.8L 2009-13
- Porsche 970.1 Panamera GTS V8 4.8L 2011-13
- Porsche 970.1 Panamera Turbo V8 4.8L 2009-13
- Porsche 970.1 Panamera Turbo S V8 4.8L 2009-13
- Porsche 970.1 Panamera Diesel V6 3.0L 2011-13
- Porsche 970.1 Panamera S Hybrid V6 3.0L 2011-13
- Porsche 970.2 Panamera V6 3.6L 2WD (310Hp) 2014-16
- Porsche 970.2 Panamera 4 V6 3.6L 4WD (310Hp) 2014-16
- Porsche 970.2 Panamera S V6 Turbo 3.0L 2WD (420Hp) 2014-16
- Porsche 970.2 Panamera S V6 Turbo 3.0L 2WD Executive 2014-16
- Porsche 970.2 Panamera 4S V6 Turbo 3.0L 4WD (420Hp) 2014-16
- Porsche 970.2 Panamera 4S V6 Turbo 3.0L 4WD Executive 2014-16
- Porsche 970.2 Panamera GTS V8 4.8L 4WD (440Hp) 2014-16
- Porsche 970.2 Panamera Turbo V8 4.8L (520Hp) 2014-16
- Porsche 970.2 Panamera Turbo V8 Executive 2014-16
- Porsche 970.2 Panamera Turbo S V8 4.8L 2014-16
- Porsche 970.2 Panamera Diesel V6 3.0L (250Hp) 2014-16
- Porsche 970.2 Panamera S E-Hybrid V6 3.0L (416Hp) 2014-16
La valvola di espansione per l'impianto di climatizzazione (A/C), progettata per regolare il flusso di refrigerante nel nucleo dell'evaporatore. Posizionata tra il condensatore e l'evaporatore, riduce la pressione del refrigerante e ne consente l'espansione, consentendo così un raffreddamento efficace.
Adatto a:
Porsche 970.1 Panamera 2010-2013
Porsche 970.2 Panamera 2014-2016
Schema rif. n. 3
• Posizione sul veicolo: situato nella linea del refrigerante A/C, in genere vicino all'alloggiamento dell'evaporatore all'interno dell'unità HVAC o appena a valle del condensatore, a seconda della variante del modello.
• Numeri di riferimento incrociato/alternativi: numero di parte OEM: 970 573 621 00 (a volte stampato come 970-573-621-00)
• Applicazioni: valvola di sostituzione per valvole di espansione difettose o non funzionanti nel sistema A/C, spesso necessaria quando l'efficienza di raffreddamento diminuisce o quando vengono sostituiti altri componenti importanti del sistema A/C, per garantire il corretto funzionamento dell'intero sistema.
La valvola di espansione svolge un ruolo fondamentale nell'impianto di climatizzazione, controllando il flusso di refrigerante e la caduta di pressione nell'evaporatore. Se la valvola si ostruisce, si incolla o non funziona correttamente, le conseguenze possono essere una riduzione delle prestazioni di raffreddamento, un controllo irregolare della temperatura o persino danni ad altri componenti dell'impianto di climatizzazione. La sostituzione di una valvola usurata o difettosa ripristina il corretto dosaggio del refrigerante, migliora il comfort dell'abitacolo e prolunga la durata dell'impianto di climatizzazione.
Quando e perché sostituire:
• L'aria condizionata emette aria calda nonostante il compressore e il condensatore funzionino.
• Sintomi di accumulo di brina o lunghi tempi di raffreddamento che indicano un flusso di refrigerante limitato.
• Dopo la sostituzione del condensatore, dell'evaporatore o del compressore, l'installazione di una nuova valvola di espansione garantisce il completo rinnovo del sistema.
• Perdite visibili o corrosione attorno al corpo valvola o alla linea del refrigerante.
• Quando il veicolo ha un chilometraggio elevato o componenti originali dell'aria condizionata che potrebbero essere prossimi alla fine del loro ciclo di vita.
Numeri di riferimento correlati
Numeri correlati, sostituiti, riferimenti incrociati o alternativi per il confronto.
97057362100
Il prodotto che stai visualizzando fa riferimento a questi numeri
Lunedì-venerdì: 8.30-17.30 (GMT) Sabato: chiuso Domenica: chiuso