Vase d'expansion direction assistée. Porsche 987C Caïman
 
                         
            
            
                    - Porsche Cayman 2.7L 987C 2006-08
- Porsche Cayman S 3.4L 987C 2005-08

Convient :
Porsche 987C Cayman 2006-08
Porsche 987 Boxster RS 60 Spyder I754
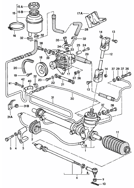
Cliquez sur "Zoom avant" pour le schéma des grandes pièces.
Schéma réf n°1.
Numéros de référence associés
Numéros associés, remplacés, de référence croisée ou alternatifs à des fins de comparaison.
98731422500
Le produit que vous consultez fait référence à ces numéros
 Achetez en toute sécurité
                                Achetez en toute sécurité
                            
                             Garantie 12 mois
                                Garantie 12 mois
                            
                             Livraison mondiale
                                Livraison mondiale
                            
                     Liquide de direction assistée - 1 Litre
                        
                    
            
            
                    Liquide de direction assistée - 1 Litre
                     
            
            
                    - Porsche Boxster 986 2.5L 1997-99
- Porsche Boxster 986 2.7L 1999-02
- Porsche Boxster S 986 3.2L 1999-02
- Porsche Boxster 986 2.7L 2003-04
- Porsche Boxster S 986 3.2L 2003-04
- Porsche Boxster 987 2.7L 2005 -08/08
- Porsche Boxster 987 S 3.2/3.4L 2005-08/08
- Porsche Boxster 987 MKII 2.9L 2009-2012
- Porsche Boxster S 987 MKII 3.4L 2009-2012
- Porsche Boxster 981 2.7L 2012-16
- Porsche Boxster 981 S / GTS 3.4L 2012-16
- Porsche 996 C2 3.4L 1997-08/01
- Porsche 996 C4 3.4L 1997-08/01
- Porsche 996 C2 3.6L 09/01-2005
- Porsche 996 C4 3.6L 09/01-2005
- Porsche 996 C4S 3.6L 09/01-2005
- Porsche 996 TURBO 2000-05
- Porsche 996 GT2 2001-05
- Porsche 996 GT3 MKI 1999-02
- Porsche 996 GT3 MKII 2003>>
- Porsche 996 GT3 RS 2003-04
- Porsche 997 MK1 Carrera 2 3.6L 2005-08
- Porsche 997 MK1 Carrera 2S 3.8L 2005-08
- Porsche 997 MK1 Carrera 4 3.6L 2005-08
- Porsche 997 MK1 Carrera 4S 3.8L 2005-08
- Porsche 997 MK1 TURBO 2007-09
- Porsche 997 MK1 GT3 2007-09
- Porsche 997 MK1 GT2 2007-09
- Porsche 997 MKII Carrera C2 3.6L 2009-12
- Porsche 997 MKII Carrera C4 3.6L 2009-12
- Porsche 997 MKII Carrera C2S 3.8L 2009-12
- Porsche 997 MKII Carrera C4S 3.8L 2009-12
- Porsche 997 MKII GT3 2010-11
- Porsche 997 MKII Turbo 2010-13
- Porsche 997 MKII GT2 RS 2011-13
- Porsche 991.1 Carrera C2 3.4L (350Bhp) 2012-16
- Porsche 991.1 Carrera C2S 3.8L (400Bhp) 2012-16
- Porsche 991.1 Carrera C4 3.4L (350Bhp) 2012-16
- Porsche 991.1 Carrera C4S 3.8L (400Bhp) 2012-16
- Porsche 991.1 Turbo 3.8L (520bhp) 2014-16
- Porsche 991.1 Turbo S 3.8L (560Bhp) 2014-16
- Porsche 991.1 GT3 3.8L (475Bhp) 2014-16
- Porsche Cayman 2.7L 987C 2006-08
- Porsche Cayman S 3.4L 987C 2005-08
- Porsche Cayman 2.9L 987C MKII 2009-12
- Porsche Cayman S / R 3.4L 987C MKII 2009-12
- Porsche Cayman 2.7L 981 2013-16
- Porsche Cayman S / GTS 3.4L 981 2013-16
- Porsche Carrera GT
- Porsche 955 Cayenne 3.2L V6 2003-06
- Porsche 955 Cayenne S 4.5L V8 2003-06
- Porsche 955 Cayenne Turbo 4.5L 2003-06
- Porsche 955 Cayenne Turbo S 4.5L 2006>>
- Porsche 957 Cayenne 3.0L Diesel 2007-10
- Porsche 957 Cayenne 3.6L 2007-10
- Porsche 957 Cayenne S/GTS 4.8L 2007-10
- Porsche 957 Cayenne Turbo / Turbo S 4.8L 2007-10
- Porsche 958 Cayenne V6 3.6L Petrol 300Hp 2010-17
- Porsche 958 Cayenne V6 3.0L Diesel 245HP 2010-17
- Porsche 958 Cayenne S V6 3.0L Hybrid 380HP 2010-17
- Porsche 958 Cayenne S V8 4.8L Petrol 400HP 2010-17
- Porsche 958 Cayenne S V8 4.2L Diesel 382HP 2010-17
- Porsche 958 Cayenne GTS V8 4.8L Petrol 400HP 2010-17
- Porsche 958 Cayenne Turbo V8 4.8L Petrol 500HP 2010-17
- Porsche 958 Cayenne Turbo S V8 4.8L Petrol 550HP 2010-17
- Porsche 970.1 Panamera V6 3.6L 2WD 2009-13
- Porsche 970.1 Panamera 4 V6 3.6L 4WD 2009-13
- Porsche 970.1 Panamera S V8 4.8L 2009-13
- Porsche 970.1 Panamera 4S V8 4.8L 2009-13
- Porsche 970.1 Panamera GTS V8 4.8L 2011-13
- Porsche 970.1 Panamera Turbo V8 4.8L 2009-13
- Porsche 970.1 Panamera Turbo S V8 4.8L 2009-13
- Porsche 970.1 Panamera Diesel V6 3.0L 2011-13
- Porsche 970.1 Panamera S Hybrid V6 3.0L 2011-13
- Porsche 970.2 Panamera V6 3.6L 2WD (310Hp) 2014-16
- Porsche 970.2 Panamera 4 V6 3.6L 4WD (310Hp) 2014-16
- Porsche 970.2 Panamera S V6 Turbo 3.0L 2WD (420Hp) 2014-16
- Porsche 970.2 Panamera S V6 Turbo 3.0L 2WD Executive 2014-16
- Porsche 970.2 Panamera 4S V6 Turbo 3.0L 4WD (420Hp) 2014-16
- Porsche 970.2 Panamera 4S V6 Turbo 3.0L 4WD Executive 2014-16
- Porsche 970.2 Panamera GTS V8 4.8L 4WD (440Hp) 2014-16
- Porsche 970.2 Panamera Turbo V8 4.8L (520Hp) 2014-16
- Porsche 970.2 Panamera Turbo V8 Executive 2014-16
- Porsche 970.2 Panamera Turbo S V8 4.8L 2014-16
- Porsche 970.2 Panamera Diesel V6 3.0L (250Hp) 2014-16
- Porsche 970.2 Panamera S E-Hybrid V6 3.0L (416Hp) 2014-16
- Porsche 95B.1 Macan S Petrol 3.0L V6 340Bhp 2014-18
- Porsche 95B.1 Macan S Diesel 3.0L V6 258Bhp 2014-18
- Porsche 95B.1 Macan Turbo 3.6L V6 400Bhp 2014-18
- Porsche 914 (1970-1976)
Fluide pour système hydraulique Pentosin

Numéros de référence associés
Numéros associés, remplacés, de référence croisée ou alternatifs à des fins de comparaison.
00004330574
Le produit que vous consultez fait référence à ces numéros
 Achetez en toute sécurité
                                Achetez en toute sécurité
                            
                             Garantie 12 mois
                                Garantie 12 mois
                            
                             Livraison mondiale
                                Livraison mondiale
                            
                     Pompe de direction assistée hydraulique pour Porsche 970 Panamera 2010-2014
                        
                    
            
            
                    Pompe de direction assistée hydraulique pour Porsche 970 Panamera 2010-2014
                     
            
            
                    - Porsche 970.1 Panamera V6 3.6L 2WD 2009-13
- Porsche 970.1 Panamera 4 V6 3.6L 4WD 2009-13
- Porsche 970.1 Panamera S V8 4.8L 2009-13
- Porsche 970.1 Panamera 4S V8 4.8L 2009-13
- Porsche 970.1 Panamera GTS V8 4.8L 2011-13
- Porsche 970.1 Panamera Turbo V8 4.8L 2009-13
- Porsche 970.1 Panamera Turbo S V8 4.8L 2009-13
- Porsche 970.1 Panamera S Hybrid V6 3.0L 2011-13
- Porsche 970.2 Panamera V6 3.6L 2WD (310Hp) 2014-16
- Porsche 970.2 Panamera 4 V6 3.6L 4WD (310Hp) 2014-16
- Porsche 970.2 Panamera S V6 Turbo 3.0L 2WD (420Hp) 2014-16
- Porsche 970.2 Panamera S V6 Turbo 3.0L 2WD Executive 2014-16
- Porsche 970.2 Panamera 4S V6 Turbo 3.0L 4WD (420Hp) 2014-16
- Porsche 970.2 Panamera 4S V6 Turbo 3.0L 4WD Executive 2014-16
- Porsche 970.2 Panamera GTS V8 4.8L 4WD (440Hp) 2014-16
- Porsche 970.2 Panamera Turbo V8 4.8L (520Hp) 2014-16
- Porsche 970.2 Panamera Turbo V8 Executive 2014-16
- Porsche 970.2 Panamera Turbo S V8 4.8L 2014-16
- Porsche 970.2 Panamera S E-Hybrid V6 3.0L (416Hp) 2014-16
Cette pompe de direction assistée est proposée par Porsche en échange et n'est plus disponible en pièce neuve. Un supplément remboursable sera ajouté à votre commande. Une fois votre pompe démontée et retournée, et sous réserve qu'elle remplisse les conditions de remise en état (voir conditions générales ci-dessous), le supplément vous sera remboursé.
Convient à :
Porsche 970-1 Panamera 3.6L V6 2010-13
Porsche 970-1 Panamera 4 3.6L V6 2010-13
Porsche 970-1 Panamera S hybride 3.0L V6 2012-13
Porsche 970-1 Panamera S 4.8L V8 2010-13
Porsche 970-1 Panamera 4S 4.8L V8 2010-13
Porsche 970-1 Panamera GTS 4.8L V8 2013
Porsche 970-1 Panamera Turbo 4.8L V8 2010-13
Porsche 970-1 Panamera Turbo S 4,8 L V8 2010-13
Porsche 970-2 Panamera 3.6L V6 2014-16
Porsche 970-2 Panamera 4 3.6L V6 2014-16
Porsche 970-2 Panamera S 3.0L V6 2014-16
Porsche 970-2 Panamera 4S 3.0L V6 2014-16
Porsche 970-2 Panamera S E-Hybride 3.0L V6 2014-16
Porsche 970-2 Panamera GTS 4.8L V8 2014-16
Porsche 970-2 Panamera Turbo 4.8L V8 2014-16
Porsche 970-2 Panamera Turbo S 4,8 L V8 2014-16
REMARQUE : cette pompe ne convient pas aux modèles Panamera Diesel.
Conditions générales - Achat en échange :
Le supplément pour ce produit ne sera remboursé qu'après que votre pompe existante aura été :
 1.) Retiré de votre véhicule et entièrement vidé de son liquide hydraulique
 2.) Retournez-nous à vos frais
 3.) Accepté par le constructeur (Porsche) comme apte à la remise en état
Veuillez noter que l'évaluation et l'approbation de l'unité retournée sont uniquement à la discrétion du fabricant (Porsche).
Le délai de traitement des remboursements varie généralement de 6 à 8 semaines après réception de l'appareil. Cependant, dans certains cas, le fabricant peut mettre jusqu'à 12 semaines pour finaliser son évaluation et donner son accord.
Tous les achats d'échange et les remboursements de suppléments sont soumis à nos conditions générales complètes, disponibles sur notre site Web.
Numéros de référence associés
Numéros associés, remplacés, de référence croisée ou alternatifs à des fins de comparaison.
970347049GX
Le produit que vous consultez fait référence à ces numéros
 Achetez en toute sécurité
                                Achetez en toute sécurité
                            
                             Garantie 12 mois
                                Garantie 12 mois
                            
                             Livraison mondiale
                                Livraison mondiale
                            
                     Capteur de niveau de liquide de direction assistée. Porsche 970 Panamera
                        
                    
            
            
                    Capteur de niveau de liquide de direction assistée. Porsche 970 Panamera
                     
            
            
                    - Porsche 970.1 Panamera V6 3.6L 2WD 2009-13
- Porsche 970.1 Panamera 4 V6 3.6L 4WD 2009-13
- Porsche 970.1 Panamera S V8 4.8L 2009-13
- Porsche 970.1 Panamera 4S V8 4.8L 2009-13
- Porsche 970.1 Panamera GTS V8 4.8L 2011-13
- Porsche 970.1 Panamera Turbo V8 4.8L 2009-13
- Porsche 970.1 Panamera Turbo S V8 4.8L 2009-13
- Porsche 970.2 Panamera V6 3.6L 2WD (310Hp) 2014-16
- Porsche 970.2 Panamera 4 V6 3.6L 4WD (310Hp) 2014-16
- Porsche 970.2 Panamera S V6 Turbo 3.0L 2WD (420Hp) 2014-16
- Porsche 970.2 Panamera S V6 Turbo 3.0L 2WD Executive 2014-16
- Porsche 970.2 Panamera 4S V6 Turbo 3.0L 4WD (420Hp) 2014-16
- Porsche 970.2 Panamera 4S V6 Turbo 3.0L 4WD Executive 2014-16
- Porsche 970.2 Panamera GTS V8 4.8L 4WD (440Hp) 2014-16
- Porsche 970.2 Panamera Turbo V8 4.8L (520Hp) 2014-16
- Porsche 970.2 Panamera Turbo V8 Executive 2014-16
- Porsche 970.2 Panamera Turbo S V8 4.8L 2014-16

Convient :
Porsche 970.1 Panamera / S / GTS / Turbo >>2013 Pour les voitures avec suspension pneumatique avec PDCC (I351)
Porsche 970.2 Panamera / s / GTS / Turbo 2017-16 Pour les voitures avec suspension pneumatique PCDD (I351) et PASM, PDCC Comfort (I355)
Cliquez sur "Zoom avant" pour le schéma des grandes pièces.
Schéma réf n°3
Numéros de référence associés
Numéros associés, remplacés, de référence croisée ou alternatifs à des fins de comparaison.
97060621700
Le produit que vous consultez fait référence à ces numéros
 Achetez en toute sécurité
                                Achetez en toute sécurité
                            
                             Garantie 12 mois
                                Garantie 12 mois
                            
                             Livraison mondiale
                                Livraison mondiale
                            
                     
 
        