n'appuyez pas sur le bouton de retour…
-
Pièces de moteur
-
- Composants électriques du moteur Alternateur / Générateur Batteries et chargeurs Soupape de démarrage à froid Distributeur Capuchon de distributeur Bras de rotor / ensembles de points Relais / Fusibles Bobine d'allumage Unités de commande d'allumage Kits de câbles d'allumage Câble d'allumage haute performance toutes catégories
-
- Pièces de reconstruction de moteur Arbre intermédiaire (IMS) Pièces du système d'huile Pièces du système de carburant Joints et jeux Joint Radial / RMS / Arbre à Cames / Arbre d'équilibrage Courroies / Tendeurs / Rouleaux Chaînes et tendeurs Carters et joints de distribution Roulements moteur / Coquilles Soupapes moteur / Guides / Ressorts Culbuteurs Goujons de culasse de moteur Supports de moteur Segments de piston Cylindres de moteur / Chemises / Pistons Bielle Culasse Arbre à cames et pièces Arbres à cames Engrenages / pignons d'arbre à cames et fixations Pièces de carter Vilebrequin et pièces toutes catégories
-
Freins
-
- Freins Pack plaquettes et disques de frein Pack plaquettes et disques de frein SPORT Disque de frein standard Plaquettes de frein standard Disque de frein SPORT Freins Brembo standard Freins Brembo Racing Freins TEXTAR Freins de course PAGID Freins Zimmermann Freins à disque Wilwood Freins EBC Freins Black Diamond Performance Amortisseur anti-vibration pour plaquettes de frein Boulons d'étrier / vis de disque Kit goupille et étriers Flexibles de frein Performance Flexibles de frein standard Étrier et conduites de frein Étriers de frein Mises à niveau des étriers de frein Sabots de frein à main toutes catégories
-
-
Suspension et direction
-
- Suspension et essieu Barre anti-roulis Bagues de barre anti-roulis Support de barre anti-roulis Joints à rotule Liens de chute et bagues AVANT Liens de chute et bagues ARRIÈRE Amortisseurs AVANT Pièces d'amortisseur AVANT Amortisseurs ARRIÈRE Pièces d'amortisseur ARRIÈRE Bras de commande de chenille AVANT toutes catégories
-
Transmission
-
- Boîte de vitesses / Transmission Kits d'embrayage Kits d'embrayage - Haute performance Plaque de friction d'embrayage Plaque de pression d'embrayage Roulements de débrayage Câbles et pièces d'embrayage Tube de guidage d'embrayage Couronne d'embrayage Fourchettes et leviers d'embrayage Boulons d'embrayage Pièces de boîte de vitesses Arbres de transmission et pièces Jeux de joints de boîte de vitesses Supports de boîte de vitesses Pièces de commande de changement de vitesse Volant / Couple Kits de joints homocinétiques Bottes et kits CV Arbre à cardan / arbre d'hélice Pièces de transmission Huile de boîte de vitesses Carter de boîte de vitesses / carter d'huile toutes catégories
-
-
Refroidissement et chauffage
-
- Chauffage / Climatisation Condenseurs et dessiccateurs de climatisation Évaporateurs et détendeurs de climatisation Tuyaux de climatisation Ceintures de climatisation Ventilateurs et capots Relais / Capteurs / Résistances Compresseurs Volets chauffants Moteurs de soufflerie et ventilateurs Ventilateurs de chauffage Tuyaux de chauffage Câbles chauffants Bouches d'aération / Grilles Commande de climatisation Capteurs / commutateurs de température Boîtiers de chauffage / climatisation
-
-
Électricité et éclairage
-
- Composants électriques et relais Pompes à carburant Interrupteur de lumière de frein Commutateur de feu de détresse Commutateur de frein à main Commutateur de feu de recul Commutateur de phare Commutateur de fenêtre Moteurs de fenêtre Mécanisme de fenêtre Moteur d'essuie-glace Mécanisme d'essuie-glace Klaxon électrique Unités de commande SmartTop Commutateur d'allumage Commutateur de siège Commutateur de clignotant / d'essuie-glace Commutateur de toit / toit ouvrant Relais / Fusibles Lave-pompes / bouteilles / gicleurs Alarmes / Sécurité / Verrouillage centralisé Unités de commande électronique Commutateurs d'essuie-glace toutes catégories
-
-
Carrosserie et échappement
-
- Châssis / Carrosserie Châssis de restauration / Panneaux de réparation Amortisseur capot avant Amortisseur capot arrière Capots / Serrures et loquets Coffres/capot arrière/serrures et loquets Capot arrière / Hayon Pare-chocs avant Pare-chocs arrière Portes / Serrures et loquets Panneaux de porte | Charnières | Plaques de frappe Lève-vitres Ailes avant et pièces Ailes arrière et pièces Panneaux de seuil latéraux Moulures de châssis extérieures Miroirs et pièces Films/autocollants pare-pierres Sous-plateaux de châssis et moteur Balais / Bras d'essuie-glace Bras et balais d'essuie-glace arrière Toit - Cabriolet / Targa / Coupé Arceaux de sécurité toutes catégories
-
-
Systèmes d'échappement
Silencieux Sport / Silencieux
1 ENTRÉE / 1 SORTIE
Silencieux standards 1 ENTRÉE / 1 SORTIE
Silencieux sportifs 1 ENTRÉE / 2 SORTIE
Silencieux sportifs 2 ENTRÉES / 1 SORTIE
Silencieux standards 2 ENTRÉES / 1 SORTIE
Silencieux Sport 2 ENTRÉES / 2 SORTIES
Silencieux Sport Silencieux Catalyseur / tuyau de dérivation Collecteur / En-têtes Tuyaux d'échappement toutes catégories
-
Systèmes d'échappement
Silencieux Sport / Silencieux
1 ENTRÉE / 1 SORTIE
-
-
Lubrifiants et fluides
-
- Pièces de rechange Kits d'entretien pièces d'origine Kits d'entretien pièces d'origine Filtres à huile Filtres à air Filtres à carburant Courroies tous types Bougies Bougies IRIDIUM POWER Bougies IRIDIUM RACING Balais / Bras d'essuie-glace Bras et balais d'essuie-glace arrière Pièces de rechange de boîte de vitesses Huile moteur classique Porsche Huile moteur et lubrifiants - Mobil Huile moteur et lubrifiants - Total Huile moteur et lubrifiants - Castrol Huile moteur et lubrifiants - Motul Huile moteur et lubrifiants - Millers Oils NanoDrive Huile moteur et lubrifiants - Millers Oils Additifs pour carburant EPI de garage
-
-
Toutes les pièces
-
- Pièces Accessoires Châssis / Carrosserie Freins Vêtements et cadeaux Composants électriques et relais Refroidissement du moteur Composants électriques du moteur Pièces de reconstruction de moteur Pièces haute performance Systèmes d'échappement Style extérieur / Ailerons Boîte de vitesses / Transmission Chauffage / Climatisation Composants hydrauliques Intérieur et accessoires Gestion de la communication / multimédia Éclairage Tapis et moquettes Sport automobile et tout-terrain Groupe de pédales Joints en caoutchouc Sièges et ceintures de sécurité toutes catégories
-
- Back to main website
Saisissez votre numéro de TVA ici et cliquez sur Vérifier :
Il n'est pas nécessaire de saisir la partie code pays de votre numéro de TVA car elle a déjà été sélectionnée dans votre adresse de facturation ci-dessus.
Vos coordonnées ont été vérifiées. Numéro de TVA enregistré au nom de:
,
.
Votre commande sera désormais détaxée au titre de la TVA. Nous nous réservons le droit de vérifier ces détails une fois votre commande passée et de rétablir la TVA si nécessaire.
Vos données de TVA n'ont pas été reconnues ou n'étaient pas valides. Votre numéro de TVA doit correspondre à votre pays de facturation tel que spécifié ci-dessus. Il est actuellement spécifié comme . Vous n'avez pas besoin de saisir la partie code pays de votre numéro de TVA car elle a déjà été sélectionnée dans les détails de votre adresse de facturation ci-dessus.
Le service de vérification du numéro de TVA est actuellement hors ligne. Veuillez indiquer votre numéro de TVA dans le champ « Commentaires ou instructions spéciales » ci-dessous et nous appliquerons une remise de TVA après avoir passé votre commande.
Réservoir d'huile au joint de filtre à huile. Porsche 911 65-71 / 914 ❭ 90110729100
- Porsche 911 1965-1968 2.0L / 912 SWB (F)
- Porsche 911 1968-1973 2.2L / 2.4L / 2.7L RS LWB (F)
- Porsche 914 (1970-1976)

Convient :
Porsche 911 1965-71
Porsche 914 1970-76
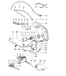
Cliquez sur "Zoom avant" pour le schéma des grandes pièces.
Schéma réf n° 46
Numéros de référence associés
Numéros associés, remplacés, de référence croisée ou alternatifs à des fins de comparaison.
90110729100
Le produit que vous consultez fait référence à ces numéros
- Porsche 911 1974-1977 2.7L / 1976-77 3.0 Carrera
- Porsche 911 1978-1983 3.0L / SC
- Porsche 911 1984-1986 3.2L
- Porsche 911 1987-1989 3.2L G50
- Porsche 911 1975-1977 3.0L Turbo (930)
- Porsche 911 1978-1989 3.3L Turbo (930)

Convient :
Porsche 911 3.0L 1974-83
Porsche 911 3.2L 1984-89
Numéros de pièces d'origine
- 91110773010
- 91110773011
Cliquez sur "Zoom avant" pour le schéma des grandes pièces.
Diagramme Réf No 17.
Numéros de référence associés
Numéros associés, remplacés, de référence croisée ou alternatifs à des fins de comparaison.
91110773013
Le produit que vous consultez fait référence à ces numéros
- Porsche 911 1974-1977 2.7L / 1976-77 3.0 Carrera
- Porsche 911 1978-1983 3.0L / SC
- Porsche 911 1984-1986 3.2L
- Porsche 911 1987-1989 3.2L G50
- Porsche 911 1975-1977 3.0L Turbo (930)
- Porsche 911 1978-1989 3.3L Turbo (930)

Convient :
Porsche 911 1974-89
Cliquez sur "zoomer" pour le schéma des grandes pièces.
Schéma réf n° 2.
Numéros de référence associés
Numéros associés, remplacés, de référence croisée ou alternatifs à des fins de comparaison.
91164154105
Le produit que vous consultez fait référence à ces numéros
- Porsche 911 1974-1977 2.7L / 1976-77 3.0 Carrera
- Porsche 911 1978-1983 3.0L / SC
- Porsche 911 1984-1986 3.2L
- Porsche 911 1987-1989 3.2L G50

Convient :
Porsche 911 2.7L / 3.0L (SC) et 3.2L 1974-89
Veuillez noter que les modèles antérieurs à 1978 peuvent nécessiter un kit d'adaptateur de réservoir d'huile car il peut différer du réservoir d'origine de la voiture.
Peut avoir besoin de ceci :
Casquette – 034133335D
Collier de serrage – PCG51219802
Couvre les anciens numéros OE de Porsche :
91110700620, 91110700621, 91110700622, 91110700624, 91110700626, 91110700630,
Cliquez sur l'image pour le schéma des grandes pièces.
Schéma Ref No 1.
Numéros de référence associés
Numéros associés, remplacés, de référence croisée ou alternatifs à des fins de comparaison.
91110700631
Le produit que vous consultez fait référence à ces numéros
Lundi-vendredi : 8h30 - 17h30 (GMT) Samedi : Fermé Dimanche : Fermé