Soportes / Abrazaderas / Correas
Juego de protectores contra el calor para gatos de escape. Porsche boxster 986
- Porsche Boxster 986 2.5L 1997-99
- Porsche Boxster 986 2.7L 1999-02
- Porsche Boxster S 986 3.2L 1999-02
- Porsche Boxster 986 2.7L 2003-04
- Porsche Boxster S 986 3.2L 2003-04

Encaja:
Porsche Boxster 986 gato.
Haga clic en 'Acercar' para ver un diagrama de piezas grandes.
Diagrama Ref No 17,18, 25, 26 y 27.
Números de referencia relacionados
Números relacionados, reemplazados, de referencia cruzada o alternativos para comparación.
HEATKIT986
El producto que está viendo hace referencia cruzada a estos números
Este kit se compone de los siguientes elementos:
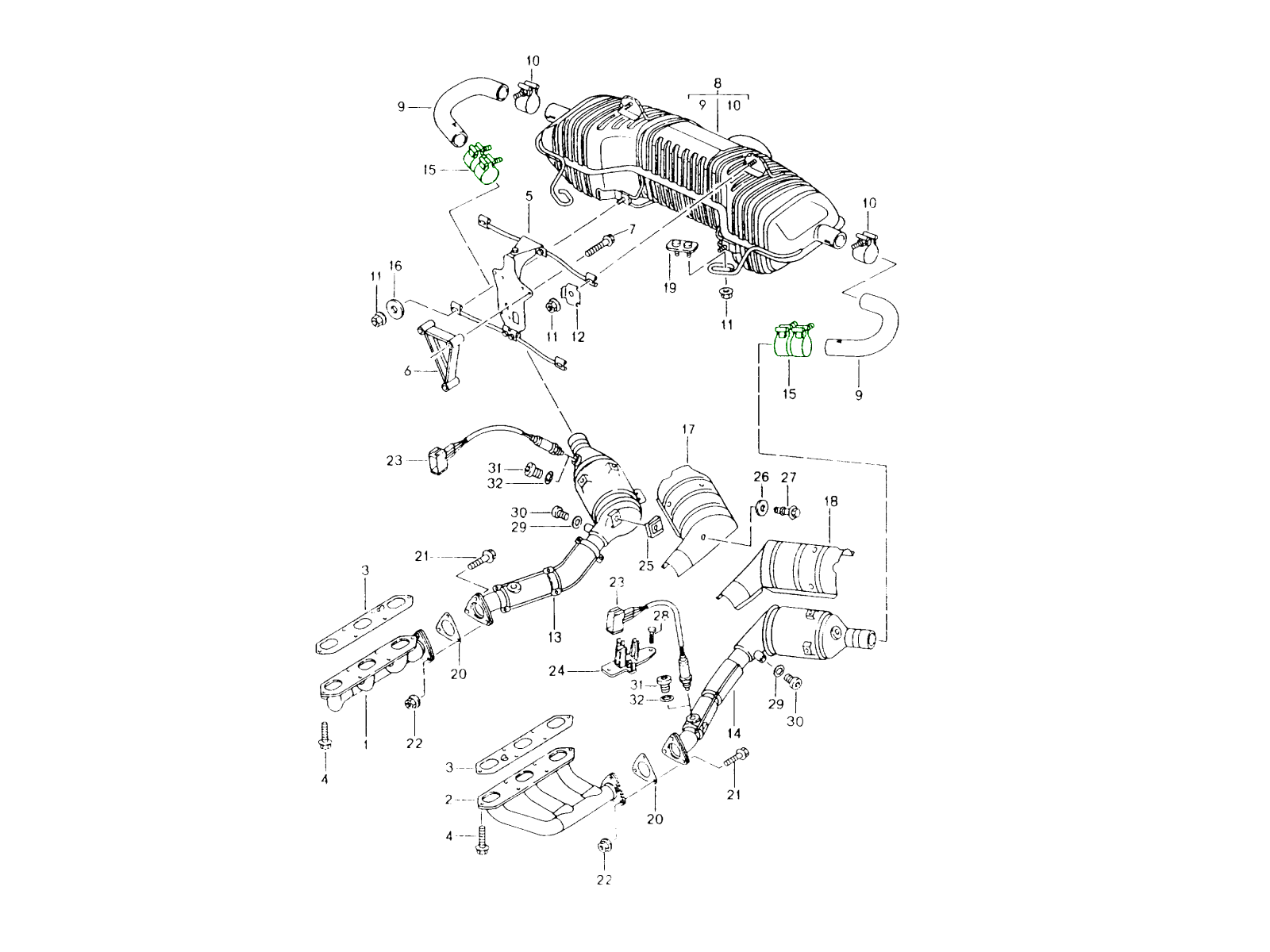
Juego de accesorios de escape Porsche. Boxster 986
- Porsche Boxster 986 2.7L 1999-02
- Porsche Boxster S 986 3.2L 1999-02
- Porsche Boxster 986 2.7L 2003-04
- Porsche Boxster S 986 3.2L 2003-04
Encaja:
Porsche 986 Boxster 2.7L/3.2L 1999-04
El kit incluye:
2 juntas de cabecera (Diagrama Ref 3)
2 juntas de cabezal a gato (Diagrama Ref 20)
2 abrazaderas de gato a silenciador (Diagrama Ref 15)
2 abrazaderas de silenciador a tubo de cola (Diagrama Ref 10)
*Haga clic en la imagen para ver un diagrama de piezas grande.
Números de referencia relacionados
Números relacionados, reemplazados, de referencia cruzada o alternativos para comparación.
FITTINGKIT12
El producto que está viendo hace referencia cruzada a estos números
Este kit se compone de los siguientes elementos:
Escudo térmico del gato de escape. Porsche boxster 986
- Porsche Boxster 986 2.5L 1997-99
- Porsche Boxster 986 2.7L 1999-02
- Porsche Boxster S 986 3.2L 1999-02
- Porsche Boxster 986 2.7L 2003-04
- Porsche Boxster S 986 3.2L 2003-04

Otro artículo popular que normalmente se oxida y comienza a traquetear. Placa de protección térmica para Porsche Boxster 986 cat.
El precio es por cada escudo térmico.
Haga clic en 'Acercar' para ver el diagrama de piezas grandes.
Diagrama Ref No 19 y 20
Números de referencia relacionados
Números relacionados, reemplazados, de referencia cruzada o alternativos para comparación.
99611342
El producto que está viendo hace referencia cruzada a estos números
Compra de forma segura
Garantía de 12 meses
Envíos a todo el mundo
Kit de reparación de tornillos de cabeza de escape para Porsche Boxster / 996 / 997
- Porsche Boxster 986 2.5L 1997-99
- Porsche Boxster 986 2.7L 1999-02
- Porsche Boxster S 986 3.2L 1999-02
- Porsche Boxster 986 2.7L 2003-04
- Porsche Boxster S 986 3.2L 2003-04
- Porsche Boxster 987 2.7L 2005 -08/08
- Porsche Boxster 987 S 3.2/3.4L 2005-08/08
- Porsche 996 C2 3.4L 1997-08/01
- Porsche 996 C4 3.4L 1997-08/01
- Porsche 996 C2 3.6L 09/01-2005
- Porsche 996 C4 3.6L 09/01-2005
- Porsche 996 C4S 3.6L 09/01-2005
- Porsche 996 TURBO 2000-05
- Porsche 996 GT2 2001-05
- Porsche 996 GT3 MKI 1999-02
- Porsche 996 GT3 MKII 2003>>
- Porsche 996 GT3 RS 2003-04
- Porsche 997 MK1 Carrera 2 3.6L 2005-08
- Porsche 997 MK1 Carrera 2S 3.8L 2005-08
- Porsche 997 MK1 Carrera 4 3.6L 2005-08
- Porsche 997 MK1 Carrera 4S 3.8L 2005-08
- Porsche Cayman 2.7L 987C 2006-08
- Porsche Cayman S 3.4L 987C 2005-08

Con más y más pernos de escape rotos en los motores enfriados por agua, el dolor de cabeza de reparar un perno roto se está convirtiendo en una epidemia. Las tareas que van desde una simple actualización del sistema de escape hasta la extracción del motor, están constantemente plagadas de pernos del colector de escape rotos, oxidados y rotos. En raras ocasiones se puede realizar una extracción precisa del perno roto con el motor en el automóvil, e incluso después de la extracción, la tarea requiere mucho tiempo y, si no se realiza con cuidado, puede provocar daños en la cabeza o una reparación defectuosa. La respuesta de STOMSKI RACING a estos problemas es el SR067, un kit que le permite perforar los pernos rotos con facilidad, precisión y flexibilidad, con el motor aún en el automóvil, ahorrando tiempo y dolores de cabeza. Una placa fresada con CNC indexa con precisión los pernos rotos y/o los orificios de los pernos. Usando nuestros tornillos de mariposa de diseño exclusivo, la placa SR067 se bloquea en su lugar (enroscando un tornillo de mariposa sobre un perno roto o usando un perno suministrado roscado a través del tornillo de mariposa SR067). Con las brocas piloto y las guías de broca incluidas, se puede perforar el perno defectuoso, produciendo un orificio perfectamente perpendicular y centrado que, si es necesario, se puede perforar con un macho de roscar M8x1.25 incluido.
El kit incluye: accesorio de aluminio anodizado, brocas, grifo con extensión, plantillas/guías de perforación, tornillos de mariposa y herrajes en un estuche de almacenamiento resistente.
Ahora también incluye nuestra guía de perforación SR065D.
Compra de forma segura
Garantía de 12 meses
Envíos a todo el mundo
Kit de montaje de silenciador de escape para Porsche Boxster 986 2.5L
- Porsche Boxster 986 2.5L 1997-99
- Porsche Boxster 986 2.7L 1999-02
- Porsche Boxster S 986 3.2L 1999-02
- Porsche Boxster 986 2.7L 2003-04
- Porsche Boxster S 986 3.2L 2003-04
Este kit de montaje debe usarse cuando se monta un escape deportivo que normalmente solo se ajusta al Boxster 986 2.7L o 3.2L.
Convertirá la caja de escape para que quepa en un Boxster 986 de 2,5 L.
Números de referencia relacionados
Números relacionados, reemplazados, de referencia cruzada o alternativos para comparación.
00004420011
El producto que está viendo hace referencia cruzada a estos números
Compra de forma segura
Garantía de 12 meses
Envíos a todo el mundo
Soporte silenciador de escape. Porsche 986 Boxster 2000>>
- Porsche Boxster 986 2.7L 1999-02
- Porsche Boxster S 986 3.2L 1999-02
- Porsche Boxster 986 2.7L 2003-04
- Porsche Boxster S 986 3.2L 2003-04

Encaja:
Porsche 986 Boxster 2000>>
Haga clic en 'Acercar' para ver el diagrama de piezas grandes.
Diagrama ref no 11
Números de referencia relacionados
Números relacionados, reemplazados, de referencia cruzada o alternativos para comparación.
99611124100
El producto que está viendo hace referencia cruzada a estos números
Compra de forma segura
Garantía de 12 meses
Envíos a todo el mundo
Placa de retención del silenciador trasero de escape. Porsche 986 Boxster
- Porsche Boxster 986 2.5L 1997-99
- Porsche Boxster 986 2.7L 1999-02
- Porsche Boxster S 986 3.2L 1999-02
- Porsche Boxster 986 2.7L 2003-04
- Porsche Boxster S 986 3.2L 2003-04
necesitarás el código de tuercas 90038000501

Encaja:
Porsche 986 Boxster 1998-04
Haga clic en 'Acercar' para ver el diagrama de piezas grandes.
Diagrama ref no 21
Números de referencia relacionados
Números relacionados, reemplazados, de referencia cruzada o alternativos para comparación.
99611331101
El producto que está viendo hace referencia cruzada a estos números
Compra de forma segura
Garantía de 12 meses
Envíos a todo el mundo
Placa de retención del silenciador trasero de escape. Porsche 986 Boxster
- Porsche Boxster 986 2.5L 1997-99
- Porsche Boxster 986 2.7L 1999-02
- Porsche Boxster S 986 3.2L 1999-02
- Porsche Boxster 986 2.7L 2003-04
- Porsche Boxster S 986 3.2L 2003-04
Necesitarás el código de nueces 90038000501

Se adapta a:
Porsche 986 Boxster 1998-04
Haga clic en “Ampliar” para ver un diagrama de piezas grande.
Diagrama ref n° 21
Números de referencia relacionados
Números relacionados, reemplazados, de referencia cruzada o alternativos para comparación.
99611331101
El producto que está viendo hace referencia cruzada a estos números
Compra de forma segura
Garantía de 12 meses
Envíos a todo el mundo
Soporte silenciador de escape. Porsche 986 Boxster 2.7ltr / Boxster S tiptronic
- Porsche Boxster 986 2.7L 1999-02
- Porsche Boxster S 986 3.2L 1999-02
- Porsche Boxster 986 2.7L 2003-04
- Porsche Boxster S 986 3.2L 2003-04

Encaja:
Porsche 986 Boxster S 3.2ltr Tiptronic
Porsche 986 2.7ltr - Manual y Tiptronic
Haga clic en 'Acercar' para ver el diagrama de piezas grandes.
Diagrama ref no 5
Números de referencia relacionados
Números relacionados, reemplazados, de referencia cruzada o alternativos para comparación.
99611122602
El producto que está viendo hace referencia cruzada a estos números
Compra de forma segura
Garantía de 12 meses
Envíos a todo el mundo
Convertidor catalítico de manguito de escape a U-Bend. Porsche boxster 986
- Porsche Boxster 986 2.5L 1997-99
- Porsche Boxster 986 2.7L 1999-02
- Porsche Boxster S 986 3.2L 1999-02
- Porsche Boxster 986 2.7L 2003-04
- Porsche Boxster S 986 3.2L 2003-04
Manguito de conexión Porsche original del gato al silenciador trasero de curva en U.

Encaja:
Porsche 986 Boxster 1997-04
El precio es por cada manga.
Números de referencia relacionados
Números relacionados, reemplazados, de referencia cruzada o alternativos para comparación.
99611111001
El producto que está viendo hace referencia cruzada a estos números
Compra de forma segura
Garantía de 12 meses
Envíos a todo el mundo
Convertidor catalítico de manguito de escape a curva en U. Porsche boxster 986
- Porsche Boxster 986 2.5L 1997-99
- Porsche Boxster 986 2.7L 1999-02
- Porsche Boxster S 986 3.2L 1999-02
- Porsche Boxster 986 2.7L 2003-04
- Porsche Boxster S 986 3.2L 2003-04
Manguito de conexión del catalizador al silenciador trasero tipo U.

Se adapta a:
Porsche 986 Boxster 1997-04
El precio es por cada manga.
Números de referencia relacionados
Números relacionados, reemplazados, de referencia cruzada o alternativos para comparación.
99611111001
El producto que está viendo hace referencia cruzada a estos números
Compra de forma segura
Garantía de 12 meses
Envíos a todo el mundo
Manguito de escape en catalizador de titanio para curvar en U. Porsche Boxster 986
- Porsche Boxster 986 2.5L 1997-99
- Porsche Boxster 986 2.7L 1999-02
- Porsche Boxster S 986 3.2L 1999-02
- Porsche Boxster 986 2.7L 2003-04
- Porsche Boxster S 986 3.2L 2003-04

Encaja:
Porsche 986 Boxster 1997-04
El titanio de grado 5 es resistente al agua salada y a una variedad de temperaturas de medios corrosivos inferiores a 300 °C.
El precio es por cada manga.
Números de referencia relacionados
Números relacionados, reemplazados, de referencia cruzada o alternativos para comparación.
99611111001
El producto que está viendo hace referencia cruzada a estos números
Compra de forma segura
Garantía de 12 meses
Envíos a todo el mundo
Tubo de escape en U - Porsche Boxster 986 2.7L /3.2L 2000>>
- Porsche Boxster 986 2.7L 1999-02
- Porsche Boxster S 986 3.2L 1999-02
- Porsche Boxster 986 2.7L 2003-04
- Porsche Boxster S 986 3.2L 2003-04

Encaja:
Porsche Boxster 986 2.7L y 3.2L 2000>>
Haga clic en la imagen para ver el diagrama de piezas grandes.
Diagrama Ref no 12
El precio es por cada uno.
Números de referencia relacionados
Números relacionados, reemplazados, de referencia cruzada o alternativos para comparación.
99611131400
El producto que está viendo hace referencia cruzada a estos números
Compra de forma segura
Garantía de 12 meses
Envíos a todo el mundo
Abrazadera para tubo de escape en U. Porsche 986 Boxster
- Porsche Boxster 986 2.5L 1997-99
- Porsche Boxster 986 2.7L 1999-02
- Porsche Boxster S 986 3.2L 1999-02
- Porsche Boxster 986 2.7L 2003-04
- Porsche Boxster S 986 3.2L 2003-04

Encaja:
Porsche 986 Boxster
Haga clic en 'Acercar' para ver el diagrama de piezas grandes.
Diagrama Ref no 13
El precio es por cada uno.
Números de referencia relacionados
Números relacionados, reemplazados, de referencia cruzada o alternativos para comparación.
99611120900
El producto que está viendo hace referencia cruzada a estos números
Compra de forma segura
Garantía de 12 meses
Envíos a todo el mundo
Abrazadera de tubo de escape en U. Porsche 986 Boxster
- Porsche Boxster 986 2.5L 1997-99
- Porsche Boxster 986 2.7L 1999-02
- Porsche Boxster S 986 3.2L 1999-02
- Porsche Boxster 986 2.7L 2003-04
- Porsche Boxster S 986 3.2L 2003-04

Se adapta a:
Porsche 986 Boxster
Haga clic en “Ampliar” para ver un diagrama de piezas grande.
Diagrama Ref. n° 13
Números de referencia relacionados
Números relacionados, reemplazados, de referencia cruzada o alternativos para comparación.
99611120900
El producto que está viendo hace referencia cruzada a estos números
Compra de forma segura
Garantía de 12 meses
Envíos a todo el mundo
Abrazadera del tubo de escape en U. Porsche 986 Boxster Titanio
- Porsche Boxster 986 2.5L 1997-99
- Porsche Boxster 986 2.7L 1999-02
- Porsche Boxster S 986 3.2L 1999-02
- Porsche Boxster 986 2.7L 2003-04
- Porsche Boxster S 986 3.2L 2003-04

Encaja:
Porsche 986 Boxster
El titanio de grado 5 es resistente al agua salada y a una variedad de temperaturas de medios corrosivos inferiores a 300 °C.
Haga clic en 'Acercar' para ver un diagrama de piezas grandes.
Diagrama Ref. 13
Números de referencia relacionados
Números relacionados, reemplazados, de referencia cruzada o alternativos para comparación.
99611120900
El producto que está viendo hace referencia cruzada a estos números
Compra de forma segura
Garantía de 12 meses
Envíos a todo el mundo
Soportes, correas y abrazaderas para montaje de escape: seguros, silenciosos y resistentes
Un sistema de escape Porsche no se compone solo de tubos y silenciadores: se mantiene unido mediante una red de soportes de montaje, correas y abrazaderas que lo mantienen todo firmemente en su lugar. Estos componentes esenciales absorben las vibraciones, mantienen la alineación correcta y evitan tensiones o daños en los tubos de escape y silenciadores.
En Design911, contamos con una gama completa de herrajes para el montaje de escapes, incluyendo soportes, colgadores, correas, abrazaderas, juntas y fijaciones, todos diseñados para una larga duración y un ajuste perfecto. Fabricados con acero inoxidable de alta resistencia y materiales resistentes a la corrosión, estos componentes garantizan un soporte adecuado para su sistema de escape y evitan ruidos o movimientos indeseados.
Ya sea que esté realizando un reemplazo de escape completo o una reparación menor, reemplazar los accesorios de montaje desgastados u oxidados restaura el ajuste adecuado y protege el escape de su Porsche de daños causados por vibración o desalineación.
¿Qué hacen los soportes, correas y abrazaderas de montaje del escape?
Estas piezas pequeñas pero vitales proporcionan la columna vertebral de la estabilidad e integridad de su sistema de escape.
Funciones principales:
- Fije el sistema de escape al chasis del vehículo.
- Mantenga la alineación correcta para evitar tensiones en las juntas y bridas.
- Absorbe la vibración del motor para reducir el estrés y el agrietamiento.
- Asegúrese de que las conexiones entre las tuberías y los silenciadores no presenten fugas .
- Evita ruidos y traqueteos no deseados durante la aceleración y las curvas.
Sin soportes y abrazaderas que funcionen correctamente, el escape puede hundirse, vibrar o incluso desprenderse, con el consiguiente riesgo de sufrir daños costosos y pérdida de rendimiento.
¿Por qué fallan los soportes y abrazaderas del escape?
El calor constante, la vibración y la exposición a los elementos hacen que los componentes de montaje del escape sean propensos a desgastarse con el tiempo.
Las causas comunes de falla incluyen:
- Corrosión u óxido causado por la sal de la carretera y la humedad.
- Fatiga del metal causada por ciclos de calor y vibración.
- Correas agrietadas o estiradas por tensión repetida.
- Abrazaderas sueltas o rotas que provocan fugas de escape.
- Deterioro del soporte de goma que provoca ruido o movimiento del escape.
La falla de estos componentes puede provocar desalineación del escape, ruidos, fugas o daños prematuros en las tuberías: problemas que empeoran rápidamente si se ignoran.
¿Por qué reemplazar componentes?
Reemplazar los accesorios de montaje del escape desgastados o dañados garantiza que el sistema de escape de su Porsche se mantenga estable, silencioso y de flujo libre.
Beneficios clave:
- Restaura la alineación y el ajuste del escape.
- Previene daños en silenciadores, tuberías y juntas.
- Elimina ruidos, vibraciones y fugas.
- Construcción duradera de acero inoxidable y resistente al calor.
- Compatibilidad directa con todos los modelos Porsche, clásicos y modernos.
- Ideal para mantenimiento, restauración o mejoras de rendimiento.
Un sistema de escape seguro no solo mejora la comodidad y el rendimiento, sino que también extiende la vida útil de otros componentes, lo que garantiza que su Porsche siga siendo refinado y confiable.
Reflejos:
- Soportes de escape, abrazaderas y correas de montaje de alta calidad.
- Diseñado con precisión para adaptarse a Porsche y brindar durabilidad.
- Previene vibraciones, movimientos y fugas de escape.
- Fabricado en acero inoxidable resistente a la corrosión.
- Perfecto para restauraciones o mantenimiento de escape.
- Garantiza estabilidad a largo plazo y un funcionamiento silencioso.