Por favor, espere… 
Por favor, espere mientras procesamos su orden,
no presiones el botón para volver… 
Sub5Club Store https://pitp.club https://pitp.club https://pitp.club

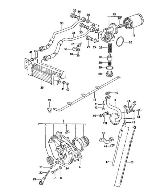
Lubricación del motor / Enfriador de aceite del motor 924 TURBO/GT 1980 - 1985 - PORSCHE

Haga clic sobre los números de la imagen para ver la información del producto

Diagram 104-005 Porsche 992.1 GT3 4.0L / 992 S/T 4.0L 2021-24 SKU: 046115105A, bomba de aceite lista para instalar SKU: N0331781, tornillo de cabeza avellanada m6 x 15 SKU: PCG115147, anillo de sellado 35 x 54 x 10 SKU: PCG115189A, empaquetadora SKU: N0103393, perno de cabeza hexagonal m6 x 40,SKU: N0102213, perno de cabeza hexagonal m6 x 35 SKU: N0115576, lavadora 6,4 SKU: 047115251B, tubo de admisión SKU: 047115267C, soporte de retención SKU: 047115285, abrazadera de tubo SKU: 048115257, empaquetadora SKU: 048115259, arandela de pestaña SKU: N90057201, perno de cabeza hueca hexagonal m6 x 15 SKU: PCG010210A, perno de cabeza hexagonal m 6 x 10 SKU: PCG012226F, arandela elástica a 6 SKU: 93110770100, filtro de aceite SKU: 047115611A, varilla de nivel de aceite SKU: 047103635, tubo guía SKU: 047115701, tubo de salpicadura de aceite SKU: PCG115708, adaptador SKU: 059115721, unión SKU: 056115411A, pistón SKU: 068115421, resorte de compresión SKU: 046115419, carcasa de válvula válvula de alivio SKU: N0438152, anillo de sellado un 20 x 24 SKU: N0438152, anillo de sellado un 20 x 24 SKU: 93110715100, soporte para filtro de aceite SKU: 99970162140, junta tórica 63,09 x 3,53 SKU: 046115579A, perno de banjo SKU: 93110715200, tapón de rosca SKU: 90012309870, anillo de sellado un 42 x 49 SKU: 92810717300, resorte de compresión SKU: 92810717202, inserto regulador SKU: 92810717101, resorte de compresión SKU: 93110712711, tubería de aceite enfriador de aceite del motor,SKU: 93110712712, tubería de aceite enfriador de aceite del motor SKU: 93110712911, tubería de aceite enfriador de aceite del motor,SKU: 93110712912, tubería de aceite enfriador de aceite del motor SKU: 99913402302, perno de banjo SKU: 99913402302, perno de banjo SKU: 90012310630, anillo de sellado un 18 x 24 SKU: 90012310630, anillo de sellado un 18 x 24 SKU: 90012310630, anillo de sellado un 18 x 24 SKU: 93110712501, soporte de retención SKU: 99951106602, abrazadera SKU: 93120705101, enfriador de aceite del motor,SKU: 93120705104, enfriador de aceite del motor SKU: 90037803001, perno de cabeza hexagonal m6 x 20 SKU: 056129669B, ojal SKU: 056129669B, ojal SKU: 052109135, manguito espaciador SKU: 052109135, manguito espaciador SKU: 93110715400, apoyo SKU: 047115645, abrazadera de tubo SKU: 90006701103, tornillo de cabeza plana m6 x 20 SKU: N02214812, tuerca m 6,SKU: 90007601003, tuerca m 6 104-005