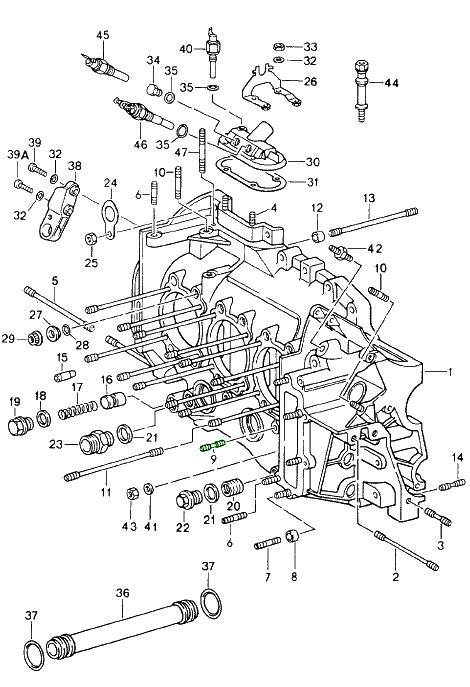
Kurbelgehäuseteile
Kurbelgehäusestehbolzen, BM 10 x 105. Porsche 911 / 914 / 964 / 993 / 996 / 997
- Porsche 911 1965-1968 2.0L / 912 SWB (F)
- Porsche 911 1968-1973 2.2L / 2.4L / 2.7L RS LWB (F)
- Porsche 911 1974-1977 2.7L / 1976-77 3.0 Carrera
- Porsche 911 1978-1983 3.0L / SC
- Porsche 911 1984-1986 3.2L
- Porsche 911 1987-1989 3.2L G50
- Porsche 911 1978-1989 3.3L Turbo (930)
- Porsche 964 (911) C2 1989-93
- Porsche 964 (911) C4 1989-93
- Porsche 964 (911) RS 3.6L 1991-93
- Porsche 964 (911) RS 3.8L 1991-93
- Porsche 964 (911) TURBO 3.3L 1991-93
- Porsche 964 (911) TURBO 3.6L 1991-93
- Porsche 993 (911) C2 1994-97
- Porsche 993 (911) C4 1994-97
- Porsche 993 (911) RS 1994-97
- Porsche 993 (911) C2S 1994-97
- Porsche 993 (911) C4S 1994-97
- Porsche 993 (911) TURBO 1994-96
- Porsche 993 (911) GT2 1994-97
- Porsche 993 (911) TURBO S 1994-97
- Porsche 996 TURBO 2000-05
- Porsche 996 GT3 MKI 1999-02
- Porsche 996 GT3 MKII 2003>>
- Porsche 996 GT3 RS 2003-04
- Porsche 997 MK1 TURBO 2007-09
- Porsche 997 MK1 GT3 2007-09
- Porsche 997 MKII GT3 2010-11
- Porsche 997 MKII Turbo 2010-13
- Porsche 914 (1970-1976)

Passt:
Porsche 911 1965-77 SPM
Porsche 911 Carrera 3.2L 1984-89
Porsche 911 Turbo 1978-83
Porsche 914-6 1970-76 SPM
Porsche 964 1989-94
Porsche 993 1995-98
Porsche 996 Turbo / GT3
Porsche 997 Turbo / GT3 2007-13
Klicken Sie auf „Vergrößern“, um das große Teilediagramm anzuzeigen.
Diagramm Nr. 3.
Zugehörige Referenznummern
Verwandte, ersetzte, Querverweisoder Alternativnummern zum Vergleich.
90006009601
Das von Ihnen angezeigte Produkt verweist auf diese Nummern
Sicher einkaufen
12 Monate Garantie
Weltweite Lieferung
Kurbelgehäusestehbolzen, BM 8 x 108. Porsche 911/ 914-6 / 964 / 993
- Porsche 911 1965-1968 2.0L / 912 SWB (F)
- Porsche 911 1968-1973 2.2L / 2.4L / 2.7L RS LWB (F)
- Porsche 911 1974-1977 2.7L / 1976-77 3.0 Carrera
- Porsche 911 1978-1983 3.0L / SC
- Porsche 911 1984-1986 3.2L
- Porsche 911 1987-1989 3.2L G50
- Porsche 911 1975-1977 3.0L Turbo (930)
- Porsche 911 1978-1989 3.3L Turbo (930)
- Porsche 964 (911) C2 1989-93
- Porsche 964 (911) C4 1989-93
- Porsche 964 (911) RS 3.6L 1991-93
- Porsche 964 (911) RS 3.8L 1991-93
- Porsche 964 (911) TURBO 3.3L 1991-93
- Porsche 964 (911) TURBO 3.6L 1991-93
- Porsche 993 (911) C2 1994-97
- Porsche 993 (911) C4 1994-97
- Porsche 993 (911) RS 1994-97
- Porsche 993 (911) C2S 1994-97
- Porsche 993 (911) C4S 1994-97
- Porsche 993 (911) TURBO 1994-96
- Porsche 993 (911) GT2 1994-97
- Porsche 993 (911) TURBO S 1994-97
- Porsche 914 (1970-1976)

Passt:
Porsche 911 1965-89
Porsche 964 1990-94
Porsche 993 1995-98
Porsche 914-6 1970-76
Klicken Sie auf „Vergrößern“, um das große Teilediagramm anzuzeigen.
Diagramm Nr. 7.
Zugehörige Referenznummern
Verwandte, ersetzte, Querverweisoder Alternativnummern zum Vergleich.
99906205103
Das von Ihnen angezeigte Produkt verweist auf diese Nummern
Sicher einkaufen
12 Monate Garantie
Weltweite Lieferung
Kurbelgehäusebolzen. Porsche 911 / 964 / 993 / 996 / 997
- Porsche 911 1978-1989 3.3L Turbo (930)
- Porsche 964 (911) C2 1989-93
- Porsche 964 (911) C4 1989-93
- Porsche 964 (911) RS 3.6L 1991-93
- Porsche 964 (911) RS 3.8L 1991-93
- Porsche 964 (911) TURBO 3.3L 1991-93
- Porsche 964 (911) TURBO 3.6L 1991-93
- Porsche 993 (911) C2 1994-97
- Porsche 993 (911) C4 1994-97
- Porsche 993 (911) RS 1994-97
- Porsche 993 (911) C2S 1994-97
- Porsche 993 (911) C4S 1994-97
- Porsche 993 (911) TURBO 1994-96
- Porsche 993 (911) GT2 1994-97
- Porsche 993 (911) TURBO S 1994-97
- Porsche 996 TURBO 2000-05
- Porsche 996 GT3 MKI 1999-02
- Porsche 996 GT3 MKII 2003>>
- Porsche 996 GT3 RS 2003-04
- Porsche 997 MK1 TURBO 2007-09
- Porsche 997 MK1 GT3 2007-09
- Porsche 997 MKII GT3 2010-11
- Porsche 997 MKII Turbo 2010-13

Passend für:
Porsche 911 1978-89 Turbo
Porsche 964 1989-94
Porsche 993 1995-98
Porsche 996 Turbo / GT3
Porsche 997 Turbo / GT3 2007>>
Dieses Produkt ersetzt die alte Teilenummer von Porsche:
- 99906222502
Klicken Sie auf „Vergrößern“, um das Diagramm der großen Teile anzuzeigen.
Diagramm Nr. 2.
Zugehörige Referenznummern
Verwandte, ersetzte, Querverweisoder Alternativnummern zum Vergleich.
90006009501
Das von Ihnen angezeigte Produkt verweist auf diese Nummern
Sicher einkaufen
12 Monate Garantie
Weltweite Lieferung
Kurbelgehäusebolzen. Porsche 964 / 993
- Porsche 964 (911) C2 1989-93
- Porsche 964 (911) C4 1989-93
- Porsche 964 (911) RS 3.6L 1991-93
- Porsche 964 (911) RS 3.8L 1991-93
- Porsche 964 (911) TURBO 3.3L 1991-93
- Porsche 964 (911) TURBO 3.6L 1991-93
- Porsche 993 (911) C2 1994-97
- Porsche 993 (911) C4 1994-97
- Porsche 993 (911) RS 1994-97
- Porsche 993 (911) C2S 1994-97
- Porsche 993 (911) C4S 1994-97
- Porsche 993 (911) TURBO 1994-96
- Porsche 993 (911) GT2 1994-97
- Porsche 993 (911) TURBO S 1994-97
6 pro Auto. Der angegebene Preis gilt für einen.

Passt:
Porsche 964 1990-94
Porsche 993 1995-98
Klicken Sie auf „Vergrößern“, um das große Teilediagramm anzuzeigen.
Diagramm Nr. 9.
Zugehörige Referenznummern
Verwandte, ersetzte, Querverweisoder Alternativnummern zum Vergleich.
99906209102
Das von Ihnen angezeigte Produkt verweist auf diese Nummern
Sicher einkaufen
12 Monate Garantie
Weltweite Lieferung
Kurbelgehäusebolzen. Porsche 964 / 993 / 996 / 997
- Porsche 964 (911) C2 1989-93
- Porsche 964 (911) C4 1989-93
- Porsche 964 (911) RS 3.6L 1991-93
- Porsche 964 (911) RS 3.8L 1991-93
- Porsche 964 (911) TURBO 3.6L 1991-93
- Porsche 993 (911) C2 1994-97
- Porsche 993 (911) C4 1994-97
- Porsche 993 (911) RS 1994-97
- Porsche 993 (911) C2S 1994-97
- Porsche 993 (911) C4S 1994-97
- Porsche 993 (911) TURBO 1994-96
- Porsche 993 (911) GT2 1994-97
- Porsche 993 (911) TURBO S 1994-97
- Porsche 996 TURBO 2000-05
- Porsche 996 GT3 MKI 1999-02
- Porsche 996 GT3 MKII 2003>>
- Porsche 996 GT3 RS 2003-04
- Porsche 997 MK1 TURBO 2007-09
- Porsche 997 MK1 GT3 2007-09
- Porsche 997 MKII GT3 2010-11
- Porsche 997 MKII Turbo 2010-13

Passt:
Porsche 964 1989-94
Porsche 993 1995-98
Porsche 996 Turbo / GT3
Porsche 997 Turbo / GT3 2007>>
Dieses Produkt ersetzt die alte Teilenummer von Porsche:
- 95910117301
Zugehörige Referenznummern
Verwandte, ersetzte, Querverweisoder Alternativnummern zum Vergleich.
95910117302
Das von Ihnen angezeigte Produkt verweist auf diese Nummern
Sicher einkaufen
12 Monate Garantie
Weltweite Lieferung
Kurbelgehäusebolzen. Porsche 964 / 993 / 996 / 997
- Porsche 964 (911) C2 1989-93
- Porsche 964 (911) C4 1989-93
- Porsche 964 (911) RS 3.6L 1991-93
- Porsche 964 (911) RS 3.8L 1991-93
- Porsche 964 (911) TURBO 3.6L 1991-93
- Porsche 993 (911) C2 1994-97
- Porsche 993 (911) C4 1994-97
- Porsche 993 (911) RS 1994-97
- Porsche 993 (911) C2S 1994-97
- Porsche 993 (911) C4S 1994-97
- Porsche 993 (911) TURBO 1994-96
- Porsche 993 (911) GT2 1994-97
- Porsche 993 (911) TURBO S 1994-97
- Porsche 996 TURBO 2000-05
- Porsche 996 GT3 MKI 1999-02
- Porsche 996 GT3 MKII 2003>>
- Porsche 996 GT3 RS 2003-04
- Porsche 997 MK1 TURBO 2007-09
- Porsche 997 MK1 GT3 2007-09
- Porsche 997 MKII GT3 2010-11
- Porsche 997 MKII Turbo 2010-13

Passend für:
Porsche 964 1989-94
Porsche 993 1995-98
Porsche 996 Turbo / GT3
Porsche 997 Turbo / GT3 2007>>
Dieses Produkt ersetzt die alte Teilenummer von Porsche:
- 95910117301
Zugehörige Referenznummern
Verwandte, ersetzte, Querverweisoder Alternativnummern zum Vergleich.
95910117302
Das von Ihnen angezeigte Produkt verweist auf diese Nummern
Sicher einkaufen
12 Monate Garantie
Weltweite Lieferung
Kurbelgehäusebolzen. Porsche 964 / 993 / 996TT / 996GT3 / 997TT
- Porsche 964 (911) C2 1989-93
- Porsche 964 (911) C4 1989-93
- Porsche 964 (911) RS 3.6L 1991-93
- Porsche 964 (911) RS 3.8L 1991-93
- Porsche 964 (911) TURBO 3.3L 1991-93
- Porsche 964 (911) TURBO 3.6L 1991-93
- Porsche 993 (911) C2 1994-97
- Porsche 993 (911) C4 1994-97
- Porsche 993 (911) RS 1994-97
- Porsche 993 (911) C2S 1994-97
- Porsche 993 (911) C4S 1994-97
- Porsche 993 (911) TURBO 1994-96
- Porsche 993 (911) GT2 1994-97
- Porsche 993 (911) TURBO S 1994-97
- Porsche 996 TURBO 2000-05
- Porsche 996 GT3 MKII 2003>>
- Porsche 996 GT3 RS 2003-04
- Porsche 997 MK1 TURBO 2007-09
- Porsche 997 MK1 GT3 2007-09
- Porsche 997 MKII Turbo 2010-13

Passend für:
Porsche 964 1990-94
Porsche 993 1995-98
Porsche 996 Turbo / GT3
Porsche 997 Turbo / GT3
Klicken Sie auf „Vergrößern“, um ein Diagramm mit großen Teilen anzuzeigen.
Diagramm Nr. 4
Zugehörige Referenznummern
Verwandte, ersetzte, Querverweisoder Alternativnummern zum Vergleich.
99610117570
Das von Ihnen angezeigte Produkt verweist auf diese Nummern
Sicher einkaufen
12 Monate Garantie
Weltweite Lieferung
Zylinderkopfbolzen BM 8 x 35. Porsche 911 SC
- Porsche 964 (911) C2 1989-93
- Porsche 964 (911) C4 1989-93
- Porsche 964 (911) RS 3.6L 1991-93
- Porsche 964 (911) RS 3.8L 1991-93
- Porsche 964 (911) TURBO 3.3L 1991-93
- Porsche 964 (911) TURBO 3.6L 1991-93
- Porsche 993 (911) C2 1994-97
- Porsche 993 (911) C4 1994-97
- Porsche 993 (911) RS 1994-97
- Porsche 993 (911) C2S 1994-97
- Porsche 993 (911) C4S 1994-97
- Porsche 993 (911) TURBO 1994-96
- Porsche 993 (911) GT2 1994-97
- Porsche 993 (911) TURBO S 1994-97
Pro Stück verkauft.

Passend für:
Porsche 911 SC – 1978 bis 1979
Klicken Sie auf „Vergrößern“, um ein Diagramm mit großen Teilen anzuzeigen.
Diagramm Nr. 5
Zugehörige Referenznummern
Verwandte, ersetzte, Querverweisoder Alternativnummern zum Vergleich.
99906223702
Das von Ihnen angezeigte Produkt verweist auf diese Nummern
Sicher einkaufen
12 Monate Garantie
Weltweite Lieferung
Motorgehäuseteiler für Porsche 911
- Porsche 911 1965-1968 2.0L / 912 SWB (F)
- Porsche 911 1968-1973 2.2L / 2.4L / 2.7L RS LWB (F)
- Porsche 911 1974-1977 2.7L / 1976-77 3.0 Carrera
- Porsche 911 1978-1983 3.0L / SC
- Porsche 911 1984-1986 3.2L
- Porsche 911 1987-1989 3.2L G50
- Porsche 911 1975-1977 3.0L Turbo (930)
- Porsche 911 1978-1989 3.3L Turbo (930)
- Porsche 964 (911) C2 1989-93
- Porsche 964 (911) C4 1989-93
- Porsche 964 (911) RS 3.6L 1991-93
- Porsche 964 (911) RS 3.8L 1991-93
- Porsche 964 (911) TURBO 3.3L 1991-93
- Porsche 964 (911) TURBO 3.6L 1991-93
- Porsche 993 (911) C2 1994-97
- Porsche 993 (911) C4 1994-97
- Porsche 993 (911) RS 1994-97
- Porsche 993 (911) C2S 1994-97
- Porsche 993 (911) C4S 1994-97
- Porsche 993 (911) TURBO 1994-96
- Porsche 993 (911) GT2 1994-97
- Porsche 993 (911) TURBO S 1994-97
- Porsche 996 C2 3.4L 1997-08/01
- Porsche 996 C4 3.4L 1997-08/01
- Porsche 996 C2 3.6L 09/01-2005
- Porsche 996 C4 3.6L 09/01-2005
- Porsche 996 C4S 3.6L 09/01-2005
- Porsche 996 TURBO 2000-05
- Porsche 996 GT2 2001-05
- Porsche 996 GT3 MKI 1999-02
- Porsche 996 GT3 MKII 2003>>
- Porsche 996 GT3 RS 2003-04
- Porsche 997 MK1 Carrera 2 3.6L 2005-08
- Porsche 997 MK1 Carrera 2S 3.8L 2005-08
- Porsche 997 MK1 Carrera 4 3.6L 2005-08
- Porsche 997 MK1 Carrera 4S 3.8L 2005-08
- Porsche 997 MK1 TURBO 2007-09
- Porsche 997 MK1 GT3 2007-09
- Porsche 997 MK1 GT2 2007-09

Kein Hämmern, Meißeln, Fluchen, Erhitzen, Hebeln oder Beten mehr, um ein 911-Motorgehäuse auseinander zu bekommen. Die SR124 von STOMSKI RACING trennt die Motorgehäusehälften ELEGANT und SCHONEND und verkürzt nicht nur den Prozess der Motorzerlegung, sondern schützt auch das, was zweifellos ein teures Gut ist – das Motorgehäuse selbst. Das seltene passende Sandguss-Aluminiumgehäuse des frühen 911S oder das unmöglich zu findende 911 GT3 RSR-Gehäuse oder das frühe Magnesiumgehäuse, das so zerbrechlich erscheint, alle können JETZT vor der Bedrohung durch den Holzblock und den Bleihammer geschützt werden. oder die Fackel oder das Brecheisen und den Meißel.
SR124 enthält eine CNC-präzisionsgefertigte Aluminiumplattform, die Sie mit den mitgelieferten Rändelschrauben an vier Kopfbolzen (idealerweise über Nr. 2 oder Nr. 5) schrauben. Eine übergroße Antriebsschraube (Edelstahl) wird dann durch die Plattform geschraubt, um mit einem hochbelasteten Lager in unserer speziell entwickelten Stangenkappe zusammenzupassen, die gegen den Kolbenbolzen der Pleuelstange Nr. 2 oder Nr. 5 drückt, die sich unten befindet. Totpunkt. Wenn Sie die Antriebsschraube langsam mit einem Schraubenschlüssel oder einer Ratsche festziehen, wird das Drehmoment des SR124-Splitters gleichmäßig über die gesamte Kurbelwelle verteilt und drückt gegen ALLE 8 Hauptlager. Sobald das Spiel aufgenommen ist, ist nur eine SANFTE Kraftanstrengung an der Antriebsschraube erforderlich, um selbst die aggressivsten Fälle zu spalten.
Die SR124-Plattform ist für alle Mezger 911 (2.0 bis 997) ausgelegt und enthält Delrin-Einsätze/Hülsen, die die Kopfbolzen vor Kratzern oder Dellen schützen.
Sicher einkaufen
12 Monate Garantie
Weltweite Lieferung
Motor-Kurbelgehäuse-Dichtsatz. Porsche 911 / 964 / 993
- Porsche 911 1978-1983 3.0L / SC
- Porsche 911 1984-1986 3.2L
- Porsche 911 1987-1989 3.2L G50
- Porsche 911 1975-1977 3.0L Turbo (930)
- Porsche 911 1978-1989 3.3L Turbo (930)
- Porsche 964 (911) C2 1989-93
- Porsche 964 (911) C4 1989-93
- Porsche 964 (911) RS 3.6L 1991-93
- Porsche 964 (911) RS 3.8L 1991-93
- Porsche 964 (911) TURBO 3.3L 1991-93
- Porsche 964 (911) TURBO 3.6L 1991-93
- Porsche 993 (911) C2 1994-97
- Porsche 993 (911) C4 1994-97
- Porsche 993 (911) RS 1994-97
- Porsche 993 (911) C2S 1994-97
- Porsche 993 (911) C4S 1994-97
- Porsche 993 (911) TURBO 1994-96
- Porsche 993 (911) GT2 1994-97
- Porsche 993 (911) TURBO S 1994-97
Passform:
Porsche 911 - 1978 bis 1989
Porsche 964 - 1989 bis 1994
Porsche 993 - 1994 bis 1998
Zugehörige Referenznummern
Verwandte, ersetzte, Querverweisoder Alternativnummern zum Vergleich.
93010090104
Das von Ihnen angezeigte Produkt verweist auf diese Nummern
Sicher einkaufen
12 Monate Garantie
Weltweite Lieferung
Kurbelgehäuse-Ölablassschraube. Porsche 964 / 993 / 996 GT3
- Porsche 964 (911) C2 1989-93
- Porsche 964 (911) C4 1989-93
- Porsche 964 (911) RS 3.6L 1991-93
- Porsche 964 (911) RS 3.8L 1991-93
- Porsche 964 (911) TURBO 3.3L 1991-93
- Porsche 964 (911) TURBO 3.6L 1991-93
- Porsche 993 (911) C2 1994-97
- Porsche 993 (911) C4 1994-97
- Porsche 993 (911) RS 1994-97
- Porsche 993 (911) C2S 1994-97
- Porsche 993 (911) C4S 1994-97
- Porsche 993 (911) TURBO 1994-96
- Porsche 993 (911) GT2 1994-97
- Porsche 993 (911) TURBO S 1994-97
- Porsche 996 GT3 MKI 1999-02
- Porsche 996 GT3 MKII 2003>>
- Porsche 996 GT3 RS 2003-04
Wird einzeln verkauft.

Passform:
Porsche 964 1989-94
Porsche 993 1994-98
Porsche 996 GT3 2001-05
Diagramm Ref. Nr. 61
Zugehörige Referenznummern
Verwandte, ersetzte, Querverweisoder Alternativnummern zum Vergleich.
91110118500
Das von Ihnen angezeigte Produkt verweist auf diese Nummern
Sicher einkaufen
12 Monate Garantie
Weltweite Lieferung
Stehbolzen Motorkurbelgehäuse BM 8 x 30. Porsche 964 / 993
- Porsche 964 (911) C2 1989-93
- Porsche 964 (911) C4 1989-93
- Porsche 964 (911) RS 3.6L 1991-93
- Porsche 964 (911) RS 3.8L 1991-93
- Porsche 964 (911) TURBO 3.3L 1991-93
- Porsche 964 (911) TURBO 3.6L 1991-93
- Porsche 993 (911) C2 1994-97
- Porsche 993 (911) C4 1994-97
- Porsche 993 (911) RS 1994-97
- Porsche 993 (911) C2S 1994-97
- Porsche 993 (911) C4S 1994-97
- Porsche 993 (911) TURBO 1994-96
- Porsche 993 (911) GT2 1994-97
- Porsche 993 (911) TURBO S 1994-97
Pro Stück verkauft.

Passend für:
Porsche 964 1989-94
Porsche 993 1995-98
Klicken Sie auf „Vergrößern“, um ein Diagramm mit großen Teilen anzuzeigen.
Diagramm Nr. 7
Zugehörige Referenznummern
Verwandte, ersetzte, Querverweisoder Alternativnummern zum Vergleich.
99906204402
Das von Ihnen angezeigte Produkt verweist auf diese Nummern
Sicher einkaufen
12 Monate Garantie
Weltweite Lieferung
Stehbolzen Motorkurbelgehäuse, BM 8 x 30. Porsche 964 / 993
- Porsche 964 (911) C2 1989-93
- Porsche 964 (911) C4 1989-93
- Porsche 964 (911) RS 3.6L 1991-93
- Porsche 964 (911) RS 3.8L 1991-93
- Porsche 964 (911) TURBO 3.3L 1991-93
- Porsche 964 (911) TURBO 3.6L 1991-93
- Porsche 993 (911) C2 1994-97
- Porsche 993 (911) C4 1994-97
- Porsche 993 (911) RS 1994-97
- Porsche 993 (911) C2S 1994-97
- Porsche 993 (911) C4S 1994-97
- Porsche 993 (911) TURBO 1994-96
- Porsche 993 (911) GT2 1994-97
- Porsche 993 (911) TURBO S 1994-97
Pro Stück verkauft.

Passend für:
Porsche 964 1989-94
Porsche 993 1995-98
Klicken Sie auf „Vergrößern“, um ein Diagramm mit großen Teilen anzuzeigen.
Diagramm Nr. 7
Zugehörige Referenznummern
Verwandte, ersetzte, Querverweisoder Alternativnummern zum Vergleich.
99906204402
Das von Ihnen angezeigte Produkt verweist auf diese Nummern
Sicher einkaufen
12 Monate Garantie
Weltweite Lieferung
Motorkurbelgehäusebolzen, BM8FO x 22. Porsche 911 / 914 / 964 / 993 / 996TT / 997TT
- Porsche 911 1965-1968 2.0L / 912 SWB (F)
- Porsche 911 1968-1973 2.2L / 2.4L / 2.7L RS LWB (F)
- Porsche 911 1974-1977 2.7L / 1976-77 3.0 Carrera
- Porsche 911 1978-1983 3.0L / SC
- Porsche 911 1984-1986 3.2L
- Porsche 911 1987-1989 3.2L G50
- Porsche 911 1975-1977 3.0L Turbo (930)
- Porsche 911 1978-1989 3.3L Turbo (930)
- Porsche 964 (911) C2 1989-93
- Porsche 964 (911) C4 1989-93
- Porsche 964 (911) RS 3.6L 1991-93
- Porsche 964 (911) RS 3.8L 1991-93
- Porsche 964 (911) TURBO 3.3L 1991-93
- Porsche 964 (911) TURBO 3.6L 1991-93
- Porsche 993 (911) C2 1994-97
- Porsche 993 (911) C4 1994-97
- Porsche 993 (911) RS 1994-97
- Porsche 993 (911) C2S 1994-97
- Porsche 993 (911) C4S 1994-97
- Porsche 993 (911) TURBO 1994-96
- Porsche 993 (911) GT2 1994-97
- Porsche 993 (911) TURBO S 1994-97
- Porsche 996 TURBO 2000-05
- Porsche 996 GT2 2001-05
- Porsche 996 GT3 MKI 1999-02
- Porsche 996 GT3 MKII 2003>>
- Porsche 997 MK1 TURBO 2007-09
- Porsche 997 MK1 GT3 2007-09
- Porsche 997 MK1 GT2 2007-09
- Porsche 914 (1970-1976)
Pro Stück verkauft.

Passend für:
Porsche 911 1965-89
Porsche 964 1989-94
Porsche 993 1995-98
Porsche 996 Turbo 2001-05
Porsche 996 GT3 3.6L 1999-05
Porsche 997.1 Turbo 2007-09
Porsche 997 GT3 3.6L 2006-09
Porsche 914-6 1970-76
Klicken Sie auf „Vergrößern“, um ein Diagramm mit großen Teilen anzuzeigen.
Diagramm Nr. 4
Zugehörige Referenznummern
Verwandte, ersetzte, Querverweisoder Alternativnummern zum Vergleich.
90006010601
Das von Ihnen angezeigte Produkt verweist auf diese Nummern
Sicher einkaufen
12 Monate Garantie
Weltweite Lieferung
Stehbolzen Motorkurbelgehäuse, M8 x 52. Porsche 911 / 914 / 964 / 993 / 996TT / 997TT
- Porsche 911 1965-1968 2.0L / 912 SWB (F)
- Porsche 911 1968-1973 2.2L / 2.4L / 2.7L RS LWB (F)
- Porsche 911 1974-1977 2.7L / 1976-77 3.0 Carrera
- Porsche 911 1978-1983 3.0L / SC
- Porsche 911 1984-1986 3.2L
- Porsche 911 1987-1989 3.2L G50
- Porsche 911 1975-1977 3.0L Turbo (930)
- Porsche 911 1978-1989 3.3L Turbo (930)
- Porsche 964 (911) C2 1989-93
- Porsche 964 (911) C4 1989-93
- Porsche 964 (911) RS 3.6L 1991-93
- Porsche 964 (911) RS 3.8L 1991-93
- Porsche 964 (911) TURBO 3.3L 1991-93
- Porsche 964 (911) TURBO 3.6L 1991-93
- Porsche 993 (911) C2 1994-97
- Porsche 993 (911) C4 1994-97
- Porsche 993 (911) RS 1994-97
- Porsche 993 (911) C2S 1994-97
- Porsche 993 (911) C4S 1994-97
- Porsche 993 (911) TURBO 1994-96
- Porsche 993 (911) GT2 1994-97
- Porsche 993 (911) TURBO S 1994-97
- Porsche 996 TURBO 2000-05
- Porsche 996 GT2 2001-05
- Porsche 996 GT3 MKI 1999-02
- Porsche 996 GT3 MKII 2003>>
- Porsche 997 MK1 TURBO 2007-09
- Porsche 997 MK1 GT3 2007-09
- Porsche 997 MK1 GT2 2007-09
- Porsche 914 (1970-1976)
Pro Stück verkauft.

Passend für:
Porsche 911 1965-89
Porsche 964 1989-94
Porsche 993 1995-98
Porsche 996 Turbo 2001-05
Porsche 996 GT3 3.6L 1999-05
Porsche 997.1 Turbo 2007-09
Porsche 997 GT3 3.6L 2006-09
Porsche 914-6 1970-76
Klicken Sie auf „Vergrößern“, um ein Diagramm mit großen Teilen anzuzeigen.
Diagramm Nr. 11
Zugehörige Referenznummern
Verwandte, ersetzte, Querverweisoder Alternativnummern zum Vergleich.
90006010601
Das von Ihnen angezeigte Produkt verweist auf diese Nummern
Sicher einkaufen
12 Monate Garantie
Weltweite Lieferung
Stehbolzen Motorkurbelgehäuse, M8 x 52. Porsche 911 / 914 / 964 / 993 / 996TT / 997TT
- Porsche 911 1965-1968 2.0L / 912 SWB (F)
- Porsche 911 1968-1973 2.2L / 2.4L / 2.7L RS LWB (F)
- Porsche 911 1974-1977 2.7L / 1976-77 3.0 Carrera
- Porsche 911 1978-1983 3.0L / SC
- Porsche 911 1984-1986 3.2L
- Porsche 911 1987-1989 3.2L G50
- Porsche 911 1975-1977 3.0L Turbo (930)
- Porsche 911 1978-1989 3.3L Turbo (930)
- Porsche 964 (911) C2 1989-93
- Porsche 964 (911) C4 1989-93
- Porsche 964 (911) RS 3.6L 1991-93
- Porsche 964 (911) RS 3.8L 1991-93
- Porsche 964 (911) TURBO 3.3L 1991-93
- Porsche 964 (911) TURBO 3.6L 1991-93
- Porsche 993 (911) C2 1994-97
- Porsche 993 (911) C4 1994-97
- Porsche 993 (911) RS 1994-97
- Porsche 993 (911) C2S 1994-97
- Porsche 993 (911) C4S 1994-97
- Porsche 993 (911) TURBO 1994-96
- Porsche 993 (911) GT2 1994-97
- Porsche 993 (911) TURBO S 1994-97
- Porsche 996 TURBO 2000-05
- Porsche 996 GT2 2001-05
- Porsche 996 GT3 MKI 1999-02
- Porsche 996 GT3 MKII 2003>>
- Porsche 997 MK1 TURBO 2007-09
- Porsche 997 MK1 GT3 2007-09
- Porsche 997 MK1 GT2 2007-09
- Porsche 914 (1970-1976)
Pro Stück verkauft.

Passend für:
Porsche 911 1965-89
Porsche 964 1989-94
Porsche 993 1995-98
Porsche 996 Turbo 2001-05
Porsche 996 GT3 3.6L 1999-05
Porsche 997.1 Turbo 2007-09
Porsche 997 GT3 3.6L 2006-09
Porsche 914-6 1970-76
Klicken Sie auf „Vergrößern“, um ein Diagramm mit großen Teilen anzuzeigen.
Diagramm Nr. 11
Zugehörige Referenznummern
Verwandte, ersetzte, Querverweisoder Alternativnummern zum Vergleich.
90006010201
Das von Ihnen angezeigte Produkt verweist auf diese Nummern
Sicher einkaufen
12 Monate Garantie
Weltweite Lieferung
Präzisions-Kurbelgehäuseteile – Stärke, Balance und Zuverlässigkeit für Porsche-Motoren
Das Kurbelgehäuse bildet das Herzstück jedes Porsche-Motors und beherbergt wichtige rotierende Komponenten wie Kurbelwelle, Lager und Pleuelstangen. Es sorgt für strukturelle Stabilität, Ölrückhaltung und präzise Ausrichtung der beweglichen Motorteile – und ist somit entscheidend für Leistung und Langlebigkeit.
Design911 bietet eine breite Palette präzisionsgefertigter Kurbelgehäusekomponenten, darunter Lagerschalen, Dichtungen, Entlüftungsventile, Passstifte, Stopfen und Befestigungselemente, die alle mit höchster Toleranz gefertigt werden. Jedes Teil wird aus hochfesten, hitzebeständigen Materialien gefertigt, um dauerhafte Haltbarkeit und Leistung unter anspruchsvollsten Fahrbedingungen zu gewährleisten.
Egal, ob Sie einen luftgekühlten 911 restaurieren oder einen modernen 992 warten, unsere Kurbelgehäuseteile in Herstellerqualität gewährleisten perfekte Passform, öldichte Abdichtung und zuverlässige Leistung für die kommenden Jahre.
Welche Funktion haben Kurbelgehäuseteile?
Kurbelgehäusekomponenten erfüllen im Motor wichtige strukturelle und Schmierfunktionen, schützen die Innenteile und sorgen für ein Druckgleichgewicht.
Kernfunktionen:
- Beherbergen und stützen Sie die Kurbelwelle, Pleuelstangen und Lager.
- Enthalten und verteilen Sie Öl, um bewegliche Komponenten zu schmieren.
- Behalten Sie die strukturelle Steifigkeit bei , um Vibrationen und Fehlausrichtungen zu vermeiden.
- Kontrollieren Sie die Kurbelgehäuseentlüftung , um Ölverunreinigungen und Druckaufbau zu reduzieren.
Sowohl bei Hochleistungs- als auch bei klassischen Porsche-Motoren sorgt das Kurbelgehäuse für Stabilität, gleichmäßige Rotation und zuverlässiges Ölmanagement – der Schlüssel zu konstanter Leistung und geringerem Verschleiß.
Warum versagen Kurbelgehäuseteile?
Mit der Zeit können Kurbelgehäusekomponenten durch Hitzezyklen, Vibrationen, Ölverunreinigungen und mechanische Ermüdung verschleißen. Werden diese Fehler vernachlässigt, können sie zu Öllecks, Druckungleichgewichten und sogar zu katastrophalen Motorschäden führen.
Zu den häufigsten Fehlerursachen zählen:
- Verschleiß der Öldichtung führt zu Undichtigkeiten und Druckverlust.
- Lagerermüdung durch anhaltend hohe Belastung oder niedrigen Öldruck.
- Verzogene Oberflächen durch Überhitzung oder Korrosion.
- Verstopfte Entlüftungsventile verursachen Druckaufbau und Öldurchblasen.
- Ermüdung der Befestigungselemente, die zu struktureller Lockerung oder Vibration führt.
Der Austausch verschlissener Kurbelgehäuseteile während einer Motorüberholung oder eines Wartungsintervalls ist unerlässlich, um die Ölkontrolle, Ausrichtung und Integrität der Kurbelwelle zu erhalten.
Warum sollte man präzisionsgefertigte Kurbelgehäuseteile verwenden?
Hochwertige Kurbelgehäusekomponenten sorgen dafür, dass Ihr Porsche-Motor seine Festigkeit, Dichtfähigkeit und präzise Ausrichtung behält – unerlässlich für Leistung, Zuverlässigkeit und Langlebigkeit.
Hauptvorteile:
- Stellt die interne Ausrichtung für eine reibungslose Kurbelwellenrotation wieder her.
- Verhindert Öllecks und Druckverlust und erhält so die Motorleistung.
- Verbessert die Schmierkontrolle und die Lagerlebensdauer.
- Reduziert Vibrationen und Geräusche, die durch abgenutzte oder lose Komponenten verursacht werden.
- Hergestellt aus korrosions- und hitzebeständigen Materialien für dauerhafte Stärke.
- Perfekte Passform und Toleranz für luftgekühlte und wassergekühlte Porsche-Motoren .
Ingenieure und Restauratoren vertrauen auf Präzisionskurbelgehäuseteile, um die legendäre Zuverlässigkeit und mechanische Balance von Porsche aufrechtzuerhalten – ob auf der Straße oder der Rennstrecke.
Highlights:
- Umfassendes Sortiment an Kurbelgehäusedichtungen, Lagern, Schrauben und Entlüftungskomponenten.
- Präzisionsgefertigte Teile für hohe Belastungen und hohe Temperaturen.
- Materialien und Toleranzen in Herstellerqualität.
- Perfekt für die Restaurierung klassischer Motoren und den Umbau leistungsstarker Motoren.
- Verbessert das Ölmanagement, die strukturelle Steifigkeit und die Zuverlässigkeit.
- Kompatibel mit luftgekühlten und modernen Porsche-Motorarchitekturen.