Drücken Sie nicht die Zurück-Taste.…
-
Motorteile
-
- Teile für Motorüberholung Zwischenwelle (IMS) Teile des Ölsystems Teile des Kraftstoffsystems Dichtungen und Sätze Radialdichtung / RMS / Nockenwelle / Ausgleichswelle Riemen/Spanner/Rollen Ketten und Spanner Motorlager/-schalen Motorventile/Führungen/Federn Kipphebel Motorbolzen Motoraufhängungen Kolbenringe Motorzylinder/Laufbuchsen/Kolben Pleuelstange Zylinderkopf Nockenwelle und Teile Nockenwellen Nockenwellenräder / Kettenräder und Befestigungen Kurbelgehäuseteile Kurbelwelle und Teile Motorblech Alle Kategorien
-
Bremsen
-
- Bremsen Bremsbeläge und Scheibenpaket Bremsscheibe Standard Bremsbeläge Standard Brembo Standardbremsen Brembo Rennsportbremsen TEXTAR Bremsen PAGID Rennsportbremsen Zimmermann Bremsen EBC Bremsen Schwingungsdämpfende Platten für Bremsbeläge Bremssattel-/Scheibenschrauben Schraubensatz und Führungsplatten Hochleistungs-Bremsschläuche Standard-Bremsschläuche Bremssattel- und Bremsleitungen Bremssättel Bremssattel-Aufrüstsatz Handbremsschuhe Handbremskabel Abdeckplatten für Bremsscheiben Bremssatteldichtung/Bremssattelkolben Bremskraftverstärker Alle Kategorien
-
-
Aufhängung & Lenkung
-
Übertragung
-
- Getriebekasten/Getriebe Kupplungssätze Kupplungsreibscheibe Kupplungsdruckplatte Kupplungsausrücklager Kupplungszug und Teile Kupplungsführungshülse Kupplungsausrückgabeln und -hebel Getriebeteile Antriebswellen und Teile Getriebedichtungssätze Getriebelager Teile der Getriebesteuerung Schwungrad/Drehmoment Gleichlaufgelenkkits Gleichlaufgelenkmanschetten und -kits Kardanwelle/Gelenkwelle Getriebeöl Getriebewanne/Ölwanne Differential Motorsport-Teile
-
- Kühlen & Heizen
-
Elektrik und Beleuchtung
-
- Elektrische Komponenten und Relais Kraftstoffpumpen Bremslichtschalter Handbremsschalter Rückfahrlichtschalter Scheinwerferschalter Fenstermechanismus Wischermechanismus Elektrische Hupe SmartTop Steuergeräte Zündschalter Blinker-/Wischerhebelschalter Relais/Sicherungen Waschanlagenpumpen/Flaschen/Düsen Warnsignale/Sicherheit/Zentralverriegelung Steuergeräte Dashboard-/Konsolenteile und Schalter Aktivatoren & Motoren für Motorhaube/Heckklappe/Spoiler Tracker Steckergehäuse Kabelbaum
-
- Beleuchtung Scheinwerfer für Rechtslenker Scheinwerfer für Linkslenker Scheinwerferteile und Linsen Blinker vorn Blinker hinten für Rechtslenker Blinker hinten für Linkslenker Nebel-/Fahrscheinwerfer Seitliche Blinker Nummernschildbeleuchtung Bremsleuchte/Reflektoren hinten Hupengitter Alle Kategorien
-
-
Karosserie & Auspuff
-
- Fahrgestell/Karosserie Restaurierung Fahrgestell/Reparaturpanels Motorhauben/Schlösser und Riegel Kofferräume/Heckklappe/Schlösser und Riegel Heckklappe/Heckklappe Stoßfänger vorn Stoßfänger hinten Türen/Schlösser und Riegel Türverkleidungen | Scharniere | Schließbleche Fensterheber Kotflügel vorn und Teile Kotflügel hinten & Teile Seitenschwellerverkleidungen Äußere Fahrgestellleisten Spiegel und Teile Steinschlagfolien/Aufkleber Wischerblätter/-arme Radlaufverkleidungen und -abdeckungen Dach - Cabrio/Targa/Coupé Überrollkäfige Schallschutz Frontscheibe Heckscheibe Alle Kategorien
-
-
Auspuffanlagen
Sportschalldämpfer / Schalldämpfer
2 IN / 1 OUT
Standard-Schalldämpfer 2 IN / 1 OUT
Sportschalldämpfer 2 IN / 2 OUT
Standard-Schalldämpfer 2 IN / 2 OUT
Sportschalldämpfer Dämmelemente/Schalldämpfer Abgaskrümmer/Fächerkrümmer Auspuffendrohre Wärmetauscher Auspuffsystem Auspuffdichtungen Alle Kategorien
-
Auspuffanlagen
Sportschalldämpfer / Schalldämpfer
2 IN / 1 OUT
-
-
Schmiermittel und Flüssigkeiten
-
- Ersatzteile Ölfilter Luftfilter Riemen aller Art Zündkerzen IRIDIUM POWER Zündkerzen Zündspulen Wischerblätter/-arme Heckscheibenwischerarme und -blätter Ersatzteile für Getriebe Porsche Classic Motoröl Motoröl und Schmierstoffe – Mobil Motoröl und Schmiermittel – Total Motoröl und Schmiermittel – Castrol Motoröl und Schmiermittel – Motul Motoröl und Schmiermittel – Millers Oils NanoDrive Motoröl und Schmiermittel – Millers Oils Kraftstoffzusätze PSA für Autowerkstätten
-
-
Alle Teile
-
- Teile Zubehör Fahrgestell/Karosserie Bremsen Bekleidung und Geschenkartikel Elektrische Komponenten und Relais Motorkühlung Elektrische Motorkomponenten Teile für Motorüberholung Leistungsteile Auspuffanlagen Außengestaltung/Spoiler Getriebekasten/Getriebe Heizung/Klimaanlage Hydraulikkomponenten Innenausstattung und Zubehör In-Car-Entertainment/Multimedia Beleuchtung Matten und Teppiche Motorsport und Offroad Pedalerie Gummidichtungen Sitze und Sicherheitsgurte Alle Kategorien
-
- Back to main website
Geben Sie hier Ihre MwSt.-Nummer ein und klicken Sie auf Überprüfen:
Sie brauchen den Ländercode Ihrer MwSt.-Nummer nicht einzugeben, da dieser bereits oben in Ihrer Rechnungsadresse ausgewählt wurde.
Ihre Angaben wurden überprüft. MwSt.-Nummer registriert auf:
,
.
Ihre Bestellung ist nun mehrwertsteuerfrei. Wir behalten uns das Recht vor, diese Angaben nach Ihrer Bestellung zu überprüfen und gegebenenfalls die Mehrwertsteuer wieder einzuführen.
Ihre MwSt.-Angaben wurden nicht erkannt oder waren ungültig. Ihre MwSt.-Nummer muss mit Ihrem Rechnungsland übereinstimmen, wie oben angegeben. Dies ist derzeit als angegeben. Sie brauchen den Ländercode Ihrer MwSt.-Nummer nicht einzugeben, da Sie diesen bereits in den Angaben zu Ihrer Rechnungsadresse oben ausgewählt haben.
Der Dienst zur Überprüfung von MwSt.-Nummern ist derzeit offline. Bitte geben Sie Ihre MwSt.-Daten im Feld „Kommentare“ oder „Besondere Hinweise“ unten an, und wir werden nach Ihrer Bestellung einen MwSt.-Rabatt gewähren.
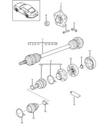
Radnabe hinten. Porsche 997.1 Turbo / 997.2 Turbo ❭ 99733160702
- Porsche 997 MK1 TURBO 2007-09
- Porsche 997 MKII Turbo 2010-13

Passt:
Für Fahrzeuge mit (I422) Turborädern, 19", Zentralverschluss
Porsche 997.1 Turbo 2009-10
Porsche 997.2 Turbo 2011-13
Klicken Sie auf „Vergrößern“, um ein großes Teilediagramm anzuzeigen.
Diagramm Nr. 7
Zugehörige Referenznummern
Verwandte, ersetzte, Querverweisoder Alternativnummern zum Vergleich.
99733160702
Das von Ihnen angezeigte Produkt verweist auf diese Nummern
- Porsche 356 1950-55
- Porsche 356A 1955-59
- Porsche 356B 1959-63

Passt:
Porsche 356 / 356A / 356B 1950-63
Klicken Sie auf „Vergrößern“, um ein großes Teilediagramm anzuzeigen.
Diagramm Nr. 51
Zugehörige Referenznummern
Verwandte, ersetzte, Querverweisoder Alternativnummern zum Vergleich.
3564145
Das von Ihnen angezeigte Produkt verweist auf diese Nummern
- Porsche 356 1950-55
- Porsche 356A 1955-59

Passt:
Porsche 356 1950–1959
Klicken Sie auf „Vergrößern“, um ein großes Teilediagramm anzuzeigen.
Diagramm Nr. 51
Zugehörige Referenznummern
Verwandte, ersetzte, Querverweisoder Alternativnummern zum Vergleich.
35641427
Das von Ihnen angezeigte Produkt verweist auf diese Nummern
- Porsche 911 1965-1968 2.0L / 912 SWB (F)
- Porsche 911 1968-1973 2.2L / 2.4L / 2.7L RS LWB (F)
- Porsche 356C 1963-65
- Porsche 914 (1970-1976)

Passt:
Porsche 356C 1963-65 (RECHTS)
Porsche 911 1965-73
Porsche 914-6 1970-76
Klicken Sie auf „Vergrößern“, um ein großes Teilediagramm anzuzeigen.
Diagramm Nr. 18
Zugehörige Referenznummern
Verwandte, ersetzte, Querverweisoder Alternativnummern zum Vergleich.
91434168400
Das von Ihnen angezeigte Produkt verweist auf diese Nummern
Montag-Freitag: 8.30 - 17.30 Uhr (GMT) Samstag: Geschlossen Sonntag: Geschlossen