Drücken Sie nicht die Zurück-Taste.…
-
Motorteile
-
- Teile für Motorüberholung Zwischenwelle (IMS) Teile des Ölsystems Teile des Kraftstoffsystems Dichtungen und Sätze Radialdichtung / RMS / Nockenwelle / Ausgleichswelle Riemen/Spanner/Rollen Ketten und Spanner Steuergehäusedeckel und Dichtungen Motorlager/-schalen Motorventile/Führungen/Federn Kipphebel Motorbolzen Motoraufhängungen Kolbenringe Motorzylinder/Laufbuchsen/Kolben Pleuelstange Zylinderkopf Nockenwelle und Teile Nockenwellen Nockenwellenräder / Kettenräder und Befestigungen Kurbelgehäuseteile Kurbelwelle und Teile Alle Kategorien
-
Bremsen
-
- Bremsen Bremsbeläge und Scheibenpaket SPORTS Bremsbeläge und Scheibenpaket Bremsbelagpakete Bremsscheibe Standard Bremsbeläge Standard SPORTS Bremsscheibe Brembo Standardbremsen Brembo Rennsportbremsen TEXTAR Bremsen PAGID Rennsportbremsen Zimmermann Bremsen Hochleistungs-Reibungsbremsen Giro Bremsscheibe gerillt SHW Performance Brakes EBC Bremsen Black Diamond Hochleistungs-Bremsen O-Brake Bremsscheiben Rotinger Graphite Line Ersatz für Keramikscheibe Verschleißsensoren für Bremsbeläge Schwingungsdämpfende Platten für Bremsbeläge Bremssattel-/Scheibenschrauben Alle Kategorien
-
-
Aufhängung & Lenkung
-
Übertragung
-
- Getriebekasten/Getriebe Kupplungssätze Hochleistungs-Kupplungssätze Kupplungsreibscheibe Kupplungsdruckplatte Kupplungsausrücklager Kupplungszug und Teile Kupplungsführungshülse Kupplungsausrückgabeln und -hebel Kupplungsschrauben Getriebeteile Antriebswellen und Teile Getriebedichtungssätze Getriebelager Teile der Getriebesteuerung Schwungrad/Drehmoment Gleichlaufgelenkkits Gleichlaufgelenkmanschetten und -kits Kardanwelle/Gelenkwelle Getriebeteile Getriebeöl Getriebewanne/Ölwanne Differential Alle Kategorien
-
-
Kühlen & Heizen
-
- Heizung/Klimaanlage Kondensatoren und Exsikkatoren für Klimaanlagen Klimaanlagenverdampfer und Expansionsventile Leitungen der Klimaanlage Riemen der Klimaanlage Lüfter und Verkleidung Relais/Sensoren/Widerstände Kompressoren Heizungsklappen Gebläsemotoren und Lüfter Heizungsgebläse Heizungsschläuche und -leitungen Wärmetauscher Heizkabel Lüftungsschlitze/Gitter Klimatisierung Temperatursensoren/-schalter Heizungs-/Klimaanlagengehäuse
-
-
Elektrik und Beleuchtung
-
- Elektrische Komponenten und Relais Kraftstoffpumpen Bremslichtschalter Brems- und Kupplungsschalter Warnblinkschalter Handbremsschalter Rückfahrlichtschalter Scheinwerferschalter Fensterschalter Fenstermotoren Fenstermechanismus Scheibenwischermotor Elektrische Hupe SmartTop Steuergeräte Zündschalter Sitzschalter Blinker-/Wischerhebelschalter Schalter für Dach/Schiebedach Relais/Sicherungen Waschanlagenpumpen/Flaschen/Düsen Warnsignale/Sicherheit/Zentralverriegelung Steuergeräte Wischerschalter Alle Kategorien
-
- Beleuchtung Scheinwerfer für Rechtslenker Scheinwerfer für Linkslenker Scheinwerferteile und Linsen Hochdruckentladungslampen-Kits Blinker vorn Blinker hinten für Rechtslenker Blinker hinten für Linkslenker Nebel-/Fahrscheinwerfer Seitliche Blinker Drittes Bremslicht Nummernschildbeleuchtung Alle Kategorien
-
-
Karosserie & Auspuff
-
- Fahrgestell/Karosserie Restaurierung Fahrgestell/Reparaturpanels Frontdeckeldämpfer Heckklappendämpfer Motorhauben/Schlösser und Riegel Kofferräume/Heckklappe/Schlösser und Riegel Heckklappe/Heckklappe Stoßfänger vorn Stoßfänger hinten Türen/Schlösser und Riegel Türverkleidungen | Scharniere | Schließbleche Fensterheber Kotflügel vorn und Teile Kotflügel hinten & Teile Seitenschwellerverkleidungen Äußere Fahrgestellleisten Spiegel und Teile Steinschlagfolien/Aufkleber Unterböden Fahrgestell und Motor Wischerblätter/-arme Radlaufverkleidungen und -abdeckungen Dach - Cabrio/Targa/Coupé Überrollkäfige Alle Kategorien
-
-
Schmiermittel und Flüssigkeiten
-
- Ersatzteile Servicekits OEM-Teile Ölfilter Luftfilter Pollen-/Partikelfilter Kraftstofffilter Riemen aller Art Zündkerzen IRIDIUM POWER Zündkerzen IRIDIUM RACING Zündkerzen Zündspulen Wischerblätter/-arme Heckscheibenwischerarme und -blätter Ersatzteile für Getriebe Porsche Classic Motoröl Motoröl und Schmierstoffe – Mobil Motoröl und Schmiermittel – Total Motoröl und Schmiermittel – Castrol Motoröl und Schmiermittel – Motul Motoröl und Schmiermittel – Millers Oils NanoDrive Motoröl und Schmiermittel – Millers Oils Kraftstoffzusätze Kühlmittel/Frostschutz Alle Kategorien
-
-
Alle Teile
-
- Teile Zubehör Fahrgestell/Karosserie Bremsen Bekleidung und Geschenkartikel Elektrische Komponenten und Relais Motorkühlung Elektrische Motorkomponenten Teile für Motorüberholung Leistungsteile Auspuffanlagen Außengestaltung/Spoiler Getriebekasten/Getriebe Heizung/Klimaanlage Hydraulikkomponenten Innenausstattung und Zubehör In-Car-Entertainment/Multimedia Beleuchtung Matten und Teppiche Motorsport und Offroad Pedalerie Gummidichtungen Sitze und Sicherheitsgurte Alle Kategorien
-
- Back to main website
Geben Sie hier Ihre MwSt.-Nummer ein und klicken Sie auf Überprüfen:
Sie brauchen den Ländercode Ihrer MwSt.-Nummer nicht einzugeben, da dieser bereits oben in Ihrer Rechnungsadresse ausgewählt wurde.
Ihre Angaben wurden überprüft. MwSt.-Nummer registriert auf:
,
.
Ihre Bestellung ist nun mehrwertsteuerfrei. Wir behalten uns das Recht vor, diese Angaben nach Ihrer Bestellung zu überprüfen und gegebenenfalls die Mehrwertsteuer wieder einzuführen.
Ihre MwSt.-Angaben wurden nicht erkannt oder waren ungültig. Ihre MwSt.-Nummer muss mit Ihrem Rechnungsland übereinstimmen, wie oben angegeben. Dies ist derzeit als angegeben. Sie brauchen den Ländercode Ihrer MwSt.-Nummer nicht einzugeben, da Sie diesen bereits in den Angaben zu Ihrer Rechnungsadresse oben ausgewählt haben.
Der Dienst zur Überprüfung von MwSt.-Nummern ist derzeit offline. Bitte geben Sie Ihre MwSt.-Daten im Feld „Kommentare“ oder „Besondere Hinweise“ unten an, und wir werden nach Ihrer Bestellung einen MwSt.-Rabatt gewähren.
Klimakompressoröl 250ml. Porsche 95B.2 Macan / 9YA Cayenne / 971 Panamera / Boxster Spyder / Cayman GT4 ❭ 00004330579
- Porsche Boxster Spyder / Sypder RS 718 4.0L 01/2019>>
- Porsche 992.1 Carrera 2 3.0L 2019-24
- Porsche 992.1 Carrera 4 3.0L 2019-24
- Porsche 992.1 Carrera 2 Cabriolet 3.0L 2019-24
- Porsche 992.1 Carrera 4 Cabriolet 3.0L 2019-24
- Porsche 992.1 Carrera 2S / GTS 3.0L 2019-24
- Porsche 992.1 Carrera 4S / GTS 3.0L 2019-24
- Porsche 992.1 Carrera 2S / GTS Cabriolet 3.0L 2019-24
- Porsche 992.1 Carrera 4S / GTS Cabriolet 3.0L 2019-24
- Porsche 992.1 Targa 4 3.0L 2020-24
- Porsche 992.1 Targa 4S / GTS 3.0L 2020-24
- Porsche 992.1 Turbo 3.8L 2020-24
- Porsche 992.1 Turbo S 3.8L 2020-24
- Porsche 992.1 Turbo Cabriolet 3.8L 2020-24
- Porsche 992.1 Turbo S Cabriolet 3.8L 2020-24
- Porsche Cayman GT4 718 4.0L / GT4 RS 718 4.0L
- Porsche 9YA Cayenne V6 3.0L Petrol (340Hp) 2018-23
- Porsche 9YA Cayenne Coupe V6 3.0L Petrol (340Hp) 2019-23
- Porsche 9YA Cayenne S V6 2.9L Petrol (440Hp) 2018-23
- Porsche 9YA Cayenne Coupe S V6 2.9L Petrol (440Hp) 2019-23
- Porsche 9YA Cayenne Turbo V8 4.0L Petrol (550Hp) 2020-23
- Porsche 9YA Cayenne Coupe Turbo V8 4.0L Petrol (550Hp) 2019-23
- Porsche 971.1 Panamera V6 3.0L 2WD (330 Hp) 2017-20
- Porsche 971.1 Panamera 4 V6 3.0L 4WD (330 Hp) 2017-20
- Porsche 971.1 Panamera 4 V6 3.0L 4WD Executive 2017-20
- Porsche 971.1 Panamera 4 3.0L Turbocharged V6 Sport Turismo 2017-20
- Porsche 971.1 Panamera 4S V6 3.0L 4WD (440 Hp) 2017-20
- Porsche 971.1 Panamera 4S V6 3.0L 4WD Executive 2017-20
- Porsche 971.1 Panamera 4S 2.9L Twin-Turbo V6 Sport Turismo 2017-20
- Porsche 971.1 Panamera 4S Diesel V8 4.0L 4WD (422 Hp) 2017-18
- Porsche 971.1 Panamera 4S Diesel 4.0L Twin-Turbo V8 Sport Turismo 2017-18
- Porsche 971.1 Panamera Turbo V8 4.0L 4WD (550 Hp) 2017-20
- Porsche 971.1 Panamera Turbo V8 4.0L 4WD Executive 2017-20
- Porsche 971.1 Panamera Turbo 4.0L Twin-Turbo V8 Sport Turismo 2017-20
- Porsche 95B.2 Macan Petrol 2.0L (245Bhp) 2019-21
- Porsche 95B.2 Macan S Petrol 3.0L V6 (354Bhp) 2019-21
- Porsche 95B.2 Macan GTS Petrol 2.9L V6 (380Bhp) 2019-21
- Porsche 95B.2 Macan Turbo 2.9L V6 (440Bhp) 2019-21
250ml

Passt:
Kühlmittel R134A
Porsche 95B.2 Macan 2019-21
Porsche 971 Panamera 2017-21 (nicht für Hybrid)
Porsche 9YA Cayenne 2018>> (nicht für Hybrid)
Porsche 982SP Boxster Spyder 2019>>
Porsche 982 Cayman GT4 2019>>
Porsche 992.1 Carrera 2019>>
Porsche 992 Turbo / S 2020>>
Zugehörige Referenznummern
Verwandte, ersetzte, Querverweisoder Alternativnummern zum Vergleich.
00004330579
Das von Ihnen angezeigte Produkt verweist auf diese Nummern
- Porsche Boxster 986 2.5L 1997-99
- Porsche Boxster 986 2.7L 1999-02
- Porsche Boxster S 986 3.2L 1999-02
- Porsche Boxster 986 2.7L 2003-04
- Porsche Boxster S 986 3.2L 2003-04
- Porsche Boxster 987 2.7L 2005-08/08
- Porsche Boxster 987 S 3.2/3.4L 2005-08/08
- Porsche 996 C2 3.4L 1997-08/01
- Porsche 996 C4 3.4L 1997-08/01
- Porsche 996 C2 3.6L 09/01-2005
- Porsche 996 C4 3.6L 09/01-2005
- Porsche 996 C4S 3.6L 09/01-2005
- Porsche 996 TURBO 2000-05
- Porsche 996 GT2 2001-05
- Porsche 996 GT3 MKI 1999-02
- Porsche 996 GT3 MKII 2003>>
- Porsche 996 GT3 RS 2003-04
- Porsche 997 MK1 Carrera 2 3.6L 2005-08
- Porsche 997 MK1 Carrera 2S 3.8L 2005-08
- Porsche 997 MK1 Carrera 4 3.6L 2005-08
- Porsche 997 MK1 Carrera 4S 3.8L 2005-08
- Porsche 997 MK1 TURBO 2007-09
- Porsche 997 MK1 GT3 2007-09
- Porsche 997 MK1 GT2 2007-09
- Porsche 997 MKII GT3 2010-11
- Porsche Cayman 2.7L 987C 2006-08
- Porsche Cayman S 3.4L 987C 2005-08
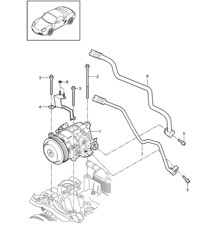
Sorgen Sie mit diesem OE Match Klimakompressor für eine perfekte Klimatisierung Ihres Porsche. Ein hochwertiger Ersatz, der in Form, Passform und Leistung den Originalspezifikationen von Porsche entspricht. Dieser präzise für die Modelle Porsche 996 und Boxster (986) gefertigte Kompressor bietet zuverlässige Kältemittelkompression und konstante Kühlleistung. Gebaut aus robusten Materialien und nach modernen Fertigungsstandards, gewährleistet er einen reibungslosen, leisen Betrieb und eine lange Lebensdauer unter allen Fahrbedingungen. Egal, ob Sie ein defektes Gerät ersetzen oder Ihre Klimaanlage erneuern, dieser OE Match Kompressor bietet eine kostengünstige Lösung in Werksqualität, die sich ohne Modifikationen direkt installieren lässt.
Passform:
Porsche 986 Boxster 1997-04
Porsche 987 Boxster 2005>>
Porsche 987C Cayman 2005>>
Porsche 996 1998-05
Porsche 997 MKI 2005-08
Diagrammreferenz Nr. 1.
Warum und wann ersetzen:
- Klimaanlage bläst warme oder unregelmäßige Luft
- Kompressorkupplung greift nicht oder macht Geräusche
- Kältemittelverlust oder sichtbare Leckage
- Bei einer Systemüberholung oder einem Kältemittelumstellungsservice
Der Austausch durch einen OE Match-Kompressor stellt die zuverlässige Kühlung wieder her, reduziert das Systemgeräusch und schützt die übrigen Klimaanlagenkomponenten vor Schäden durch eine defekte Einheit.
Zugehörige Referenznummern
Verwandte, ersetzte, Querverweisoder Alternativnummern zum Vergleich.
99612601152
Das von Ihnen angezeigte Produkt verweist auf diese Nummern
- Porsche Boxster 986 2.5L 1997-99
- Porsche Boxster 986 2.7L 1999-02
- Porsche Boxster S 986 3.2L 1999-02
- Porsche Boxster 986 2.7L 2003-04
- Porsche Boxster S 986 3.2L 2003-04
- Porsche Boxster 987 2.7L 2005-08/08
- Porsche Boxster 987 S 3.2/3.4L 2005-08/08
- Porsche 964 (911) C2 1989-93
- Porsche 964 (911) C4 1989-93
- Porsche 993 (911) C2 1994-97
- Porsche 993 (911) C4 1994-97
- Porsche 993 (911) RS 1994-97
- Porsche 993 (911) C2S 1994-97
- Porsche 993 (911) C4S 1994-97
- Porsche 993 (911) TURBO 1994-96
- Porsche 993 (911) GT2 1994-97
- Porsche 993 (911) TURBO S 1994-97

Passt:
Porsche 964 C2, C4 1993-94
Porsche 993 1994-98
Klicken Sie auf „Vergrößern“, um ein großes Teilediagramm anzuzeigen.
Diagramm Nr. 1.
Zugehörige Referenznummern
Verwandte, ersetzte, Querverweisoder Alternativnummern zum Vergleich.
96412612102
Das von Ihnen angezeigte Produkt verweist auf diese Nummern
- Porsche Boxster 986 2.5L 1997-99
- Porsche Boxster 986 2.7L 1999-02
- Porsche Boxster S 986 3.2L 1999-02
- Porsche Boxster 986 2.7L 2003-04
- Porsche Boxster S 986 3.2L 2003-04
- Porsche Boxster 987 2.7L 2005-08/08
- Porsche Boxster 987 S 3.2/3.4L 2005-08/08
- Porsche 996 C2 3.4L 1997-08/01
- Porsche 996 C4 3.4L 1997-08/01
- Porsche 996 C2 3.6L 09/01-2005
- Porsche 996 C4 3.6L 09/01-2005
- Porsche 996 C4S 3.6L 09/01-2005
- Porsche 996 TURBO 2000-05
- Porsche 996 GT2 2001-05
- Porsche 996 GT3 MKI 1999-02
- Porsche 996 GT3 MKII 2003>>
- Porsche 996 GT3 RS 2003-04
- Porsche 997 MK1 Carrera 2 3.6L 2005-08
- Porsche 997 MK1 Carrera 2S 3.8L 2005-08
- Porsche 997 MK1 Carrera 4 3.6L 2005-08
- Porsche 997 MK1 Carrera 4S 3.8L 2005-08
- Porsche 997 MK1 TURBO 2007-09
- Porsche 997 MK1 GT3 2007-09
- Porsche 997 MK1 GT2 2007-09
- Porsche 997 MKII GT3 2010-11
- Porsche Cayman 2.7L 987C 2006-08
- Porsche Cayman S 3.4L 987C 2005-08

Passt:
Porsche 986 Boxster 1997-04
Porsche 987 Boxster 2005>>
Porsche 987C Cayman 2005>>
Porsche 996 1998-05
Porsche 997 MKI 2005-08
Klicken Sie auf „Vergrößern“, um ein großes Teilediagramm anzuzeigen.
Diagramm Nr. 1.
Zugehörige Referenznummern
Verwandte, ersetzte, Querverweisoder Alternativnummern zum Vergleich.
99612601152
Das von Ihnen angezeigte Produkt verweist auf diese Nummern
Montag-Freitag: 8.30 - 17.30 Uhr (GMT) Samstag: Geschlossen Sonntag: Geschlossen